当前位置: 首页 > news >正文

【RH850F1KMS1】一文了解瑞萨MCU的芯片引脚标识名称

前言:市面上面的不同品牌的MCU对于常见的外设在数据手册上面的标识大多大同小异,但是接触完瑞萨系列的MCU发现跟市面上面的其他arm核的MCU还是有很大的区别的,有些甚至可以说是完全不一样,本篇博文就以瑞萨一款常见的车规级芯片为例介绍说明一下这些名称的含义。


目录

1,综述

2,端口(PORT)

3,定时器(TAU)

3.1 TAUB

3.2 TAUD

3.2 TAUJ

4,脉宽调制(PWM)

5,模数转换器(ADC)

6,CAN

7,RLIN2 / RLIN3

7.1 RLIN2

7.2 RLIN3

8,串行外设接口(IIC)

9,非屏蔽中断(NMI)

10,外部中断(INTP)

11. 复位(Reset)

11.1 RESET

11.2 RESETOUT

10. 电源(Power)

11. 时钟(Clock)

12. 低功耗采样器(LPS)

13,模式引脚(MODE)

14,SENT

15,SPI

15.1 CSIG

15.2 CSIH


1,综述

这里就以瑞萨芯片中非常常见的车规级MCU RH850F1KMS1为例结合数据手册上面的标识说明一下这里面所标的名称代表的意思。如下是数据手册里面100Pin的各个引脚的复用功能。当然这些外设可以将之悉数列出,并可以清晰地知晓是哪一路以及不同的数字标号是代表的什么意思。

接下来就说明一下这些标号名称所代表的意思。。。不过归类来讲就只有PORT  IIC  SPI  TIME PWM  LIN  CAN  SEND  RESET  ADC与一些其他的时钟或者烧录功能引脚 

2,端口(PORT)

代表端口:P10_xP11_xP0_xP8_xP9_x等表示不同的引脚

功能作用:这些通常指的是微控制器的输入输出端口。除了基础的IO功能,这些端口也可以配置为多种复用功能,通常用于通信、外设连接或控制等等。

F1KMS1的port检索可通过参考手册查看,见下图;

主要分为JTAG端口、模拟端口、外设复用端口。

3,定时器(TAU)

TAUDTAUJTAUB等代表不同的定时器功能。

三者的功能各有异同,可以通过参考手册查看,比如下面查看的TAUB定时器的功能。

接下来介绍一下对于F1KMS1而言这三个定时器的分布

3.1 TAUB

在100pin的MCU中,有一个TAUB定时器,称为TAUB0,并且一个定时器带有16个channel。每一个channel既可以作为输出也可以作为输入,对于简称可以看第三张图片,比如TAUB0I1代表TAUB0的第2个输入通道。

3.2 TAUD

在100pin的MCU中,同样的,也只有一个TAUD定时器,称为TAUD0,并且一个定时器带有16个channel。每一个channel既可以作为输出也可以作为输入

3.2 TAUJ

在100pin的MCU中,有4个TAUJ定时器,称为TAUJ0~3,并且一个定时器带有4个channel。每一个channel既可以作为输出也可以作为输入

4,脉宽调制(PWM)

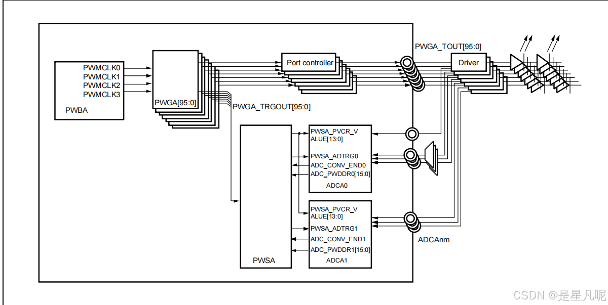
F1KMS1_100PIN有48个PWM输出通道,PWGA0~47,例如PWGA0O代表的是第一路的PWM输出引脚

对于PWBA与PWSA而言,PWBA作用是将PCLK分频并提供给PWGA计数时钟信号,PWSA向A/D转换器发送所需的设置信息,并输出A/D转换启动触发器,ADCA完成A/D转换之后再将信息反馈给PWSA,之后模数转换触发PWGA_TRGOUTn输出进行波形输出。

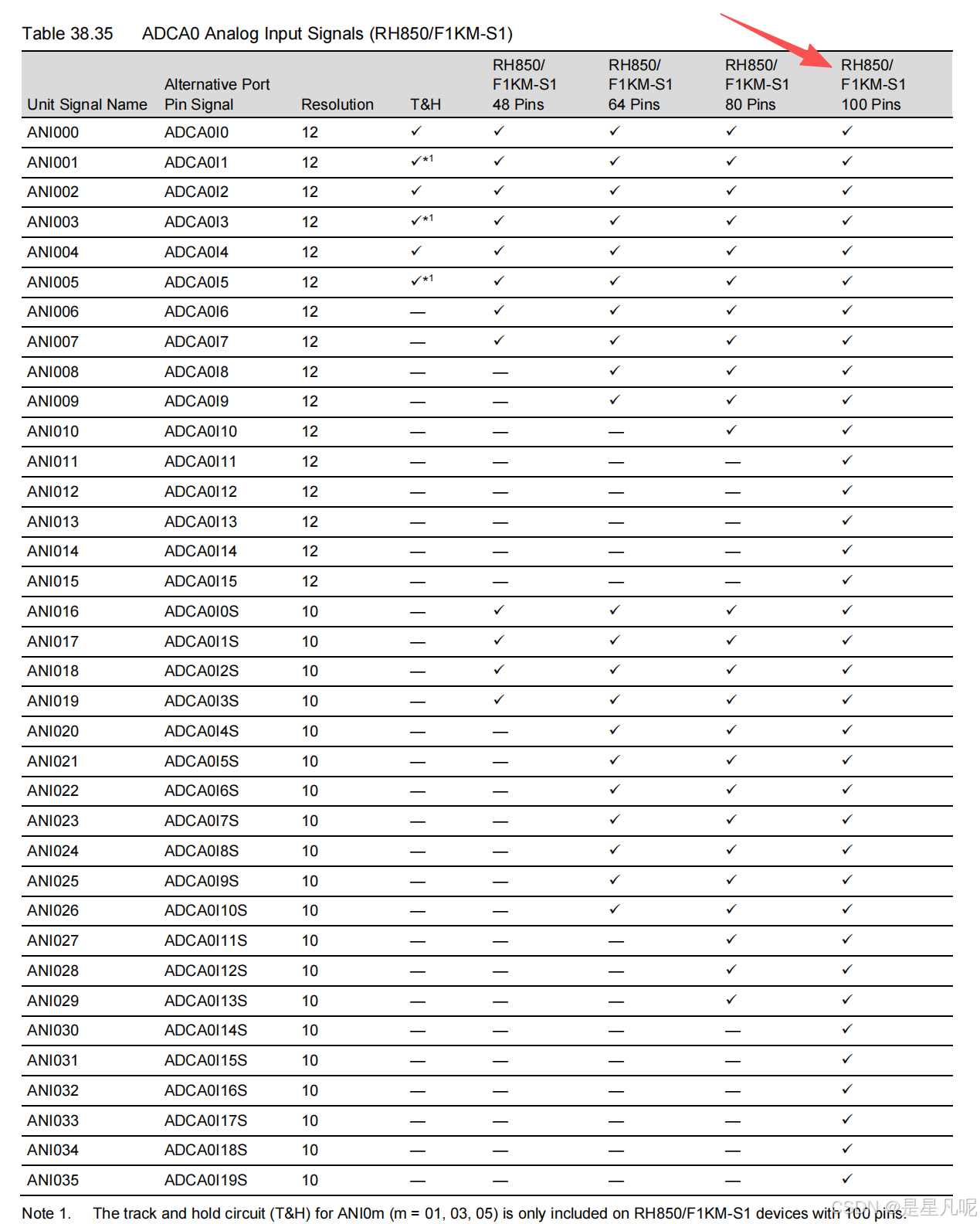
5,模数转换器(ADC)

如下参数考手册所示,F1KMS1_100PIN有一个ADCA转换器,即ADCA0,其中12bit的有16channel,10bit的有20 channel,一共有36个转换通道。例如ADCA0I10S就代表是10bit的ADCA0的第10个通道。

当然,在瑞萨MCU的引脚定义中,一般 AP0_x 定义的引脚都是12bit的ADC外设引脚。

6,CAN

很明显,F1KMS1有一个CAN模块即为RCFDC0,附带有6路CAN,并且不支持CANFD

CANCANTXCANRX等表示CAN总线相关的引脚。CAN1TXCAN2RX等表示用于CAN1通信的发送和接收引脚。

7,RLIN2 / RLIN3

7.1 RLIN2

对于RH850F1KMS1而言,RLIN2只能作为主机。其有一个模块RLIN240,三个LIN通道RLIN20~RLIN22,端口上面的标识名称为RLIN20RX / RLIN20TX。

7.2 RLIN3

RLIN3既可以作为主机,又可以作为从机。其有4个通道模块RLIN30~33,端口上面的标识名称为RLIN30RX / RLIN30TX

8,串行外设接口(IIC)

RIIC0SCL、RIIC0SDA等是I2C总线的信号引脚;SCL表示时钟线,SDA表示数据线;

如下所示,F1KMS1_100pin有两个RIIC模块,RIIC0与RIIC1。端口上面的标识名称为RIIC0SCL / RIIC0SDA

9,非屏蔽中断(NMI)

NMI表示非屏蔽中断引脚。这些引脚用于处理高优先级的中断,通常在需要立即响应的情况下使用。例如,NMI / RTCA0OUT表示非屏蔽中断功能

对于F1KMS1_100pin而言,带有这个功能的有P9_0 / P8_5 / P8_6 / JP0_5。

10,外部中断(INTP)

INTP表示外部中断引脚,例如,INTP0、INTP1等表示不同的外部中断输入引脚。

11. 复位(Reset)

这里其实有两种复位引脚,RESETRESETOUT

11.1 RESET

RESET表示复位引脚。用于在系统出现故障时重新初始化微控制器。

11.2 RESETOUT

当产生复位等级1或2的复位源时,复位输出信号(RESETOUT)被输出到外部。重置
输出用于在微控制器内部生成重置的同时重置外部设备。

10. 电源(Power)

EVCCEVSSA0VSSA0VREF等表示电源相关的引脚。EVCC是电源输入,EVSS是接地引脚。A0VSSA0VREF通常用于模拟电源和参考电压。

11. 时钟(Clock)

X1X2表示外部时钟输入引脚,用于提供时钟信号给MCU。

RTCA0OUT表示RTC(实时时钟)输出引脚。

12. 低功耗采样器(LPS)

  • LPS 是一个硬件模块,能够在不依赖 CPU 的情况下,周期性地轮询数字输入端口(DIO)和模拟输入端口(AD)。
  • 该模块位于 MCU 的 Always-On 区域(AWO 区域),即使在 DeepSTOP 等低功耗模式下仍能持续运行,从而实现对外部信号的监测和事件触发。
  • 其功能有:通过 DPO(数字端口输出)和 APO(模拟端口输出)信号,控制外部传感器或设备的电源。

DPIN的数据引脚,用于输入数据;其他还有DPO(数字端口输出) APO(模拟端口输出)

DPIN有17channel,

13,模式引脚(MODE)

MODE0MODE1等表示模式选择引脚,用于设置芯片工作模式。

14,SENT

SENT (Single Edge Nibble Transmission) 是一种用于汽车电子和嵌入式应用的通信协议,主要用于传输传感器数据。它设计用于通过单根线传输数据,通常用于传输较小的数据包,具有较低的带宽要求。

比如SENT1RXSENT1SPC0等表示串行传感器接口接收与发送引脚,常用于传感器数据通信。

15,SPI

瑞萨系列MCU的SPI协议并不是用这个名字,而是CSIG与CSIH两个

15.1 CSIG

【主要引脚标识有】

CSIGTSCK:串行时钟信号线

CSIGTSI:串行数据输入信号线

CSIGTSO:串行数据输出信号线

CSIGTSSI:从设备选择信号线

CSIGTRYI:准备/忙碌输入信号线

CSIGTRYO:准备/忙碌输出信号线

15.2 CSIH

具体的引脚标识第二张图都有标了,一共是4路(CSIH0~3)

以上就是常用的端口标识功能,当然没有完全介绍完毕,其他的剩下的端口外设功能后续有需要时再介绍。。。

http://www.dtcms.com/a/465593.html

相关文章:

  • MPLS技术详解1:原理、架构与转发机制详析
  • WPF自定义控件之环形进度条
  • 深度学习入门(一)——从神经元到损失函数,一步步理解前向传播(下)
  • php网站怎么做伪静态织梦模板网站好吗
  • 电脑所有可用的网络接口
  • 宁波网站设计推广培训班呼和浩特做网站的
  • TensorFlow深度学习实战(40)——图神经网络(GNN)
  • 水库安全保障:单北斗GNSS变形监测系统的应用与维护探讨
  • Spring中Bean 的生命周期
  • 【C++】智能指针介绍
  • 利用腾讯混元大模型搭建Cherry Studio自有知识库,打造“智能第二大脑”
  • 咸阳做网站的公司有哪些电商卖货平台有哪些
  • 浏阳网站建设卷云网络做网页的it网站
  • 广东省省考备考(第一百二十天10.10)——资料分析、判断推理(强化训练)
  • 常用的C++压测框架
  • 强化学习之父 Richard Sutton :大模型是死路一条
  • 【YOLO 模型入门】(1)一文读懂 YOLO:从核心概念到检测原理
  • redis消息队列
  • AI任务相关解决方案21-一种基于大语言模型、多智能体协作平台MCP、Agent、RAG技术的项目投标智能化系统与方法
  • 做一个能注册用户的网站深圳优化网站公司
  • 哈尔滨seo建站怎么用wordpress建立自己的网站
  • Frigate - IP 摄像头开源程序实时目标检测 NVR
  • Ubuntu系统使用指南
  • BERT文本分类超参数优化实战:从13小时到83秒的性能飞跃
  • 传输层协议之TCP协议
  • k8s中实现pod热加载
  • 医疗网站建设中心百度做个网站要多少钱
  • 万盛网站建设公司视频网站制作
  • H618-内核驱动的第一个hello world
  • IEEE内期刊论文爬取