当前位置: 首页 > news >正文

LWIP通讯之PHY芯片LAN8720引脚详解

LAN8720A和LAN8720Ai的区别是工作温度不同,前者是商业级后者是工业级,LAN8720支持的接口是RMII
关于参考文档(英文)可去我的资源中取,无积分

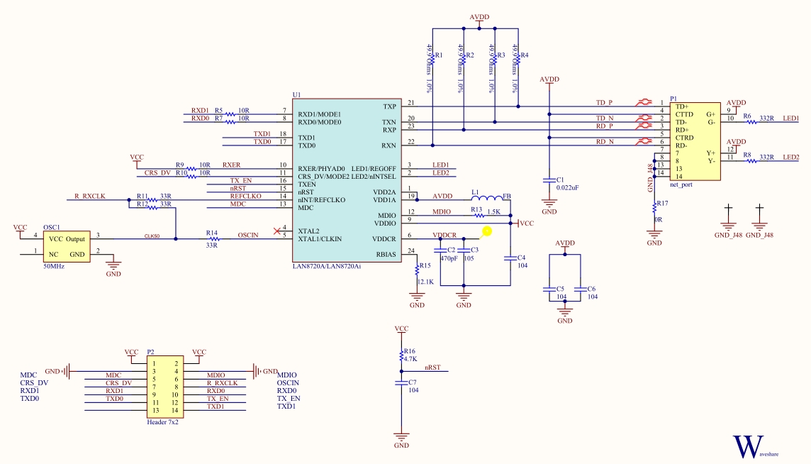
引脚编号引脚名称引脚作用
1VDD2A3.3V电源通道2,内部稳压器电源
2LED2/nINTSET链路速度指示灯,100Mbps时有效,10Mbps或链路隔离时无效/选择14号引脚的工作模式,悬空或上拉直VDD2A时:nINT模式,下拉至VSS时REFCLKO模式(注意外部的上拉下拉电阻会影响LED2的有效电平)
3LED1/REGOFF有效链路指示灯,拉高时接到VDD2A而不是VDDIO/用于禁用内部1.2V稳压器,当禁用时需要给VDDCR输入1.2V电压,浮空或拉低时启用稳压器,拉高到VDD2A时禁用稳压器
4XTAL2外部晶振输入端2(25MHz)
5XTAL1/CLKIN外部晶振输入端1(25MHz)/单端时钟输入50Mhz(此时XTAL2应该无晶振连接)
6VDDCR1.2V输入,使用内部稳压器时,接1uf去耦电容接地
7RXD1/MODE1数据接收信号线第1位/PHY模式配置位1(硬复位时值会被锁存到寄存器,之后就是RXD的功能)
8RXD0/MODE0同上
9VDDIO1.6~3.6V可变IO电源
10RXER/PHYAD0帧错误状态引脚/PHY地址设置,默认下拉(硬复位时)可以通过通讯修改成0,1之外的PHY地址
11CRS_DV/MODE2载波侦听引脚(有无数据传输)/PHY模式配置位2
12MDIO串行管理接口(用于MAC配置PHY芯片寄存器用)
13MDC串行管理接口时钟
14nINT/REFCLKO低电平有效中断输出/50Mhz时钟输出引脚(不是RMII规范的一部分,所以要核对时序)
15nRST硬件复位,低电平复位
16TXEN发送使能
17TXD0RMII发送数据位0
18TXD1RMII发送数据位1
19VDD1A电源通道1
20TXN收发负极1(连接RJ45等接口)
21TXP收发正极1
22RXN收发负极2
23RXP收发正极2
24RBIAS此引脚需要接一个12.1KΩ(1%)的电阻到地

模式配置列表

速度工作模式自动协商说明
00010Mbps半双工禁用
00110Mbps全双工禁用
010100Mbps半双工禁用收发时CRS激活
011100Mbps全双工禁用接收时CRS激活
100100Mbps半双工启用收发时CRS激活
101100Mbps半双工启用接收时CRS激活 中继模式
110XXX低功耗模式,要退出则修改寄存器并软复位
111XX启用所有功能

典型的原理图

http://www.dtcms.com/a/495072.html

相关文章:

  • YOLOv3 :目标检测的经典融合与创新
  • 数值计算-线性方程组的迭代解法
  • win设置
  • 基于波动率自适应的ETF动态止盈止损模型构建与优化
  • C++ 继承笔记
  • H20裸金属租赁:捷智算安全隔离,独立配置保障数据安全
  • 装饰公司怎么做网站建设asp网站视频教程
  • 商业综合体 BAS 楼宇自控系统 + 能效管理系统:双系统协同打造高效低碳运营标杆
  • sm2025 模拟赛22 (2025.10.17)
  • 矢量图形AI 2025软件百度网盘下载与安装步骤分享
  • 建筑公司网站作用支付商城网站制作
  • 多模态文档理解视觉token剪枝思路
  • 本文讲解什么是PD诱骗协议以及如何避免充电器功率不足导致充电器不充电问题
  • 洛谷 - 线段树详解 1 (超详细版)
  • uni-app 入门学习教程,从入门到精通,uni-app基础扩展 —— 详细知识点与案例(3)
  • 解决uniapp中showLoading与showToast相互覆盖问题
  • 网站建设的外国文献三星网上商城怎么取消订单
  • 电子商务网站的建设内容家庭装什么宽带最划算
  • 轮廓系数(一个异型簇的分类标准)
  • 把 1688 商品详情搬进 MySQL:PHP 爬虫全链路实战(2025 版)
  • python+uniapp基于微信小程序的个人物品租售系统
  • 中国(新疆)航空航天国防展--三款MEMS惯性导航系统解析
  • 十大拿货网站爱做奈官方网站
  • 图像处理之膨胀
  • AI部署001 - C++环境部署与服务器使用
  • MP4格式视频无法播放怎么修?4个修复方法,解决难题
  • 语音处理:音频移形幻影,为何大振幅信号也无声
  • dedecms学校网站模板wordpress 3d插件
  • 注册一个新公司需要多少钱seo如何进行优化
  • Git流程规范介绍