永磁同步电机无速度算法--基于ESO-PLL的永磁同步电机无位置传感器控制
一、原理介绍
采用一种形式简单且不使用任何机械参数的高阶PLL方法:以角加速度为扩张状态变量来构造扩张状态观测器(ESO),并将其作为PLL中的环路滤波器(LF) , ESO中的位置估计过程为压控振荡器 (VCO),反正切所得角度与ESO计算所得角度之差为鉴相器(PD)
这篇文章的仿真网上也有很多人做过了,下面简单放出PLL和ESOPLL的结构图。


最终的系统整体框图为

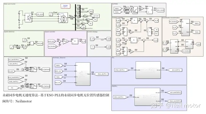
二、仿真模型
在MATLAB/simulink里面验证所提算法,搭建采用PLL的传统SMO仿真。采用和实验中一致的控制周期1e-4,电机部分计算周期为1e-6。仿真模型如下所示:

仿真工况:电机空载零速启动,0s阶跃给定转速500rpm,0.5s给定转速逐渐增加到1000rpm,0.5s时施加阶跃负载
将PLL和ESOPLL极点配置到相同位置,保持系统其他参数不变,分别验证两者性能
PLL
2.1给定转速、实际转速和估计转速

2.2估计转速与实际转速误差

2.3估计转角与实际转角

2.4估计转角与实际转角误差

2.5电磁转矩

ESO-PLL
2.6给定转速、实际转速和估计转速

2.7估计转速与实际转速误差

2.8估计转角与实际转角

2.9估计转角与实际转角误差

2.10电磁转矩

相比于PLL,仿真验证中并没有体现ESO在性能上有明显提升,不过可以算作一种新思路
