【计算机网络笔记】第六章 数据链路层
第六章 数据链路层
一、数据链路层的功能
1.1 基本术语
下面介绍点对点信道的一些基本概念,某些概念对广播信道也是适用的。
链路:指从一个节点到相邻节点的一段物理线路。当进行数据通信时,两台计算机之间的通信路径往往要经过许多段这样的链路。可见链路只是一条路径的组成部分。
数据链路:当在一条链路上传送数据时,除了需要链路本身,还需要一些必要的通信协议来控制这些数据的传输,把实现这些协议的硬件和软件加到链路上,就构成了数据链路。
有时也把上面所说的链路称为物理链路,而把数据链路称为逻辑链路。
帧:数据链路层对等实体之间进行逻辑通信的协议数据单元。数据链路层把网络层下交的数据构成帧发送到链路上,并把接收到的帧中的数据取出并上交给网络层。
链路管理:数据链路层连接的建立、维持和释放过程称为链路管理,它主要用于面向连接的服务。链路两端的节点要进行通信,必须首先确认对方已处于就绪状态,并交换一些必要的信息以对帧序号初始化,然后才能建立连接,在传输过程中要能维持连接,而在传输完毕后要释放该连接。
1.2 链路层的地位
下面使用两台主机通过互联网进行通信的例子来了解数据链路层所处的地位,如图所示。某个电话网中的主机H1经过路由器R1、局域网、路由器R2、广域网及路由器R3连接到另一个局域网中的主机H2。主机H1和H2都有完整的五层协议栈,而路由器在转发分组时仅使用协议栈的下三层。
当主机H1向H2发送数据时,从协议的层次上看数据的流动如图箭头所示。数据进入路由器后要先从物理层上到网络层,在转发表中找到下一跳的地址后,再下到物理层转发出去。因此,数据从主机H1送到主机H2需要在路径中的各节点的协议栈向上和向下流动多次。

当我们学习数据链路层时,通常可以只关心协议栈中水平方向的各数据链路层。于是,当主机H1向主机H2发送数据时,可以想象数据就是在各相关设备的数据链路层之间沿水平方向传送的。如下图所示,即通过以下这样的链路:H1的链路层→R1的链路层→R2的链路层→R3的链路层→H2的链路层,其中四段不同的数据链路可能采用不同的数据链路层协议。

1.3 链路层在何处实现
链路层在网络适配器中实现,又称为“网络接口卡”(NIC)或简称为网卡。
网络适配器是一个专用芯片(链路层控制器),是一个硬件、软件和固件(Firmware)的组合体。
硬件:处理信号编码、比特传输等物理层功能。
软件/固件:实现链路层协议逻辑,如封装、差错检测等。
工作流程:
发送端:在适配器中,将网络层的数据报封装成帧,添加差错检测比特等,然后通过物理层发送。
接收端:适配器收到帧后,进行差错检测,如果无误,则提取出数据报并上传给网络层。
工作原理:
网卡充当计算机和网络缆线之间的物理接口或连线,负责将计算机中的数字信号转换成电或光信号。
网卡要承担串行数据或并行数据间的转换,数据在计算机总线中并行传输,而在网络的物理缆线中以串行的比特流传输。
以太网卡中数据链路层的芯片一般简称之为 MAC 控制器,物理层的芯片我们简称之为PHY。
许多网卡的芯片把MAC 和PHY 的功能做到了一颗芯片中。例如:Intel 82559 网卡 和3COM 3C905 网卡。
重要提示:这意味着链路层的功能是高度集成和标准化的,主机的CPU和操作系统主要负责更高层(网络层及以上)的任务。

1.4 链路层提供的服务
1.4.1 成帧与链路接入
成帧(Framing):将网络层的数据报封装成帧,添加帧头和帧尾。帧头通常包含MAC地址。
链路接入(Link Access):对于共享的广播链路(如传统的以太网),需要媒体访问控制(MAC)协议来协调多个节点如何共享信道,避免冲突。例如,CSMA/CD协议。
1.4.2 流量控制
因为链路两端节点的工作速率和缓存空间存在差异,所以发送方的发送能力可能大于接收方的接收能力,此时若不适当限制发送方的发送速率,前面来不及接收的帧将被后面不断发送来的帧“淹没”,造成帧的丢失而出错。因此,流量控制实际上就是限制发送方的发送速率,使之不超过接收方的接收能力。这个过程需通过某种反馈机制,使发送方知道在什么情况下可以接着发送下一帧,而在什么情况下必须暂停发送,以等待收到某种反馈信息后继续发送。
在OSI体系结构中,数据链路层具有流量控制的功能。而在TCP/IP体系结构中,流量控制功能被移到了传输层。它们控制的对象不同。对数据链路层来说,控制的是相邻节点之间的数据链路上的流量,而对传输层来说,控制的则是从源端到目的端之间的流量。

1.4.3 差错检测
因为信道噪声等原因,帧在传输过程中可能会出现错误,这些错误分为位错和帧错。
位错:帧中某些位出现差错,通常采用循环冗余检验(CRC)来发现位错。
帧错:帧丢失、帧重复或帧失序等错误,它们都属于传输差错。
过去OSI的观点是:必须让数据链路层向上提供可靠传输。因此在CRC检错的基础上,增加了帧编号、确认和重传机制。收到正确的帧就要向发送方发送确认。发送方在一定期限内若未收到对方的确认,就认为出现了差错,因此进行重传,直到收到确认为止。现在,在通信质量较差的无线传输中,数据链路层依然使用确认和重传机制,向上提供可靠的传输服务。
对于通信质量良好的有线链路,数据链路层己不再使用确认和重传机制,即不要求向上提供可靠传输的服务,而仅需进行CRC检错,目的是将有差错的帧丢弃,保证上交的帧都是正确的,而对出错的帧的重传任务则由高层协议(如传输层TCP)完成。
差错检测:接收方能够检测到帧中是否出现比特错误(如因信号衰减、噪声引起)。通常通过帧尾的差错检测比特(如CRC)实现。
差错纠正:接收方不仅能检测错误,还能直接纠正一定数量的比特错误,无需重传。这需要更复杂的编码和更多的冗余比特。
1.4.4 半双工与全双工
半双工:链路两端的节点都可以发送数据,但不能同时发送(如同对讲机)。
全双工:链路两端的节点可以同时发送和接收数据(如电话)。
二、差错控制
实际通信链路都不是理想的,比特在传输过程中可能产生差错,1可能变成0,0也可能变成1,这就是比特差错。比特差错是传输差错中的一种,本节仅讨论比特差错。
通常利用编码技术进行差错控制,主要有两类:自动重传请求(Automatic Repeat reQuest,ARQ)和前向纠错(Forward ErrorCorrection,FEC)。在ARQ方式中,当接收方检测到差错时,就设法通知发送方重发,直到收到正确的数据为止。在FEC方式中,接收方不但能发现差错,而且能确定错误的位置并加以纠正。因此,差错控制又可分为检错编码和纠错编码。
2.1 检错编码
检错编码都采用冗余编码技术,核心思想是在有效数据(信息位)被发送前,按某种关系附加一定的冗余位(检验位)(EDC = Error Detection and Correction bits),构成一个符合某一规则的码字后发送。当要发送的有效数据变化时,相应的冗余位也随之变化,使得码字遵从不变的规则。接收方根据收到的码字是否仍符合原规则来判断是否出错。
常见的检错编码有奇偶检验码和循环冗余码。
一般来说,EDC字段越大,开销越大,但检测和纠正效果更好。

2.1.1 奇偶校验码
2.1.1.1 单个比特奇偶校验
奇偶检验码是奇检验码和偶检验码的统称,是一种最基本的检错码。它由n-1位数据和1位检验位组成,检验位的取值(0或1)将使整个检验码中“1”的个数为奇数或偶数。
奇检验码:附加一个检验位后,n位的码字中“1”的个数为奇数。
偶检验码:附加一个检验位后,n位的码字中“1”的个数为偶数。
例如,7位数据1001101对应的奇检验码为10011011,对应的偶检验码为10011010。奇偶检验码只能检测奇数位的出错情况,但不知道哪些位错了,也不能发现偶数位的出错情况。
2.1.1.2 二维奇偶校验
方法:将数据比特排列成矩阵,分别对每行和每列计算奇偶校验位。
作用:检测和纠正单个位的错误。单个比特错误会导致某一行和某一列的校验同时出错,错误比特的位置就是行和列的交点,可以直接纠正。

2.1.2 循环冗余码
2.1.2.1 CRC检错的原理
数据链路层广泛使用循环冗余码(Cyclic Redundancy Code,CRC)检错技术。循环冗余码(CRC)检错的基本思想:
收发双方约定一个生成多项式 G(x)(要求最低位必须为 1)。r+1 位位串可视为阶数为 r 的多项式的系数序列。例如,可用多项式 x^3 + x^2 + 1 表示位串 1101。
发送方基于待发送的数据和 G(x),计算出冗余码,将冗余码附加到数据后而一起发送。
接收方收到数据和冗余码后,通过 G(x) 计算收到的数据和冗余码是否产生差错。 假设一个待传送 k 位的数据,CRC 运算产生一个 r 位的冗余码,称为帧检验序列(FCS)。这样形成的帧将由 k + r 位组成。在所要发送的数据后面增加 r 位冗余码,虽然增大了传输开销,但是可以进行差错检测,这种代价往往是值得的。这个带检验码的帧刚好能被预先确定的多项式 G(x) 整除。接收方用相同的多项式去除收到的帧,若余数为 0,则认为无差错。

2.1.2.2 CRC检错的计算
假设一段 m 位数据,则计算冗余码的步骤如下:
加 0。假设 G(x) 的阶为 r,在数据后面加 r 个 0,相当于乘以 2^r。
模 2 除。利用模 2 除法,用 G(x) 对应的二进制串去除 1)中计算得出的数据串,得到的余数即为冗余码(共 r 位,前面的0不可省略)。
按照模 2 运算规则,加法不进位,减法不借位,相当于对应位进行逻辑异或运算。
举例:
假设数据 M=101001(m=6),除数 G(x)=1101(r=3),经模 2 除法运算后的结果是:商 Q=110101(这个商没什么用),余数 R=001。因此,发送出去的数据为 101001 001(2^rM + FCS),共有 m + r 位,循环冗余码的运算过程如下图所示。

考虑5比特的生成多项式,G=10011,发送出去的数据为1010101010,则R的值是多少?
计算得R=0100:

2.2 纠错编码
主要包括海明码,不作要求。
三、介质访问控制协议
(Medium Access Control Protocols)(MAC Protocols)
在链路层中,有两种链路类型:
点对点链路(Point-to-Point):如两个路由器之间的专用线路,PPP协议。通信是独占的,不存在协调问题。
广播链路(Broadcast Links):多个节点连接到同一个共享信道。当一个节点发送数据时,所有其他节点都能收到。例如,传统的同轴电缆以太网、无线局域网(Wi-Fi)、卫星网络。

其中广播链路有一个核心问题:多路访问(Multiple Access Problem),即如果两个或以上节点同时传输,它们的信号会在信道上叠加(干扰),导致所有发送方的数据都无法被正确接收,这就是冲突(Collision)。
为了解决该问题,因此有了介质访问控制协议,其目标是设计一个分布式算法(多路访问协议),使得每个节点决定:
何时可以发送?
如果发生冲突,如何从冲突中恢复?
理想协议的要求:
当只有一个节点有数据发送时,它能以信道的全部速率(R)发送。
当有M个节点要发送时,每个节点平均能获得 R/M 的吞吐量。
协议是完全分布式的,无需中央控制节点。
协议简单易实现。
常见的介质访问控制方法有信道划分介质访问控制、随机访问介质访问控制和轮询访问介质访问控制。其中前者是静态划分信道的方法,而后两者是动态分配信道的方法。
3.1 信道划分介质访问控制
3.1.1 时分多路复用
时分多路复用(Time Division Multiple Access ,TDMA)是指将信道的传输时间划分为一段段等长的时间片,称为TDM帧,每个用户在每个TDM帧中占用固定序号的时隙,每个用户所占用的时隙周期性地出现(其周期就是TDM的长度),所有用户在不同的时间占用同样的信道资源,如图所示。TDM帧实际上是一段固定长度的时间,它与数据链路层的帧不是同一个概念。

从某个时刻来看,时分复用信道上传送的仅是某对用户之间的信号;从某段时间来看,传送的是按时间分割的复用信号。因为时分复用是按固定次序给用户分配时隙的,当用户在某段时间暂无数据传输时,其他用户也无法使用这个暂时空闲的线路资源,所以时分复用后的信道利用率不高。
统计时分复用(Statistic TDM,STDM)也称异步时分复用,它是对TDM的一种改进。STDM帧与TDM帧不同,它并不固定分配时隙,而按需动态分配时隙,当用户有数据要传送时,才会分配到STDM帧中的时隙,因此可以提高线路的利用率。例如,假设线路的数据传输速率为6000b/s,3个用户的平均速率都为2000b/s,当采用TDM方式时,每个用户的最高速率为2000b/s,而在STDM方式下,每个用户的最高速率可达6000b/s。
3.1.2 频分多路复用
频分多路复用(Frequency Division Multiple Access ,FDMA)是指将信道的总频带划分为多个子频带,每个子频带作为一个子信道,每对用户使用一个子信道进行通信,如图所示。所有用户在同一时间占用不同的频带资源。每个子信道分配的频带可不相同,但它们的总和不能超过信道的总频带。在实际应用中,为了防止子信道之间互相干扰,相邻信道间还要加入“隔离频带”。

频分复用的优点在于充分利用了传输介质的带宽,系统效率较高,实现也较容易。
除了时分多路复用和频分多路复用,还有波分多路复用(主要用于光纤,可以理解为光的频分多路复用)和码分多路复用(采用不同的编码来区分各路原始信号的一种复用方式。与FDMA和TDMA不同,它既共享信道的频率,又共享时间。)
3.2 随机访问介质访问控制
在随机访问协议中,不采用集中控制方式解决发送信息的次序问题,所有用户都能根据自己的意愿随机地发送信息,占用信道的全部速率。在总线形网络中,当有两个或多个用户同时发送信息时,就会产生帧冲突(也称碰撞),导致所有冲突用户的发送均以失败告终。为了解决随机访问发生的冲突,每个用户需要按照一定的规则反复地重传它的顿,直到该帧无冲突地通过,这些规则就是随机访问介质访问控制协议,其核心思想是:胜利者通过争用获得信道,进而获得信息的发送权。因此,随机访问介质访问控制协议也称争用型协议。
可见,若采用信道划分机制,则节点之间的通信要么共享空间,要么共享时间,要么共享空间和时间;而若采用随机访问控制机制,则节点之间的通信既不共享时间,又不共享空间。因此,随机介质访问控制实质上是一种将广播信道转换为点到点信道的机制。
3.2.1 ALOHA协议
3.2.1.1 纯ALOHA协议
协议思想
纯ALOHA协议的基本思想是,当总线形网络中的任何站点需要发送数据时,可以不进行任何检测就发送数据。若在一段时间内未收到确认,则该站点就认为传输过程中发生了冲突。发送站点需要等待一段随机的时间后再发送数据,直至发送成功。
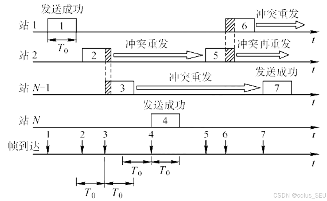
具体例子
下图表示一个纯ALOHA协议的工作原理。每个站均可自由地发送数据帧,假定所有帧都是定长的,帧长不用比特而用发送这个帧所需的时间来表示,图中用表示这段时间。

在上图的例子中,当站1发送帧1时,其他站都未发送数据,所以站1的发送成功。随后站2和站N-1发送的帧2和帧3在时间上重叠了一部分(发生了冲突)。发生冲突的各站都必须进行重传,但并不能马上进行重传,因为这样做必然导致继续发生冲突。因此,让各站等待一段随机的时间,然后进行重传。若再次发生冲突,则需要再等待一段随机的时间,直到重传成功为止。图中其余一些帧的发送情况是,帧4发送成功,而帧5和帧6发生冲突。
效率分析
设 p 为单个节点在任意时刻发送数据的概率,则单节点成功发送数据的概率为:
成功发送的概率P = 节点传输概率
则总吞吐率为
... choosing optimum p and then letting
为了最大化成功发送的概率,我们需要找到最优的 p 值,求导令,得到
。
当 时,
,则
利用极限 ,得到上述极限值为
,即纯ALOHA的最大吞吐率为
3.2.1.2 时隙ALOHA协议
协议思想
纯ALOHA网络的吞吐量很低,为了克服这个缺点,便产生了时隙ALOHA协议。
时隙ALOHA协议同步各站点的时间,将时间划分为一段段等长的时隙(Slot),规定站点只能在每个时隙开始时才能发送帧,发送一帧的时间必须小于或等于时隙的长度。这样就避免了用户发送数据的随意性,降低了产生冲突的可能性,提高了信道的利用率。
具体例子
下图表示两个站的时隙ALOHA协议的工作原理。每个帧到达后,一般都要在缓存中等待段小于时隙T的时间,才能发送出去。当在一个时隙内有两个或两个以上的帧到达时,在下一个时隙将产生冲突。冲突后重传的策略与纯ALOHA协议的情况相似。

效率分析
设 p 为单个节点在任意时刻发送数据的概率,则单节点成功发送数据的概率为:
成功发送的概率P = 节点传输概率
则总吞吐率为:
... choosing optimum p and then letting
为了最大化成功发送的概率,我们需要找到最优的 p 值,求导令 ,得到
。
则
利用极限 ,得到上述极限值为
,即纯ALOHA的最大吞吐率为
3.2.2 CSMA协议
ALOHA 网络发生冲突的概率很大。若每个站点在发送前都先监听公用信道,发现信道空闲后再发送,则会大大降低冲突的可能性,从而提高信道的利用率,载波监听多路访问(Carrier Sense Multiple Access,CSMA)协议依据的正是这一思想。CSMA 协议是在 ALOHA 协议基础上提出的一种改进协议,它与 ALOHA 协议的主要区别是多了一个载波监听装置。简记为“先听后发”。
根据监听方式和监听到信道忙后的处理方式的不同,CSMA 协议分为三种。
(1)1-坚持 CSMA 1-坚持 CSMA 的基本思想是:当站点要发送数据时,首先监听信道;若信道空闲,则立即发送数据;若信道忙,则继续监听直至信道空闲。“坚持”的含义是监听到信道忙时,继续坚持监听信道;“1”的含义是监听到信道空闲时,立即发送帧的概率为 1。
(2)非坚持 CSMA 非坚持 CSMA 的基本思想是:当站点要发送数据时,首先监听信道;若信道空闲,则立即发送数据;若信道忙,则放弃监听,等待一个随机的时间后,再重新监听。 非坚持 CSMA 协议在监听到信道忙时就放弃监听,因此降低了多个站点等待信道空闲后同时发送数据导致冲突的概率,但也增加了数据在网络中的平均时延。
(3)p-坚持 CSMA p-坚持 CSMA 只适用于时分信道,其基本思想是:当站点要发送数据时,首先监听信道;若信道忙,则持续监听(等到下一个时隙再监听),直至信道空闲;若信道空闲,则以概率 p 发送数据,以概率 1-p 推迟到下一个时隙再继续监听;直到数据发送成功。
p-坚持 CSMA 检测到信道空闲后,以概率 p 发送数据,以概率 1-p 推迟到下一个时隙继续监听,目的是降低 1-坚持 CSMA 中多个站点检测到信道空闲时同时发送帧的冲突概率;采用坚持“监听”的目的是,克服非坚持 CSMA 中因随机等待造成的延迟时间较长的缺点。因此,p-坚持 CSMA 协议是非坚持 CSMA 协议和 1-坚持 CSMA 协议的折中。
三种不同类型的 CSMA 协议比较如下表所示:
| 信道状态 | 1-坚持 | 非 坚 持 | p-坚持 |
|---|---|---|---|
| 空闲 | 立即发送数据 | 立即发送数据 | 以概率 p 发送数据,以概率 1-p 推迟到下一个时隙 |
| 忙 | 继续坚持监听 | 放弃监听,等待一个随机的时间后再监听 | 持续监听(等到下一个时隙再监听),直至信道空闲 |
3.2.3 CSMA/CD协议
3.2.3.1 协议特点
载波监听多路访问/冲突检测(CSMA/CD)协议是 CSMA 协议的改进方案,适用于总线形网络或半双工网络环境。对于全双工网络,因为全双工采用两条信道,分别用来发送和接收,在任何时候,收发双方都可以发送或接收数据,不可能产生冲突,所以不需要 CSMA/CD 协议。总线形网络示例如下:

为了实现一对一通信,将接收站的硬件地址写入帧首部中的目的地址字段中。仅当数据帧中的目的地址与适配器的硬件地址一致时,才能接收这个数据帧:

总线形网络中若多台计算机或多个站点同时发送时,会产生发送碰撞或冲突,导致发送失败:

载波监听是指每个站点在发送前和发送过程中都必须不停地检测信道,在发送前检测信道是为了获得发送权,在发送过程中检测信道是为了及时发现发送的数据是否发生冲突。站点要在发送数据前先监听信道,只有信道空闲时才能发送。冲突检测(Collision Detection)就是边发送边检测,适配器边发送数据边检测信道上电压的变化情况,当检测到电压的变化幅度超过一定的门限值时,表明发生了冲突,适配器要立即停止发送数据,等待一段随机时间后再次发送。
CSMA/CD 的工作流程可简单地概括为“先听后发,边听边发,冲突停发,随机重发”。其流程图示如下:

冲突检测在有线LAN中容易实现,直接测量信号强度,比较发送和传输的信号。在无线LAN中难以实现,需观察到接收到的信号强度被本地传输的信号所覆盖。
为什么在无线局域网中不能直接使用CSMA/CD协议? 答:信号传输强度和远近有关。
3.2.3.2 征用期
电磁波在总线上的传播速率总是有限的。因此,当某时刻发送站检测到信道空闲时,信道不一定空闲。如下图所示,设 为单程传播时延。当 t=0 时,A 站发送数据。当
时,A 站发送的数据还未到达 B 站,因为 B 站检测到信道空闲而发送数据。经过时间
后,即当
时,A 站发送的数据和 B 站发送的数据发生冲突,但这时 A 站和 B 站都不知道。当
时,B 站检测到冲突,于是停止发送数据。当
时,A 站检测到冲突,也停止发送数据。至此,A 站和 B 站发送数据均失败,都要推迟一段时间后重新发送。


从图中不难看出,A 站在开始发送数据后最多经过时间 (端到端传播时延的 2 倍)就能知道有没有发生冲突(当
时)。因此,把以太网的端到端往返传播时延
称为征用期(也称冲突窗口)。每个站在自己发送数据后的一小段时间内,存在发生冲突的可能性,只有经过征用期这段时间还未检测到冲突时,才能确定这次发送不会发生冲突。
3.2.3.3 最短有效帧长
现在考虑一种情况:某站发送一个很短的帧,但在发送完之前并未检测出冲突。假定这个帧在继续向前传播到达目的站之前和别的站发送的帧发生了冲突,因此目的站将收到有差错的帧(当然会把它丢弃)。然而,发送站却不知道发生了冲突,因此不会重传这个帧。为了避免发生这种情况,以太网规定了一个最短帧长(征用期内可发送的数据长度)。在征用期内若检测到冲突,就停止发送,此时已发送出去的数据一定小于最短帧长,因此凡长度小于这个最短帧长的帧,就都是因为冲突而异常中止的无效帧。最短帧长的计算公式为:
最短帧长 = 最大单向传播时延 数据传输速率
2
例如,以太网规定 51.2μs 为征用期的长度。对于 10Mb/s 的以太网,在争用期内可发送 512bit,即 64B。当以太网发送数据时,若前 64B 未发生冲突,则后续数据也不会发生冲突(表示已成功抢占信道)。换句话说,若发生冲突,则一定在前 64B。因为一旦检测到冲突就立即停止发送,所以这时发送出去的数据一定小于 64B。于是,以太网规定最短帧长为 64B,凡长度小于 64B 的帧,就都是因为冲突而异常中止的无效帧,收到这种无效帧时应立即丢弃。
若只发送小于 64B 的帧,如 40B 的帧,则需要在 MAC 子层中于数据字段的后面加一个整数字节的填充字段,以保证以太网的 MAC 帧的长度不小于 64B。
51.2μs 是 10Mbps 以太网的标准值,随着传输速率提升,争用期会按 “比特时间比例” 同步缩短,核心原则是保持 “512 比特时间” 的本质不变:
| 以太网速率 | 每比特传输时间 | 512比特时间 | 以太网类型 |
|---|---|---|---|
| 100Mbps | 0.01μs/bit | 5.12μs | 快速以太网(半双工模式) |
| 1000Mbps | 0.001μs/bit | 0.512μs | 千兆以太网(半双工模式,极少使用) |
| 10Mbps | 0.1μs/bit | 51.2μs | 早期总线型以太网、集线器(Hub)组网 |
![]()
解:数据传输速率
,最大单向传播实验
,代入公式:
,得到
3.2.3.4 二进制指数退避算法
一旦发生冲突,参与冲突的两个站点紧接着再次发送就没有意义,若坚持这样做,则将导致无休止的冲突。CSMA/CD 采用截断二进制指数退避算法来确定冲突后重传的时机,它让发生冲突的站点在停止发送后,推迟一个随机的时间再重新发送。算法如下:
1)确定基本退避时间,一般取 2 倍的总线端到端的传播时延 (征用期)。
2)从离散的整数集合[0, 1, …, ()]中随机取出一个数,记为
,重传所需推迟的时间就是
倍的争用期,即
。参数 k=min[重传次数, 10],可见当重传次数不超过 10 时,参数 k 等于重传次数;但当重传次数超过 10 时,k 就不再增大,而一直等于 10。
3)当重传达 16 次仍不成功时,说明网络太拥挤,认为该帧永远无法正确发出,抛弃该帧并向高层报告出错(这个条件容易忽略,请读者注意)。
假设适配器首次试图传送一帧,且在传送过程中检测到冲突。第 1 次重传时,k=1,随机数 r 从整数集合{0, 1}中选择,可选的重传推迟时间是 0 或 。若再次发生冲突,则第二次重传时,随机数 r 从整数集合{0, 1, 2, 3}中选择,因此重传推迟时间是在 0,
,
,
这四个时间中随机选取的一个,以此类推。使用截断二进制指数退避算法可使重传需要推迟的平均时间随重传次数的增大而增大(也称为动态退避),因此能降低发生冲突的概率,有利于整个系统的稳定。
以太网还规定帧间最小间隔为 9.6μs,相当于发送 96 比特的时间。这样做是为了让刚刚收到数据帧的站的接收缓存来得及清理,为接收下一帧做好准备。
3.2.3.5 CSMA/CD 的效率
下面介绍CSMA/CD(载波监听多路访问/冲突检测)协议的效率计算公式。CSMA/CD是一种用于局域网(LAN)的协议,它通过监听信道来避免数据传输中的冲突。
定义变量:
:表示局域网中两个节点的网络接口卡(NIC)之间传输信号的最大传播时延。
:表示传输最大帧所需的时间。
效率公式:
效率的计算公式为:
这个公式表明,效率随着
的减小和
的增大而提高。
效率变化:
当
接近0时,效率接近1。
当
趋向于无穷大时,效率也接近1。
与ALOHA协议的比较:CSMA/CD比ALOHA协议的效率要好,并且更简单、便宜、去中心化。
3.2.3.6 CSMA/CD 协议总结:
协议过程:
① 准备发送:适配器从网络层获得一个分组,封装成帧,放入适配器的缓存。
② 检测信道:若信道忙,则持续检测,直至信道转为空闲;若在 9.6μs 的时间内信道保持空闲(保证帧间最小间隔),则发送这个帧。
③ 在发送过程中,适配器仍然持续检测信道。这里只有如下两种可能。
发送成功:在争用期内一直未检测到冲突,该帧肯定能发送成功。
发送失败:在争用期内检测到冲突,此时立即停止发送,适配器执行退避算法,等待一段随机时间后返回步骤②。若重传 16 次仍不能成功,则停止重传并向上报错。
协议使用范围:
CSMA/CD协议仅适用于共享式 / 半双工以太网。
现代以太网普遍采用交换机(Switch)和全双工通信模式,每个端口独占信道,不存在多节点竞争,因此 CSMA/CD 协议失效,征用期配置也不再需要(全双工模式下冲突检测被禁用)。
仅当使用集线器(Hub)组网、或设备强制设置为半双工模式时(如工业控制网络、老旧设备兼容),才需要配置征用期。
征用期决定了共享式以太网的最大覆盖范围:速率固定时,征用期越长,允许的线缆长度越长(信号往返延迟可更大)。例如 10Mbps 以太网,按 51.2 微秒征用期计算,最大允许网络直径约为 5120 米(理论值),但实际受线缆衰减限制,标准最大网段长度为 500 米(同轴电缆)或 100 米(双绞线)。
若使用交换机(全双工模式),无需关注征用期;仅半双工 / 共享信道场景需遵循 “速率 - 比特时间 - 征用期” 的匹配规则,不建议手动修改默认配置。
3.2.4 CSMA/CA协议(了解)
CSMA/CD 协议已成功用于有线连接的局域网,但无线局域网不能简单地搬用 CSMA/CD 协议。无线局域网仍然使用 CSMA,但无法使用冲突检测,主要有两个原因:
适配器接收到的信号强度往往远小于发送信号的强度,且在无线介质上信号强度的动态变化范围很大,因此若要实现冲突检测,则硬件上的花费会过大。
在无线通信中,并非所有站点都能够听见对方(但能产生冲突,即存在“隐藏站”问题,从而使得冲突检测机制并不能检测到所有的冲突。
为此,802.11 标准定义了广泛用于无线局域网的 CSMA/CA 协议,它对 CSMA/CD 协议进行修改,将冲突检测改为冲突避免(Collision Avoidance,CA)。“冲突避免”并不是指协议可以完全避免冲突,而是指协议的设计要尽量降低冲突发生的概率。因为 802.11 无线局域网不使用冲突检测,一旦站点开始发送一个帧,就会完全发送该帧,但冲突存在时仍发送整个帧(尤其是长数据帧)会严重降低网络的效率,所以要采用冲突避免技术来降低冲突的概率。
CSMA/CA的具体机制本文省略。
3.3 轮询访问:令牌传递协议
在轮询访问中,用户不能随机地发送信息,而要通过一个集中控制的监控站,以循环方式轮询每个节点,再决定信道的分配。典型的轮询访问控制协议是主节点轮询和令牌传递协议。
3.3.1 主节点轮询

在主节点轮询中,master 依次发送一个特殊的poll(轮询)帧到各个 slaves 中,如果该slave 有数据 data 需要传送,则传送回master。
主节点轮询用于工业控制网络,其主要问题有:轮询造成的负载 ;轮询的时延;单点失效问题(master)。
3.3.2 令牌传递协议

在令牌传递协议中,一个令牌(Token)沿着环形总线在各站之间依次传递。令牌是一个特殊的控制帧,它本身并不包含信息,仅控制信道的使用,确保同一时刻只有一个站独占信道。当环上的一个站希望发送帧时,必须等待令牌。站点只有取得令牌后才能发送帧,因此令牌环网络不会发生冲突(因为令牌只有一个)。站点发送完一帧后,应释放令牌,以便让其他站使用。因为令牌在网环上是按顺序依次传递的,所以对所有联网计算机而言,访问权是公平的。
令牌环网络中令牌和数据的传递过程如下:
当网络空闲时,环路中只有令牌帧Token在循环传递。
当令牌传递到有数据要发送的站点时,该站点就修改令牌中的一个标志位,并在令牌中附加自己需要传输的数据data,将令牌变成一个数据帧,然后将这个数据帧发送出去。
数据帧沿着环路传输,接收到的站点一边转发数据,一边查看帧的目的地址。若目的地址和自己的地址相同,则接收站就复制该数据帧,以便进一步处理。
数据帧沿着环路传输,直到到达该帧的源站点,源站点收到自己发出去的帧后便不再转发。同时,通过检验返回的帧来查看数据传输过程中是否出错,若出错,则重传。
源站点传送完数据后,重新产生一个令牌,并传递给下一站点,交出信道控制权。
令牌传递协议的问题:Token的传输负载;延时latency;单点失效(token),忘记释放令牌。
令牌传递协议非常适合负载很高(多个节点在同一时刻发送数据的概率很大)的广播信道,若采用随机介质访问控制,则发生冲突的概率很大。令牌传递协议既不共享时间,又不共享空间;它实际上在随机访问介质访问控制的基础上,限定了有权发送数据的节点只能有一个。
即使是广播信道也可通过介质访问控制机制使其变为逻辑上的点对点信道,所以说数据链路层研究的是“点到点”之间的通信。
3.4 链路层协议总结

信道划分协议
按时间、频率或编码划分:TDMA,FDMA,CDMA(码分多址)
随机接入协议
ALOHA, S-ALOHA, CSMA, CSMA/CD
CSMA/CD 用于Ethernet
CSMA/CA 用于802.11(Wifi)
轮流协议
主节点轮询, 令牌传递
Bluetooth, FDDI, IBM Token Ring
局域网接入技术有:以太网,电缆接入,光纤接入,无线接入。这些协议在局域网的接入技术中会使用,比如下面的电缆接入网。

四、局域网LAN
Local Area Nerwork
4.1 局域网的基本概念和体系结构
4.1.1 LAN的概念和连接
局域网(Local Area Network,LAN)是指在一个较小的地理范围(如一所学校)内,将各种计算机、外部设备和数据库系统等通过双绞线、同轴电缆等连接介质互相连接起来,组成资源和信息共享的计算机互联网络。大多数 LAN 是从一个中心位置连接到互联网,即路由器。家庭 LAN 通常使用单个路由器,而较大空间中的 LAN 可能另外使用网络交换机 ,以提高数据包传输效率。
LAN 几乎总是使用以太网、WiFi 或同时使用两者来连接网络中的设备。
以太网是用于物理网络连接的协议,需要使用以太网电缆。
WiFi 是通过无线电波连接到网络的协议
4.1.2 LAN的特点
为一个单位所拥有,且地理范围和站点数量均有限。
所有站点共享较高的总带宽(较高的数据传输速率)。
较低的时延和较低的误码率。
各站为平等关系而非主从关系。
能进行广播和多播。
局域网的特性主要由三个要素决定:拓扑结构、传输介质、介质访问控制方式,其中最重要的是介质访问控制方式,它决定着局域网的技术特性。
常见的局域网拓扑结构主要有以下 4 大类:①星形结构;②环形结构;③总线形结构;④星形和总线形结合的复合型结构。

局域网可以使用铜缆、双绞线和光纤等多种传输介质,其中双绞线为主流传输介质。
局域网的介质访问控制方法主要有 CSMA/CD 协议、令牌总线协议和令牌环协议,其中前两种协议主要用于总线形局域网,令牌环协议主要用于环形局域网。当星形网中间为集线器hub的时候,可以使用 CSMA/CD 协议,当中间为交换机的时候,点对点传输不会产生冲突,不需要使用 CSMA/CD 协议。
三种特殊的局域网拓扑实现如下:
以太网(目前使用范围最广)。逻辑拓扑是总线形结构,物理拓扑是星形结构。
令牌环(Token Ring,IEEE 802.5)。逻辑拓扑是环形结构,物理拓扑是星形结构。
FDDI(光纤分布数字接口,IEEE 802.8)。逻辑拓扑是环形结构,物理拓扑是双环结构。
4.1.3 LAN的优点
具有广播功能,从一个站点可很方便地访问全网。局域网上的主机可共享连接在局域网上的各种硬件和软件资源。
便于系统的扩展和逐渐地演变,各设备的位置可灵活调整和改变。
提高了系统的可靠性、可用性和残存性。
4.2 地址解析协议ARP
4.2.1 MAC控制器
MAC控制器指网卡(Network Interface Card,NIC)中的介质访问控制(Media Access Control)部分。
IEEE 802 标准定义的局域网参考模型只对应于 OSI 参考模型的数据链路层和物理层,并将数据链路层拆分为两个子层:逻辑链路控制(LLC)子层和介质访问控制(MAC)子层。与接入传输介质有关的内容都放在 MAC 子层,它向上层屏蔽对物理层访问的各种差异,主要功能包括:组帧和拆卸帧、比特传输差错检测、透明传输。LLC 子层与传输介质无关,它向网络层提供无确认无连接、面向连接、带确认无连接、高速传送四种不同的连接服务类型。
因为在局域网市场中的垄断地位,以太网几乎成为局域网的代名词,而 802 委员会制定的 LLC 子层作用已经不大,所以现在许多网卡仅装 MAC 协议而不装 LLC 协议。
以太网卡的 MAC 芯片的功能:
因为有MAC(介质访问控制)子层和LLC(逻辑链路控制)子层,一块网卡要实现MAC和LLC的功能。
MAC从PCI 总线收到IP数据包后,拆分并重新打包成最大1518Byte,最小64Byte的帧。
帧里面包括了目标 MAC 地址、源 MAC 地址和数据包里面的协议类型,还有一个 DWORD(4Byte)的CRC码。
计算机通过适配器(网卡)和局域网进行通信:

4.2.2 IP地址与MAC地址
IP地址
功能:32-bit IP地址,用于网络层的接口地址,用于网络层的转发。
特性:层次地址结构,不便携(NOT portable),地址依赖于所在的IP子网。
MAC地址(或LAN或物理或以太网地址)
功能:在本地从一个接口把帧传输到另一个接口(同一网络,从IP地址的角度看)。
48位MAC地址:
对于大多数局域网(LANs),MAC地址烧录在网络接口卡(NIC)的只读存储器(ROM)中,有时可以用软件重写。
例如:1A-2F-BB-76-09-AD(使用16进制(base 16)表示,每个“数字”代表4位。)
特性:扁平地址结构:提供便携性(portability),能够从一个局域网移动接口卡到另一个局域网。
MAC地址:类似身份证号码。
IP地址:类似邮政编码。
4.2.3 ARP协议
链路层通过ARP(Address Resolution Protocol)获得MAC地址。
4.2.3.1 ARP 协议的运作过程
ARP是介于网络层和数据链路层之间的一个协议。
第一次传送某个目的IP 地址的数据时,先发出一个ARP 包, 其目的MAC 是广播地址,说到:"谁是xxx.xxx.xxx.xxx 这个IP 地址的主人?" 所有这个局域网的主机都收到了这个ARP 请求。
收到请求的主机将这个IP 地址和自己的比较,如果不相同就不予理会,如果相同就发出ARP 响应包。ARP 响应里说到:“我是这个IP 地址的主人”。并把自己的MAC地址写入报文。ARP报文格式如下:

![]() | ![]() |
|---|
IP地址和MAC地址之间的对应关系(ARP表)保存在系统中,由驱动程序和操作系统完成。
局域网上的每个 IP 节点(主机、路由器)都有一个ARP 表,这是一个 IP/MAC 地址映射表,用于一些局域网节点,表中的内容是
< IP 地址;MAC 地址;TTL>,其中TTL是生存时间,即每个映射的过期时间(通常为 20 分钟)。

每一个局域网的适配器(Adapter)(即网卡)有唯一的MAC地址。
4.2.3.2 ARP:同一个LAN和不同LAN
如果A与B在同一个LAN下,A 想要向 B 发送数据报文,B 的 MAC 地址不在 A 的 ARP 表中:
(1) A 广播 ARP 查询数据包,包含 B 的 IP 地址
目的 MAC 地址 = FF-FF-FF-FF-FF-FF
局域网上的所有节点接收 ARP 查询
(2) B 接收到 ARP 数据包,回复 A 其(B 的)MAC 地址
数据帧发送到 A 的 MAC 地址(单播)
(3) A 在 ARP 表中缓存 IP 到 MAC 地址对直到该信息过时。
软状态:信息会过时(消失)除非被刷新
ARP 是即插即用(plug and play),不需配置 ARP 表
如果A与B在不同的LAN下,A想要向B发送数据报文,假设从A 发送数据报经过R到B:
假设 A 知道 B 的 IP 地址; 假设 A 知道下一跳路由器 R 的 IP 地址(通常通过网络配置或手动设置获得); 假设 A 知道 R 的 MAC 地址(通过 ARP 请求获取,或者在网络配置中预先设置)。
R的两个接口卡分别与两个不同的LAN相连,两个接口卡中都存在相应的ARP表。
(1)A 创建 IP 数据报,源地址为 A,目的地址为 B;A 创建链路层帧,目的地址为 R 的 MAC 地址,帧中包含从 A 到 B 的 IP 数据报。

(2)数据帧从 A 发送到 R;数据帧到达 R,IP 数据报被移除,传递到 IP 层
(3)R 转发数据报文,源地址为 A,目的地址为 B;R 创建链路层帧,目的地址为 B 的 MAC 地址,帧中包含从 A 到 B 的 IP 数据报。

4.2.3.3 ARP缓存-cache
主机内设置缓冲区,是为了快速查找。主要命令有:
arp -a:和arp -g命令的输出结果是一样的,用于查看高速缓存中的所有项目。arp -d:删除internet_address指定的主机。inet_addr可以是通配符 *,以删除所有主机。arp -s:添加主机并且将 Internet 地址internet_address与物理地址ethernet_address相关联。
ARP 缓存的构成
ARP 缓存(ARP 地址表)是设备存储 IP 与 MAC 映射关系的核心空间,本质是 “所有有效映射条目” 的总称。
包含两类核心表项:
一类是通过 ARP 协议自动学习生成的动态表项,会老化。
另一类是手动配置的静态表项(比如华为交换机arp static命令配置的条目),永不老化。
无论是动态还是静态表项,都会被存入 ARP 缓存,设备查询 ARP 缓存时,会同时检索这两类表项。
思考:有哪两种情况不需要启动ARP协议查询?
答:
若目标 IP 是回环地址(如 127.0.0.1):无需 MAC 地址,跳过整个 ARP 流程。(比如ping localhost的时候就是回环地址)
若目标是广播 / 组播对象:直接使用固定广播 MAC(FF-FF-FF-FF-FF-FF)或组播 MAC,无需查询缓存和 ARP 协议。
ARP启动时机和过程
当主机A向本局域网上的某个主机B发送IP数据报时,就先在自己的ARP缓冲表中查看有无主机B的IP地址。如果有,就可以查出其对应的硬件地址,再将此硬件地址写入MAC帧,然后通过以太网将数据包发送到目的主机中。如果查不到主机B的IP地址的表项。可能是主机B才入网,也可能是主机A刚刚加电。其高速缓冲表还是空的。在这种情况下,主机A就自动运行ARP。
4.3 以太网与IEEE 802.3
4.3.1 IEEE 802.3标准
以太网是目前最流行的有线局域网技术。
以太网规约的第一个版本是 DIX V1,它由 DEC、Intel 和 Xerox 联合提出。之后,它被修改为第二版规约 DIX Ethernet V2,是世界上第一个局域网产品的规约。在此基础上,IEEE 802 委员会的 IEEE 802.3 工作组制定了第一个 IEEE 的以太网标准 IEEE 802.3。严格来说,以太网是指符合 DIX Ethernet V2 标准的局域网,但 DIX Ethernet V2 标准与 IEEE 802.3 标准的差别很小,因此通常将 802.3 局域网简称为以太网。

以太网 MAC 协议提供的服务类型:
以太网采用两项措施来简化通信:①采用无连接的工作方式,既不对发送的数据帧编号,又不要求接收方发送确认,即以太网尽最大努力交付数据,提供的是不可靠服务,对差错的纠正则由高层完成;②发送的数据都使用曼彻斯特编码的信号,每个码元的中间出现一次电压转换,接收方利用这种电压转换方便地将位同步信号提取出来。
以太网是不可靠无连接的:
以太网(Ethernet)是一种无连接的(connectionless)网络技术。这意味着在以太网中,数据帧的传输不需要建立和维护一个稳定的连接。每个设备(如计算机、路由器、交换机等)都可以独立地发送数据帧到网络,而不需要事先与接收设备建立连接。
这种无连接的特性使得以太网具有以下特点:
灵活性:设备可以随时加入或离开网络,不需要进行复杂的连接设置。
简单性:网络设备之间的通信不需要复杂的握手过程,简化了网络管理。
效率:由于不需要建立连接,可以减少网络的开销,提高传输效率。
然而,以太网的无连接特性也意味着它不保证数据帧的可靠传输。如果发生冲突或数据帧在传输过程中损坏,以太网本身不提供重传机制。因此,数据的可靠传输通常由更高层的协议(如TCP)来保证,这些协议会在检测到错误或丢失的数据帧时进行重传。
4.3.2 以太网的传输介质与物理拓扑结构

总线形:节点之间会有碰撞

环形:

星形:节点之间无碰撞
![]() | ![]() |
|---|
4.3.3 高速以太网

4.4 交换机
4.4.1 交换机的功能
交换机是链路层设备,用于存储转发以太网帧并检查到来的帧的MAC 地址, 有选择地转发帧。
透明的 transparent:主机感觉不到交换机的存在。
即插即用 plug-and-play, 具有自学习 self-learning 机制,因此交换机不需要配置。
能做到多路同时传输:主机和交换机直连,交换缓存的报文。以太网协议在每一个接入链接使用,没有冲突,是全双工的。
如下图中 A-to-A’ 和 B-to-B’ 能同时无冲突传输:

Q:上图中交换机如何知道A ‘可通过接口4到达,B ’可通过接口5到达?
A:每一个交换机有一个交换表 switch table, 每个表项包括:(主机MAC 地址, 通向该MAC的交换机接口, 时间戳)看起来像个路由表!交换表通过自学习创建。
4.4.2 交换转发表和自学习机制
| Step1 |
|---|
![]() |
| Step2 |
![]() |
| Step3 |
![]() |
| Step4 |
![]() |
| Step5 |
![]() |
4.4.3 回路问题
4.4.3.1 回路问题的产生
交换机对广播帧的转发规则是 “泛洪” flood:交换机收到广播帧(目标 MAC 为 FF-FF-FF-FF-FF-FF)时,会向除接收端口外的所有其他端口发送该帧。
物理回路提供了 “循环路径”:当两台交换机通过多条链路连接形成回路时,泛洪的广播帧会通过一条链路到达另一台交换机,而这台交换机又会通过另一条链路将帧转发回去,形成闭合循环。
没有天然的 “终止机制”:广播帧本身没有 “生命周期” 标识(比如 TTL,IP 层才有),交换机转发时也不会修改帧的内容,只会重复泛洪操作。
例如:下图中主机A向E发送一帧,从星号位置开始,先广播经一个循环使两个交换机的交换表中有相关信息后,该帧才能发送到主机E。但是在广播的时候会发生回路问题。

回路问题产生的具体流程是:
(1)PC 发送 ARP 请求(广播帧),目的是获取服务器的 MAC 地址,该帧首先到达 S1。
(2)S1 收到广播帧后,向所有端口(除接收端口 G0/0/1)泛洪,包括 G0/0/2 和 G0/0/3等,两帧分别通过两根链路发送到 S2。
(3)S2 收到来自 G0/0/5 和 G0/0/6 等的同一 ARP 广播帧,又会向所有端口(除接收端口)泛洪,以及回连 S1 的 G0/0/5、G0/0/6等。
(4)这两帧再次被转发回 S1,S1 重复上述泛洪操作,形成无限循环 —— 广播帧在 S1 和 S2 之间不断流转,占用所有链路带宽。
(5)同时,S1 和 S2 的 MAC 地址表会不断更新:一会儿记录 PC 的 MAC 对应 G0/0/1,一会儿对应 G0/0/2,表项频繁震荡,导致后续正常数据帧转发错乱。
(6)最终结果:整个局域网带宽被广播风暴占满,PC 和服务器无法正常通信,所有接入该网络的设备都出现卡顿、断网。
4.4.3.2 回路问题的解决
交换机使用了生成数协议来解决回路问题。IEEE 802.1D 标准制定了一个生成树协议 STP (Spanning Tree Protocol)。其要点是:不改变网络的实际拓扑,但在逻辑上则切断某些链路,使得从一台主机到所有其他主机的路径是无环路的树状结构,从而消除了兜圈子现象。

4.4.4 总结
4.4.4.1 交换机自学习和转发帧的步骤

4.4.4.2 交换机之间连接

如上图,如果主机A想发送一个帧到主机G,一样可以通过自学习机制,经由交换机S1, S4, S3发送到G。
4.4.4.3 交换机和路由器的对比

二者都是存储转发:
routers: 网络层设备(检查网络层报文首部)
switches: 链路层设备 (检查链路层报文首部)
二者都有转发表:
routers: 使用路由算法根据IP地址进行转发
switches: 使用洪泛、自学习、根据MAC地址进行转发
4.5 VLAN
4.5.1 为什么需要虚拟局域网VLAN

如上图,二层交换解决了冲突域的问题,但还存在广播域的问题。广播帧在广播域中传播,占用资源,降低性能,且具有安全隐患。
如下图,某个站点发送了一个广播帧,能够收到该广播帧的设备同处于一个广播域:

支持VLAN的交换机可以分隔广播域:一个VLAN(Virtual LAN)是一个独立的广播域;交换机通过划分VLAN,来分隔广播域。
4.5.2 如何实现虚拟局域网
VLAN是一个在物理网络上根据用途,工作组、应用等来逻辑划分的局域网络,与用户的物理位置没有关系。
不同VLAN的成员不能直接进行二层通信:

通过路由器或三层交换机进行VLAN间路由,实现VLAN间通信:

4.5.3 虚拟局域网的类型
如何划分VLAN?
VLAN类型主要有:基于端口的VLAN(最常见);基于MAC地址的VLAN;基于协议的VLAN;基于子网的VLAN。
4.5.3.1 基于端口的VLAN

基于端口的VLAN是最简单、最有效的VLAN划分方法,它按照设备端口来定义VLAN 成员,将指定端口加入到指定VLAN中,该端口可以转发指定VLAN的数据帧。例如:将f0/1和f0/2加入VLAN 10。注意:如果成员设备离开原端口,连接到新的交换机端口,则必须重新指定端口所属的VLAN ID。
4.5.3.2 交换机支持VLAN
交换机支持VLAN的功能: 把物理上单个LAN划分为多个虚拟的LAN。

VLANS之间的转发就类似于多个交换机之间的转发。VLANS也可以跨越多个交换机。
4.5.3.3 802.1Q VLAN 帧格式

4.5.3.4 以太网端口两种链路类型:Access 和Trunk
Access 类型的端口:只能属于1 个VLAN,一般用于连接计算机的端口。
Access链路类型端口一般用于连接用户设备(无需识别802.1Q帧的设备),一旦Access端口加入了特定的VLAN,连接在该端口的设备被视为属于该VLAN。

Trunk 类型的端口:可以允许多个VLAN 通过,可以接收和发送多个VLAN 的报文,一般用于交换机之间连接的端口。
Trunk端口一般用于交换机之间连接;干道链路允许多个VLAN的流量通过。

4.5.4 虚拟局域网的优点
有效控制广播域范围:广播流量被限制在一个VLAN内;
增强网络的安全性:VLAN间相互隔离,无法进行二层通信,不同VLAN需通过三层设备通信;
灵活构建虚拟工作组:同一工作组的用户不必局限于同一物理范围;
提高网络的可管理性:将不同的业务规划到不同VLAN便于管理。









