当前位置: 首页 > news >正文

九.寄生参数对变换器参数设计的影响

1.寄生参数对变换器参数设计的影响

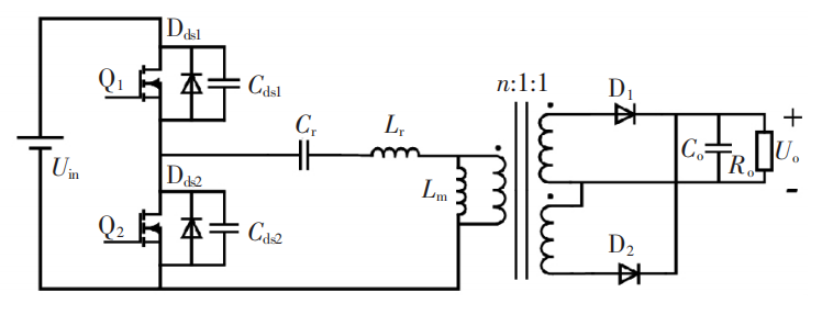
在实际应用中, 变压器绕组之间存在间隙,绕组内部以及绕组和 PCB 板间会生成寄生电容,这将对变换器工作的稳定性产生影响。 考虑寄生电容影响的变换器等效电路拓扑如下图所示。 在这里插入图片描述
变换器等效电路图如下图所示,其中Cstray为变压器寄生电容。
在这里插入图片描述
将变换器负载折算到变压器一次侧,得到等效电阻为:
在这里插入图片描述
电压增益为:
在这里插入图片描述
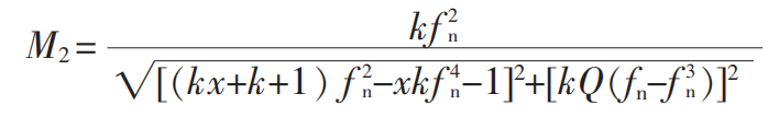
令:电感比 k=Lm/Lr;归一化频率 fn=fs/fr;谐振频率 fr=1/(2π√LrCr );品质因数 Q= Lr /(CrR2
eq) √ ;寄生电容
Cstray=xCr,将上述参数代入式

不考虑寄生电容时,电压增益为:
在这里插入图片描述
考虑寄生电容时,电压增益为:
在这里插入图片描述

2.寄生参数对电压增益参数 Q 的影响

采用控制变量法, 分析 k 不变、Q 变化时寄生电容对变换器电压增益的影响。 不同寄生电容的电压增益曲线如下图 所示。
在这里插入图片描述
在这里插入图片描述
在这里插入图片描述
由图可知:当 k 一定时,减小 Q,最大增益变大;但电压增益峰值左移,变换器工作频率范围变宽,不利于磁性元件工作,降低整机效率。
对比组增益曲线可知: 在空载或轻载条件下,寄生电容使增益曲线趋势突变,且 Q 越小突变越明显;相同 Q 下,寄生参数越大,突变区域越靠近变换器的正常工作区域。 为了削弱寄生参数的影响,要选取 Q 能够取到的最大值。

3.寄生参数对电压增益参数 k 的影响

分析 Q=0.3、k 变化时,寄生电容对变换器电压增益的影响。 增益曲线如下图所示。由下图可知:当 Q 一定时,减小 k,最大电压增
益升高,开关频率范围变小,两方面的性能均变好。但当 fr 确定时, 谐振电感 Lr 确定,k 越小,Lm 越小,损耗越大,所以 k 不能过分取小。
对比 2 组增益曲线可知:相同 Q 下,由于寄生电容的存在,最大增益降低。 在空载或轻载状态下,寄生电容使增益曲线偏离正常轨迹,使变换器工作稳定性受到影响。
综上所述,寄生电容会影响变换器电感比和品质因数的选取,进而影响变换器的工作性能,所以考虑寄生电容对电路的影响很有必要。
在这里插入图片描述
在这里插入图片描述

4.结论

对比不含寄生参数的增益曲线,寄生电容使电压增益波形突变, 影响最大增益和最佳频率范围等重要性能。

http://www.dtcms.com/a/438680.html

相关文章:

  • MapSet练习OJ题讲解(2易2中1难)
  • 1.2.1 RAG:构建你的专属知识库
  • 做网站找个人还是公司电商网站建设的意义
  • 网站开发人员定罪成都系统网站建设
  • 小迪web自用笔记49
  • win7 不能安装 scales 1.4.0,ggplot2,无法找到动态链接库的注入点
  • 厦门模板网站极简风格 网站
  • 第四届人工智能与智能信息处理国际学术会议(AIIIP 2025)
  • 网站建设与维护的试卷易点网络科技有限公司
  • wordpress标签调用代码优化师证书
  • 基于ECA-ResNet50的OAM光束相位重建:深度学习在光学涡旋场分析中的突破性应用
  • 搭建nginx的高性能web集群
  • 四川省城乡和建设厅网站微信公众上传wordpress
  • 从单词到语素的形态学
  • c++之基础A(自定义函数)(第二课)
  • 单图像去雨研究综述
  • REST架构的6大约束与API
  • 深圳婚纱摄影网站建设网络维护工程师工资多少
  • 北京企业网站搭建wordpress 国际化
  • uniappx几个生命周期说明
  • 网站推广策划思路的内容企业网组建
  • R语言绘制股票K线图及布林线
  • 【C++】26. 智能指针
  • 职业中学网站建设织梦 公司网站模板
  • 微信 网页版优化系统
  • 如何在 Linux 中更改用户的默认主目录 ?
  • AI人工智能进阶——解读80页DeepSeek应用与部署【附全文阅读】
  • 建网站需要什么服务器合肥知名网站制作公司
  • 安卓基础组件022-ViewPager2
  • 怎样做模具钢网站做怎么网站推广