当前位置: 首页 > news >正文

《嵌入式 – GD32开发实战指南(RISC-V版本)》第5章 跳动的心脏-内核TIMER

开发环境:
IDE:MounRiver Studio
开发板:GD32VF103V-EVAL
MCU:GD32VF103VB

RISC-V的内核中包含System Timer (SysTick)了,当然也可以叫做Systick,只要是RISC-V系列的MCU就会有Systick,只是有些名字不同罢了, bumblebee内核数据手册叫它计时器单元(TIMER),为了方便和其他外部timer对比,笔者还是叫它SysTick。下面详细分析。

1 Systick工作原理分析

SysTick 定时器被捆绑在RISC-V内核中,用于产生 SysTick 异常。在以前,操作系统和所有使用了时基的系统都必须有一个硬件定时器来产生需要的“滴答”中断,作为整个系统的时基。滴答中断对操作系统尤其重要。例如,操作系统可以为多个任务分配不同数目的时间片,确保没有一个任务能霸占系统;或者将每个定时器周期的某个时间范围赐予特定的任务等,操作系统提供的各种定时功能都与这个滴答定时器有关。因此,需要一个定时器来产生周期性的中断,而且最好还让用户程序不能随意访问它的寄存器,以维持操作系统“心跳”的节律。

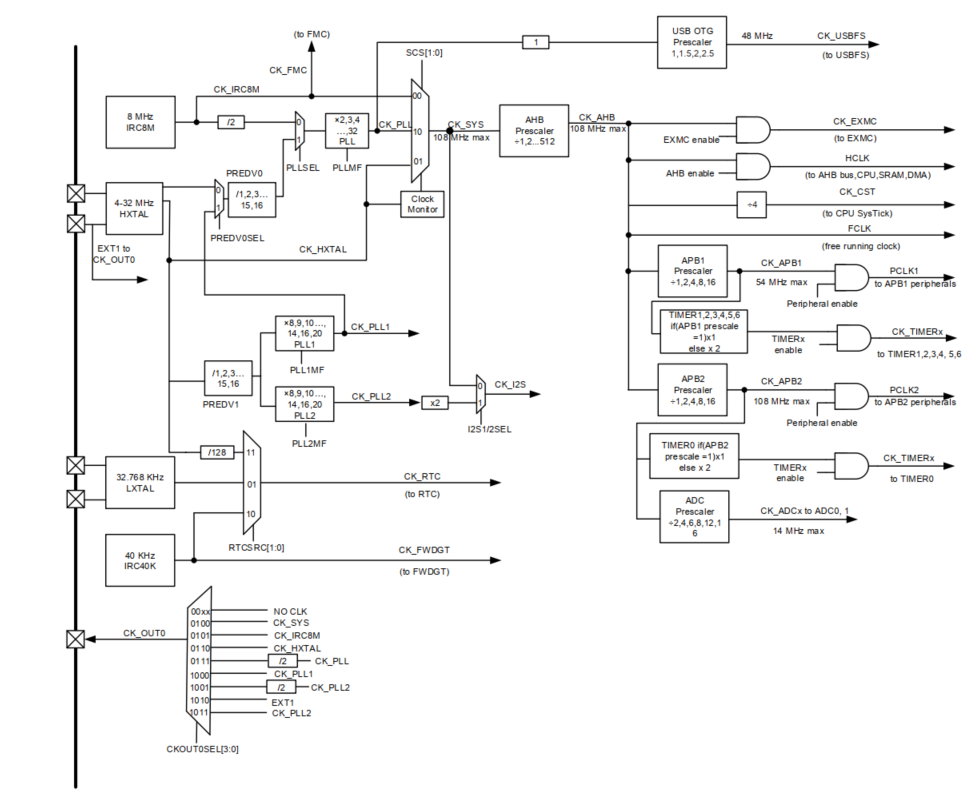
在这里插入图片描述

在 GD32 中SysTick 以HCLK/4作为运行时钟,见上图。

SysTick 定时器能产生中断,RISC-V为它专门开出一个异常类型,并且在向量表中有它的一席之地。它使操作系统

http://www.dtcms.com/a/434579.html

相关文章:

  • 《嵌入式 – GD32开发实战指南(RISC-V版本)》第7章 定时器
  • 佛山新网站建设平台专业动画制作软件
  • 《WebAssembly指南》第九章:WebAssembly 导入全局字符串常量
  • ​​轻量之选:不依赖宝塔,用 NPM 与命令行部署在线工具箱​
  • RUST 静态生命周期和动态生命周期
  • Rocky Linux 8 远程管理配置指南(宿主机 VNC + KVM 虚拟机 VNC)
  • 北京网站快速备案建站手机网站
  • 第四章 信息系统管理
  • 【开发日记】记一次公司服务器中Redis服务问题排查
  • linux问题10--克隆后ip地址和源linux主机相同
  • 社交网站模版steam交易链接怎么改
  • AI重塑销售管理,突破“人”的能力边界|纷享AI主题研讨会宁波站圆满落幕
  • [C++项目组件] 后台服务器部署docker
  • 移动固态优盘坏道读写速率下降等测试
  • 解决django.db.utils.OperationalError: attempt to write a readonly database问题
  • Django SimpleUI 配置与优化详解
  • 从入门到精通:Django的深度探索之旅
  • 【数据结构】考研重点掌握:顺序查找算法实现与ASL计算详解
  • 大型网站建立1800做网站因为专业
  • 医疗AI平台化转型:从单点试点到体系化建设的互操作性与质量控制路径研究(上)
  • 做装修效果图的网站沈阳哪有wordpress
  • Linux命令行指令返回值data空降Python的机枪与大炮(DeepSeek)
  • c++中this指针使用bug
  • 网站源码中国有限公司外贸网站建设怎么制作
  • 哪家公司做网站专业安装wordpress主题放哪里
  • 我们为什么要封装 localStorage
  • 【AI论文】LongLive:实时交互式长视频生成
  • 企业网站推广总结网站降权是什么意思
  • 消息队列(面试)
  • Presto:一款免费开源的大数据SQL查询引擎