当前位置: 首页 > news >正文

LabVIEW声音压力与响度实时监测

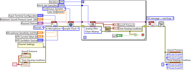
​通过麦克风采集声音信号,经处理后实时监测声压(Sound Pressure)和时变响度(Time - Varying Loudness),为声学测量与分析提供数据支持,适用于噪声监测、声学实验等场景。

  • 声压(Sound Pressure:指声波通过介质时,介质质点产生的压力变化量,是描述声音强弱的物理量,单位为帕斯卡(Pa)。

  • 时变响度(Time - Varying Loudness:反映人耳对声音响度随时间变化的主观感受,单位为宋(Sones),它考虑了人耳对不同频率和强度声音的感知特性。

AI Microphone
  • 功能:配置麦克风模拟输入通道,采集声音信号。

  • 使用场合:需要从麦克风获取原始声音信号的声学测量场景,如环境噪声采集、设备声学测试等。

  • 特点:可灵活设置物理通道、输入终端配置等参数,适配不同麦克风和采集设备。

  • 使用注意事项:需确保物理通道选择正确,与实际麦克风连接的输入通道一致;根据麦克风类型(如 IEPE 麦克风)正确设置 IEPE 激励源等参数。

  • 类似功能对比:与普通模拟输入 VI 相比,专门针对麦克风采集进行了优化,更贴合声学信号采集的需求,在参数配置(如 IEPE 相关设置)上更具针对性。

单通道多采样模拟波形
  • 功能:读取单通道的多采样模拟波形数据,将采集到的连续声音信号按设定的采样数进行读取和处理。

  • 使用场合:对连续采集的声音信号进行分块读取和分析的场景,如需要对声音信号进行短时分析(短时傅里叶变换等前置处理)。

  • 特点:可设定采样数,实现对连续信号的批量读取,便于后续的信号处理和分析。

  • 使用注意事项:采样数的设置需与采集的速率、时长等匹配,避免数据溢出或不足;确保通道配置与前面的输入通道一致。

  • 类似功能对比:相比单采样模拟输入 VI,能一次性处理更多采样点,提高了对连续信号处理的效率,适合需要对一段连续信号进行整体分析的情况。

显示相关
  • 功能:将处理后的声压和时变响度数据以波形图形式实时显示。

  • 使用场合:需要实时观察声压和响度变化的场景,如实时噪声监测、声学实验过程监控等。

  • 特点:可自动缩放坐标轴以适配整个数据集,便于清晰观察数据变化趋势,还可清除历史图表,保持显示界面简洁。

  • 使用注意事项:确保数据输入与显示控件的类型匹配(如声压数据为数值型,响度数据也为对应数值型);根据实际需求选择是否清除历史图表,若需要对比历史数据则需谨慎使用清除功能。

  • 类似功能对比:与普通波形显示 VI 相比,针对声压和响度这两个声学特定参数的显示进行了界面和功能优化,更符合声学工程师的使用习惯,在坐标轴标签(如声压单位 Pa、响度单位 Sones)和自动缩放等方面更贴合声学数据展示需求。

在声学工程领域,准确测量声压和评估响度是非常重要的工作。声压是客观的物理量,而响度是主观的心理量,该系统结合了客观测量与主观感知评估,为声学研究、噪声控制、音频工程等领域提供了有效的工具。

http://www.dtcms.com/a/427371.html

相关文章:

  • 网站毕业设计选题本溪网站建设兼职
  • Python利用ffmpeg实现rtmp视频拉流和推流
  • 佛山电商网站建设软件开发流程流程图
  • 嵌入式软件开发工程师待遇seo管理员
  • cuda编程笔记(25)-- 如何像函数对象一样使用核函数
  • K230基础-摄像头基本原理
  • 数学笔记①
  • 企业为什么要网站建设seo推广哪家服务好
  • 详细解说基于mysql分布式锁的三种实现方式
  • 外贸网站设计注意事项网站繁体和中文这么做
  • AdGuard解锁订阅版高级版 安卓广告拦截器APP v4.11.63 / 4.13.7 Nightly MOD
  • 网站建设免费书江宁网站制作
  • claude code + claude code router 接入魔搭、openrouter等
  • 图观 流渲染场景服务器
  • Android Studio 代码混淆核心解释
  • 雨晨WIN11PE网络版VIP资源国庆限时开放
  • 网站改版Excel怎么做泰安抖音seo
  • Websocket+Redis实现微服务消息实时同步
  • 仪器仪表第四节课学习笔记
  • Java 黑马程序员学习笔记(进阶篇15)
  • 【开题答辩过程】以《基于SpringBoot+Vue+uni-app的智慧校园服务系统的设计与实现》为例,不会开题答辩的可以进来看看
  • 做二手电脑的网站宣城网站建设 有限公司
  • 没有服务器 怎么做网站建设企业高端网站
  • 极简时钟APP(手机全能计时工具) 极简版
  • 华为光模块命名规则
  • 做企业网站用什么cms好易语言怎么做网页网站
  • 域名做网站北京 网站 公司
  • 深入浅出 Redis:从核心原理到运维实战指南一
  • 自定义含工具包`Ubuntu22.04.5.iso`镜像
  • Day 29 - 密码管理器开发 - Python学习笔记