【STM32开发板】电源设计原理
一、关于LDO电路
1.AMS1117电源芯片

2.电源稳压器
电源稳压器(Power Regulator)是一种在电源电压或者负载电流发生变化的时候,依然能够提供稳定输出电压的元件。
3.LDO原理

类似于小灯泡实验,当灯泡过亮或过暗由滑动变阻器手动调节,而LDO则是将这部分手动调节变为电路替代。


4.LDO芯片结构框图



5.原理分析
当Vout增大时,使得采样电路的电压,也就是V+更大时,若大于Vref,则比较器输出高电平,此时三极管的基极电压变大,相当于三极管的等效电阻变大,导致Vout变小

6.LDO电气特性
红色优点,黑色缺点

应用场景:低压差,低纹波,低噪声,高精度
二、关于DC/DC
DC/DC转换器一种是开关电源稳压器,指利用电容、电感的储能的特性,通过可控开关(MOSFET等)进行高频开关的动作,将输入的电能储存在电容(感)里,当开关断开时,电能再释放给负载,提供能量。
BUCK电路
1.原理类比
当开关切换的足够快,小灯泡会一直亮

2.电路分析
MOS管的作用是将直流电变成PWM波,当MOS管导通时,输出电压,MOS管关断时,没有电压

当这里接个小灯泡,就会使灯泡的亮度取决于pwm波的占空比

但是由于这个pwm波非常不稳定,不能直接供给负载使用。
就用到了下面的电路使得它变成稳定的直流电,

由于要抑制突变,所以用到了电感

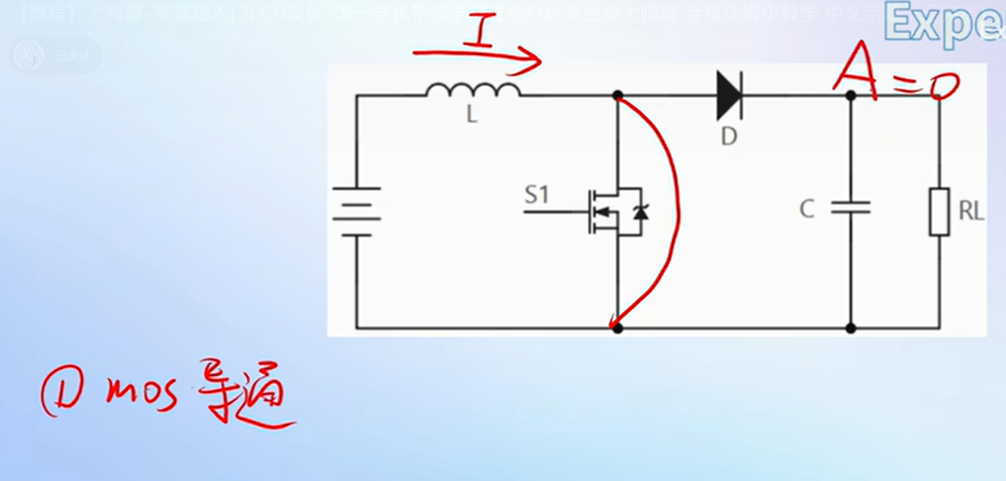
3.整体电路原理分析

BOOST电路

当MOS管导通时


DCDC开关电源电气特性
