集成运算放大器知识汇总
一、集成运放的组成
集成运算放大器,就是通过内部元器件的电参量关系将电参量进行运算,达到放大的目的。我们拆解来看:
- 集成:将电路封装,留出接口,使其模块化,便于移植。
- 运算:这里涉及到的是一些数学运算,不过这里的运算对象不是简单的数字,而是电参量,是对电参量进行了加减乘除、积分、微分等计算。
- 放大器:就是把电参量进行放大,比如把电压从1V放大至5V。
集成运算放大器的内部电路一般由四部分组成:
 
- 输入级:差动放大电路,以抑制零点漂移
- 中间级:共射放大电路,以提高电压放大倍数
- 输出级:互补对称输出级电路,以提高带负载能力
- 偏置电路:电流源电路,以提供静态偏置电流
二、集成运放的特性
运算放大器具有两个输入端和一个输出端,如下图示,其中标有“+”号的输入端为“同相输入端”,另一标有“-”号的输入端为“反相输入端”

集成运放的电压传输特性(两个区域):
- 线性工作区:需引入负反馈,满足虚短和虚断
- 非线性工作区:需引入正反馈或开环

线性工作区的两个特性:
 虚短:由于 A o d A_{od} Aod 很大,以致于很小的差模输入就会使输出趋向于饱和的非线性区,故想在线性区工作,  u + u_+ u+-  u − u_- u−就必须要小到一定程度,近似于“短路”,即 u + u_+ u+ =  u − u_- u−
 虚断:由于集成运放的差模输入电阻很大,故流入运放输入端的电流远小于其外电路的电流,近似于“断路”,即 i + i_+ i+=  i − i_- i−= 0
三、集成运放经典电路
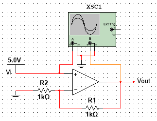
1. 反向放大器
如下图示,由虚短可知,同相和反相输入端电压为0;由虚断可知,同相和反相输入端几乎没有电路注入和流出。所以R1和R2电阻相当于串联,流过的电流相同。
V i − V − R 1 = V − − V o u t R 2 \frac{V_i - V_-}{R_1}= \frac{V_--V_{out}}{R_2} R1Vi−V−=R2V−−Vout
其中V- = V+ = 0,所以反向放大器的输入输出关系式为:
V o u t = − R 1 R 2 ∗ V i V_{out}= - \frac{R_1}{R_2} * V_i Vout=−R2R1∗Vi


2. 同向放大器
如下图示,由虚短可知,同相和反相输入端电压相同为 V i V_i Vi;由虚断可知,反相输入端几乎没有电路注入和流出。所以R1和R2流过的电流相同, V i V_i Vi等于R2上的分压。
V o u t R 1 + R 2 = V i R 2 \frac{V_{out}}{R_1 + R_2}= \frac{V_i}{R_2} R1+R2Vout=R2Vi
所以同向放大器的输入输出关系式为:
V o u t = ( R 1 + R 2 ) R 2 ∗ V i V_{out} = \frac{(R_1 + R_2)}{R_2} * V_i Vout=R2(R1+R2)∗Vi

 
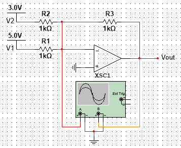
3. 反向加法器
如下图示,由虚短可知,同相和反相输入端电压为0;由虚断可知,通过R2与R1的电流之和等于通过R3的电流。
V 1 − V − R 1 + V 2 − V − R 2 = V − − V o u t R 3 \frac{V_1 - V_-}{R_1} + \frac{V_2 - V_-}{R_2} = \frac{V_- - V_{out}}{R_3} R1V1−V−+R2V2−V−=R3V−−Vout
其中V- = V+ = 0,所以加法器1的输入输出关系式为:
V o u t = − ( V 1 R 1 + V 2 R 2 ) ∗ R 3 V_{out} = -(\frac{V_1 }{R_1} + \frac{V_2}{R_2})*R_3 Vout=−(R1V1+R2V2)∗R3
若取R1=R2=R3,则上式变为:
V o u t = − ( V 1 + V 2 ) V_{out} =-(V_1+V_2) Vout=−(V1+V2)

 
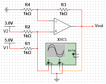
4. 同向加法器
如下图示,由虚短可知,同相和反相输入端电压相同;由虚断可知,通过R2与R1的电流相等,流过R4和R3的电流也相等。
V 1 − V + R 1 = V + − V 2 R 2 \frac{V_1 - V_+}{R_1} = \frac{V_+ - V_2}{R_2} R1V1−V+=R2V+−V2 以及 V o u t − V − R 3 = V − R 4 \frac{V_{out} - V_-}{R_3} = \frac{V_- }{R_4} R3Vout−V−=R4V−
其中V- = V+,若R1=R2,R3=R4,则由以上式子可以推导出:
V o u t = V 1 + V 2 V_{out} =V_1+V_2 Vout=V1+V2

 
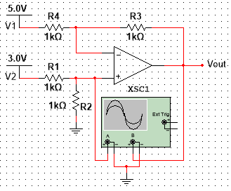
5. 减法器
如下图示,由虚短可知,同相和反相输入端电压相同;由虚断可知,通过R2与R1的电流相等,流过R4和R3的电流也相等。
V 2 − V + R 1 = V + R 2 \frac{V_2 - V_+}{R_1} = \frac{V_+ }{R_2} R1V2−V+=R2V+ 以及 V − − V o u t R 3 = V 1 − V − R 4 \frac{ V_- - V_{out}}{R_3} = \frac{V_1 - V_- }{R_4} R3V−−Vout=R4V1−V−
其中V- = V+,若R1=R2,R3=R4,则由以上式子可以推导出:
V o u t = V 2 − V 1 V_{out} =V_2-V_1 Vout=V2−V1

 
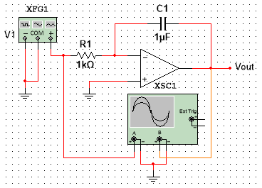
6. 积分电路
如下图示,由虚短可知,同相和反相输入端电压为0;由虚断可知,通过R1的电流与通过C1的电流相等。
电容上的电压: U c = 1 C ∫ i c d t U_c= \frac{1} {C}\int_{}^{} i_c\, dt Uc=C1∫icdt
电容上的电流: i c = C d U c d t i_c =C\frac{\,dU_c}{dt} ic=CdtdUc
V 1 R 1 = − C d V o u t d t \frac{V_1}{R_1}=-C\frac{\,dV_{out}}{dt} R1V1=−CdtdVout 推导出输出电压与输入电压对时间的积分成正比:
V o u t = − 1 R 1 C 1 ∫ V 1 d t V_{out}=-\frac{1}{R_1C_1}\int_{}^{} V_1\, dt Vout=−R1C11∫V1dt
若 V 1 V_1 V1为恒定电压U,则上式变换为:
V o u t = − U ∗ t R 1 C 1 Vout=-\frac{U*t}{R_1C_1} Vout=−R1C1U∗t
则 V o u t V_{out} Vout输出电压是一条从0至负电源电压按时间变化的直线。


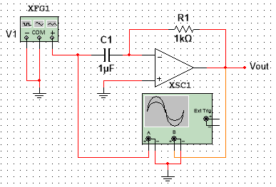
7. 微分电路
如下图示,由虚短可知,同相和反相输入端电压为0;由虚断可知,通过R1的电流与通过C1的电流相等。
V o u t = − R 1 C 1 d V 1 d t V_{out}=-R_1C_1\frac{\,dV_1}{dt} Vout=−R1C1dtdV1
这是一个微分电路,如果 V 1 V_1 V1是一个突然加入的直流电压,则输出 V o u t V_{out} Vout对应一个方向与 V 1 V_1 V1相反的脉冲。


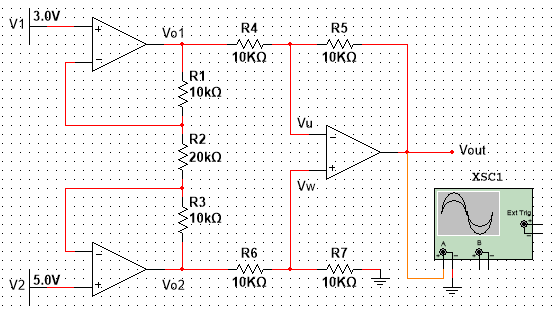
8. 差分放大电路
如下图示,由虚短可知,同相和反相输入端电压为0;由虚断可知,流过R1、R2、R3的电流相等,流过R4、R5的电流相等,流过R6、R7的电流相等。
V 1 − V 2 R 2 = V O 1 − V O 2 R 1 + R 2 + R 3 \frac{V_1-V_2}{R_2} = \frac{V_{O1}-V_{O2}}{R_1+R_2+R_3} R2V1−V2=R1+R2+R3VO1−VO2
V O 1 − V u R 4 = V u − V o u t R 5 \frac{V_{O1}-V_u}{R_4} = \frac{V_u-V_{out}}{R_5} R4VO1−Vu=R5Vu−Vout 若R4=R5,则 V O 1 − V u = V u − V o u t V_{O1}-V_u = V_u-V_{out} VO1−Vu=Vu−Vout
V O 2 − V w R 6 = V w R 7 \frac{V_{O2}-V_w}{R_6} = \frac{V_w}{R_7} R6VO2−Vw=R7Vw 若R6=R7,则 V O 2 − V w = V w V_{O2}-V_w = V_w VO2−Vw=Vw
综合上面的式子,计算后得出:
V o u t = R 1 + R 2 + R 3 R 2 ∗ ( V 2 − V 1 ) V_{out} = \frac{R_1+R_2+R_3}{R_2}*(V_2-V_1) Vout=R2R1+R2+R3∗(V2−V1)
上式中, R 1 + R 2 + R 3 R 2 \frac{R_1+R_2+R_3}{R_2} R2R1+R2+R3是定值,确定了差值 V 2 − V 1 V_2-V_1 V2−V1的放大倍数。


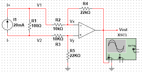
9. 电流检测电路
4-20mA 常用在各种检测仪表中,一般都需要通过电路将此电流转换成电压后,送入ADC转换成数字信号。下图就是一个电流检测电路,4-20mA电流流过100欧姆的采样电阻,在电阻上会产生0.4-2V的电压差。
由虚短可知,同相和反相输入端电压相等;由虚断可知,流过R2、R4的电流相等,流过R3、R5的电流相等。
V 2 − V y R 3 = V y R 5 \frac{V_2-V_y}{R_3} = \frac{V_y}{R_5} R3V2−Vy=R5Vy
V 1 − V x R 2 = V x − V o u t R 4 \frac{V_1-V_x}{R_2} = \frac{V_x-V_{out}}{R_4} R2V1−Vx=R4Vx−Vout
V 1 − V 2 = 0.4 → 2 V_1-V_2 = 0.4 \to 2 V1−V2=0.4→2
若R2=R3,R4=R5,综合上面的式子,计算后得出:
V o u t = − R 4 R 2 ∗ ( V 1 − V 2 ) V_{out}=- \frac{R_4}{R_2}*(V_1-V_2) Vout=−R2R4∗(V1−V2)
若R2=10K, R4=22K, 则 V o u t = − 0.88 → 4.4 V V_{out}=- 0.88\to4.4V Vout=−0.88→4.4V

 
10. 电压电流转换电路
电流可以转换成电压,当然电压也可以转换成电流。如下图示,由虚短可知,同相和反相输入端电压相等;由虚断可知,流过R2、R6的电流相等,流过R4、R5的电流相等。
V i − V 1 R 2 = V 1 − V 4 R 6 \frac{V_i-V_1}{R_2} = \frac{V_1-V_4}{R_6} R2Vi−V1=R6V1−V4
V 3 − V 2 R 5 = V 2 R 4 \frac{V_3-V_2}{R_5} = \frac{V_2}{R_4} R5V3−V2=R4V2
若R2=R6,R4=R5,综合上面的式子,计算后得出:
V 3 − V 4 = V i V_3-V_4 = V_i V3−V4=Vi
上式说明R7两端的电压和输入电压相等,则通过R7的电流为:
I 7 = V i R 7 I_7 = \frac{V_i}{R_7} I7=R7Vi

