高级边界扫描 --5-- Silicon Nail集群测试
高级边界扫描 --5-- Silicon Nail集群测试
文章目录
- 高级边界扫描 --5-- Silicon Nail集群测试
- Silicon Nail集群测试
- Silicon Nail节点访问
- Silicon Nail特殊类别
Silicon Nail集群测试
自动化Silicon Nail可以用来自动生成Silicon Nail集群测试,但这需要一定的技巧。您需要创建与集群测试节点连接的虚拟引脚库设备,并为该“设备”创建相应的库测试。
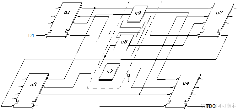
集群测试与标准功能测试一样进行,只是去掉了一个或多个物理探针。图6-6展示了这一功能。

测试集群内的设备
在非多路复用系统上添加Silicon Nail测试
如果您知道将要在电路板测试中添加Silicon Nail测试,请按照“开发自定义测试”中的一个步骤进行。在这种情况下,您将创建一个自定义ITL文件。最简单的方法是将自定义测试基于互连测试的ITL文件。
您的Silicon Nail测试的资源分配将与其他测试一样。
在多路复用系统上添加Silicon Nail测试
如果您知道会在电路板测试中添加Silicon Nail测试,应以交互模式运行IPG测试顾问。
-
当到达“使用IPG生成测试”步骤时,选择“Do and Stop”。
-
打开一个BT-Basic窗口,为您的测试编写ITL源文件。请记住,您必须包含所有的禁用和节点信息。
-
编写并编译测试后,您可以通过编辑testorder文件,手动将相关测试信息添加到测试计划中。(为您的Silicon Nail测试输入测试扫描。不需要特殊语法。)
测试文件必须保存在电路板的数字目录中。
-
编辑完testorder文件后,关闭BT-Basic窗口,返回IPG测试顾问。
-
继续“生成测试计划”步骤。
您的Silicon Nail测试的资源将与其他测试一样分配,测试将被添加到最终的测试计划中。
Silicon Nail节点访问
如果节点访问是个问题,那么最佳的去除候选节点是那些上面所有组件都是边界扫描的节点。如果在某个节点上存在传统组件,建议使用物理探针。
-
对于模拟组件,可以执行模拟在线测试。在没有物理访问的情况下测试模拟组件是一种非常困难的测试情境。
-
对于传统数字组件,Silicon Nail是一种替代方案,但仍然推荐使用物理探针。如果无法获得节点访问权限,Silicon Nail方法是可行的,并且可以期待有可靠的诊断结果。
如果无法物理访问所有节点,则必须打开电源以检测短路。这样做的担忧在于可能会损坏设备输出。如果可以选择,为了长期的电路板可靠性,优先选择物理测试探针。
Silicon Nail特殊类别
特殊类别是指您可以在不影响其连接设备的边界扫描测试结果的情况下移除某个节点的访问。然而,如果至少有一个连接设备的库测试预期设置为“是”,那么移除此节点可能会降低或消除开发软件为该设备尝试创建的库测试的有效性。
Silicon Nail的特殊文档将短语“其连接设备的边界扫描测试”更改为“连接设备的Silicon Nail测试”。其他措辞保持不变。
对于图6-7给出的拓扑结构,由于库测试过的设备U3,InterconnectPlus软件将不推荐移除节点A。产生特殊分类的拓扑结构如图6-8所示。
这引导我们讨论Silicon Nail的行为。当前的行为类似于图6-7,其中预期进行库测试的设备位于节点上的某个位置(图6-9);软件将此节点分类为特殊。从概念上看,似乎两个特殊类别应该相似,即Silicon Nail应像当前的边界扫描InterconnectPlus模型(图6-8和图6-10)那样运行,或者边界扫描Interconnect应像当前的Silicon Nail模型(图6-7和图6-9)那样运行。

Silicon Nail模型

边界扫描Interconnect模型

Silicon Nail模型

边界扫描Interconnect模型
