基于GOOSE通信的防逆流保护系统在5.8MW分布式光伏项目中的应用
摘要
随着分布式光伏装机容量的持续增长,电网逆流问题日益突出。当光伏发电功率超出本地负荷时,剩余功率注入电网将引起电压抬升,影响电能质量,严重时甚至威胁电网安全。本文结合江西丰城曲江煤炭开发公司5.8MW分布式光伏项目,介绍一种基于GOOSE通信的主从机防逆流保护系统。该系统通过实时监测两路市电进线功率,实现光伏并网系统的刚性防逆流控制,确保项目在“自发自用、余电不上网”模式下稳定运行。
关键词:分布式光伏;防逆流保护;GOOSE通信;主从机架构;功率控制
1 项目概况
丰城曲江煤炭开发公司分布式光伏项目,位于江西省宜春市,装机容量为5.8MW,采用自发自用、余电不上网模式。
丰城曲江煤炭开发公司分布式光伏项目为35/10kV项目,35kV侧采用两路电源单母线分段系统,一路进线引自国网线路仙曲线进线,一路进线引自用户自有电厂开关电曲线进线。本项目共设置1个10kV并网点,并网点下带3个光伏升压箱变,仙曲线进线距离并网点100-200m,电曲线进线距离并网点6公里。针对接入的光伏,该项目要求自发自用、余电不上网,逆流检测点设置在曲江变电所35kV仙曲线进线、电厂变电所仙电线进线。根据上述基本条件结合原施工图设计制定以下通过防逆流主从机实现光伏并网不上网。
2 项目需求
测量仙曲线进线和电曲线进线两路进线处功率,当市电下网功率过低时,逐级跳开3个光伏升压箱变低压侧开关;当市电下网功率逐渐恢复时,手动合上3个光伏升压箱变低压侧开关。
3 系统方案
本项目根据用户需求采用AM5SE-PV系列主从机防逆流保护,通过GOOSE通讯方案实现防逆流刚性跳闸,详细方案如下:
在电厂变电所仙电线进线设置1台AM5SE-PVM-GOOSE主机(1#),采集电流、电压信号,计算有功功率Ppcc1;
在曲江变电所35kV仙曲线进线设置1台AM5SE-PVM-GOOSE主机(2#),采集电气量并计算Ppcc2;
在光伏升压箱变低压侧配置1台AM5SE-PVS-GOOSE从机,负责执行开关分合操作。
主机与从机之间通过光口交换机(IES618-4F)及移动基站光纤构建GOOSE通信网络,实现跨站点实时数据交换与控制指令传输。
4 防逆流保护逻辑
系统设定多级功率阈值,实现分段式防逆流保护,具体逻辑如下:
4.1 电厂变电所仙电线进线(主机1#)
若Ppcc1 < P11 且 PF > 0,则跳开1#箱变低压侧开关QF1;
若Ppcc1 < P12 且 PF > 0,则跳开2#箱变低压侧开关QF2;
若Ppcc1 < P13 且 PF > 0,则跳开3#箱变低压侧开关QF3。
4.2 曲江变电所仙曲线进线(主机2#)
若Ppcc2 < P21 且 PF > 0,则跳开QF1;
若Ppcc2 < P22 且 PF > 0,则跳开QF2;
若Ppcc2 < P23 且 PF > 0,则跳开QF3。
其中,P11–P13、P21–P23为预设功率阈值,PF为功率因数,用于判断功率方向。
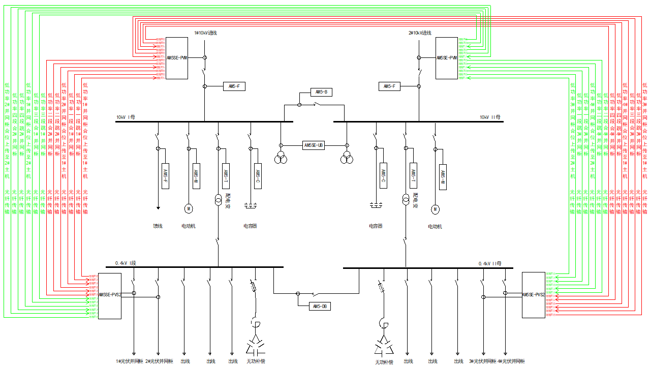
5 项目拓扑方案
5.1 方案拓扑图
5.2 防逆流保护

5.3 项目清单

6 现场安装图片

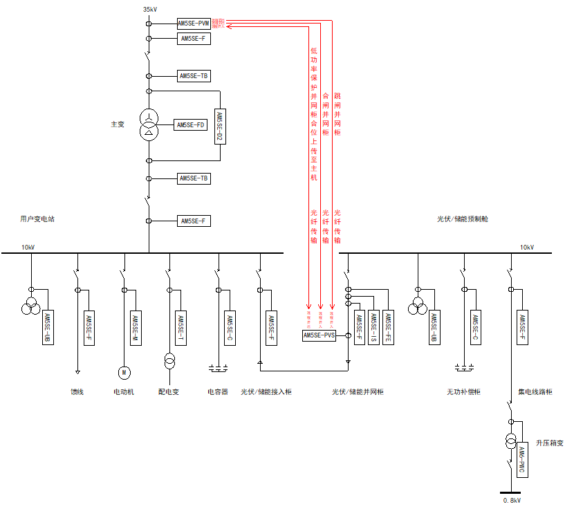
7 通信方案
除上述GOOSE通讯方案外,AM5SE-PV系列还支持光纤直跳方案,主要分为AM5SE-PVM主机、AM5SE-PVS从机、AM5SE-PVS2从机,主机和从机之间通过光纤连接,可选择多模或单模光纤,多模光纤适用于市电进线和并网点距离100m-1.5km,单模光纤适用于市电进线和并网点距离1.5km-20km。其中AM5SE-PVS从机适用于单市电进线,AM5SE-PVS2适用于多市电进线,以下针对单市电进线和双市电进线应用场景如下:
8 系统实施与效果
主机与从机均采用壁挂式安装,结构紧凑,便于现场部署。系统投运后,在光伏发电功率高于负荷时,能根据进线功率实时判断并逐级切除光伏箱变,有效防止功率倒送。GOOSE通信方案解决了长距离信号传输的延时与可靠性问题,确保防逆流保护动作准确、迅速。
9 结论
基于GOOSE通信的防逆流主从机系统在江西丰城5.8MW光伏项目中实现了预期的防逆流功能。该系统具备以下技术特点:
支持多主机、多从机架构,适应复杂接线方式;
采用GOOSE通信,实现跨站点快速保护;
分段式功率控制策略,提升系统运行灵活性。
该方案为大型工商业分布式光伏项目在“自发自用、余电不上网”模式下的安全稳定运行提供了可靠的技术解决方案。
