高级边界扫描 --1-- IEEE标准1149.6
高级边界扫描 --1-- IEEE标准1149.6
文章目录
- 高级边界扫描 --1-- IEEE标准1149.6
- IEEE标准1149.6概述
- 测试开发
- 启用关键词
- BSDL对IEEE Std 1149.1的扩展
IEEE标准1149.6概述
IEEE标准1149.6
IEEE Std 1149.6定义了对IEEE Std 1149.1的扩展,以标准化边界扫描的结构和方法,确保对高级数字网络进行简单、稳健且最小侵入的边界扫描测试。现有标准无法充分解决此类网络,特别是对于交流耦合、差分或者两者兼具的网络。这项标准允许测试与IEEE Std 1149.1对传统数字网络的测试以及IEEE Std 1149.4对传统模拟网络的测试并行运行。本标准还规定了对IEEE Std 1149.1的软件和边界扫描描述语言(BSDL)的扩展,以支持新的I/O测试结构。
图5-1展示了一个符合IEEE Std 1149.6的基本设备示例,该设备具有基本的差分交流信号路径,使用偏置网络进行负载终端和接收器共模生成。

符合IEEE Std 1149.6的设备示例
IEEE标准1149.6高级I/O设备测试
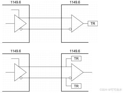
在i3070在线测试系统中,IEEE Std 1149.6边界扫描互连测试可以由多种设备类型组合而成,如下图所示。

带AC耦合的1149.6兼容设备

带DC耦合的1149.6和1149.1兼容设备
测试开发
i3070在线测试软件版本07.10及以上支持IEEE Std 1149.6互连测试。如果边界扫描链由符合1149.6标准的设备组成,IEEE Std 1149.6互连测试将自动生成。
边界扫描测试的生成在“生成边界扫描链的测试”中有所描述。对于IEEE Std 1149.6的测试开发,仅需要进行最少的更改:
- 启用关键词
- 对IEEE Std 1149.1的BSDL扩展
启用关键词
启用语句定义了i3070在线测试软件将生成的边界扫描互连测试的类型。它们包括两个新的启用关键词。
1149.1互连测试(例如,digital/u5_u6,仅限直流)
- enable advanced boundary scan
在电路板配置文件中使用现有的enable advanced boundary scan语句时,生成的互连测试与软件以前版本没有变化。
- enable advanced boundary scan differential
新的differential关键词将配合现有的高级边界扫描许可证,用于启用对1149.1设备上差分直流的测试。
当使用enable advanced boundary scan differential语句生成测试时,负极被包括在内,并在直流耦合的差分结构上报告。
1149.6互连测试(例如,digital/u5_u6_aio,交流和直流)
- enable 1149.6 boundary scan
1149.6互连测试是现有1149.1边界扫描互连测试的补充(详情见互连测试)。
这个针对交流和直流结构的新测试需要1149.6边界扫描许可证,并在电路板配置文件中添加新的enable 1149.6 boundary scan语句。
BSDL对IEEE Std 1149.1的扩展
为了正确生成1149.6测试,拥有准确且符合标准的BSDL是必要的。
有两个新的指令,EXTEST_PULSE和EXTEST_TRAIN,并且需要识别新的边界寄存器单元。
详情请参阅IEEE标准1149.6-2003。
示例5-1
来自National部件SCAN90004的BSDL示例
use STD_1149_1_2001.all;
use STD_1149_6_2003.all;attribute COMPONENT_CONFORMANCE of Scan90004 : entity is "STD_1149_1_2001";attribute PIN_MAP of Scan90004 : entity is PHYSICAL_PIN_MAP;
.
.
.
attribute INSTRUCTION_OPCODE of Scan90004 : entity is
"EXTEST (000000010010),"& --012
"EXTEST_PULSE (000000010110),"& --016
"EXTEST_TRAIN (000000011110),"& --01E
"BYPASS (111111111111),"& --FFF
"IDCODE (000000000001),"& --001
"PRELOAD (000000010000),"& --010
"SAMPLE (000000010000),"& --010
"HIGHZ (000000100000),"& --020
"CLAMP (000001100000)"& --060
.
.
.
attribute REGISTER_ACCESS of Scan90004 : entity is"BOUNDARY (EXTEST, EXTEST_TRAIN, EXTEST_PULSE, SAMPLE, PRELOAD)," &"DEVICE_ID (IDCODE)," &"BYPASS (CLAMP, HIGHZ, BYPASS)" ;
.
.
.
attribute AIO_COMPONENT_CONFORMANCE of Scan90004 : entity is"STD_1149_6_2003";attribute AIO_Pin_Behavior of Scan90004 : entity is"IN3p, IN2p, IN1p, IN0p : LP_time=10.0e-9 HP_time=1.0e-6;"&"OUT0p : AC_Select=12;"&"OUT1p : AC_Select=11;"&"OUT2p : AC_Select=10;"&"OUT3p : AC_Select=9";
