DS1302 简单介绍
1.DS1302 介绍
DS1302是由美国 DALLAS 公司推出的一款具有涓细电流充电能力的低功耗实时时钟(RTC)芯片
能够为微控制器提供年、月、日、时、分、秒的时间信息,可以通过简单的串行接口进行通信
RTC:实时时钟,是一种集成电路,通常称为时钟芯片。目前流行的串行时钟电路很多,如DS1302,DS1307,PCF8485
DS1302 具有低功耗、备用电池接口和 RAM存储 等功能,广泛用于需要时间记录的电子设备中

使用DS1302计时,而不使用定时器计时,原因如下:
①定时器没有时钟芯片计时精度高
②定时器运行消耗单片机的 CPU
③定时器不能掉电运行。(时钟芯片带有备用电池)
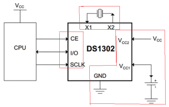
1.1 引脚定义和应用电路
引脚定义有两种封装:
直插分装:引脚是立起来的, 贴片分装:贴在开发板表面
可以插在 PCB板 的焊板上,


电源部分:VCC2 是主电源,VCC1 是备用电源。主电源使用时,会给备用电源充电;
X1,X2:通上电后,32.768KHZ 晶振开始产生稳定的 1 赫兹脉冲,就能计数工作;
CE,I/O,SCLK:单片机设置 / 获取时间。
CE:高电平激活,低电平复位

1.2 内部结构框图

1.3 工作原理:读写时序
DS1302 通过三线串行接口与微控制器进行通信
微控制器通过设置 RST 引脚为高电平来使能 DS1302,并通过 SCLK 引脚提供串行时钟信号
然后通过 I/O 引脚进行数据的读写操作
时间寄存器(包括 DS1302)均采用 BCD(四位二进制表示一位十进制) 形式读写数据
假如:秒寄存器数据为 0011 0010,即 0x32
但其需要的是 3 与 2 两个数字,即应该是 32
如下转换:DEC = 0X32 / 16 * 10 + 0X32 % 16 = 32

1.4 寄存器定义
① CH(秒寄存器)为晶振控制位,1 控制晶振停,0 表示起振
② 小时寄存器(12/24)位7 为 12 小时与 24 小时选择位,一般使用 24 小时
③ WP = 1,开启写保护,WP = 0,关闭写保护


