双并网点 + 104 协议传输!Acrel1000 打造厂区储能综合自动化标杆方案
在工业生产规模持续扩大、用电需求日益增长的当下,高负荷厂区的能源优化与安全稳定运行成为关键议题。某厂区作为涵盖紧固件、钨钢模具等多类产品生产的制造企业,拥有千余台套进口自动化生产及检测设备,用电负荷常年处于较高水平。为实现能源利用与电网安全保障,该厂区引入 5MW/10MWh 锂电池储能系统,并搭配 Acrel1000 分布式储能综合自动化系统,构建起一套功能完备、安全可靠的能源管理解决方案。
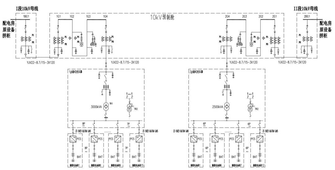
系统整体配置与并网设计
本次储能项目核心配置包括 5MW/10MWh 锂电池储能系统、1 台 3000kVA 变压器与 1 台 2500kVA 变压器,同时新建一座 10kV 开关舱。系统运行时,直流电经逆变转为 690V 交流电,再通过升压变高压侧以 10kV 电压等级接入两座 10kV 开关舱的进线柜,形成双并网点的稳定并网结构。

为满足《浙江电网电化学储能电站并网技术要求》,项目在储能并网点及公司配电房公共连接点均装设了符合 GB/T 19862 要求的 A 级电能质量在线监测装置,可实时捕捉谐波、负序、电压波动与闪变等关键参数,为电能质量优化提供数据支撑。
多层级安全保护体系构建
安全防护是储能系统稳定运行的核心保障,本项目构建了全方位、多层级的保护机制。在配电房侧,10kV 母线配置故障解列装置,可在故障发生时快速跳开储能接入柜开关;进线柜增设阶段式方向过流保护与逆功率保护装置,储能接入柜同步配置阶段式方向过流保护,形成配电环节的闭环防护。

针对储能系统特有风险,项目配置 2 套防孤岛保护装置,确保系统在非计划孤岛情况下,2 秒内即可与电网断开连接;同时装设 2 套频率电压紧急控制装置,当频率、电压超出允许范围时,迅速跳开储能并网点开关,避免电网波动影响。多重保护装置的协同运行,为系统筑起坚实的安全屏障。

稳定的通信与数据传输
并网通信系统以电网安全经济运行为核心目标,满足调度自动化、继电保护及安全自动装置等业务的通信需求。系统采用 104 协议传输远动数据、电能计量数据和电池状态数据,通过敷设单芯 4 模光纤,构建起 “晋亿实业储能电站 — 光通信 — 惠民变 — 光通信 — 嘉善供电公司” 的稳定通信通道,实现相关信息向嘉善调度自动化系统的准确上传。

通信网络架构中,EMS 交换机、远动装置、时间同步设备等协同工作,搭配 485 通信线、以太网网线及 IRIG-B 线等传输介质,确保数据传输的实时性与可靠性。非同管交换机、协议转换器等设备的配置,进一步提升了通信系统的抗干扰能力与稳定性。
应用价值与实践意义
Acrel1000 分布式储能综合自动化系统在该厂区的应用,不仅有效缓解了高用电负荷带来的能源压力,更通过电能质量监测、安全保护与通信传输,实现了储能系统与电网的协同优化运行。系统可根据厂区用电需求灵活调节能源供给,降低峰谷用电差异带来的成本压力,同时提升了电网故障应对能力,保障了生产设备的稳定运行。
此次应用为高负荷工业厂区的储能系统建设提供了可借鉴的实践范例,证明了 Acrel1000 系统在复杂工业场景下的适配性与可靠性。未来,随着储能技术的持续发展,此类综合自动化系统将在工业能源优化、电网安全保障等领域发挥更大价值,为绿色低碳工业发展注入新动力。
