STM32的串口(上位机控制下位机)
1. STM32串口模块
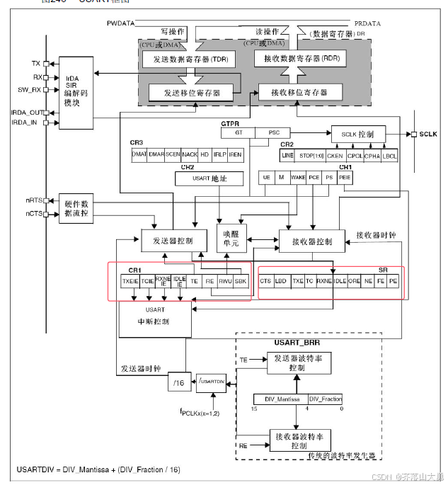
1.1 整体功能框图
串口是stm32与外界通信的重要接口,连接wifi,蓝牙等模块都需要。STM32的串口模块的框图如图所示:

数据在收发的过程中,很多工作是硬件自动完成的。只需要重点关注CR1寄存器中的各个控制位和DR寄存器中的标志位即可。
1.2 CR1寄存器

1.3 SR寄存器

当1帧数据接收完,RXNE位置1,在接受数据的时候,可以用中断,也可以查询该位的状态,读取数据,使用查询要注意,后面的数据可能会把前面的数据覆盖掉。
当1帧数据发送完,TC位置1。发送数据的时候,只需要把数据写到 发送数据寄存器,等待数据发送完成即可。
2.实验设计
从上位机发送指令给下位机,下位机将收到的指令显示到oled上,模拟对被控对象的控制。实验现象如图,通过串口助手在上位机上发送文本0,或者1.

stm32单片机接收到信息之后,改变oled上显示的内容如图所示

3. 实验程序
3.1 串口的初始化
本实验中采用查询法,接收数据不适用中断,代码如下
#include "stm32f10x.h" // Device header
#include <stdio.h>
#include <stdarg.h>/*** 函 数:串口初始化* 参 数:无* 返 回 值:无*/
void Serial_Init(void)
{/*开启时钟*/RCC_APB2PeriphClockCmd(RCC_APB2Periph_USART1, ENABLE); //开启USART1的时钟RCC_APB2PeriphClockCmd(RCC_APB2Periph_GPIOA, ENABLE); //开启GPIOA的时钟/*GPIO初始化*/GPIO_InitTypeDef GPIO_InitStructure;GPIO_InitStructure.GPIO_Mode = GPIO_Mode_AF_PP;GPIO_InitStructure.GPIO_Pin = GPIO_Pin_9;GPIO_InitStructure.GPIO_Speed = GPIO_Speed_50MHz;GPIO_Init(GPIOA, &GPIO_InitStructure); //将PA9引脚初始化为复用推挽输出GPIO_InitStructure.GPIO_Mode = GPIO_Mode_IPU;GPIO_InitStructure.GPIO_Pin = GPIO_Pin_10;GPIO_InitStructure.GPIO_Speed = GPIO_Speed_50MHz;GPIO_Init(GPIOA, &GPIO_InitStructure); //将PA10引脚初始化为上拉输入/*USART初始化*/USART_InitTypeDef USART_InitStructure; //定义结构体变量USART_InitStructure.USART_BaudRate = 9600; //波特率USART_InitStructure.USART_HardwareFlowControl = USART_HardwareFlowControl_None; //硬件流控制,不需要USART_InitStructure.USART_Mode = USART_Mode_Tx | USART_Mode_Rx; //模式,发送模式和接收模式均选择USART_InitStructure.USART_Parity = USART_Parity_No; //奇偶校验,不需要USART_InitStructure.USART_StopBits = USART_StopBits_1; //停止位,选择1位USART_InitStructure.USART_WordLength = USART_WordLength_8b; //字长,选择8位USART_Init(USART1, &USART_InitStructure); //将结构体变量交给USART_Init,配置USART1
//
// /*中断输出配置*/
// USART_ITConfig(USART1, USART_IT_RXNE, ENABLE); //开启串口接收数据的中断
//
// /*NVIC中断分组*/
// NVIC_PriorityGroupConfig(NVIC_PriorityGroup_2); //配置NVIC为分组2
//
// /*NVIC配置*/
// NVIC_InitTypeDef NVIC_InitStructure; //定义结构体变量
// NVIC_InitStructure.NVIC_IRQChannel = USART1_IRQn; //选择配置NVIC的USART1线
// NVIC_InitStructure.NVIC_IRQChannelCmd = ENABLE; //指定NVIC线路使能
// NVIC_InitStructure.NVIC_IRQChannelPreemptionPriority = 1; //指定NVIC线路的抢占优先级为1
// NVIC_InitStructure.NVIC_IRQChannelSubPriority = 1; //指定NVIC线路的响应优先级为1
// NVIC_Init(&NVIC_InitStructure); //将结构体变量交给NVIC_Init,配置NVIC外设/*USART使能*/USART_Cmd(USART1, ENABLE); //使能USART1,串口开始运行
}
主程序代码如下:
在主程序中通过查询标志位,决定是否读取串口接受数据寄存器的值。
int main(void)
{unsigned char rdata='0';/*模块初始化*/OLED_Init(); //OLED初始化/*OLED显示*///OLED_ShowChar(1, 1, 'C'); //1行1列显示字符AOLED_ShowString(1, 1,"led:");//OLED_ShowString(1, 3, "HelloWorld!"); //1行3列显示字符串HelloWorld!Serial_Init();while (1){if (USART_GetFlagStatus(USART1, USART_FLAG_RXNE) == SET) //判断是否是USART1的接收事件触发的中断{rdata = USART_ReceiveData(USART1); //读取数据寄存器,存放在接收的数据变量USART_ClearFlag(USART1,USART_FLAG_RXNE); //清除USART1的RXNE标志位}if (rdata==48)OLED_ShowString(1, 5, "off"); elseOLED_ShowString(1, 5, "on ");
}}