LP8773S第二代准谐振PWM控制器12V芯片内部框架图及应用信息介绍
在设计高效、低功耗且可靠的12V电源时,工程师们常常面临诸多挑战,如效率优化、电磁干扰(EMI)控制、待机功耗降低等。芯茂微推出的LP8773S,作为一款第二代准谐振PWM控制器,以其创新的技术和强大的功能,为12V电源设计提供了一种全新的解决方案。

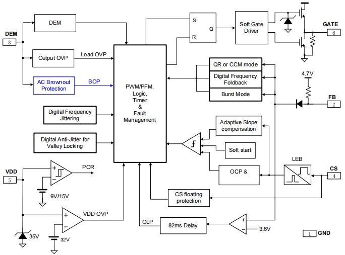
LP8773S内部框架剖析
(一)核心架构
LP8773S采用SOT23-6封装,集成了多种先进的控制技术和保护功能。其内部框架设计精巧,主要包括以下几个关键部分:
数字抗抖动技术:通过“数字抗抖动”功能,LP8773S能够在不同负载条件下自动选择并锁定最佳谷底,有效避免音频噪声,同时优化EMI性能。
多模式控制:根据输入电压和负载情况,LP8773S可在连续导通模式(CCM)和准谐振(QR)模式之间智能切换。在轻载或空载时,进入“数字频率监控”模式,进一步降低待机功耗。
全面的保护功能:包括欠压保护、过压保护、逐周期电流限制、过载保护等,确保电源系统在各种异常情况下都能安全运行。
(二)关键特性
数字抖频技术:通过在所有工作模式下引入4%的抖频范围,LP8773S能够有效改善系统的EMI性能,降低电磁干扰。
低工作电流:仅1.8mA的工作电流,不仅提升了整体效率,还减少了VDD供电电容的尺寸和成本。
软启动功能:内置4ms的软启动时间,逐周期增大CS电流限阈值,有效降低了变压器磁饱和的风险,同时减少了次级二极管在启动时所受的应力。

12V电源设计中的应用
(一)典型应用场景
LP8773S特别适用于12V输出的隔离AC/DC反激变换器,例如:
消费电子:智能手机适配器、平板电脑充电器、路由器电源等。
小家电:电吹风、电动牙刷、智能台灯等。
工业设备:小型传感器电源、物联网设备电源等。
(二)设计要点
启动电路设计:LP8773S的启动电流为5µA,通过外部启动电阻给VDD电容充电。当VDD电压达到15V时,芯片开始正常工作。根据功耗和启动时间的要求,合理选择启动电阻和电容的参数。
退磁检测与过压保护:通过DEM脚实时采样辅助绕组的电压,检测变压器的退磁状态。同时,LP8773S能够检测辅助绕组反激的平台电压,实现精准的过压保护。
突发模式控制:在轻载或空载条件下,LP8773S进入突发模式,通过交替控制开关的出现和消失,有效降低开关损耗,实现小于100mW的待机功耗。
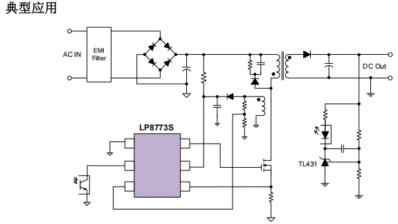
典型应用图如下所示~

(三)实测数据
以12V/2A(24W)的适配器为例,测试结果显示:
满载效率:在230VAC输入下,满载效率可达89.7%,远高于传统PWM控制器。
待机功耗:在空载条件下,输入功耗仅为68mW,满足CoC V5 Tier 2的能效标准。
动态响应:从0.2A突变到2A时,输出电压变化小于250mV,恢复时间仅需800µs,表现出色的动态性能。
LP8773S的优势总结
高效率:通过多模式控制和数字抖频技术,LP8773S在不同负载条件下均能保持高效率运行。
低待机功耗:独特的突发模式设计,使得待机功耗低于100mW,满足严格的能效标准。
优化的EMI性能:数字抖频技术有效降低了电磁干扰,简化了EMI滤波器设计。
全面的保护功能:多种保护机制确保电源系统在各种异常情况下都能安全运行,提高了系统的可靠性和稳定性。
