英集芯 IP2326 15W快充2节/3节串联锂电池升压充电IC
芯片概述
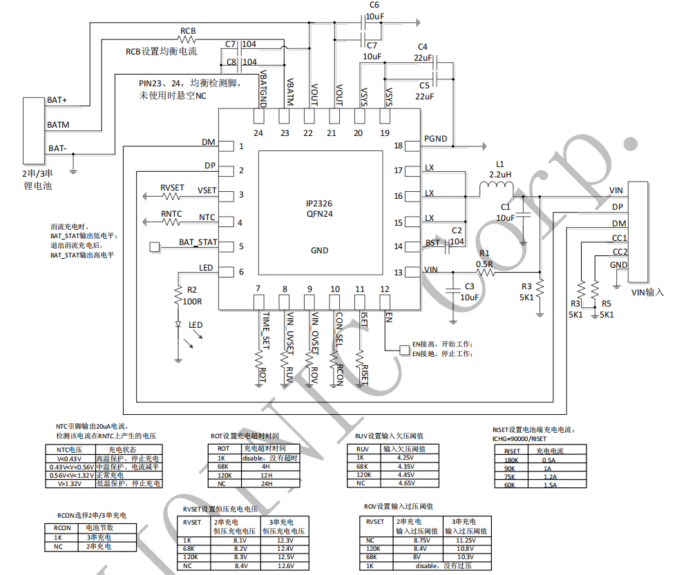
IP2326是一款支持15W快充输入的2节/3节串联锂电池升压充电IC,集成同步开关架构和充电均衡电路,最高支持3串12.6V充电电压。采用QFN24封装,具备NTC温度保护、输入快充申请和多重参数可配置功能,适用于多串锂电池充电场景。
核心特点详细阐述
1. 高效升压充电与多串电池支持
-
支持2节或3节串联锂电池充电,充电电压可通过外部电阻调节,最高支持12.6V输出。
-
同步升压架构效率高达94%,支持15W快速充电,兼容5V/9V输入自适应。
-
根据电池电压自动申请快充输入,提升充电效率,缩短充电时间。

2. 智能充电管理与均衡功能 -
集成2串电池充电均衡功能,实时监测每节电池电压,确保双节电池充电平衡。
-
支持CC/CV充电模式,具备涓流、恒流、恒压三段式充电管理,充电电流可通过电阻精确设置。
-
内置输入电压智能调节,防止拉挂适配器,提升系统兼容性。

3. 全面保护与可配置参数
- 提供输入欠压、过压保护,充电超时保护,NTC温度保护及IC过温保护。
- 关键参数如充电电压、充电电流、输入电压阈值、超时时间等均可通过外部电阻灵活配置。
- 支持LED充电状态指示和BAT_STAT信号输出,便于系统状态监控。


4. 高集成度与简化设计
- 内置功率MOS和均衡电路,仅需少量外围元件即可实现完整功能,支持2.2μH小电感。
- 输入耐压高达25V,ESD能力4kV,适用于各类适配器和车载充电环境。

适用场景深度分析
2串/3串锂电池充电器
适用于电动工具、便携式医疗设备、无人机电池等需要多串锂电池充电的场景,支持高达15W的快速充电。
快充适配器配套充电设备
可根据电池电压自动申请快充输入,兼容5V/9V适配器,提升充电效率,适用于高端充电器设计。
高可靠性工业电池管理系统
均衡充电功能和多重保护机制,使其适用于对电池一致性和安全性要求较高的工业设备。
户外储能与应急电源
支持宽输入电压和NTC温度保护,适用于户外储能设备、应急电源等温度变化大、电源环境复杂的应用。
智能充电座与电动玩具
充电状态指示和可配置参数便于用户交互,适合需要长时间充电且需状态监控的消费类产品。
总结
IP2326是一款专注于多串锂电池快充与均衡管理的高集成度充电IC。其15W升压充电、自动快充申请和均衡功能,使其在电动工具、便携储能等应用中表现出色。通过灵活的参数配置和全面的保护机制,IP2326能够满足复杂应用场景下的高效、安全充电需求。


