【AES加密】AES加密算法流程全解析
目录
零、相关内容
一、什么是加密?
1.加密算法的定义和基本概念
2.对称加密算法
原理:
常见算法:
3.非对称加密算法
原理:
常见算法:
二、AES
1.AES(advanced encryption standard 高级加密标准)介绍
2.对称加密算法与非对称加密算法的区别
3.AES的基本结构
4.加密流程
三、AES相关Q&A:
1.AES加密的信息长度是否有限制?是多长?
2.AES每次加密的信息最短不能短于多少?
3.什么是非对称加密?和对称加密的区别是什么?
4.非对称加密中公钥加密后的密文为什么无法用公钥解密?只有私钥才能解密?
1. 核心思想:单向函数与陷门
2. 一个简化的数学模型(基于RSA算法)
3. 一个绝佳的类比:信箱
5.对称加密与非对称加密的结合使用
零、相关内容
【AES加密算法】| AES加密过程详解| 对称加密| Rijndael-128| 密码学| 信息安全_哔哩哔哩_bilibili
(这个视频做的非常好,非常推荐)
一、什么是加密?
1.加密算法的定义和基本概念
加密算法是一种数学函数,用于将原始信息(明文)转换为密文,使得未经授权的用户难以理解信息的内容。这个过程需要一个密钥,密钥是一个控制加密和解密过程的参数。加密算法主要分为对称加密算法和非对称加密算法。
2.对称加密算法
原理:
对称加密算法使用相同的密钥进行加密和解密。发送方和接收方必须共享这个密钥。例如,当用户A要发送一条消息给用户B时,他们需要事先协商好一个密钥。用户A使用这个密钥对消息进行加密,然后将密文发送给用户B。用户B收到密文后,使用相同的密钥进行解密,得到原始消息。
常见算法:
-
DES(数据加密标准):它是一种比较早期的对称加密算法。DES采用64位的分组长度,但是其中有效密钥长度为56位。由于密钥长度相对较短,现在已经不太安全,容易被暴力破解。例如,在早期的银行系统数据加密中曾经使用DES算法,但随着计算机计算能力的提升,其安全性受到挑战。
-
AES(高级加密标准):这是目前应用非常广泛的对称加密算法。AES支持128位、192位和256位的密钥长度。它的分组长度为128位。例如,在无线网络安全协议(如WPA2)、磁盘加密(如WindowsBitLocker)等众多领域都有应用。AES的安全性较高,在合理的时间内很难通过暴力破解获取密钥。
-
优点和缺点:
-
优点:加密和解密速度快,适用于大量数据的加密。因为使用相同的密钥,算法实现相对简单。
-
缺点:密钥管理困难。由于发送方和接收方需要共享密钥,在多个用户的网络环境中,密钥的分发和存储容易出现安全问题。如果密钥泄露,整个加密系统就会失效。
-
3.非对称加密算法
原理:
非对称加密算法使用一对密钥,即公钥和私钥。公钥可以公开,任何人都可以获取。私钥则由所有者保密。当用户A要发送消息给用户B时,用户A使用用户B公布的公钥对消息进行加密,然后发送给用户B。用户B收到密文后,使用自己的私钥进行解密。反过来,用户B也可以使用自己的私钥对消息签名,用户A可以使用用户B的公钥验证签名的真实性。
常见算法:
-
RSA:这是最著名的非对称加密算法之一。
-
ECC(椭圆曲线密码学):ECC是基于椭圆曲线离散对数问题的非对称加密算法。
优点和缺点:
-
优点:密钥管理方便,公钥可以公开分发,不需要像对称加密那样担心密钥的安全分发问题。并且可以用于数字签名,确保消息的来源和完整性。
-
缺点:加密和解密速度相对较慢,尤其是对于较长的消息或大量数据,计算成本较高。

二、AES
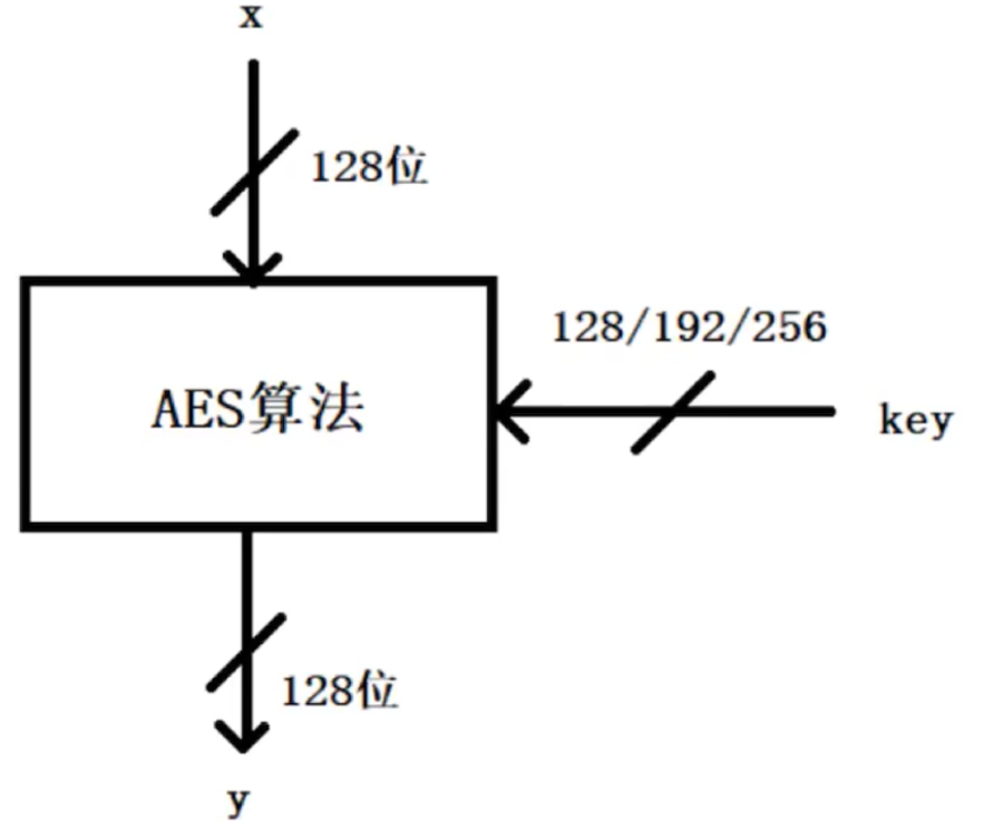
1.AES(advanced encryption standard 高级加密标准)介绍

-
明文P
-
没有经过加密的数据。
-
-
秘钥K
-
用来加密明文的密码,在对称加密算法中,加密与解密的密钥是相同的。密钥为接收方与发送方协商产生,但不可以直接在网络上传输,否则会导致密钥泄漏,通常是通过非对称加密算法加密密钥,然后再通过网络传输给对方,或者直接面对面商量密钥。密钥是绝对不可以泄漏的,否则会被攻击者还原密文,窃取机密数据。
-
-
AES加密函数
-
设AES加密函数为E,则C=E(K,P),其中P为明文,K为密钥,C为密文。也就是说,把明文P和密钥K作为加密函数的参数输入,则加密函数E会输出密文C。
-
-
密文C
-
经加密函数处理后的数据
-
-
AES解密函数
-
设AES解密函数为D,则P=D(K,C),其中C为密文,K为密钥,P为明文。也就是说,把密文C和密钥K作为解密函数的参数输入,则解密函数会输出明文P。
-
2.对称加密算法与非对称加密算法的区别
-
对称加密算法
-
加密和解密用到的密钥是相同的,这种加密方式加密速度非常快,适合经常发送数据的场合。缺点是密钥的传输比较麻烦:我加密了一段信息,我想要你解密这段信息,我就必须把密钥发送给你,如果密钥在发送过程中被截获破解,密文也就变成了明文。
-
-
非对称加密算法
-
加密和解密用的密钥是不同的,这种加密方式是用数学上的难解问题构造的,通常加密解密的速度比较慢,适合偶尔发送数据的场合。优点是密钥传输方便:我无需向你传输密钥,也不需要知道私钥的内容,由于公钥加密的单向性(即无法直接通过公钥破解密文),在加密传输中,我将明文通过公钥加密,你接收到密文后使用私钥解密得到明文,私钥不会传递,自然安全。
-
常见的非对称加密算法为RSA、ECC和EIGamal。
-
3.AES的基本结构

AES的基本结构是一个分组加密的框架,通常分为若干“轮”(round)来处理数据。AES的加密过程由初始轮、多个主轮和最后一个轮组成,每一轮执行特定的数据处理步骤,确保密文的安全性和混淆性。
在AES标准规范中,分组长度只能是128位,也就是说,每个分组为16个字节(每个字节8位)。密钥的长度可以使用128位、192位或256位。密钥的长度不同,推荐加密轮数也不同,如下表所示:

密钥长度是指在加密算法中使用的密钥的位数或字节数。它是加密强度的重要因素,通常以比(bit)为单位表示。密钥长度直接影响到加密算法的安全性和计算复杂度。
分组长度是指分组加密算法在处理数据时,每次处理的固定长度数据块的大小,通常以字节(Bytes)或比特(Bits)为单位。
加密轮数(Number of Rounds)指的是对每个数据分组执行加密处理的重复次数。每一轮加密都是对数据进行一系列特定的操作,包括字节替换(SubBytes)、行移位(ShiftRows)、列混淆(MixColumns),以及与密钥的轮密钥加(AddRoundKey)运算。轮数的增加使得AES更具抗攻击性。

4.加密流程

a. 密钥扩展(Key Expansion)
-
将输入的密钥通过一个密钥扩展算法,生成多个轮密钥(Round Keys)。
-
AES-128 会生成11个轮密钥(原密钥+10轮加密密钥)。

b. 初始轮操作(Initial Round)
-
AddRoundKey:将明文和第一个轮密钥进行按位异或(XOR)操作。

c. 主要轮操作(Main Rounds)
-
每一轮包括以下四个步骤:
使用S-Box(置换盒)对每个字节进行非线性替换,提高算法的安全性。
-
SubBytes(字节替换)
-

-
ShiftRows(行移位)
对状态矩阵的每一行按固定规则进行循环左移。

-
MixColumns(列混合)
对状态矩阵的每一列进行线性变换,增强列间的混淆性。

-
AddRoundKey(轮密钥加)
将状态矩阵与当前轮的轮密钥按位异或(XOR)。

d. 最终轮操作(Final Round)
-
和主要轮类似,但省略MixColumns(列混合)步骤。
三、AES相关Q&A:
1.AES加密的信息长度是否有限制?是多长?
AES本身没有限制加密数据的长度,但要注意的是,AES加密是以块为单位处理数据的,每个块通常是128位(16字节)。对于超过一个块的数据,需要使用某种模式来链接多个块,如CBC(Cipher Block Chaining)、CFB(Cipher Feedback)、OFB(Output Feedback)等。
2.AES每次加密的信息最短不能短于多少?
AES加密的最小单位是一个块,即128位(16字节)。如果加密的数据少于这个长度,通常会用填充
(Padding)技术将其扩展到一个完整的块大小。
3.什么是非对称加密?和对称加密的区别是什么?
非对称加密使用一对密钥,一个是公开的公钥,另一个是私有的私钥。发送者使用接收者的公钥加密消息,而接收者使用其私钥解密。比如RSA创建的ssh密钥对进行加密解密
对称加密则使用相同的密钥进行加密和解密。比如AES加密解密
4.非对称加密中公钥加密后的密文为什么无法用公钥解密?只有私钥才能解密?
简单直接的答案是:因为公钥和私钥在数学上是严格绑定的,但它们的角色被设计成单向的。加密和解密使用的是两种完全不同的数学运算,而公钥并不具备反向运算的能力。
下面我们从几个层面来深入解释:
1. 核心思想:单向函数与陷门
非对称加密基于一种叫做“单向函数”的数学概念。
-
单向函数:正向计算很容易,但反向计算极其困难。
-
一个生活化的比喻:混色。将黄色和蓝色两种颜料混合,得到绿色,这非常容易(正向计算)。但给你一罐绿色颜料,让你分离出原始的黄色和蓝色颜料,这几乎是不可能的(反向计算)。
非对称加密算法就是找到了一种特殊的单向函数,它带有一个“陷门”。这个陷门信息就是私钥。
-
没有陷门:给你密文和公钥,你无法反向计算出明文(就像无法分离颜料)。
-
有陷门(私钥):你可以轻松地反向计算,解出明文。
2. 一个简化的数学模型(基于RSA算法)
我们以最经典的RSA算法为例,用一个极度简化的数字来说明其思想(实际使用的数字巨大无比)。
密钥生成阶段:
-
选择两个质数:p = 3, q = 11。
-
计算它们的乘积:n = p * q = 33。这个
n会成为公钥和私钥的一部分。 -
计算欧拉函数:φ(n) = (p-1)*(q-1) = 2 * 10 = 20。
-
选择一个公钥指数
e,条件是 1 < e < φ(n),且 e 与 φ(n) 互质。我们选 e = 3。-
此时,公钥 = (e, n) = (3, 33)。
-
-
计算私钥指数
d,条件是 (d * e) % φ(n) = 1。经过计算,d = 7,因为 (7 * 3) % 20 = 21 % 20 = 1。-
此时,私钥 = (d, n) = (7, 33)。
-
加密与解密过程:
假设我们要加密一个秘密数字 M = 4。
-
加密(用公钥):
密文 C = M^e % n = 4³ % 33 = 64 % 33 = 31。
我们把密文 31 发送出去。
-
解密(用私钥):
明文 M‘ = C^d % n = 31⁷ % 33。
31⁷ 是一个很大的数(27,512,614,111),但我们只关心它除以33的余数。通过数学计算可以得出,余数正好是 4。
M’ = 4,成功解密!
为什么不能用公钥(3, 33)解密?
如果你想用公钥 (3, 33) 去解密密文 31,你需要解下面这个方程:
X³ % 33 = 31
在不知道 p、q、φ(n) 和 d 的情况下,求解 X 就是一个典型的“离散对数问题”,对于小数字你可以暴力破解,但当 n 是一个长达数百位甚至上千位的天文数字时,即使用世界上最快的计算机,也需要花费数百万年才能算出来。这就是数学上的计算复杂性保证了安全性。
总结一下关键点:
-
数学绑定,功能分离:公钥和私钥源于同一组数学参数,但被设计用于不同的数学运算。加密用
e次方,解密必须用d次方。这两个操作是不可互换的。 -
安全基于数学难题:非对称加密的安全性依赖于大数分解难题(RSA)或离散对数问题等,这些问题在可预见的时间内是无法被经典计算机解决的。
-
公钥是公开的“锁”:你可以把公钥想象成一把任何人都能拿到的打开的挂锁。任何人都可以用它来锁上盒子(加密),但一旦锁上,只有拥有唯一钥匙(私钥)的人才能打开(解密)。
3. 一个绝佳的类比:信箱
这个比喻能帮你更好地理解:
-
公钥:就像小区里你家的信箱投递口。任何人都知道它的位置,任何邮递员或路人都可以把信(加密数据)塞进去。
-
私钥:就像你个人保管的信箱钥匙。只有你才能用这把钥匙打开信箱,取出里面的信(解密数据)。
-
加密过程:就是把信塞进投递口。
-
解密过程:就是用钥匙打开信箱取信。
任何人都可以往投递口里塞信(公钥加密),但只有你才能取出信(私钥解密)。通过狭小的投递口把信取出来这个操作是几乎无法实现的(公钥无法解密)。
补充一点:数字签名
理解了加密,就很容易理解数字签名,它的过程正好相反:
-
签名:你用你的私钥对一段信息进行“加密”(实际上是签名运算),生成一个签名。
-
验证:任何人拿到这段信息和签名后,可以用你的公钥去“解密”(实际上是验证运算)。如果“解密”成功并能与原始信息匹配,就证明这个签名一定是你(私钥的持有者)发出的。
这就像是你在信件上用只有你才有的特殊印章盖章,收信人用公开的印章图样来核对,确认信确实是你发的。
5.对称加密与非对称加密的结合使用
通过上文我们知道,对称加密的加密解密效率高,但是密钥的传输安全是个问题;而非对称加密的密钥不需要传输,天生就比对称加密安全,但是加密解密效率低。
我们可以结合二者的优点,让密钥安全传输,同时加密解密效率也高:
云端使用对称加密向本地传输大批量数据,同时用非对称加密传输“对称加密的密钥”,本地使用私钥对传输过来的“对称加密密钥”进行解密,再使用解密后的“对称加密密钥明文”对大批量数据密文进行解密,最终得到大批量数据明文。
