锂电池充放电管理学习
文章目录
- 前言
- 一、锂电池充放电原理
- 二、锂电池供电系统
- 三、锂电池充电过程
- 四、锂电池保护
- 4.1 防倒灌
- 4.2 过温保护
- 4.3 过充过放:
- 五、锂电池输出电路
- 总结
前言
前面我们学习了锂电池初识,了解了锂电池的基本分类
锂离子电池以其它电 池所不可比拟的优势迅速占领了许多领域,像大家熟知的移动电话、笔记本电脑、小型摄像机等等。
那么最终肯定会涉及锂电池的充放电,先简单学习下大概的充电过程
锂电池学习笔记(一) 初识锂电池
一、锂电池充放电原理
首先看下锂离子的充放电原理:
锂离子电池的负极为石墨晶体,正极通常为二氧化锂。充电时锂离子由正极向负极运动而嵌入石墨层中。放电时,锂离子从石墨晶体内负极表面脱离移向正极。所以,在该电池充放电过程中锂总是以锂离子形态出现,而不是以金属锂的形态出现。因而这种电池叫做锂离子电池,简称锂电池
通俗易懂的解释就是:
- 车站结构:这个车站有南北两个站台。南站台(正极)是用二氧化锂搭建的,北站台(负极)是用多层石墨片搭成的立体停车场
- 充电过程:就像公交车载客
• 充电时,锂离子像公交车一样从南站台发车,穿过中间的"河道"(电解液),把乘客(电荷)送到北站台。这些公交车(锂离子)会整齐地停进石墨停车场的车位里 - 放电过程:需要用电时
• 公交车(锂离子)又从北站台出发返回南站台,同时把之前载的乘客(电荷)送回起点。这时电子们就会沿着外部的道路(电线)跑回南站台,形成电流 - 安全设计:
整个过程锂始终以公交车的形态(锂离子)运输乘客,而不会变成散装汽油(金属锂)。这样既安全又能反复使用,所以叫"锂离子电池",就像公交车永远保持完整形态运输,不会解体。
这种来回运输的设计让电池可以重复充电,就像公交车每天往返运送乘客一样,因此也被形象地称为"摇椅电池"

锂电池标注中,3.7V指电池使用过程中放电的平台电压,而4.2伏指的是充电满电时的电压。
二、锂电池供电系统
锂电池供电系统一般由这三部分组成
① :锂电池充电电路,锂电池的充电要求较高,需要采用专用的恒压恒流充电器进行充电,通常为了提高电池充电时的可靠性和稳定性,我们会用电源管理芯片来控制电池充电的电压与电流
② 锂电池保护电路,保护电路为锂电池提供过充电、过放电、短路过流、过温保护;
③ 锂电池输出电路,3.7V锂电池充满电后为4.2V,放电平台电压为3.7V,对于嵌入式系统或其他负载电路来说,需要将3.7V电压升降压为5V、3.3V等电压才能使用。

术语解释:充放电电流一般用C作参照,C是对应电池容量的数值。电池容量一般用Ah、mAh表示,如M8的电池容量1200mAh,对应的C就是1200mA。0.2C就等于240mA。
mAh:电池容量的计量单位,实际就是电池中可以释放为外部使用的电子的总数。折合物理上的标准的单位就是大家熟悉的库仑。库仑的国际标准单位为电流乘以时间的安培秒:
1mAh=0.001安培*3600秒=3.6安培秒=3.6库仑
mAh不是标准单位,但是这个单位可以很方便的用于计量和计算。比如一颗900mAh的电池可以提供300mA恒流的持续3小时的供电能力。要想获得锂离子电池的电量使用的正确情况,只有用库仑计。就像大家家里面的水量计量用的水表的作用原理,要计算流经的电荷的多少才能获得锂离子电池的电量使用情况。
如何得到流经的电荷量呢,就只有通过测试单位时间内回路流经的电流大小。如果测到的电流是恒定不变的,把测到的电流乘于时间就可以简单的得到了电荷量了。这种情况一般只有实验室里面才能发生,通常用一个恒流来放电计算电池的容量,而且测到的容量也比较精确。如果测到的电流是随时间变化的,那么就需要对这个变化的电流进行积分才能得到电荷量,手机上的电池就是这种情况,电流随时都在变化。
电流要如何测到呢?
简单的讲就是通过测量一个特定的电阻两端的电压(单位伏特V或毫伏mV),把电压除于这个电阻的阻值(单位欧姆Ω或毫欧mΩ)就得到即时的电流值(单位是安培A或毫安mA)了。
三、锂电池充电过程
锂离子电池的充电过程可以分为四个阶段:涓流充电(低压预充)、恒流充电、恒压充电以及充电终止。
一般的充电曲线基本都是这样的,比如下方TP4056

锂电池充电过程


① 涓流充电(低压预充)
充电开始时,应先检测待充电电池的电压,如果电压低于3V,要先进行预充电,充电电流为设定电流 的1/10,一般选0.05C左右。(以恒定充电电流为1A举例,则涓流充电电流为100mA)。
② 恒流充电
电压升到3V后,进入标准充电过程。标准充电过程为:以设定电流进行恒流充电
③ 恒压充电
电池电压升到4.20V时,改为恒压充电,保持充电电压为4.20V。此时,充电电流逐渐下降,
④ 充电结束
当电流下降至设定充电电流的1/10时,充电结束。
一般锂电池充电电流设定在0.2C至1C之间,电流越大,充电越快,同时电池发热也越大。而且,过大的电流充电,容量不够满,因为电池内部的电化学反应需要时间。就跟倒啤酒一样,倒太快的话会产生泡沫,反而不满。采用最小充电电流判断或采用定时器(或者两者的结合)。最小电流法监视恒压充电阶段的充电电流,并在充电电流减小到0.02C至0.07C范围时终止充电。第二种方法从恒压充电阶段开始时计时,持续充电两个小时后终止充电过程。

四、锂电池保护

4.1 防倒灌
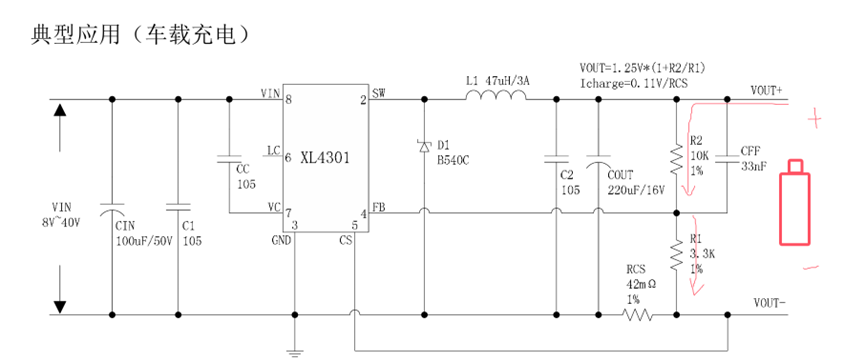
尤其是降压方案,需要对电池充电电路添加防倒灌措施, 比如下图一个很典型的车载充电芯片
① 若仅将输入电压去除,充电芯片没有移除,电池内的电流倒灌至充电电路中,导致电池电量白白损失掉

② 对于降压电源芯片来说,电池电流从输出端,经芯片内部功率管寄生的二极管倒灌至芯片的VIN端,此时若是输入端突然恢复供电,输入端电源会经过已经打开的功率管直接把能量输送到输出端,由于输入输出存在压差,瞬间会有比较大的电流流过功率管,若此时由于其它不可控的原因导致芯片未能及时有效做出响应来关闭功率管,这个大电流有可能会使芯片内部开关管损坏,此时电路会输出异常

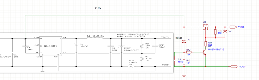
防倒灌措施
① 肖特基二极管
图2电路中,我们选择一个肖特基二极管防止电流倒灌,这是简单有效的方法。为降低肖特基D2温度,选用的肖特基电流能力是充电电流2倍以上。

注意肖特基二极管压降并不是一成不变的跟流过的电流有关,电流越大,压降越大,并且跟温度也有关系。

② PMOS
由于肖特基压降比较大,会增加系统损耗,当然你输出可以算上二极管压降,这样就无所谓这点损耗了;为减小防倒灌电路产生的损耗,我们可以采用MOS管来防止电流倒灌
参考网上的电路, 其中D1是稳压管,起钳位作用,确保三极管能在一个比较安全的电压下导通,D2也是稳压管VD2>VOUT。也是起保护作用
其中D1的选取遵循VOUT<VD1 <VIN。
正常工作时,三极管导通,MOS管的G极接地,PMOS管导通,电流经过MOS管给锂电池充电,MOS管功耗较小;当输入端断电时,PMOS关断,起到防止电流倒灌的作用


当然现在主流的充电管理芯片内部都集成采用了内部 PMOSFET 架构,加 防倒充电路,不需要外部隔离二极管。比如说TP4056
4.2 过温保护
充电终止检测除电压检测外,还需采用其他的辅助方法作为防止过充的后备措施,如电池温度监测,检测电池温度用电池组温度传感器连续检测电池温度,当电池温度超出设定范围时关闭对电池充电。一般电池内部都有NTC,集成在里面,无需外置NTC,如果没有,那就得外加NTC温度采集电路,也比较简单
参考:单片机ADC+NTC温度采集电路学习
4.3 过充过放:
对于过充过放都有专门的保护IC,时间有限,后面可以详细学习下
五、锂电池输出电路
锂电池输出电路:
3.7V锂电池充满电后为4.2V,放电平台电压为3.7V,对于嵌入式系统或其他负载电路来说,需要将3.7V电压升降压为5V、3.3V等电压才能使用,因此需要设计一定的升降压电路来将锂电池输出电压稳定在5V、3.3V。
3.7V锂电池充满电后为4.2V,放电平台电压为3.7V,锂电池放电至80%时电池电压为3.7V,放电至90%时为3.5V,对于带有锂电池保护板的锂电池来说,其放电最低电压为3V,则锂电池的输出电压范围为3~4.2V。
对于3.3V供电系统,由于锂电池放电至90%时仍然有3.5V的输出电压,选用一个低压差的LDO即可满足要求;如果想要压榨锂电池容量极限,则可以选择升降压芯片,将3~4.2V电压转化为3.3V电压,但升降压芯片价格较贵且不宜选择。
对于5V及以下电压供电系统,需要将锂电池电压先升高至5V,再将5V电压经过LDO或DCDC降压芯片转化至3.3V。
上面基本就是这些方案,具体选用什么芯片,大家自由发挥就好了
这个后面可以再学习下具体有哪些方案~
总结
参考:
电池充放电管理-锂电池充电过程及电路设计
锂电池基本原理解析:充电及放电机制
3.7V锂电池供电系统设计(含充电、保护、供电及电源切换电路器件选型和原理图)
mAh-快懂百科
