当前位置: 首页 > news >正文

AURIX-TC3xx-GTM详解三-CMU(Clock Management Unit)

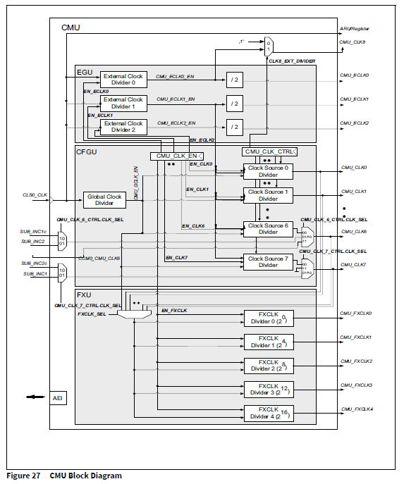
1、主要框图

主要有三个子模块:EGU(外部发生单元)、CFGU(可配置的时钟发送子单元)、FXU(固定时钟产生)

2、EGU(外部产生单元)

主要作用是通过port对外输出时钟,如给一些外部芯片提供固定频率的时钟。

2.1、使能或禁止EGU功能

可通过以下CMU_CLK_EN寄存器的bit16~bit21分别使能或禁止ECLK0~ECLK2

2.2、分频

按以下公式分频:

其中ECLK[z]_NUM和ECLK[z]_DEN分别由写入以下寄存器决定,Tcls0_clk是簇时钟(在Cluster章节再讲解)

2.3、ELCKx与port对应关系

主要就是ECLK0输出到P23.1,ECLK1输出到P32.4,ECLK2输出到P11.12

另外ELCK0可通过以下寄存器使能输出到CMU_CLK8

另外ELCK1可通过以下寄存器使能输出到CMU_CLK0~CMU_CLK7

2.4、代码示例

以设置和读取ECLK2为例

2.4.1、输出1MHz频率的时钟到port P11.12

/* set ECLK2. */
void GTM_CmuEclk2(void)
{IfxGtm_enable(&MODULE_GTM);      /* 使能GTM模块 */IfxGtm_Cmu_setEclkFrequency(&MODULE_GTM, IfxGtm_Cmu_Eclk_2, 1000000); /* 设置ECLK2的时钟频率,比如1MHz */IfxGtm_Cmu_enableClocks(&MODULE_GTM, IFXGTM_CMU_CLKEN_ECLK2);   /* 使能ECLK2. */IfxPort_setPinModeOutput(IfxGtm_CLK2_P11_12_OUT.pin.port,IfxGtm_CLK2_P11_12_OUT.pin.pinIndex,                IfxPort_OutputMode_pushPull,IfxGtm_CLK2_P11_12_OUT.select); /* 设置P11.12为输出为pushpull结构 */
}

2.4.2、读取ECLK2的时钟频率

/*get ECLK2. */
float32 ECLK2_Freq;
void Eclk2_get(void)
{ECLK2_Freq = IfxGtm_Cmu_getEclkFrequency(&MODULE_GTM,IfxGtm_Cmu_Eclk_2,TRUE);/* 获取ECLK2的时钟频率并存入ECLK2_Freq变量里*/
}

3、CFGU(可配置的时钟产生子单元)

3.1、全局分频(Global Clock Divider)

计算公式TCMU_GCLK_EN=(Z/N)*TCLS0_CLK,寄存器见如下

3.2、CLK0~CLK7时钟来源

可以来源于以下两种

1)3.1章节全局分频后的

2)2.3章节的ECLK2

通过CMU_CLK_CTRL寄存器设置来源于全局分频后的还是ECLK1

另外,

        CLK6还可以通过CMU_CLK_6_CTRL寄存器的CLK_SEL(bit24和bit25)选择来源于SUB_INC1c或SUB_INC2;

        CLK7还可以通过CMU_CLK_7_CTRL寄存器的CLK_SEL(bit24和bit25)选择来源于SUB_INC2c或SUB_INC1。

3.3、代码示例

3.3.1、GCLK(全局时钟)的设置和获取

设置全局分频时钟(GCLK)为200MHz

/* set GCLK. */
void GTM_CmuGclk(void)
{IfxGtm_enable(&MODULE_GTM); /* 使能GTM模块. */GTM_CMU_CLK_EN.U = 0x00555555;   /* 禁用CLK0-7,禁用ECLK0-2,禁用FXCLK. */IfxGtm_Cmu_setGclkFrequency(&MODULE_GTM,200000000); /* 设置GCLK(全局分频后时钟)为200MHz */
}

读取全局分频时钟(GCLK)

/* get GCLK. */
float32 GCLK_Freq;
void Gclk_get(void)
{GCLK_Freq = IfxGtm_Cmu_getGclkFrequency(&MODULE_GTM);/* 获取GCLK时钟频率并存入GCLK_Freq变量里 */
}

3.3.2、CLK的设置和获取

以设置和获取clk0为例

设置clk0时钟频率为1MHz

/*set CLK0 */
void GTM_CmuClk0(void)
{IfxGtm_enable(&MODULE_GTM);   /* 使能GTM模块. */IfxGtm_Cmu_setClkFrequency(&MODULE_GTM, IfxGtm_Cmu_Clk_0, 1000000);    /* 设置CLK0时钟为1MHz. */IfxGtm_Cmu_enableClocks(&MODULE_GTM, IFXGTM_CMU_CLKEN_CLK0);  /* 使能CLK0时钟. */
}

读取clk0的时钟频率

/* get CLK0 */
float32 CLK0_Freq;
void Clk0_get(void)
{CLK0_Freq = IfxGtm_Cmu_getClkFrequency(&MODULE_GTM,IfxGtm_Cmu_Clk_0,TRUE);/* 获取CLK0的时钟频率并存入CLK0_Freq变量 */
}

4、FXU(固定时钟产生)

4.1、固定时钟来源

来源可以是如下

1)GCLK(全局分频后的时钟)

2)CLK0~CLK7

通过以下寄存器选择

4.2、分频

4.1的时钟来源确定后

1)FXCLK0按2分频来源时钟后确定

2)FXCLK1按16分频来源时钟后确定

3)FXCLK2按256分频来源时钟后确定

4)FXCLK3按4096分频来源时钟后确定

5)FXCLK4按65536分频来源时钟后确定

4.3、代码示例

设置FXCLK0~FXCLK4的时钟来源

/*set FxCLK. */
void GTM_CmuFxclk(void)
{IfxGtm_enable(&MODULE_GTM);    /* 使能GTM模块. */MODULE_GTM.CMU.FXCLK.CTRL.B.FXCLK_SEL = IfxGtm_Cmu_Clk_0;/* 选择时钟来源为CLK0 */IfxGtm_Cmu_enableClocks(&MODULE_GTM, IFXGTM_CMU_CLKEN_FXCLK);               /* 使能固定时钟. */
}

获取FxClk时钟频率

/*get FxCLK */
float32 FxClk0_Freq;
float32 FxClk1_Freq;
float32 FxClk2_Freq;
float32 FxClk3_Freq;
float32 FxClk4_Freq;void Fxclk_get(void)
{FxClk0_Freq = IfxGtm_Cmu_getFxClkFrequency(&MODULE_GTM,IfxGtm_Cmu_Fxclk_0,TRUE);/* 获取FxClk0的时钟频率并存入FxClk0_Freq变量里 */FxClk1_Freq = IfxGtm_Cmu_getFxClkFrequency(&MODULE_GTM,IfxGtm_Cmu_Fxclk_1,TRUE);/* 获取FxClk1的时钟频率并存入FxClk1_Freq变量里 */FxClk2_Freq = IfxGtm_Cmu_getFxClkFrequency(&MODULE_GTM,IfxGtm_Cmu_Fxclk_2,TRUE);/* 获取FxClk2的时钟频率并存入FxClk2_Freq变量里 */FxClk3_Freq = IfxGtm_Cmu_getFxClkFrequency(&MODULE_GTM,IfxGtm_Cmu_Fxclk_3,TRUE);/* 获取FxClk3的时钟频率并存入FxClk3_Freq变量里 */FxClk4_Freq = IfxGtm_Cmu_getFxClkFrequency(&MODULE_GTM,IfxGtm_Cmu_Fxclk_4,TRUE);/* 获取FxClk4的时钟频率并存入FxClk4_Freq变量里 */
}

5、总结

1)ECLK主要用于给外部芯片提供时钟的场合

2)CFGU时钟主要给TIM、TBU、ATOM和MON等需要复杂时钟的场合

3)FXU时钟主要给TOM和MON等应用比较简单的场合

http://www.dtcms.com/a/512260.html

相关文章:

  • 文件速览软件对比丨Quicklook与PowerToys速览功能对比
  • 网络编程-通信协议
  • 湖州做网站公司哪家好网络规划设计师下午考点汇总
  • pip install gptqmodel报错:error: subprocess-exited-with-error
  • 消息中间件4.VPC
  • Linux时间轮定时器
  • 怎样做ppt建网站网站开辟两学一做专栏
  • 昆凌做的广告买化妆品网站微信应用小程序
  • ps免费模板网站360建筑网官网怎么登录
  • 高速摄像机在精密制造领域的应用
  • Docker入门:快速部署你的第一个Web应用
  • 《从 0 到 1 毫秒:用 Rust + Axum 0.8 打造支持 HTTP/3 的零拷贝文件服务器》
  • 【linux】多线程(六)生产者消费者模型,queue模拟阻塞队列的生产消费模型
  • 网站界面设计起着决定性作用软件开发外包是什么意思
  • YOLO26:面向实时目标检测的关键架构改进与性能基准测试
  • Debezium日常分享系列之:Debezium 3.3.1.Final发布
  • 织梦栏目页不显示网站描述wordpress能采集
  • Android Studio新手开发第二十五天
  • 网站服务公司案例遵义新蓝外国语学校网站建设
  • Selenium+Java(22):解决Windows系统中,Jenkins控制台打印乱码问题
  • Kafka面试精讲 Day 29:版本升级与平滑迁移
  • 局域网如何做视频网站建设凡科网做网站好吗
  • 网站字体大小选择新站seo外包
  • 2025年如何高效安全地在软件外包平台上接单
  • 上市公司爱国主义暴露(2000-2024)
  • 时序收敛(一)
  • 【干货】《基础统计学》(第13章):非参数检验方法
  • 泰安网站制作方案济南网站制作软件
  • 清华联合字节推出 HuMo,实现三模态协同生成人物视频
  • 低价网站建设推广报价网站开发 验收周期