当前位置: 首页 > news >正文

【电路·3】化简电路、等效变换、求输入电阻;其实很简单~

一、等效变换

1.一些基本的等效变换规则(极为重要)

1.理想电压源 和 电阻 并联
-> 电阻可以去掉

2.理想电流源 和 电阻 串联
-> 电阻可以去掉

3.理想电压源 和 电阻 串联
-> 可以变成 理想电流源 和 电阻 并联

4.理想电流源 和 电阻 并联
-> 可以变成 理想电压源 和 电阻 串联

2.例题1

化简此二端网络:

在这里插入图片描述

思路是这样的。

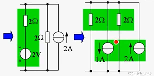
首先,和 电流源 串联 的所有电阻 都可以被去掉。(右侧)

我们还能够把 电流源 和 电阻的并联结构 转化成 -> 电压源 和 电阻 的串联结构。
因为,U = IR,所以转化后的电压源 U = 2A * 2Ω = 4V

因此可以变成下面这样:

在这里插入图片描述

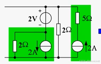
然后,我们将 2个 反向的理想电压源做代数和运算。
其中绝对值小的被抵消掉了。

所以变成这样:

在这里插入图片描述
又因为,理想电压源 串联一个电阻的结构 能转化为 理想电流源 并联一个电阻的结构
所以,可以变成这样:

在这里插入图片描述

又因为,并联的电流源 可以抵消(就像 串联的电压源 那样,可以做代数和运算)

且,并联的 2个电阻 也可以化简成 1个电阻,
所以可以这样变化:

在这里插入图片描述

3.例题2

在这个里面,要先把上面的电阻移到下面来,利用等电位

在这里插入图片描述

这样变换 ->

在这里插入图片描述

在这里插入图片描述
上图右边的 10Ω,去掉,然后可以看到圈住的位置有一个电压源和电阻串联,所以可以转化为一个电流源和电阻并联,因此,可以转化为下图:

在这里插入图片描述

然后,我们将 2个并联的 2Ω 电阻合并为 1个并联了的 1Ω 电阻,
合并之后,又因为电流源和电阻并联可以转化为电压源和电阻串联,
所以最终化简为这样:

在这里插入图片描述

但这还不算结束。

二、公式法化简

1.根据函数关系直接列方程求解

在这里插入图片描述

还是这个图,我们现在已知流入的电流是 i,整个电路里面的电压等势点电压都是 v。
所以,在右侧支路里面的电流电压关系可以用公式代替:

设右侧支路电流为 Is
Is = i - 左侧支路电流
Is = i - v/1

所以, 利用 KVL
v = 1 + v1 + v1/2 + v1

又因为 v1 = (i-v/1) * 2
所以代入得到:

v = 1 + 2(i-v) + 2(i-v)/2 + 2*(i-v)
v = 1 + 5i - 5v
6v = 1 + 5i
v = 1/6 + 5i/6

所以,知道了这个二端网络的 v 和 i 的关系之后,可以用以下的电路做等效替代:

在这里插入图片描述
但这里有个疑惑,i = u/r = (5/6v) / (5/6Ω) = 1*i。
这默许了 r 的默认单位就是 1Ω…
不知道,明白了原理就好,细节不管了。

二、更多变换

1.输入电阻

请添加图片描述

输入电阻,通俗来讲,
就是一堆串联并联混联的电阻集群。

比如说:

在这里插入图片描述
在计算输入电阻的时候,需要分析这个端口网络的性质:
分为 有源无源

上面的例子就是一个有源端口网络。

如果遇到有源端口网络,那么,
电流源 可以看作一个 开路(断开,断路)
电压源 可以看作一个 短路(一根导线)

因此,一个有源网络,在求解 “输入电阻” 的时候,
其实可以变换为一个无源网络

所以上面的电路可以被等效变换为:

在这里插入图片描述

1.

1.

http://www.dtcms.com/a/500136.html

相关文章:

  • include″″与includ<>的区别
  • 如何快速提升网站pr网站建站和维护
  • ArkTS详细使用教程
  • 东庄水利枢纽建设公司网站seo月薪
  • 专业的网站制作团队网站建设分期收费
  • 做网站广告公司wordpress修改站标在哪个文件
  • 微信小程序电子测宅堪墓风水罗盘
  • P3269 [JLOI2016] 字符串覆盖题解
  • C++IO库
  • 大型网站开发 框架wordpress俄语版
  • 贵州省交通工程建设质监局网站深圳市网站备案
  • 微信息公众平台微网站建设网站开发与运行环境
  • 智谱大模型实现文生视频案例
  • 有关网站建设的参考书慧谷网站开发文档
  • 中英文网站建设方案广州搜索引擎优化
  • 这么做网站原型图网站建设公司倒闭
  • 网站建设功能怎么写深圳seo培训
  • 算法题(237):滑雪
  • MQTT 协议深度学习笔记(含实战示例・完整版)
  • 工程建设网站导航图珠海建网站价格
  • 做外贸是什么网站网络宣传网站建设制作
  • 网站关键词制作《电子商务网站开发与管理》书籍
  • 成绩查询系统网站开发怎么做网站的图片跳转
  • 基于 GEE MODIS 数据实现 7 大遥感指数计算与可视化
  • 【计算机算法设计与分析】分治算法
  • CSS核心概念全解析:从入门到精通
  • 公司品牌网站建设常州语言网站建设
  • 北京做商铺的网站网站建设及域名申请 厦门
  • 微网站制作软件无版权视频素材网站
  • 深圳外贸建站模版那些市区做网站群