当前位置: 首页 > news >正文

18006.STM32通过SPI读取LAN9253数据

文章目录

  • 1 背景
  • 2 原理图
  • 3 ethercat从站 LAN9253 寄存器手册
  • 4 程序待补充

1 背景

MCU处理器通过SPI 读取ethercat 从站LAN9253数据信息

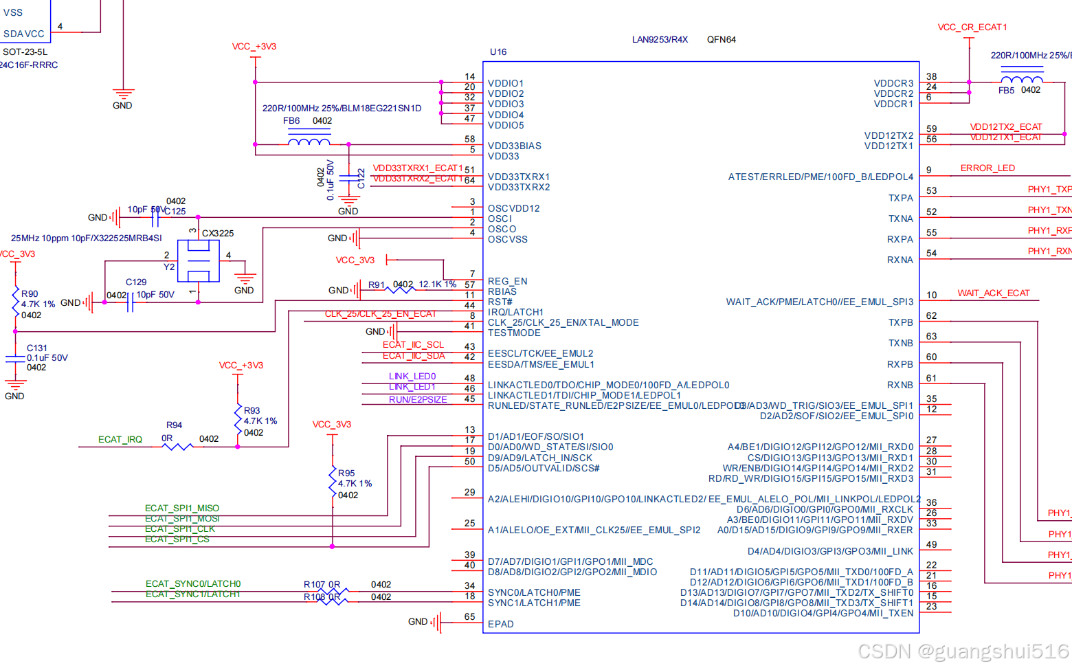
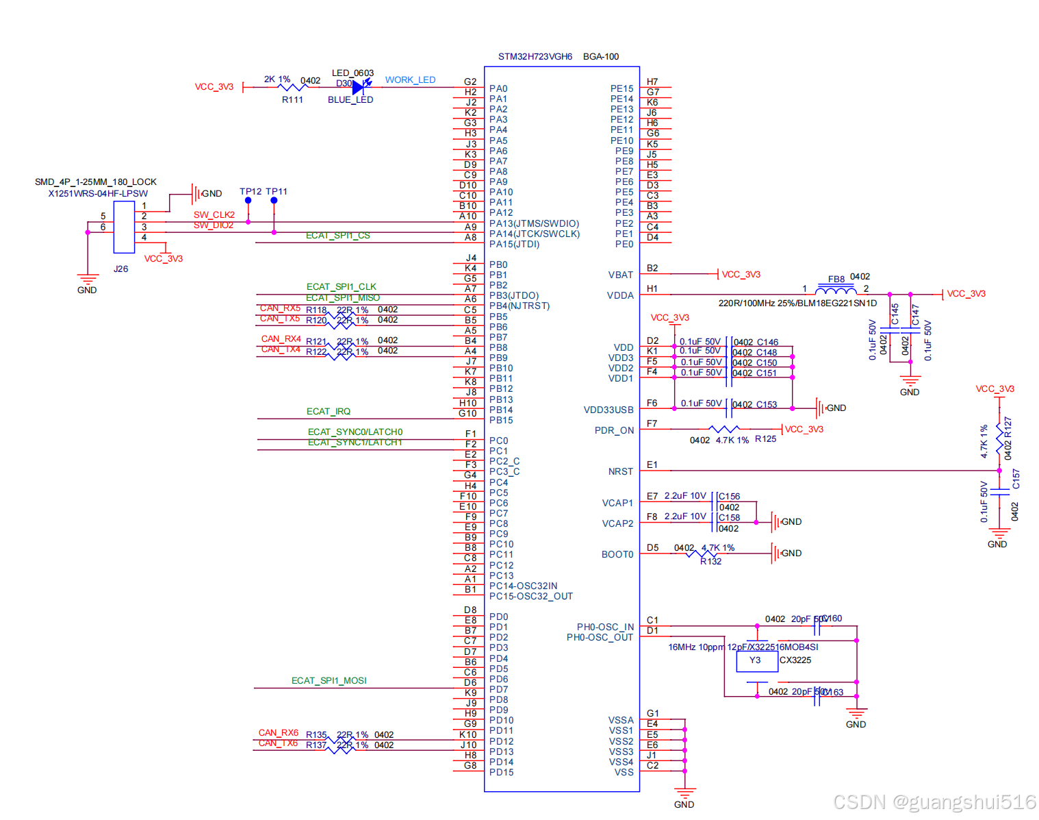
2 原理图

在这里插入图片描述
在这里插入图片描述

3 ethercat从站 LAN9253 寄存器手册

在这里插入图片描述
在这里插入图片描述
在这里插入图片描述

在这里插入图片描述
在这里插入图片描述
在这里插入图片描述

在这里插入图片描述

在这里插入图片描述

#define PRAM_ABORT        			0x40000000
#define PRAM_BUSY         			0x80
#define PRAM_AVAIL        			0x01
#define READY             			0x08
#define DUMMY_BYTE					0xFF#define BYTE_TEST               	0x0064      			// byte order test register
#define HW_CFG                  	0x0074      			// hardware configuration register
#define RESET_CTL               	0x01F8      			// reset register
#define ECAT_CSR_DATA           	0x0300      			// EtherCAT CSR Interface Data Register
#define ECAT_CSR_CMD            	0x0304      			// EtherCAT CSR Interface Command Register
#define ECAT_PRAM_RD_ADDR_LEN   	0x0308      			// EtherCAT Process RAM Read Address and Length Register
#define ECAT_PRAM_RD_CMD        	0x030C      			// EtherCAT Process RAM Read Command Register
#define ECAT_PRAM_WR_ADDR_LEN   	0x0310      			// EtherCAT Process RAM Write Address and Length Register
#define ECAT_PRAM_WR_CMD        	0x0314      			// EtherCAT Process RAM Write Command Register
#define WDOG_STATUS             	0x0440      			// watch dog status
#define ECAT_LOCAL_TIME				0x0910#define DIGITAL_RST       			0x00000003#define ESM_INIT                	0x01          			// state machine control
#define ESM_PREOP               	0x02          			// (state request)
#define ESM_BOOT                	0x03          			//
#define ESM_SAFEOP              	0x04          			// safe-operational
#define ESM_OP                  	0x08          			// operational#define Tout 						2000

4 程序待补充

http://www.dtcms.com/a/474594.html

相关文章:

  • 无锡网站建设维护梅州建站教程
  • SQLSugar和EF都是数据优先吗?
  • 企业网站功能是什么百度怎么发布网站
  • 八股-2025.10.12
  • Eigen 曲线拟合之四阶多项式(有界约束,投影法)
  • 深度剖析 C++ 之 vector(下)篇
  • Vue计算属性与监视
  • 零基础学AI大模型之解析器PydanticOutputParser
  • Linux 命令 —— 常用命令总结
  • 【AI论文】大型推理模型能从有缺陷的思维中更好地习得对齐能力
  • 网站服务器费用wordpress手赚推广
  • 24ICPC昆明站补题
  • 口碑好的聊城网站建设设计软件网站
  • 五种编程语言比较选择最适合您项目的工具
  • 商城网站开发项目分工公司网页背景图
  • 第六章:并发编程—Go的杀手锏
  • 网站建设内部流程图定制开发网站 推广
  • 衡石科技HENGSHI SENSE 6.0:重塑企业级BI的技术范式
  • 西安便宜网站建设品牌网十大品牌排行榜
  • OpenSIPS call_center 模块测试
  • 深度学习周报(10.6~10.12)
  • 易语言实现多文件选择对话框模块详解
  • 电子商务网站建设与综合实践如何翻译wordpress主题
  • Java基础--集合复习知识点
  • spdlog讲解
  • 怎样用vps做网站超级优化
  • 下载接口返回的数据流格式文件
  • 关于网站建设的合同范本正规太原软件开发公司有哪些
  • Python反射机制通俗详解(新手友好版)
  • 网站开发要源码多少钱wordpress 静态资源加速