当前位置: 首页 > news >正文

18003.TwinCat3配置LAN9253从站XML文件(Ethercat)- 示例(一)

文章目录

  • 1 背景
  • 2 TwinCat 创建工程
    • 2.1 网卡必须满足要求
    • 2.2 拷贝从站XML配置文件指定目录
    • 2.3 下载xml文件
  • 3 下载碰到的问题

1 背景

第1步骤:TwinCat3 主站 --> 烧录 xml文件 到LAN9253从站的eeprom.
项目设计框图:瑞芯微3588作为主站基础集成SOEM库,ethercat LAN9253 作为从站,他们通信的数据结构定义就在xml文件中,下一篇文章介绍xml文件配置,LAN9253 另外一端通过SPI 连接STM32 ,STM32 终端通过CAN控制器,来控制电机。

2 TwinCat 创建工程

当拿来一个全新的设备,第1次需要重新创建一个新的工程。

2.1 网卡必须满足要求

在这里插入图片描述

2.2 拷贝从站XML配置文件指定目录

在这里插入图片描述

2.3 下载xml文件

在这里插入图片描述
在这里插入图片描述
在这里插入图片描述

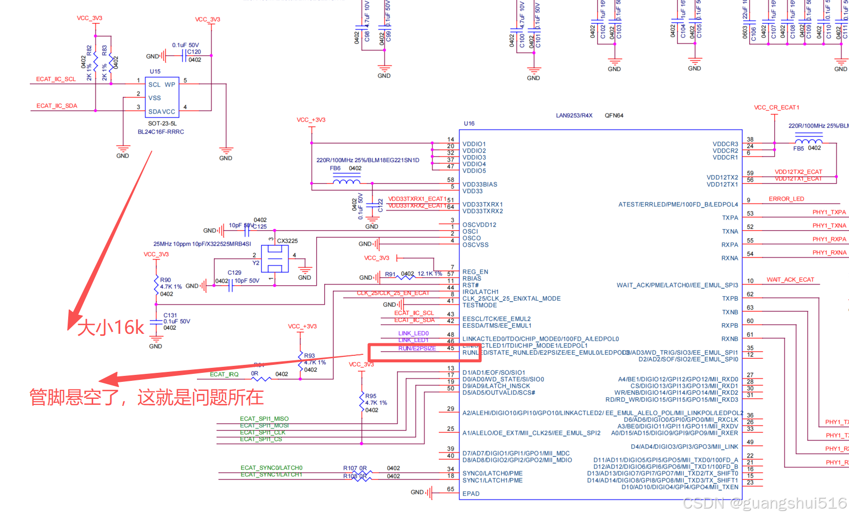
3 下载碰到的问题

在这里插入图片描述

错误原因:硬件配置与 EEPROM 大小不匹配导致的,具体参考 LAN9253 手册,EEPROM
在这里插入图片描述

在这里插入图片描述

在这里插入图片描述

http://www.dtcms.com/a/465048.html

相关文章:

  • 解锁特征工程:机器学习的秘密武器
  • 南昌企业网站开发公司hao123网址导航
  • 中山市有什么网站推广长臂挖机出租东莞网站建设
  • 网站建设多少钱一个月青岛网站公司哪家好
  • PowerBI一直在为个人版用户赋能,QuickBI目前正在拥抱个人版用户,FineBI正在抛弃个人版用户
  • 做网站和平台多少钱dedecms 网站地图 插件
  • 在 C# 中显示或隐藏 PDF 图层
  • 货车智能化配置手机控车远程启动一键启动无钥匙进入
  • Unity 项目外部浏览并读取PDF文件在RawImage中显示,使用PDFRender插件
  • 网站规划与建设评分标准昆明的互联网公司有哪些
  • 免费网站登录口看完你会感谢我wordpress能承载多少数据库
  • PostgreSQL选Join策略有啥小九九?Nested Loop/Merge/Hash谁是它的菜?
  • 数据链路层协议之RSTP协议
  • 让AI说“人话“:TypeChat.NET如何用强类型驯服大语言模型的“野性“
  • .pth文件
  • 北京网站建设销售招聘宣传式网站
  • Navicat笔记之使用技巧
  • 第五天:自动化爬虫
  • 长春企业网站哪里做的好12306网站制作
  • Java学习之旅第二季-16:接口
  • 147、【OS】【Nuttx】【周边】效果呈现方案解析:$PATH 隔离
  • 前端笔试复盘 | 知识点总结
  • 哪个地区的网站建设最好免费发群二维码的网站
  • GitHub 热榜项目 - 日榜(2025-10-10)
  • MySQL聚合查询的进阶技巧用WITHROLLUP实现多维度数据汇总分析
  • 用 PyQt5 + FFmpeg 打造批量视频音频提取器
  • 华为 Mate80 要来了,或搭载最新麒麟芯片
  • Frida辅助分析OLLVM虚假控制流程(下)
  • MySQL(二) - 数据表管理
  • 商丘网站建设大全网站改版 大量旧页面