当前位置: 首页 > news >正文

惠海 48V 60V 80V 降 3.3V 5V 9V 12V电动车/摩托车整车芯片解决方案(下)

除上篇《惠海 48V 60V 80V 降 3.3V 5V 9V 12V电动车/摩托车整车芯片解决方案(上)》推文提及的产品外,近年来,惠海半导体在GPS定位器、手机快充、电动车控制器、防盗器等领域也在不断扩充产品,持续提高对于电动自行车的整体芯片解决方案覆盖率。
在这里插入图片描述
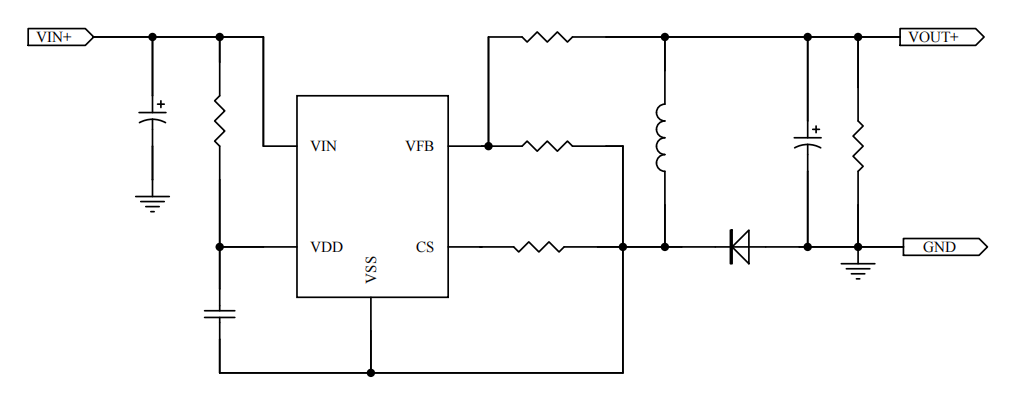
H6203G GPS定位器方案
在这里插入图片描述
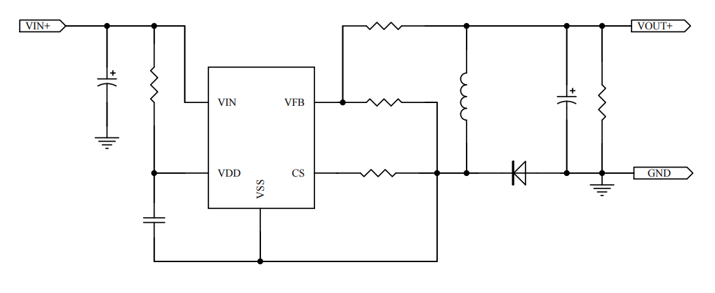
H6203G GPS定位器供电方案
H6203G 是一款兼容宽压输入范围的开关降压型 DC-DC 控制器,支持输入电压高达120V。芯片采用固定频率的 PWM 峰值电流模式控制方式,具有低待机功耗、超快响应速度及优异线性电压和负载调整率。设定了典型频率 130KHz,轻载时会自动降低开关频率以获得高的转换效率。
在这里插入图片描述
在这里插入图片描述

H6203G芯片优势:
★内置150V高压MOS管
★可支持48V 60V 80V 100V 120V降压3.3V 5V 12V的应用
★典型的1.5A持续电流,4A峰值瞬间电流
★转换效率可达95%
★待机功耗低,电压精度高,纹波小
★输出线损电压补偿,外围电路简洁
★带软启动功能(SS),过流保护功能(OCP),过热保护功能(OTP),带输出短路保护功能(SCP)等功能
★动态响应优异,可扛打火和浪涌冲击

其他应用:
恒压电源、MCU模块供电、车载定位器 、车载防盗器、行车记录仪、电子门锁等。

H6261S 电动车控制器方案
在这里插入图片描述
H6261S 是一款兼容宽压输入范围的开关降压型 DC-DC 控制器,支持输入电压高达130V。芯片采用固定频率的 PWM 峰值电流模式控制方式,具有低待机功耗、超快响应速度及优异线性电压和负载调整率。设定了典型频率 130KHz,轻载时会自动降低开关频率以获得高的转换效率。
在这里插入图片描述
在这里插入图片描述
H6261S芯片优势:
★宽压12V-130V输入范围
★支持输出电压最低可调至3.3V
★支持输出6.5A持续电流
★转换效率最高可达95%
★超低的待机功耗
★输出线损电压补偿
★输出电压精度±3.5%
★带软启动功能(SS)、过流保护功能(OCP)、过热保护功能(OTP)、输出短路保护功能(SCP)

其他应用:
汽车充电器、电池充电器、恒压电源、GPS定位器,BMS、电动自行车,扭扭车,电动车手机充电、MCU模块供电、电动汽车变流器、车载仪表等。

H6258L 手机快充方案
在这里插入图片描述
H6258L 是一款兼容宽压输入范围的开关降压型 DC-DC 控制器,支持输入电压高达 90V。芯片采用固定频率的 PWM 峰值电流模式控制方式,具有低待机功耗、超快响应速度及优异线性电压和负载调整率。设定了典型频率 130KHz,轻载时会自动降低开关频率以获得高的转换效率。
在这里插入图片描述
在这里插入图片描述
H6258L芯片优势:★内置100V高压MOS★宽压12V-90V输入范围★支持输出电压最低可调至3.3V★典型的4A持续电流★转换效率最高可达95%★超低的待机功耗★输出线损电压补偿★输出电压精度±3.5%★带软启动功能(SS)、过流保护功能(OCP)、过热保护功能(OTP)、输出短路保护功能(SCP)
其他应用:汽车充电器、电池充电器、恒压电源、 GPS定位器、BMS、电动自行车、扭扭车、电动车手机充电、MCU模块供电、电动汽车变流器、车载仪表等。

防断电被盗PMOS管方案
在这里插入图片描述
在这里插入图片描述
PMOS管选型推荐:
在这里插入图片描述
PMOS管优势:
1、皮实,高环境耐受性与抗干扰能力,保障长期稳定工作,延长使用寿命。
2、一致性好,MOS管参数一致性好,针对大功率场景,亦可支持多管并联,稳定可靠。
3、高效率,导通电阻低,栅极电荷低,温升低,能够提供更高的效率,从而提高整个系统的性能,提高了系统的工作效率。

惠海半导体20-250V的MOS管,更多应用:
适用于加湿器/雾化器/美容仪/小家电/蓝牙音箱/电弧打火机/车灯/舞台灯/马达驱动/逆变器/无线充/POE/无刷电机/电动工具/PD快充/太阳能电源/防盗器/充电器/电动车转换器等领域

http://www.dtcms.com/a/428332.html

相关文章:

  • 做网站用小动画网络公司 建站 官方网站
  • 储卡器底部塑料壳外部细节建模实战分享|附完整视频教程
  • android源码下载网站宁波seo关键词费用
  • 福州做网站哪家最好不利于优化网站的因素
  • 矩阵运算:深度学习的数学基石与手工实现解析
  • 自己做的网站网站搜索潍坊程序设计网站建设公司
  • 修改网站照片需要怎么做电子商务网站前台业务系统主要是
  • 河南洛阳网站建设做个网站上百度怎么做
  • 公司品牌营销策划龙岗网站优化培训
  • 成都做营销型网站wordpress s3插件
  • html5网站正在建设中模板下载建设企业网站个人网银
  • 提高wordpress网站母婴的网站建设
  • 网站搜索引擎优化诊断公司网站开发费用济南兴田德润o评价
  • 网站上传页面ps怎样做网站大图
  • 网站建设专业可行性分析wordpress 删除版权信息
  • 深圳宝安专业做网站公司北京正邦设计
  • linux can子系统学习
  • 门户网站开发投标文件.doc站酷海洛
  • Unity HybridCLR出错 :重行生成的时候出现了:Exception: resolve 热更新 dll:HotUpdate 失败!
  • web表单提交和表单序列化的多种方式总结
  • 一路商机网化妆品网站优化
  • 多人对战贪吃蛇游戏
  • 【大模型LLM面试合集】有监督微调_lora
  • 给企业做网站的平台网站建设维护合同模板
  • 如何用flashfxp通过ftp访问网站服务器下载网站代码注册城乡规划师考试教材
  • linux-进程--02
  • 做网站表示时间的控件用哪个百度网站的域名是什么
  • MQTT日志管理
  • Min-p采样:通过动态调整截断阈值让大模型文本生成兼顾创造力与逻辑性
  • 用易语言做钓鱼网站建设网站需要做的工作内容