当前位置: 首页 > news >正文

【射频仿真学习笔记】变压器参数的Mathematica计算以及ADS仿真建模

变压器模型理论分析

  • 对于任意的无源电路或者等效电路,当画完原理图后,能否认为已经知道其中的两个节点?vin和vout之间的明确解析解

  • 是否存在一个通用的算法,将这里的所有元素都变成了符号,使得这个算法本身就是一个函数,这个函数本身输入就是两个节点的net名称或电流电压名称。输入进去之后,输出就是其函数解析解的表达式了。令这个表达式为0就可以求出其零点和极点了呢?(答案是可以的)

  • 在kicad软件上画出电路图
    在这里插入图片描述

  • 然后导出网表
    在这里插入图片描述
    在这里插入图片描述

  • 导出之后就可以运行跑了

  • 因为这里引入了这个程序,所在网表的位置

  • 这个软件是maxima,是跟mathematica是一样的工具。

  • 首先加载了电路的元件,把电路的网表输入进去。
    在这里插入图片描述
    在这里插入图片描述

  • 任何电路都是可以用网表的形式呈现的。
    在这里插入图片描述
    在这里插入图片描述

  • 然后是引入器件

  • ckt是网表默认的名称,是得sycira(ckt)读出来的东西赋值给sys变量。

  • sys将电路网表翻译成了矩阵方程。
    在这里插入图片描述

  • 其中第一大项是所有的方程,第二大项是待求解的变量

  • 求解完成后,就变成了所有可能得解析解的排列组合
    在这里插入图片描述

  • 然后solve这个sys变量。sys是根据基尔霍夫定律求解的。

  • 求解的算法是modify node analysis(mna),这个东西可以解出各种解析解。

  • 然后就自动求解方程了。
    在这里插入图片描述

  • 冒号:表示的是赋值

  • G是电路图(graph)

  • ev是创造子变量空间,在这里面列的就可以定义为表达式子

  • sol[1]是求解完后的第一项。

  • 这相当于是在求解Z21
    在这里插入图片描述

  • 然后将其化简,vin除以Iin。

  • 这里先把vin的表达式提取出来,因为Iin是一个已知的量,且vin的里面是含有Iin的。

  • 这样就可以得到Z21
    在这里插入图片描述

  • 这里做了假设,s=jw

  • %i就表示虚数j
    在这里插入图片描述

  • 这里在求解realZin=50,和imagZin=0

  • letsimp就是把某个假设用在表达式中

  • %o6是第六行的输出

  • 也就是令L1和L2等于下面这个表达式

  • 最后可以解出和k有关的Z21
    在这里插入图片描述

  • 然后一键求解L1和L2

  • 这样就能实现以k为自由变量去求解。
    在这里插入图片描述

  • 问题:是否任何一个电路都可以用类似的算法求出任何的解析解。

  • 电路能求解析解是因为计算机把电路翻译成了网表,网表翻译成了矩阵。进一步的疑问是,在任何一个这样的符号矩阵中,是否都存在解,如果存在解的极限是什么。换句话说,如果有一个nxn的矩阵,求解这样矩阵的逆,

在这里插入图片描述

  • 这里表达式好像打错了
    在这里插入图片描述

输入匹配案例模型

在这里插入图片描述
在这里插入图片描述

  • 对于这个电路图的Z21
    在这里插入图片描述
  • Z32发生了变化
    在这里插入图片描述
  • 如果将alpha的值变大,影响就会进一步加大。
  • 将alpha1改为0.1e10
    在这里插入图片描述
  • 将alpha1改为0.1e10
    在这里插入图片描述
  • 这时候影响就不可忽略了
  • 蓝色的斜线是建的最优值model,其物理意义是考虑了初级和次级线圈的内阻情况下,相对于不考虑内阻的极限值的区别。换句话说,就是把两个内阻通过电路变换的形式转移到源阻抗和负载阻抗上了,以修正了对链路预算最大值的评估。
    在这里插入图片描述
  • 这条斜线是如何修正从不带Ra和Rb到带上Ra和Rb的呢?
  • 也就是下面这个式子是如何来的?
  • 这包括了两部分,一个是对R2的修正,一个是对R1的修正。其中这个R2就是Rgs
  • 将管子作为一个黑盒子,所能达到的输出,如果已经做了逆提取的话,真正抽出来的节点是R2和Cgs之间的节点,这个时候的表达式就不一样了。
    在这里插入图片描述
  • 按照这个式子得到的是这个电路图
  • 从下图中的的红色虚线平面进行推导,根据阻抗匹配定理,由于S11等于0,约等于50欧姆那一侧的Ra左侧等于0,忽略反射系数的影响,一个端面匹配则另一个端面也匹配(共轭传播定理),等于L2的右侧(也就是Rb的左侧)也是共轭的,从共轭到共轭,能量没有损耗。
  • 这样变压器就满足能量守恒,I1^2R1=I2 ^2R2
  • 推导最优值的Z21,从Is开始推导,(先忽略Ra),Is如果在Ra左侧就匹配了,那么就有一半的电流流向变压器,则变压器上的I1等于1/2的Is,若想知道输出的电压,我们只需要推导出I2即可,因为次级的表达式和符号都是已知的,而次级的R2和Cgs是产生了Vout。
    在这里插入图片描述

需要完成的任务

  • 版图中提取变压器参数alpha和beta,使得寄生电阻RL=alphaL,寄生电容CL=betaL
  • 不考虑初级线圈,初级线圈的电容吸收到初级电感中,只提取出次级线圈的寄生电阻和电容
  • 需要我们先画出pcell,然后做逆提取。要做出两部分,一部分是精确的模型,一部分是design based的模型。再用design based的模型跟端口阻抗等效电路(Rg和Cg)做一个联合仿真分析,并在其中找到最优解。
  • 通过逆提取得到alpha和beta值

在这里插入图片描述
在这里插入图片描述

  • 先提取出来,再去吸收。
  • 初级线圈的Ra先要被考虑,在这基础上再加上π网络。
  • 先用下面这个电路做出来,然后再去吸收。
  • 这样拟合相当于是model vs em。
    在这里插入图片描述
  • 然后把C7在一个频带上吸收到初级线圈L1里,即对L1进行了一次数值修正,让其在5G频带以内是准确的。
  • 然后不管Ra
  • 然后看Cc(即C6)要如何处理。Cc可以适当的吸收到k里面,因为k在正常情况下是不能随着频率变化的。
  • C8是不能忽略的
  • 最终吸收成这样的模型,并用这个简化模型去求解析解和数值解,这样就完成了整套东西。
    在这里插入图片描述
  • 要画出横轴是k,纵轴是Z21的曲线。或者横轴是频率,参变量是k。

在这里插入图片描述
在这里插入图片描述
在这里插入图片描述
在这里插入图片描述
在这里插入图片描述
在这里插入图片描述
在这里插入图片描述
在这里插入图片描述
在这里插入图片描述
在这里插入图片描述

  • 变压器的sp文件仿真参考这篇博客
    链接: 基于ADS的电感和变压器的建模过程
  • 即初级线圈是单端激励,次级线圈是差分激励

笔记一

在这里插入图片描述
在这里插入图片描述
在这里插入图片描述
在这里插入图片描述
在这里插入图片描述

  • 只有在Q的峰值前那段感值曲线仿真出来的才是线性的,越靠近Q的平面越不可能是常数
  • 在变压器中,我们不可能将其用在谐振频率上面,
    在这里插入图片描述

在这里插入图片描述
在这里插入图片描述
在这里插入图片描述
在这里插入图片描述
在这里插入图片描述
在这里插入图片描述
在这里插入图片描述
在这里插入图片描述
在这里插入图片描述
在这里插入图片描述
在这里插入图片描述
在这里插入图片描述
在这里插入图片描述
在这里插入图片描述
在这里插入图片描述
在这里插入图片描述
在这里插入图片描述
在这里插入图片描述
在这里插入图片描述
在这里插入图片描述
在这里插入图片描述
在这里插入图片描述
在这里插入图片描述
在这里插入图片描述
在这里插入图片描述
在这里插入图片描述
在这里插入图片描述
在这里插入图片描述
在这里插入图片描述
在这里插入图片描述
在这里插入图片描述
在这里插入图片描述

需要参考的论文

  • 上面的这个建模方法思路是很不错的,但是比较复杂,这里我们可以参考一篇博士论文《硅基毫米波无源器件建模及锁相环设计_高宗智》
  • 查看论文的3.3.3节
  • 使用这下面的式子
    在这里插入图片描述
    在这里插入图片描述
  • 如果考虑中心抽头的影响,我们指导在VCO变压器中共模是不可忽略的,中心抽头加上偏置线,用这种design based是不准的。
  • 下面这篇论文提供了另一种思路
  • 如果往第3、6、4端口(即次级线圈的三个端口)加入同样大小的电压源时候,它到P1端口的所有耦合就可以被计算出来,因为它整个都是等电位的,当地3、6、4端口都等电位的时候,电感的支路就不起作用了。
  • 这种方法通过解方程的手段,在把电路进行拆解,使得到中心抽头的耦合都可以被考虑。

在这里插入图片描述

笔记二

在这里插入图片描述
在这里插入图片描述
在这里插入图片描述
在这里插入图片描述
在这里插入图片描述
在这里插入图片描述
在这里插入图片描述
在这里插入图片描述
在这里插入图片描述
在这里插入图片描述
在这里插入图片描述
在这里插入图片描述
在这里插入图片描述
在这里插入图片描述

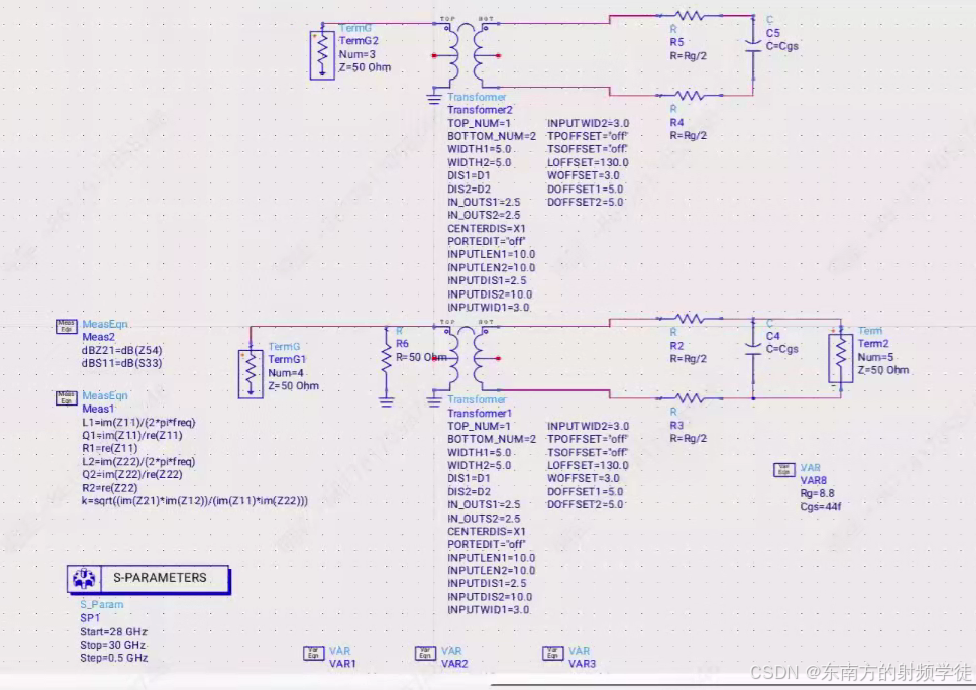
实际变压器仿真效果

在这里插入图片描述

  • 在这里,使用顶层M9,底层两圈的M8,
    在这里插入图片描述
  • 在仿Z参数的时候,需要有一个加入对地的阻抗值
    在这里插入图片描述
  • 另一个是需要单独看反射系数的图
    在这里插入图片描述
    在这里插入图片描述

在这里插入图片描述

  • 在这里设定了Z21为dBZ54
    在这里插入图片描述
  • L1是初级线圈(160pH),L2是次级线圈(900pH),L2已经把自谐振电容Cc吸收进去了,所以它不会是一个频变的值。在这里实现了1:6,利用了次级线圈的自谐振电容,将电感感值峰化了,增加了电感等效感值,使得左侧到右侧可以实现非常夸张的阻抗变换。
  • 如果初级使用M9,而次级使用M8,电阻R的值会变得特别夸张,到十几欧姆了,所以不能忽略次级线圈的电阻。
  • 如果只关注S11的话,相当于用R2做匹配,如果R2被归纳到Rg中,Q=1/RC,那么Q就变小了,S11就更好匹配了。这是用M8的R2起到的效果。
    在这里插入图片描述
  • 然后,我们把频率范围变得更大来观察。
  • 由于初级线圈和次级线圈的谐振频率是相关联的,所以在60GHz就谐振了。
  • 初级线圈有一侧接地的话,那么其谐振频率就会下降,因为有一侧的电容消失了。
    在这里插入图片描述
    在这里插入图片描述
    在这里插入图片描述
    在这里插入图片描述
  • 初级线圈半径75,次级线圈半径105,间隔8
    在这里插入图片描述
  • 搭建好这样的电路后,先进行手调。得到Z21和S11的结果,及变压器内部的参数性质。先实现在28-30G匹配,2-3GHz的带宽
  • 负载统一用下面取值的负载。
    在这里插入图片描述
  • 可以比较一下,初级用M9和用M8的区别是什么。

在这里插入图片描述

  • 调出来之后,进行反提取。按照design based的建模方法,得到L1L2kCcC1C2,在10-20GHz的频带上与电磁仿真的结果曲线有什么区别。
  • 第二步进行scable变换,以这个为中心,对变压器尺寸进行展开,稍微展开几组,在这个范围内去看alpha和beta变化的范围大不大,能否用线性函数做拟合。然后回纠结,能否把表达式写进去,如果他不是线性写起来会非常复杂。
  • 这时候可以打开Help的ANN,然后自己去百度搜教程
    在这里插入图片描述
  • 这样就可以逐渐具备把建立的模型用于设计了。
http://www.dtcms.com/a/126822.html

相关文章:

  • 连不上阿里云服务器redis
  • Ansible 使用说明
  • 光储充智能协调控制系统的设计与应用研究
  • SQL注入(SQL Injection)深度解析
  • spark- core
  • 全域数字化:从“智慧城市”到“数字生命体”的进化之路
  • 如何避免无效成本拖垮项目
  • JVM高阶架构:并发模型×黑科技×未来趋势解析
  • 介绍一下 ChibiOS
  • 用excel做九乘九乘法表
  • Linux网络之DNS域名解析服务
  • 使用POCO库进行ZIP压缩和解压
  • VSCode CLine 插件自定义配置使用 Claude 3.7 模型进行 AI 开发
  • 深入理解 Linux PATH 环境变量:配置与优化!!!
  • Crossmint 与 Walrus 合作,将协议集成至其跨链铸造 API 中
  • WPF ObjectDataProvider
  • Dify插件安装与使用教程
  • 基于SSM框架的房屋租赁小程序开发与实现
  • OpengGL教程(七)---摄像机
  • 在Ubuntu服务器上安装Docker(支持Ubuntu 20.04/22.04等版本):
  • 道路运输安全员岗位事项有哪些?
  • HBuilderX中uni-app打包Android(apk)全流程超详细打包
  • 建设“大数据智慧招商平台”,助力园区突破招商瓶颈!
  • 2025 年“认证杯”数学中国数学建模网络挑战赛 C题 化工厂生产流程的预测和控制
  • 03--Deepseek服务器部署与cjson解析
  • 魔改chromium源码——新增自定义变量到windows属性
  • 前端学习10—Ajax
  • iOS应用开发指南
  • 力扣第272场周赛
  • UniAD:自动驾驶的统一架构 - 创新与挑战并存