SCT2A26——5.5V-100V Vin,4A峰值电流限制,高效率非同步降压DCDC转换器,兼容替代LM5012
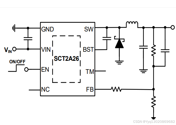
SCT2A26是一款异步降压转换器,输入电压范围从5.5V到100V,可适应各种降压应用,是汽车、工业和照明应用的理想选择。SCT2A26集成了500mΩ高侧MOSFET,具有4A峰值输出电流限制,可支持4G模块GPS跟踪器中的高峰值电流应用。
SCT2A26采用具有集成环路补偿的恒定导通时间(COT)模式控制,大大简化了转换器的外围配置。
SCT2A26在轻负载下采用脉冲频率调制(PFM),具有典型的140uA低静态电流,能够在轻负载或无负载条件下实现高效率。
SCT2A26提供逐周期电流限制、过温保护、输出过压保护和输入电压欠压保护。该设备采用ESOP-8封装。
特性:
- 宽输入电压:5.5V-100V
- 最大输出电压:30V
- 2A持续输出电流
- 4A峰值电流限制
- 集成500mΩ高侧功率MOSFET
- 140uA静态电流
- 1.2V±1%反馈参考电压
- 4ms内部软启动时间
- 300kHz固定开关频率
- 集成内部环路补偿的COT控制模式
- 可调节的输入欠压锁定阈值及延迟
- 逐周期电流限制
- 过压保护
- 过温保护
- ESOP-8封装
应用:
- GPS追踪器
- 电动自行车、踏板车
- 摩托车驱动器、无人机
- 48V工业电源总线系统

