FPGA系统架构设计实践4_SelectIO
SelectIO资源概述
a)所有7系列FPGA均配备可配置的SelectIO驱动器和接收器,支持各类标准接口。其功能特性包括:输出驱动强度与边沿速率的可编程控制、基于数字控制阻抗DCI的片上端接、内部生成参考电压INTERNAL_VREF的能力。
1)输出驱动强度与边沿速率的可编程控制
①驱动强度配置:通过设置DRIVE属性(单位:mA)调节I/O输出级晶体管的导通数量,从而改变输出电流。例如:LVCMOS18在HR bank支持4/8/12/16/24mA、HP bank支持2/4/6/8/12/16mA 可根据传输线负载需求灵活选择。
②边沿速率配置:通过SLEW属性(FAST/SLOW)调节输出晶体管开关速度。FAST模式信号边沿陡峭、SLOW模式边沿平缓。
③高驱动强度(如24mA)适用长距离传输、驱动多个外设;低驱动强度(如4mA)适用板内近距离通信,可降低功耗和噪声。
④FAST模式:DDR内存、工业以太网等高速接口,确保时序裕量;SLOW模式:GPIO、UART等低速控制信号,减少同时开关噪声SSO。
2)基于数字控制阻抗DCI的片上端接
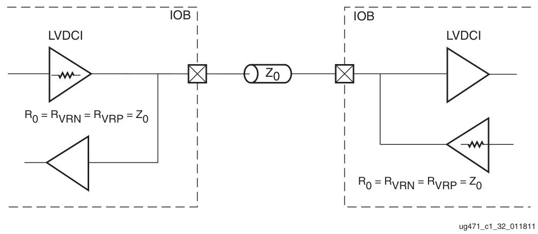
①仅HP bank支持,通过外部VRN(接VCCO)和VRP(接地)精密电阻校准,动态调整I/O内部晶体管的导通状态,实现两种核心功能:受控阻抗驱动(使输出阻抗匹配传输线特性阻抗,替代外部串联电阻)、片上输入端接(提供可调端接电阻,替代外部并联端接电阻)。
②应用在高速芯片间接口(如DDR3/DDR4内存、PCIe),减少外部电阻数量,节省 PCB 空间,同时通过动态校准补偿温漂、电压波动导致的阻抗变化,提升信号完整性。
3)内部生成参考电压INTERNAL_VREF的能力
①从VCCAUX电源衍生出固定电压(支持0.60V/0.675V/0.75V/0.90V),作为单端I/O标准(如HSTL、SSTL)的输入参考电压,替代外部VREF电源。启用后,I/O bank的VREF引脚可复用为普通I/O。
b)每个I/O Bank通常包含50个引脚:两端的各1个引脚(共2个)仅支持单端标准;中间48个引脚可配置为单端或差分标准。
c)每个SelectIO资源均集成输入、输出和三态驱动电路,可配置为多种单端或差分I/O标准:单端I/O标准(如LVCMOS、LVTTL、HSTL、PCI、SSTL等);差分I/O标准(如LVDS、Mini_LVDS、RSDS、PPDS、BLVDS,以及差分HSTL和差分SSTL等)。
d)HP bank IO
1)PAD: FPGA物理引脚,外部信号与内部逻辑接口。
2)T: 三态控制;高电平:输入模式(输出高阻),低电平:输出模式(输出使能)。
3)O: 内部输出数据,驱动PAD。
4)DCITERMDISABLE: DCI端接禁用;仅HP bank支持,高电平禁用端接,低电平启用(外部电阻校准阻抗匹配)。
5)DIFFI_IN: 差分输入控制;使能时配置输入路径为差分模式,处理差分信号;单端模式时不使能。
6)IBUFDISABLE: 输入缓冲器禁用;高电平禁用(输入高阻),低电平使能。
7)PADOUT: PAD信号内部反馈,用于监控引脚电平。
8)I: 输入缓冲处理后数据,送往内部逻辑。
9)DIFFO_OUT: 差分输出控制;使能时配置输出路径为差分模式,支持双向传输。
10)O_OUT: 输出数据内部反馈,用于同步或时序校准。
e)供电(VCCO/VREF/VCCAUX/VCCAUXIO)
1)VREF:为单端IO标准提供信号参考电压,支持内部生成(INTERNAL_VREF),无需外部电源。需VREF时,必须使用该bank的VREF引脚提供参考(或启用内部生成,释放引脚作普通IO)。
2)VCCAUX:为FPGA辅助电路供电(如时钟管理),并为特定IO输入缓冲(如LVDS)供电,避免核心噪声干扰IO信号。
SelectIO DCI
a)随着FPGA尺寸不断增大、系统时钟速度不断提升,PCB的设计与制造难度也随之增加。由于信号边沿速率越来越快,维持信号完整性成为关键问题。为避免信号反射或振铃,必须对PCB上的走线进行适当端接。传统的走线端接方式是添加电阻,使输出端/输入端的阻抗与接收器、驱动器及走线的阻抗相匹配。然而,随着器件I/O数量的增加,在器件引脚附近添加电阻会增加电路板面积和元器件数量,在某些情况下甚至存在物理上的实现难度。为解决这些问题并实现更优的信号完整性,Xilinx研发了数字控制阻抗DCI技术。根据I/O标准的不同,DCI既可以控制驱动器的输出阻抗,也可以在驱动器/或接收器处添加并联端接,其目标是精准匹配传输线的特性阻抗。DCI会主动调整I/O内部的这些阻抗,以校准连接在VRN和VRP引脚上的外部精密参考电阻。这种设计可补偿因工艺偏差导致的I/O阻抗变化,同时还能持续调整阻抗,以补偿温度变化和电源电压波动带来的影响。对于支持受控阻抗驱动器的I/O标准,DCI会将驱动器阻抗控制为与两个参考电阻的阻值匹配;对于部分标准,DCI则会将驱动器阻抗控制为参考电阻阻值的一半。需要注意的是,DCI仅在7系列FPGA的HP I/O中提供,HR I/O不支持DCI功能。
1)低速信号(如10MHz以下)的边沿速率慢(比如100ns),波长很长(15m),远超过一般PCB的走线长度(<1m)。此时反射信号还没反弹回来,原信号已经稳定,所以反射的影响几乎看不见。但高速信号(如1GHz)的边沿速率极快(比如0.1ns),波长仅1.5cm,只要 PCB走线超过这个长度,反射就会实时干扰原信号,导致传输错误。这就是为什么DDR内存、PCIe等高速接口必须严格做阻抗匹配(用端接电阻或DCI技术),本质是让信号能量不反弹,全部被负载吸收。
b)DCI通过每个I/O bank中的两个多功能参考引脚,控制该bank所有I/O的驱动器阻抗或并联端接值。其中,N参考引脚VRN必须通过一个参考电阻上拉至VCCO,P参考引脚VRP必须通过另一个参考电阻下拉至地。每个参考电阻的阻值应等于PCB走线的特性阻抗,或为该特性阻抗的两倍。每个bank仅需使用一组VRN和VRP电阻,因此同一bank内所有DCI标准必须能够共享相同的外部电阻值。若同一I/O bank列中的多个I/O bank均使用DCI,且所有这些bank采用相同的VRN/VRP电阻值,则可对内部VRN和VRP节点进行级联,这样整个I/O列中所有I/O bank仅需将一对引脚连接至精密电阻即可,此功能称为DCI级联。
c)DCI通过选择性地开启或关闭I/O中的晶体管来调整I/O阻抗,使阻抗与外部参考电阻匹配。该调整过程在器件启动序列期间开始。默认情况下,DONE引脚需在阻抗调整过程的第一阶段完成后才会置高。通过例化DCIRESET原语,可重置DCI校准。在器件工作期间,触发 DCIRESET原语的RST输入引脚,会重置DCI状态机并重启校准过程。在DCIRESET模块的LOCKED输出引脚置高前,所有使用DCI的I/O均无法使用。该功能在以下应用场景中十分实用:器件上电时的温度/电源电压,与额定工作条件存在显著差异的情况。
d)为优化高速或高性能应用中的信号完整性,需采取额外措施,使驱动器的输出阻抗与传输线及接收器的阻抗相匹配。理想情况下,驱动器的输出阻抗需与所驱动传输线的特性阻抗一致;否则,阻抗不连续会导致反射现象。为解决这一问题,设计人员有时会在高驱动能力、低阻抗驱动器的引脚附近,使用外部源端串联端接电阻。所选电阻的阻值需满足:驱动器输出阻抗与源端串联端接电阻阻值之和,大致等于传输线的阻抗。DCI技术可提供受控阻抗输出驱动器,无需使用外部源端端接电阻即可消除反射。其阻抗由外部参考电阻设定,该参考电阻的阻值与走线阻抗相等。支持受控阻抗驱动器的DCI I/O标准包括:LVDCI_15、LVDCI_18、HSLVDCI_15、HSLVDCI_18、HSUL_12_DCI、DIFF_HSUL_12_DCI。

SelectIO原语
a)IBUF/IBUFG
1)IBUF是FPGA中的基础输入缓冲器原语,主要功能是对外部输入的普通信号(非全局时钟信号)进行缓冲与电平调理。它能将外部引脚输入的信号适配为FPGA内部逻辑可识别的电平,同时隔离外部信号噪声对内部电路的干扰,保障输入信号的稳定性。该原语适用于普通数据信号、控制信号(如片选信号、复位信号)等非时钟类信号的输入处理,不具备全局时钟信号传输所需的低时延、低skew(时序偏差)特性,不可直接用于驱动FPGA内部的全局时钟网络。
2)IBUFG是专为全局时钟信号设计的输入缓冲器原语。它在IBUF基础功能之上,额外具备接入FPGA全局时钟网络的能力,能将外部输入的时钟信号以极低的时序偏差和时延,均匀分配到FPGA内部所有需要该时钟的逻辑模块(如触发器、DSP、BRAM等)。该原语仅适用于主时钟、高速同步时钟等关键时钟信号的输入处理,可有效避免时钟信号在传输过程中的时序偏移,保障整个数字系统的时序一致性,普通数据或控制信号不宜使用IBUFG。
b)IBUF_IBUFDISABLE
1) IBUF_IBUFDISABLE原语是一种带禁用端口的输入缓冲器。在输入信号未使用期间,该禁用端口可作为额外的节能特性使用。当 USE_IBUFDISABLE属性设为TRUE,且IBUFDISABLE信号置高时,IBUF_IBUFDISABLE原语可禁用输入缓冲器,并将输出到FPGA内部逻辑的O端强制置为逻辑高电平。若USE_IBUFDISABLE设为FALSE,则IBUFDISABLE信号会被忽略,且应将其接地。
2)此特性可在I/O接口闲置时降低功耗。对于使用VREF电源轨的输入缓冲器(如适配SSTL、HSTL等IO标准的缓冲器),将IBUFDISABLE设为TRUE的节能效果最为显著。因为这类缓冲器的静态功耗通常高于LVCMOS、LVTTL等非VREF类IO标准的缓冲器。
c)IBUF_INTERMDISABLE
1)未校准分压端接(IN_TERM)是FPGA HR I/O中的可选输入端接功能,核心是通过简化的分压式端接结构匹配传输线阻抗,同时无需复杂的校准机制,主要用于优化信号完整性并支持动态功耗控制。基础阻抗匹配本质是分压式端接(类似戴维南等效端接),通过内部预设的端接支路(无需外部精准校准电阻),使I/O输入端口的阻抗与PCB传输线特性阻抗(如50Ω、60Ω等)匹配,减少信号传输时因阻抗不连续产生的反射,提升中低速信号的完整性。
2)该功能可被两种信号触发关闭,一是驱动器活跃时(T信号为低),端接支路会自动禁用,避免影响信号正常传输;二是通过 IBUF_INTERMDISABLE原语的INTERMDISABLE端口,主动输入高电平即可禁用端接支路,灵活适配信号闲置场景。

d)IBUFDS/IBUFGDS
1)IBUFDS仅用于处理普通差分数据信号或差分控制信号(如差分复位信号),不具备接入全局时钟网络的能力,不可用于驱动FPGA内部的全局时钟逻辑。
2)IBUFGDS额外支持接入FPGA的全局时钟网络,能将外部输入的高速差分时钟信号(如LVDS时钟、PCIe差分时钟、DDR4差分时钟)以极低的时序偏差和时延,均匀分配到FPGA内部所有需该时钟的模块(如触发器、DSP核、BRAM)。该原语仅适配差分时钟信号,普通差分数据/控制信号无需使用,以避免占用全局时钟资源。
e)IBUFDS_DIFF_OUT/IBUFGDS_DIFF_OUT
1)IBUFDS_DIFF_OUT是FPGA中适配差分信号的输入缓冲器原语。其核心功能是接收外部差分信号(如LVDS、BLVDS等差分I/O标准信号),并将其转换为FPGA内部逻辑可直接使用的差分信号(而非普通IBUFDS输出的单端信号),同时保留差分信号抑制共模噪声(如电源干扰、电磁辐射)的特性。该原语仅用于处理普通差分数据信号或差分控制信号(如差分格式的传感器数据、低速差分通信信号),不具备接入全局时钟网络的能力,无法用于驱动FPGA内部的全局时钟逻辑,主要适配对内部信号传输仍需差分特性的中低速场景。

f)IBUFDS_DIFF_OUT_IBUFDISABLE
1)当USE_IBUFDISABLE属性设为TRUE,且IBUFDISABLE信号置为高电平时,IBUFDS_DIFF_OUT_IBUFDISABLE原语会禁用输入缓冲器,并将输出至内部逻辑的O端和OB端(互补差分输出端)均强制置为高电平。若USE_IBUFDISABLE设为FALSE,则IBUFDISABLE信号会被忽略,且需将其接地。此特性可在I/O闲置时用于降低功耗。

g)IOBUF
1)支持LVCMOS、LVTTL、SSTL、HSTL等多种主流I/O标准,能根据配置将内部逻辑电平转换为外部接口所需电平,同时提供可调的输出驱动能力(如2mA、4mA、8mA等),适配不同长度的PCB走线需求。输入侧具备基础的噪声过滤能力,可减少外部干扰对内部逻辑的影响;输出侧的缓冲设计能避免内部信号因外部负载波动而失真,保障双向传输的信号完整性。

h)IOBUF_DCIEN
1)新增DCIEN端口,用于控制DCI功能的开启与关闭。当DCIEN为高电平时,激活DCI电路,按照预设的DCI I/O标准(如LVDCI、SSTL_DCI等)执行阻抗校准(匹配传输线阻抗)或分压端接;当DCIEN为低电平时,DCI功能关闭,原语仅作为普通双向缓冲器使用。DCI 功能激活时,会依据参考电阻阻值校准双向I/O的输入 / 输出阻抗,无需额外外部端接电阻即可减少信号反射。

电平标准
a)LVTTL (Low Voltage TTL)
1)LVTTL是适用于3.3V应用场景的通用EIA/JESD标准,采用单端CMOS输入缓冲器和推挽式输出缓冲器。该标准要求3.3V的输出电源电压(VCCO,即I/O主电源),但无需使用参考电压(VREF,即参考电压)或端接电压(VTT,即端接电源)。
2)LVTTL信号的典型端接拓扑结构
①源端串联端接:在输出缓冲器与传输线之间串联了一个电阻RS,且满足公式RS = Z0 - RD(RD是输出缓冲器的固有阻抗)。通过串联电阻使驱动器侧的总阻抗RD + RS与传输线Z0匹配,从而消除信号从驱动器到传输线的反射。适用于单向传输、源端驱动的场景(如FPGA向外部芯片输出控制信号),是成本较低的端接方案。

②终端并联端接:适用于双向传输或多源驱动的场景(如总线类信号),但会增加功耗(因为并联电阻存在静态电流)。

b)LVCMOS (Low Voltage CMOS)
1)LVTTL特性分析
①优势:具备较强的驱动能力,可直接驱动高负载或长距离传输场景;采用成熟工艺,生产成本低,适合大规模批量应用;与传统的 TTL 系统完全兼容,无需电平转换电路。
②劣势:功耗较高(包括静态和动态功耗),大电流应用需考虑散热方案;工作频率上限较低(≤100MHz),不适用于高速信号传输;噪声容限较小,在电磁干扰强烈的环境中可能出现误码。
2)LVCMOS特性解析
①优势:支持高速工作(可达数百MHz以上),是高速数字系统的首选;超低功耗特性,特别在低电压(如1.2V)下表现优异,适合便携设备;出色的抗干扰能力,能适应复杂的电磁环境;多电压兼容设计,可灵活匹配不同电压需求的芯片。
②劣势:驱动能力有限,长距离传输需要中继或终端匹配;多电压设计增加了电源管理系统的复杂性(需搭配多电压电源芯片);与传统TTL系统互连时需要电平转换,会提高总体成本。
c)LVDCI (Low-Voltage Digitally Controlled Impedance)
1)低压数字控制阻抗,是FPGA中用于精准控制I/O接口阻抗的技术。其核心是通过数字电路校准I/O的驱动阻抗或端接阻抗,使其匹配传输线的特性阻抗(如50Ω),从而减少信号反射,保障高速信号的完整性。
2)阻抗校准逻辑:依赖FPGA HP I/O bank的VRN和VRP外接参考电阻,通过内部数字电路将I/O的驱动阻抗或端接阻抗校准为与参考电阻阻值匹配(或按特定比例,如前代器件与7系列存在校准比例差异)。无需额外外部端接电阻,即可实现阻抗匹配。
3)支持LVDCI系列I/O标准,如LVDCI_15、LVDCI_18等,覆盖1.5V、1.8V等低压场景,适配高速差分或单端信号的传输需求(例如高速自定义总线、差分时钟的受控阻抗驱动)。
4)其优势在于,无需外部 PCB 端接元件,降低硬件成本与布线复杂度;阻抗精度由参考电阻决定,一致性高,适合对信号完整性要求严格的高速设计(如千兆级串行通信、高速并行数据总线)。

d)HSTL (High-Speed Transceiver Logic)
1)高速收发器逻辑HSTL标准是由JEDEC(联合电子器件工程委员会)制定的通用高速总线标准,标准编号为JESD8-6。该标准包含四个等级,为支持高速存储器接口的时钟传输,还提供了差分版本。
e)SSO
1)由于封装电感的存在,每个器件/封装支持的同时开关输出(SSO)数量有限,尤其是在使用高速、高驱动能力输出时。仅当应用场景有明确需求时,才应使用高速、高驱动能力输出。PlanAhead软件中的开关噪声(SSN)预测工具,可根据设计中每个引脚(被干扰引脚)以及所有其他引脚(干扰引脚)的信息,分析每个I/O引脚的噪声容限大小。该工具会考虑所使用的I/O引脚位置、I/O标准、压摆率和端接方式,并基于这些特性为每个引脚提供噪声容限值。需要注意的是,该噪声容限未包含任何系统级特性的影响,例如电路板走线串扰或因电路板阻抗不连续导致的信号反射。
2)当大量输出同时向同一方向切换时,会产生地弹或电源反弹。此时,所有输出驱动晶体管都会向一条公共轨传导电流:低电平到高电平的切换会连接至VCCO轨,而高电平到低电平的切换会连接至接地轨。由此产生的累积电流瞬变,会在内部与外部接地电平之间,或内部与外部VCCO电平之间的电感两端感应出电压差。这些电感与键合线、封装引线框架、芯片布线、封装布线以及焊球电感相关。因此,任何由SSO引发的电压,都会影响内部开关噪声容限,并最终影响信号质量。
3)在进行设计的引脚规划时,关键在于合理选择I/O引脚布局,将强驱动输出/SSO引脚与敏感输入输出引脚(尤其是异步输入引脚)分开。强驱动输出通常包括HSTL和SSTL的II类驱动器、各类PCI标准驱动器,以及所有驱动能力超过8mA的LVCMOS或LVTTL驱动器。
4)敏感输入输出引脚的噪声容限较低,通常为高速信号,或因并行接收器端接导致信号摆幅减小的信号。在7系列FPGA中,局部SSO噪声的大小取决于信号之间的物理距离,因此,根据封装焊球的位置对信号进行分隔至关重要。为进一步降低SSO可能引发的噪声,应将输出引脚均匀分布,而非集中在某一区域。同一I/O bank内的SSO引脚应尽可能分散布局;在条件允许的情况下,应将SSO引脚分配到多个I/O bank。
5)此外,添加虚拟接地引脚(Virtual Ground Pins)和虚拟VCCO引脚(Virtual VCCO Pins)也可减小SSO影响。通过将一个由逻辑0驱动、采用最高可用驱动能力的输出引脚定义为虚拟接地引脚,并在电路板上将其连接至地,即可创建虚拟接地;同理,将一个由逻辑1驱动、采用最高可用驱动能力的输出引脚定义为虚拟VCCO引脚,并在电路板上将其连接至VCCO,即可创建虚拟VCCO引脚。
SelectIO逻辑资源
a)7系列FPGA包含基础的IO逻辑资源,包括:组合型IO、三态输出控制、带寄存器IO、带寄存器三态输出控制、DDR IO 、DDR输出三态控制、IODELAY、SAME_EDGE输出DDR模式、SAME_EDGE和SAME_EDGE_PIPELINE输入DDR模式。

其中IOB包含输入/输出缓冲器。HP bank具备独立的IDELAY和ODELAY模块;HR bank拥有与HP bank相同的逻辑单元,仅缺少ODELAY模块。
b)ILOGIC
1)ILOGIC即输入逻辑资源,是7系列FPGA中集成于I/O Tile内的专用输入侧逻辑模块,核心功能是对外部引脚经输入缓冲器(如IBUF、IBUFDS等)传入的信号进行时序同步、逻辑预处理与格式适配,确保信号能稳定合规地接入FPGA内部逻辑,是保障输入信号时序准确性与完整性的关键资源。
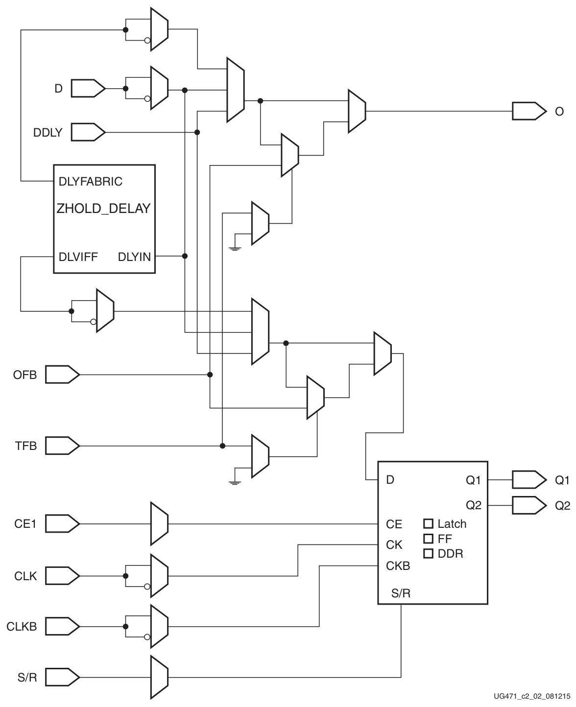
2)在7系列器件中,ILOGIC的可配置型号包括ILOGICE2(适用于HP I/O)和ILOGICE3(适用于HR I/O)。ILOGICE2与ILOGICE3在功能上完全一致,其端口也完全相同。两者的唯一区别如下:ILOGICE3位于HR I/O,内置零保持延迟元件(ZHOLD);ILOGICE2位于HP I/O ,无ZHOLD元件。
3)ZHOLD概念
①PGA是外部信号进入FPGA内部的入口。数字电路中,为确保触发器(或采样电路)能稳定采样输入信号,要求信号在时钟触发沿之后必须保持稳定的最小时间。若不满足,可能导致采样错误(比如信号过早变化,触发器采集到不稳定值)。焊盘到焊盘保持时间特指外部信号从FPGA的输入焊盘进入后,到被内部采样电路(如ILOGIC的寄存器)采样时,在焊盘侧需要保持稳定的时间。这是FPGA与外部设备接口时的关键时序约束之一,若外部信号的保持时间不足,会直接影响采样准确性。
②ZHOLD是ILOGIC模块输入端的静态无补偿延迟线,作用是通过主动延迟输入信号,抵消时钟信号在FPGA内部传输的延迟,最终让焊盘到焊盘保持时间的要求变为零(即外部信号无需额外满足保持时间,简化接口设计)。具体来说:外部信号从焊盘进入FPGA后,需经过内部布线到ILOGIC的采样寄存器;同时,采样时钟也需从时钟源经过内部时钟网络到达寄存器。若时钟的传输延迟(时钟插入延迟)大于信号的传输延迟,可能导致信号已经变化,时钟才到达,破坏保持时间。ZHOLD通过给输入信号增加一段延迟,让信号的到达时间与时钟的到达时间对齐,从而抵消时钟插入延迟的影响。此时,即使外部信号的保持时间很短(甚至为零),也能被稳定采样,这就是消除对焊盘到焊盘保持时间要求的含义。
③ZHOLD默认是开启的,但以下情况会自动禁用:时钟源是MMCM/PLL(这类时钟源的输出延迟可能随频率、配置变化,静态的ZHOLD延迟无法动态匹配,补偿效果不可靠);在XDC中设置了IOBDELAY属性(IOBDELAY是另一种输入延迟配置,用于手动调整输入信号延迟,与ZHOLD功能冲突,因此ZHOLD会被关闭)。
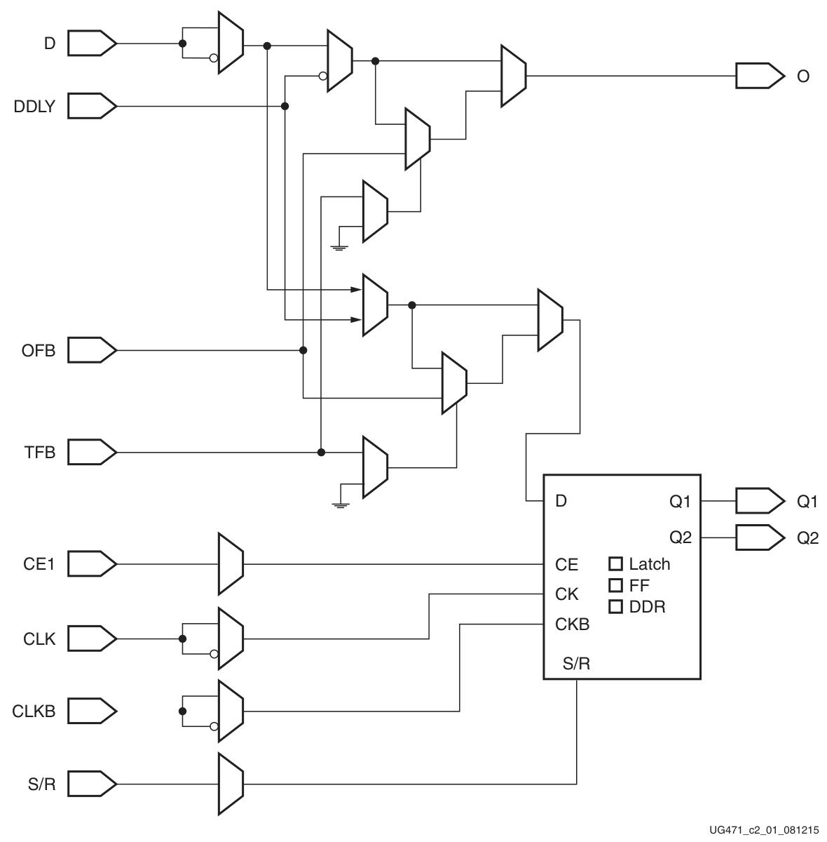
4)

①紧邻IOB(输入输出缓冲器),内部包含同步元件(如输入触发器IFD,DDR元件IDDR),作用是稳定捕获经IOB传入FPGA的外部数据。

①数据输入:D是直接来自IOB的原始输入信号;DDLY是经IDELAY校准后的延迟信号;DLYIN是来自DLYFABRIC模块的ZHOLD延迟信号;
②OFB是输出反馈信号(用于三态控制或双向信号的回读);TFB是三态反馈信号(指示输出缓冲器的三态状态)。
③ILOGIC模块内的寄存器具有公共的同步或异步置位与复位(SR信号)。置位/复位输入引脚SR会迫使存储元件进入由SRVAL属性指定的状态,且复位条件的优先级高于置位条件。
④组合逻辑输入路径用于建立从输入驱动器到FPGA逻辑的直接连接。当满足以下条件时,软件会自动使用该路径:输入数据与FPGA逻辑中的逻辑资源存在直接连接;将I/O寄存/锁存器打包到IOB中的指令被设置为关闭。
5)ILOGIC时序模型

①时钟事件1之前的TICE1CK时刻,输入时钟使能信号在输入寄存器的CE1输入引脚处变为高电平,使输入寄存器准备好接收数据;
②在时钟事件1之前的TIDOCK时刻,输入信号在输入寄存器的D输入引脚处变为高电平,并在时钟事件1之后的T1CKQ时刻反映在输入寄存器的Q1输出端;
③时钟事件4之前的TISRCK时刻,SR信号变为高电平,对输入寄存器执行复位操作,并在时钟事件4之后的TICKQ时刻反映在IOB的Q1输出端。
6)IDELAY
①IDELAYE2是一个具有31个抽头、循环式的延迟原语,具备校准后的抽头分辨率。它可应用于组合输入路径、寄存器输入路径,或同时应用于两者;也可直接从FPGA逻辑中访问。IDELAY允许根据单个输入引脚对输入信号进行延迟。抽头延迟分辨率通过使用7系列FPGA数据手册中指定范围内的IDELAYCTRL参考时钟进行连续校准。
②

IDATAIN:IDATAIN输入由其关联的IOB驱动。IDELAY既可将数据驱动至ILOGICE2/ISERDESE2模块,也可直接传入FPGA内部逻辑,还可通过DATAOUT端口(以IDELAY_VALUE设定的延迟)同时驱动至上述两者;
DATAIN:DATAIN输入直接由FPGA内部逻辑驱动,为系统提供一个可通过逻辑访问的延迟线。数据经IDELAY_VALUE设定的延迟后,通过 DATAOUT端口传回FPGA内部逻辑。DATAIN可在本地反相,但该端口的数据无法驱动至IOB(输入输出缓冲器);
DATAOUT:DATAOUT为两个数据源输入端口(IDATAIN、DATAIN)的延迟后数据输出端。DATAOUT既可驱动至ILOGICE2/ISERDESE2模块,也可直接传入FPGA内部逻辑,还可同时驱动至上述两者;
C:IDELAYE2原语的所有控制输入(REGRST、LD、CE和INC)均与时钟输入C同步。当IDELAY配置为VARIABLE、VAR_LOAD、VAR_LOAD_PIPE模式时,该端口必须接入时钟。C端口可在本地反相,且时钟信号必须由全局或区域时钟缓冲器提供。若某I/O bank中同时使用IDELAYE2、ODELAYE2原语,则两者的C端口必须使用同一时钟网络;
LD:在VARIABLE模式下,IDELAY加载端口LD加载由IDELAY_VALUE属性设定的值(IDELAY_VALUE属性的默认值为 0)。若使用默认值,LD端口将作为IDELAY的异步复位端。LD信号为高电平有效信号,且与输入时钟C同步。在VAR_LOAD模式下,IDELAY加载端口LD加载由CNTVALUEIN设定的值,此时CNTVALUEIN[4:0]引脚上的数值将成为新的抽头值。在VAR_LOAD_PIPE模式下,IDELAY加载端口LD加载流水线寄存器中当前的数值,此时流水线寄存器内的数值将成为新的抽头值;
CINVCTRL引脚用于动态切换C引脚(时钟输入)的极性,适用于毛刺不构成问题的应用场景。切换极性时,两个时钟周期内不要使用IDELAY的控制引脚;
CNTVALUEIN引脚用于动态切换可加载的抽头值(即通过该引脚可直接设定IDELAY的延迟抽头数);
CNTVALUEOUT引脚用于反馈已加载的抽头值(即实时输出IDELAY当前使用的延迟抽头数);
LDPIPEEN为高电平时,会将CNTVALUEIN引脚上当前的数值加载至流水线寄存器。
③属性设置
IDELAY_TYPE:当IDELAY_TYPE属性设置为FIXED(固定模式)时,抽头延迟值固定为IDELAY_VALUE属性所设定的抽头数量,该值为预配置值,在器件完成配置后无法更改;当IDELAY_TYPE属性设置为VARIABLE(可变模式)时,将选择可变抽头延迟,通过设置CE=1且INC=1,可增加抽头延迟,通过设置CE=1且INC=0,可减少抽头延迟。增减操作与时钟 C同步;当IDELAY_TYPE属性设置为VAR_LOAD(可变加载模式)或VAR_LOAD_PIPE(可变加载流水线模式)时,可变抽头延迟可被修改并动态加载。
HIGH_PERFORMANCE_MODE:当该属性设置为TRUE时,可降低输出抖动。但需注意,输出抖动的降低会导致IDELAYE2原语的功耗略有增加。
SIGNAL_PATTERN:时钟信号与数据信号具有不同的电特性,因此在IDELAY延迟链中累积的抖动量也不同。通过设置SIGNAL_PATTERN属性,用户可使时序分析器在计算时序时,适当考虑抖动的影响。时钟信号本质上具有周期性,不存在长串连续的1或0;数据信号本质上具有随机性,可能存在长串或短串连续的1或0。
7)IDELAYCTRL
①若已例化IDELAYE2或ODELAYE2原语,则必须同时例化IDELAYCTRL模块。IDELAYCTRL模块会持续校准其所在区域内的各个延迟抽头(IDELAY/ODELAY),以降低PVT变化带来的影响。IDELAYCTRL模块通过用户提供的参考时钟(REFCLK)对IDELAY和ODELAY进行校准。IDELAYCTRL模块存在于每个时钟区域的每个I/O列中。一个IDELAYCTRL模块负责校准其所在时钟区域内的所有IDELAYE2和ODELAYE2模块。

②复位输入引脚RST为高电平有效的异步复位引脚。为确保IDELAY和ODELAY正常工作,需在器件配置完成且REFCLK信号稳定后,对IDELAYCTRL执行复位操作。复位脉冲宽度需满足TIDELAYCTRL_RPW(IDELAYCTRL复位脉冲宽度)的要求。
③参考时钟为IDELAYCTRL提供时间基准,用于校准同一区域内的所有IDELAY和ODELAY模块。该时钟必须由全局时钟缓冲器或水平时钟缓冲器(BUFG或BUFH) 驱动。REFCLK的频率需为IDELAYCTRL_REF(IDELAYCTRL参考频率)±规定的ppm容差(IDELAYCTRL_REF_PRECISION,IDELAYCTRL参考频率精度),以保证IDELAY和ODELAY达到规定的分辨率(TIDELAYRESOLUTION,IDELAY/ODELAY分辨率)。REFCLK可直接由用户提供的信号源或MMCM提供,且必须通过全局时钟缓冲器进行布线。
④就绪信号RDY用于指示特定区域内的IDELAY和ODELAY模块是否已完成校准。若参考时钟REFCLK持续保持高电平或低电平超过一个时钟周期,RDY信号将置低无效。若RDY信号置低,则必须对IDELAYCTRL模块执行复位操作。
c)OLOGIC
1)OLOGIC模块紧邻输入输出缓冲器IOB。OLOGIC是专用同步模块,通过IOB将数据送出FPGA。OLOGIC资源的类型包括OLOGICE2和OLOGICE3。OLOGICE2和OLOGICE3并非可实例化的原语(即无法直接实例化)。在布局布线完成后,它们会包含用户实例化的元件,例如输出触发器(OFD)、输出DDR。
2)OLOGIC由两个主要模块构成:一个用于配置输出数据路径,另一个用于配置三态控制路径。这两个模块共享公共时钟CLK,但拥有不同的使能信号,分别为OCE(输出使能)和TCE(三态使能)。两者均具备异步与同步置位/复位功能(由S/R信号控制),且该功能由独立的SRVAL属性配置。

(持续更新)
