【西门子变频器的理解与调试】
变频器常识
1.1 变频器是一种什么器件?
主要功能是通过改变器件输出频率与电压来改变电动机的频率。随着变频技术的不断发展,现在的一些高性能变频器(如西门子矢量变频器等)不仅能够控制变频器的频率,而且对电动机的转矩控制、远程通讯控制等方面也已非常成熟稳定。即变频器是把电压、频率固定的交流电变成电压、频率可调的交流电的一种电力电子装置。
1.2 变频器对电动机控制的应用特点如下:
1启动与停止的柔性控制
2调速
3转矩控制
4过载保护、参数检测、控制设备精度等
这些特点在工业控制中都起到了非常重要的作用,如今,在工业设备控制的各行各业都能够看到变频器的应用
5节能
1.3 变频的调速原理
n=60fp×(1-s)
式中:n是异步电动机的转速,p电动机的极对数(4极=2对)
f是异步电动机的频率,s是电动机的转差率(同步转速-异步转速)/同步转速
●r/min:电机旋转速度单位,即每分钟旋转次数,也可表示为rpm(如rpm1430)。电机的旋转速度同频率成比例。
●电机的旋转速度取决于电机的极数和频率。电机的极对数一般是固定不变的,所以不适合改变极对数来调节电机的速度。另外,频率是电机供电电源的电信号,所以该值能够在电机的外面调节后再供给电机,这样电机的旋转速度就可以被自由的控制。因此,以控制频率为目的的变频器,是做为电机调速设备的优选设备。
ϕ=Uf
磁通不变,频率和电压都要调
1.4 变频器控制的对象,电动机特性电动机功率/转速/转矩/电流的关系
T=K×ϕm×I×cosφ
(ϕm是主磁通,保持恒定)![]()
P=T×n9550
T=9550×Pn
电动机的电流取决于负载的大小,转矩是由负载决定的,转速越快功率越大
T 是扭矩,单位N·m,P 是输出功率,单位KW, n 是电机转速,单位r/min
当电机的负载变化时,根据公式可以看出,Φm不变,只能是I随着T正比变化。
关键理解说明:
- 转矩的大小只是与电动机电流大小有关,即:转矩大小取决于负载大小;
- 在负载不变(转矩不变)的情况下,电动机的转速越大,功率就越大;
- 电动机的功率大小取决于负载转矩与电动机转速大小
★为什么异步电动机启动电流大?
异步电动机的工作原理和变压器是一样的,都是利用电磁感应原理实现原方和付方的能量转换。变压器的付方电流取决于负载阻抗,而电动机转子电流取决于转子转速与同步速之间的转差。当电动机启动瞬间,转子还没有转动,定子线圈形成的磁场以同步速掠过转子线圈,这时转子回路感应电势和电流达到最大值,相对的定子电流也达到最大值,这就是为什么启动电流很大的道理。
★为什么三相交流异步电动机负载越大电流越大?
∵转差率
S=n1-nn1×100%
其中:n1——交流电动机定子旋转磁场转速 ,N——交流电动机转速
∴当频率和电压一定时,转差与负载有关,当负载增大时,电动机转子转速下降,此时转差增大,转子切割磁力线速度 V 增加(定子旋转磁场转速是不变的),感应电势
E=BLVsinθ![]()
增大,转子电流增大(定子电流同步增大),转矩增大,直到与负载转矩平衡为止。即,负载增大——转差率 S 增大——转子电流 I 增大 ——转动力矩 T 增大直到平衡。
1.5 正弦波PWM脉宽调制的定义

通过改变逆变电路开关器件交替导通的时间,从而改变逆变器输出波形的频率;通过改变每半周内逆变电路开关时间比,即改变脉冲宽度,来改变逆变器输出电压幅值的大小。
1.6 变频器的负载类型
恒转矩负载(V/F):当频率增加时,为了保持相同的磁通水平,必须相应增加电压。例如,若电机的额定频率为50Hz,则对应的额定电压也应设定为额定值。在实际应用中,电压与频率的比值(V/F比)保持恒定,以确保电机可以在不同转速下稳定运行。
负载转矩 T 与转速 n 无关,任何转速下 T 总保持恒定或基本恒定。例如传送带、搅拌机,挤压机等摩擦类负载以及吊车、提升机等位能负载都属于恒转矩负载。
变频器拖动恒转矩性质的负载时,低速下的转矩要足够大,并且有足够的过载能力。如果需要在低速下稳速运行,应该考虑标准异步电动机的散热能力,避免电动机的温升过高。因此,选择变频器时,应选择通用型变频器。


恒功率负载(转矩控制):
机床主轴、轧机、造纸机、塑料薄膜生产线中的卷取机、开卷机等要求的转矩,大体与转速成反比,这就是所谓的恒功率负载。(外部负载T在不断变化)因此,选择变频器时,应选择矢量型变频器。
(a) 恒功率负载是指负载转矩的大小与转速大小成反比。
即:由于P=常数T=9550P/N
(b) 功率特性:
由于转矩的大小与转速大小成基本线性反比所以:P=T*n/9550
(c) 图示:

总结:转速越大转矩越小,转速越小转矩越大,功率恒定
2次方律负载(大大节能)
在各种风机、水泵、油泵中,随叶轮的转动,空气或液体在一定的速度范围内所产生的阻力大致与速度n的2次方成正比。随着转速的减小,转矩按转速的2次方减小。这种负载所需的功率与速度的3次方成正比。当所需风量、流量减小时,利用变频器通过调速的方式来调节风量、流量,可以大幅度地节约电能。由于高速时所需功率随转速增长过快,与速度的三次方成正比,所以通常不应使风机、泵类负载超工频运行。
例如:将供电频率由50Hz降为45Hz,则P45/P50=(45/50)的3次方=0.729,即P45=0.729P50(P为电机轴功率);将供电频率由50Hz降为40Hz,则P40/P50=(40/50)的3次方=0.512,即P40=0.512P50(P为电机轴功率)。
水泵和风机消耗功率与转速的三次方成正比。即T=k*n²、P=k n³
P:为水泵和风机消耗功率;
n:为水泵和风机运行时的转速;
K为比例系数。而水泵和风机设计是按工频运行时设计的,但除高速外,大部分时间流量较小,由于采用了变频技术及微机技术有微机控制,因此可以使水泵和风机运行的转速随流量的变化而变化,最终达到节能的目的。实践证明,使用变频设备可使水泵和风机运行平均转速比工频转速降低20%,从而大大降低能耗,节能率可达20%-40%。
采用变频器调速时,可以根据实际工艺需要方便地控制速度。例如:当电机转速为额定转速的80%时,负载功率为额定功率的(80%)的三次方,即50%左右。这样可见,转速下降二成,节能达四成多。同时,可以方便地实现闭环恒压控制,节能效率将进一步提高。使用变频器避免了起动时对电网的冲击,降低设备故障率,消除震动和水锤现象,延长设备使用寿命,同时也降低了对电网的容量要求和无功损耗。
风机启动:电机启动在加速过程中,会吸入大量空气产生阻力,再加上本身叶片的负荷,造成电机负荷过大,容易烧毁,所以,先关闭风门,待完全启动后,叶片的负荷,可以减小了,再一点一点加大风量,让负荷一点一点增加,这样就不会给电机一下过大的负荷。
风机风量的定义为:风速V与风道截面积F的乘积。(其实风速是由压力产生的)
所以:风道截面积减少时,风量就减少,负载就减少,启动时电动机电流就小。其实泵也是一样:管道流量=管道横截面积乘流速(其实流速是由压力产生的)。而流量决定负载大小。

V20西门子变频器
滤波器、电抗器、制动电阻非常重要!
r开头的参数为只读,P开头的参数支持读写


!

V20系统接线图

V20主回路接线图

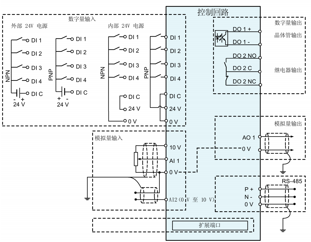
V20控制回路接线图

P0971=21(存储)

通过参数菜单进行快速调试
此方法更为简便,仅需设置有限的电机数据即可完成快速调试。使用此方法无需输入所有电机数据,仅需输入电机额定功率(P0301,单位:kW),然后变频器自动估算并设置剩余电机数据 P0304、P0305、P0307、P0308、P0310 以及 P0311 的值。






BOP

手自动切换
在运行情况下可以点击OK监控参数,如频率、电压、电流、直流母线电压等

