【FPGA+DSP系列】——MATLAB simulink仿真整流电路
【FPGA+DSP系列】——MATLAB simulink仿真整流电路
- 前言
- 一、MATLAB simulink仿真工具
- 二、理论知识学习(单相桥式整流为例)
- 三、MATLAB simulink实验
- 总结
前言
最近结合自己的工作内容以及现有的知识基础制定了自己未来的规划方向,目前需要补充的电力电子技术反向的知识还比较多。由于自己一直学的也是弱电这一方面,也没有画过大功率的电源板,如果接触过电源开发,熟悉一些常见拓扑结构都要好入门很多。硬件和软件我觉得是相辅相成的,写软件代码或者说是算法如果一点硬件都不懂,都不知道怎么驱动这个电路或者找不到问题,所以我觉得理论硬件还是要懂一点的。
还有最近画了一个四层板的板子,都是比较成熟的电路设计,其中采样电路的电压范围比较大,光耦电路、其他就是一些常见的通信电路485/232/can/网口等。除了采样这部分电压高,做好隔离,其他我觉得没有什么难度,就是简单的布局拉线。好了不扯犊子了,画板子的电路会单独写一次分享,都是非常经典成熟的了,交流交流。
一、MATLAB simulink仿真工具
其实在之前我都没有使用过这个仿真工具,MATLAB用过。电路仿真一般都是甩multisim,但是通过调研发现两个软件里面其实都有晶闸管,不过电器类的仿真还是simulink更好用,所以就选择了这个工具=。 =
二、理论知识学习(单相桥式整流为例)
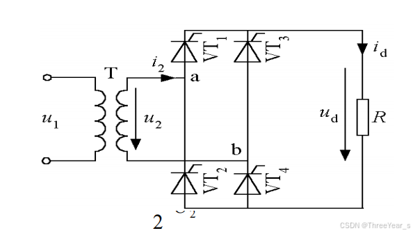
先看电路图 ,交流电过来之后先经过隔离变压器,然后就到了桥式整流电路,在弱电中之前接触比较多的其实就是一个整流桥器件。然后就是接的负载,但是实际工程情况下,负载一般都是阻性感性以及容性融合。本次仿真采用纯阻性负载进行实验。
这里面还有一个理解的问题,我是看到这个之后突然就全理解,后面三相桥式整流会出现Uab Uac这种电压值,一开始不理解是为什么。
整流桥分为上桥臂和下桥臂,其中VT1和VT3是上桥臂,VT2和VT4是下桥臂,同时VT1和VT2是同一个桥,这两个管子一定不能同时导通,如果导通了相当于直接短路,所以只能和另一个桥的下桥臂进行配合。另一对也是类比这样。

工作流程:
U2正半周:走VT1然后到VT4回,形成回路。所以正半周要同时导通VT1和VT4管子。
U2负半周:走VT3然后到VT2回,形成回路,所以负半周要同事导通VT3个VT2管子。
波形图:
触发信号相对于输入交流信号的位置,触发角位置不同,脉冲位置不同。

三、MATLAB simulink实验
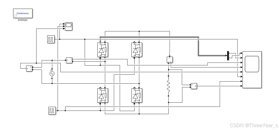
首先按照理论电路图搭建电路,电压表并联观看,电流表需要串联观看,然后加上示波器。

- 核心功率器件:晶闸管(Detailed Thyristor)
图中有 4 个 “Detailed Thyristor”(Detailed Thyristor、Detailed Thyristor1、Detailed Thyristor2、Detailed Thyristor3),构成单相桥式全控整流的 4 个桥臂。
晶闸管是可控整流的核心器件,通过门极(g)的触发脉冲控制导通,实现 “将交流转换为可控直流” 的功能。 - 交流电源:AC Voltage Source
提供单相交流输入电压,是整流电路的能量来源。 - 触发信号源:Pulse Generator、Pulse Generator1
生成晶闸管的门极触发脉冲,需按照 “对角晶闸管同时触发” 的逻辑输出脉冲(如控制 VT₁和 VT₄、VT₂和 VT₃的触发时机),保证电路按规律换相。 - 负载:Series RLC Branch
是由电阻、电感、电容组成的支路,用于模拟实际负载特性(图中主要体现电阻特性,属于电阻性负载场景)。 - 测量与观测器件
Voltage Measurement1、Voltage Measurement:用于测量交流侧电压和直流侧负载电压,便于观测电压波形。
Current Measurement、Current Measurement1:用于测量交流侧电流和负载电流,观测电流特性。
Scope:示波器,用于实时观测电压、电流等波形,验证整流电路的工作状态。 - 仿真配置:powergui
是 Simulink Power System 工具箱的电力系统仿真配置模块,用于设置仿真参数(如仿真类型、步长、求解器等),保证电力电子电路的仿真精度和稳定性。
下面是这个实验中一些器件的参数修改:
AC电压发生器设置:重要的是50Hz

脉冲发生器:作为触发晶闸管的关键器件
里面要修改的就是周期:50Hz的周期就是0.02S。
占空比高电平就选个5就行,10,20都行。
相位延迟就是,相对于50Hz正弦波的相位差,也就是你需要调节触发角的时候就需要计算。
比如触发角30°:(30/360)*0.02=0.001666667

另一个脉冲触发要相对这个延迟180°

然后run就可以了。
示波器波形图:

总结
本文介绍了使用MATLAB Simulink进行单相桥式整流电路仿真的过程。作者结合自身电力电子知识补充需求,详细阐述了整流电路理论,包括晶闸管桥臂工作原理和触发信号设计。通过搭建仿真模型,调整AC电压源、脉冲发生器等关键参数,实现了对整流电路工作状态的模拟与波形观测。实验结果验证了理论分析的正确性,为后续三相整流等复杂电路研究奠定了基础。该仿真方法为电力电子技术学习提供了一种有效的实践途径。
