手机射频阻抗匹配调试方法
一、前言
TX:信号从基带芯片发出,然后经过transceiver将信号调制,再经过PA对信号进行放大,然后经过各个不同band的双工器将上行信号送到Transmit module,在Transmit module中进行开关切换、选择,然后发射出去。
RX:信号从天线进入,经过Transmit module对相应的band进行选择、切换,然后送入双工器对收发信号进行分离,然后送入Transceiver将信号解调,最后送入基带芯片。

FDD 射频链路
左边的虚线框是某手机项目的ID,即频段表。
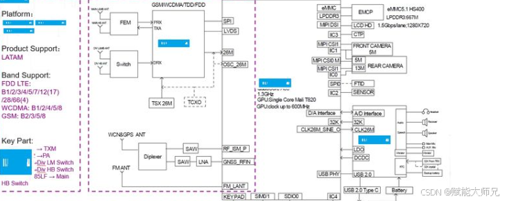
中间的虚线框是射频前端的简单框图,放这个图是为了下面介绍FDD制式的射频匹配调试。

FDD射频电路架构

射频前端的原理图
二、什么是射频阻抗匹配
核心概念:
在射频电路中,我们追求的是最大功率传输和最小信号反射。要实现这一点,需要源端阻抗、传输线特征阻抗和负载阻抗三者相等。
对于手机射频系统:
源端: 通常是射频集成电路(RFIC),如收发器。
负载端: 通常是天线(Antenna)。
传输线: 主板上的微带线,其特征阻抗通常设计为50欧姆。
因此,阻抗匹配的目标就是通过在RFIC和天线之间增加一个无源网络(匹配电路),使得从RFIC看出去的阻抗以及从天线看进去的阻抗都尽可能接近50欧姆。
三、为什么在手机中尤其重要
性能指标:
效率: 阻抗失配会导致部分信号功率被反射回RFIC,而不是辐射出去。这直接降低了天线效率和整机传导功率。
灵敏度: 反射信号会干扰有用信号,增加接收机的噪声,从而劣化接收灵敏度。
线性度: 失配会导致功率放大器(PA)工作在非理想状态,产生失真,影响谐波和邻道泄露指标。
实际挑战:
天线限制: 手机天线体积小,其固有阻抗会随着频率、周围环境(如人手、头部)和结构ID(工业设计)的变化而剧烈变化,很少刚好是50欧姆。
宽带需求: 现代手机需要覆盖从600MHz到6GHz的几十个频段,一个固定的天线很难在所有频段都保持良好匹配,必须依靠匹配电路进行“调谐”。
四、 阻抗匹配调试
矢量网络分析仪(VNA): 这是最重要的工具。
功能:用于测量S参数,特别是S11(回波损耗) 和史密斯圆图(Smith Chart)。
S11:直接反映了有多少功率被反射回来。S11越小(例如-10dB以下),匹配越好。
史密斯圆图:直观显示阻抗点(Z = R + jX),是进行匹配电路设计和调试的“地图”。目标是让阻抗点落在圆图的中心(50欧姆点)。
调试夹具与线缆:
需要低损耗、相位稳定的射频线缆。
必须对测试系统和夹具进行校准(Calibration),将参考面校准到被测件的接口处,消除测试系统本身的影响。
无源元件库:
包含各种封装(如0201, 01005)的电容(Capacitor)、电感(Inductor) 和电阻(Resistor)。
01005封装因其小尺寸,在现代手机中应用广泛。
焊接设备:
热风枪、精密烙铁等,用于在测试板上更换匹配元件。
五、 匹配电路的基本拓扑结构
手机中常用的匹配电路通常是Π型(Pi-type)或T型网络,因为它们可以提供更多的调节自由度。
L型网络: 最基本的结构,由两个元件组成(一个串接,一个并接),可以实现任意阻抗到50欧姆的匹配。是构成更复杂网络的基础。
Π型网络: 两个并联元件(通常是电容)加一个串联元件(通常是电感)。在手机中最为常见,因为它能提供更好的谐波抑制。
T型网络: 两个串联元件加一个并联元件。
匹配电路调好后,还需要进行最终验证:
传导测试: 使用电缆直接连接,测试整机的发射功率/接收灵敏度,确保满足3GPP标准。
无源效率测试: 在微波暗室中测试天线的辐射效率,确保匹配后效率有显著提升。
有源(OTA)测试: 测试整机的TRP(总辐射功率)和TIS(总全向灵敏度),这是最终衡量手机无线性能的指标。
六、二端口微波网络的传输和反射系数

二端口网络的微波示意图





七、公共端调试
公共端指的是在手机的射频电路中,所有的频段的共同通路,所有信号都是经过公共端,传输到天线,然后再耦合发射出去。因此公共端的性能好坏,决定了所有射频频段的性能。而公共端的调试主要目的是将公共端的匹配拉至50Ω,让公共端的差损尽可能小。

调试目的:使得公共端阻抗匹配,高中低频的信号传输的差损尽可能小。
调试方法:调整公共端匹配,利用网络分析仪查看S11和S22的位置,调整S21的差损。
在一个手机射频电路中,有不同的频段(band),因此公共端的调试也要兼容不同的band,让信号都能够以较小的差损来传输。
了解band信息之后,就能通过查询各个band的频率,来得知公共端所需要兼容的频段有哪些。

如上表所示,在调试公共端时,需要兼容所有的频点,但是由于如果调试过程中,带宽过宽则会增加调试难度和精度。因此我们可以将其划分为高中低三个频段,其中:
High band : 2500MHz~2690MHz
Middle band: 1710MHz~2170MHz
Low band: 699MHz~960MHz
因此公共端调试应当创建三个调试频段,每次更换匹配都要check三个频段的差损!要同时达到最优!
查看原理图,找到公共端,然后查看位号图,找到对应的点。
我们要利用网分查看从connector端口到TxM之间的公共端的差损,因此我们需要将靠近天线端的connector(即扣线头)连接到网分的port2端口,作为S22,将公共端输入到TxM的端点连接到网分的port1,作为S11,然后S21即为公共端通路插损,我们的目标就是将S21减小。

焊接cable头,利用网分查看插损,调试匹配。


八、发射端调试

1. 收敛的调试,也就是对双工器的收发公共端的调试。(调大小)
调试目的:为了将一个band内的所有频率能有较好的一致性,不会有太大的差别,并且在调发射的时候,各个频点都落在PA loadpull的统一区域内,使得其性能都能处于较好的位置。
2. 发射端调试,也就是对PA输出端的匹配调试。(调位置)
调试的目的:使得发射功率达标时,ACLR和电流都能达标。


