电力电子技术 第十三章——PWM逆变器
参考教程:https://www.bilibili.com/video/BV1pS4y1g7D9?spm_id_from=333.788.videopod.episodes&vd_source=8f8a7bd7765d52551c498d7eaed8acd5
一、脉宽调制
1、脉宽调制的基本原理
(1)等面积原理:当输入信号具有相同的面积和持续时间时,响应往往相同。
(2)应用等面积原理,可以使用一系列占空比不同的脉冲来表示半正弦波,如下图所示。

(3)单极PWM调制与双极PWM调制:
①基于前面半正弦波的调制,还可以使用一系列占空比不同的“负”脉冲来表示半正弦波,两两组合,就是单极的PWM调制。

②基于前面半正弦波的等效,还可以使用一系列占空比不同的脉冲来表示正弦波,这就是双极的PWM调制,一般双极的PWM调制更常用。

(4)直流PWM调制与交流PWM调制:
①直流PWM调制:受调制的电流为直流量,设定一个子周期和PWM输出信号周期,每个子周期内按不同占空比“切割”直流量,即可实现直流PWM调制。

②交流PWM调制:受调制的电流为交流量,设定一个子周期和PWM输出信号周期,每个子周期内按不同占空比“切割”交流量,即可实现交流PWM调制。

2、PWM波的调制
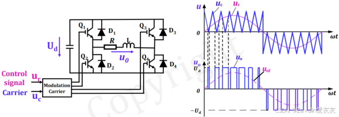
(1)使用单相全桥电压型逆变器实现双极PWM调制的电路图如下,其中为期望获得的输出电压,
为输入控制器的控制信号。


![]()
(2)使用单相全桥电压型逆变器实现单极PWM调制的电路图如下,其中为期望获得的输出电压,
为输入控制器的控制信号。




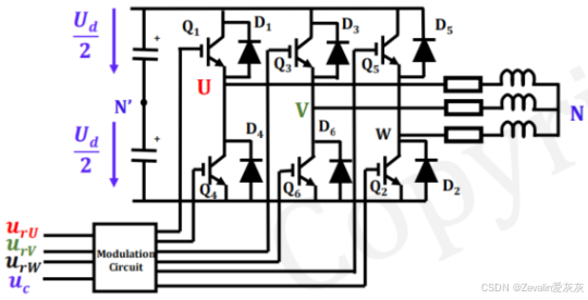
(3)使用三相电压型逆变器实现PWM调制的电路图如下,它的控制方式和单相逆变器是类似的,可以参考使用单相全桥电压型逆变器实现单极PWM调制的改善控制方式,控制U、V、W三点的电压,进而控制相电压。


二、特定谐波消除
1、特定谐波消除脉宽调制(SHEPWM)
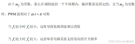
(1)假定在半个周期内,输出电压产生3次跳变,那么可以定义3个参数,为第1次跳变开始距离周期开始的相位差,
为第1次跳变结束距离周期开始的相位差,
为第2次跳变开始距离周期开始的相位差,有了这3个参数,输出电压的波形也就确定了。

(2)傅里叶级数展开输出电压:
继续分析上述举例,根据PWM波的对称性,不难得出
![]()

满足以上两个条件,那么级数中的偶次谐波和谐波中的近似项都可以直接消除

(3)谐波消除方式:

2、异步调制(ASM)与同步调制(SM)
(1)异步调制:

(2)同步调制:


(3)分段同步调制:

3、三角波均匀采样
在前面介绍调制时,曾不断强调控制信号与期望的调制波进行比较,理论上这个比较无时无刻都需要进行,但这无疑会大量消耗控制器的算力,对此控制芯片一般会采取三角波均匀采样的方案,当控制信号的三角波达到峰值时,控制芯片将估算出控制三角波信号与期望调制波的交汇点距离当前时刻的时间,以此为依据进行PWM调制

