【数字逻辑】 60进制数字秒表设计实战:用74HC161搭计数器+共阴极数码管显示(附完整接线图)
60进制数字秒表设计实战:用74HC161搭计数器+共阴极数码管显示(附完整接线图+)
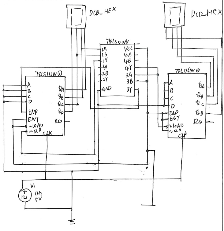
第一次做数字秒表实验时,我对着一堆芯片手足无措:60进制怎么拆成两个计数器?74HC161的清零和置数端到底怎么接?数码管接上去要么只亮一半,要么数字乱跳。后来才发现,核心是“把60进制拆成10进制(个位0-9)+6进制(十位0-5),用74HC161分别实现,再通过译码器驱动数码管”。今天帮你轻松搞定秒表设计。
一、实验先拆任务:60进制秒表=10进制个位+6进制十位+数码管显示
秒表要显示00-59循环,核心是“分两段计数”,再把计数结果用数码管亮出来。先明确各部分功能和器件:
| 模块 | 功能 | 核心器件 |
|---|---|---|
| 10进制个位 | 计数0-9,满9进1 | 74HC161(4位同步计数器)+74HC00(与非门) |
| 6进制十位 | 计数0-5,满5进1(到5后回0) | 74HC161+74HC00 |
| 数码管显示 | 把计数器的二进制输出转成数字(0-9、0-5) | 共阴极数码管+74HC4511(BCD-七段译码器) |
| 时钟输入 | 提供秒脉冲(1Hz) | 函数发生器或555定时器 |
74HC161

74HC00

二、核心设计1:用74HC161做10进制个位计数器(0-9,满9进1)
74HC161默认是16进制(0-15),要改成10进制,最常用“异步清零法”——计数到10(二进制1010)时,触发清零端,让计数器回0。
1. 原理:找到10对应的二进制,设计清零逻辑
- 10进制计数范围:0-9(二进制
0000-1001); - 当计数到10(
1010)时,需要让74HC161的异步清零端CR(引脚1)变低电平,瞬间清零; - 74HC161的
CR是低电平有效,所以用与非门实现:当Q3=1(8)、Q1=1(2)时,Q3·Q1=1,与非后输出0,触发清零。

2. 接线步骤(个位计数器U1)
- 电源与使能:VCC(引脚16)接5V,GND(引脚8)接GND;
CEP(引脚7)、CET(引脚10)接VCC(高电平使能计数); - 清零逻辑:用74HC00(2输入与非门),一个与非门的两个输入分别接U1的
Q3(引脚15)、Q1(引脚13),与非门输出接U1的CR(引脚1); - 时钟与进位:
CLK(引脚2)接1Hz秒脉冲(函数发生器输出);TC(进位端,引脚11)接十位计数器的CEP和CET(个位满9时,TC输出1,触发十位计数); - 输出:U1的
Q3-Q0(引脚15-12)接BCD-七段译码器74HC4511的D-C-B-A(准备驱动个位数码管)。
3. 功能验证
- 给1Hz时钟:U1的
Q3-Q0从0000→1001循环,到1010时立即清零回0000,TC端在1001时输出1(触发十位计数),说明10进制个位正常。
三、核心设计2:用74HC161做6进制十位计数器(0-5,满5进1)
十位要计数0-5,用“同步置数法”更精准(异步清零可能有毛刺,同步置数在时钟边沿触发,更稳定)——计数到5(二进制0101)时,触发置数端,让计数器置回0。
1. 原理:找到5对应的二进制,设计置数逻辑
- 6进制计数范围:0-5(二进制
0000-0101); - 74HC161的
LOAD(同步置数端,引脚9)是低电平有效,当计数到5(0101)时,让LOAD=0,下一个时钟边沿置数为0000; - 置数数据端
D3-D0(引脚14-11)接0000(置数回0); - 用与非门检测
0101:当Q2=1(4)、Q0=1(1)时,Q2·Q0=1,与非后输出0,触发LOAD。

2. 接线步骤(十位计数器U2)
- 电源与使能:VCC接5V,GND接GND;
CEP、CET接个位U1的TC端(只有个位满9时,十位才允许计数); - 置数逻辑:74HC00与非门输入接U2的
Q2(引脚14)、Q0(引脚12),与非门输出接U2的LOAD(引脚9); - 置数数据:U2的
D3-D0(引脚14-11)全接GND(置数为0000); - 输出:U2的
Q3-Q0接另一个74HC4511的D-C-B-A(驱动十位数码管)。
3. 功能验证
- 个位满9时(U1的
TC=1):U2的Q3-Q0从0000→0101循环,到0101时,下一个时钟边沿置数回0000,说明6进制十位正常。
四、核心设计3:共阴极数码管显示(把二进制转成数字)
共阴极数码管的特点是“段选接高电平点亮,位选接低电平选中”,需要用BCD-七段译码器74HC4511把74HC161的4位二进制(BCD码)转成数码管的7段段选信号(a-g)。
1. 74HC4511与数码管接线(以个位为例)
- 74HC4511电源:VCC(引脚16)接5V,GND(引脚8)接GND;
LT(灯测试,引脚4)接VCC,BI(消隐,引脚5)接VCC(正常显示); - BCD输入:74HC4511的
D-C-B-A(引脚15-12)接个位U1的Q3-Q0; - 段选输出:74HC4511的
a-g(引脚1-7)接共阴极数码管的a-g引脚; - 位选控制:个位数码管的位选引脚接GND(选中个位),十位数码管的位选引脚接GND(同时显示,若要动态显示需加三极管,新手先静态显示)。
2. 数码管点亮验证
- 当U1的
Q3-Q0=0000时,数码管显示“0”;Q3-Q0=1001时显示“9”;U2的Q3-Q0=0101时显示“5”,说明显示正常。
五、整体接线与实验验证(从秒脉冲到数码显示)
1. 整体接线框图
1Hz秒脉冲 → 个位U1(74HC161,10进制)→ U1的TC → 十位U2(74HC161,6进制)↓ ↓74HC4511(个位) 74HC4511(十位)↓ ↓共阴极数码管(个位) 共阴极数码管(十位)

2. 功能验证步骤
- 给1Hz时钟信号,观察数码管显示:
- 从“00”开始,每秒加1,到“09”后跳“10”,到“59”后跳“00”;
- 用示波器观察U1和U2的
Q3-Q0波形:- 个位波形每10秒循环一次,十位波形每60秒循环一次,符合60进制秒表逻辑。
六、新手必避3个坑
- 74HC161使能端忘接高电平:
CEP和CET必须接VCC(或个位TC),否则计数器不计数,数码管一直显示“00”; - 数码管位选接反:个位数码管位选接成十位,十位接成个位,会导致“01”显示成“10”,要注意区分两个数码管的位置;
- 置数/清零的逻辑门接错引脚:10进制清零是
Q3+Q1(1010),别接成Q3+Q0(1001);6进制置数是Q2+Q0(0101),别接成Q3+Q1(1010),否则计数范围错。
