电力电子技术 第四章——半导体功率器件
参考教程:https://www.bilibili.com/video/BV1pS4y1g7D9?spm_id_from=333.788.videopod.episodes&vd_source=8f8a7bd7765d52551c498d7eaed8acd5
一、开关的运行象限
1、单级单掷开关(SPST)
(1)在前三章的介绍中,几乎所有的电路都采用了单刀双掷开关,但在设计电路时,往往需要将其转换为单级单掷开关,然后分析开关的运行象限,以选取对应的半导体功率器件进行替代。下图所示的是Buck电路使用单级单掷开关替换单刀双掷开关的结果。

(2)对于一个单级开关,其电压和电流的极性是已定义的,其导通状态可能取决于施加的电压或电流,不过需要说明的是,这里的开关指的是理想开关,也就是说,当开关存在非零电压或非零电流时,相应地其电流或电压为零,一般认为开关接合时(可能)有电流且无电压,开关断开时无电流且(可能)有电压。

(3)单刀双掷开关有两种不同的状态(也可认为有三种,第三种即为悬空,不连接位置1和位置2,但一般不讨论),而将其转换为两个单级单掷开关后,它们经过排列组合可以有四种不同的状态。
2、SPST的运行象限及分类
(1)开关运行象限根据电流和电压的极性划分,根据运行象限的不同,可以将SPST分为如下四类:
①单象限开关:只工作在某一个象限,电流为某一极性时导通,电压为某一极性时关断。

②双象限开关(电流双向):只工作在两个相邻的象限,其中开关导通时电流可为任意极性,开关关断时电压为某一极性。

③双象限开关(电压双向):只工作在两个相邻的象限,电流为某一极性时导通,反之关断,开关关断时电压为任意极性。

④四象限开关:可在所有象限下工作。

(2)根据控制方式,可以将SPST分为如下三类:
①有源开关:开关状态完全由第三个端子(控制端)控制。
②被动开关:开关状态由端子0和1处施加施加的电流和/或电压控制。
③SCR:一种特殊的开关,开关导通的过程是主动的,开关关断的过程是被动的。

(3)通过不同类型的开关组合,可以实现开关运行象限的扩展。
3、功率器件的运行象限
(1)二极管的运行象限:
①二极管属于单象限被动开关,可以导通正向导通电流,可以阻断负向的关断状态电压,如果预期的开关导通和关断工作点位于二极管的伏安特性上,那么开关可以用二极管实现。

②对二极管电流和电压方向的定义不同,那么二极管的运行象限也随之不同,如下图所示。

(2)BJT和IGBT的运行象限:
①BJT和IGBT都是由终端(设为G)控制的单象限有源开关,可以导通正向导通电流,可以阻断正向的关断状态电压,如果预期的开关导通和关断工作点位于晶体管的伏安特性上,那么开关可以用BJT或IGBT实现。

②对BJT/IGBT电流和电压方向的定义不同,那么BJT/IGBT的运行象限也随之不同。
(3)MOSFET的运行象限:
①MOSFET是由终端(设为G)控制的有源开关,可以导通正向导通电流,在某些情况下也可以导通负向电流,可以阻断正向的关断状态电压,如果预期的开关导通和关断工作点位于MOSFET的伏安特性上,那么开关可以用MOSFET实现。

②对MOSFET电流和电压方向的定义不同,那么MOSFET的运行象限也随之不同。
4、开关实现使用的元件选择
(1)为了确定电路中的开关使用何种元件进行实现,首先需要将所有开关拆解为单级单掷开关,明确定义开关电流和电压的方向,分析其运行象限,选择合适的功率器件进行替代即可。
(2)下图以Buck电路为例进行分析,当然,实际应用中往往不需要按照此流程分析,只需要记住哪种情况对应应使用哪种元件,然后进行验证即可。

5、双/四象限开关的构建
(1)前面提过,通过不同类型的开关组合,可以实现开关运行象限的扩展,也就是说,两个单象限开关组合在一起,可以实现一个双象限开关。
(2)电流双向的双象限开关构建:
①二极管与BJT组合,当电流为正向时,BJT导通、二极管截止,当电流为负向时,BJT截止、二极管导通,将两个元件按照这样的方向并联,即可形成一个电流双向的双象限开关。

②如果预期的开关导通和关断工作点位于本例的开关的伏安特性上,那么开关可以用本例的开关实现。下图所示的是双向电池充电器/放电器的电路图。

(3)电压双向的双象限开关构建:
①二极管与BJT组合,当电流为正向时,BJT、二极管导通,此时电压为零,当电压为非零时,BJT和二极管至少一个截止,将两个元件按照这样的方向串联,即可形成一个电压双向的双象限开关。

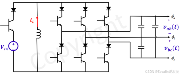
②如果预期的开关导通和关断工作点位于本例的开关的伏安特性上,那么开关可以用本例的开关实现。下图所示的是直流三相升压/降压逆变器的电路图。

(4)通过以上两个例子,可以简单概括一下,开关并联可以增加电流通过的可能,开关串联可以使开关关断时的电压受限程度更小。
(5)基于阶段性的概括,可以继续构建四象限开关:
①四象限开关通常由一个端子C控制导通和关断,有如下几种构建方式,可以看出四象限开关使用的功率器件肉眼可见得多,这也意味着成本高、损耗高,相比于其它开关,四象限开关在实际中应用较少。

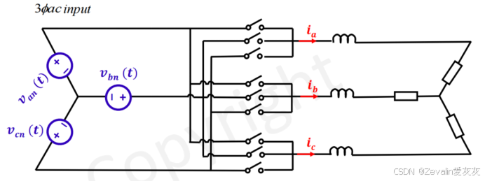
②下图所示的是三相转换矩阵的电路图,因为是交流电到交流电的变换,所以必须使用四象限开关,图中的单级单掷开关需要用若干四象限功率器件组合进行替代。

二、半导体功率器件介绍
1、Diode(二极管)
(1)常见的二极管封装:

(2)P型半导体和N型半导体:
①在本征半导体中掺入某些微量元素作为杂质,可使半导体的导电性发生显著变化,掺入的杂质主要是三价或五价元素。掺入杂质的本征半导体称为杂质半导体。

②N型半导体:
因五价杂质原子(如磷)中只有四个价电子能与周围四个半导体原子中的价电子形成共价键,而多余的一个价电子因无共价键束缚而很容易形成自由电子

在N型半导体中,自由电子是多数载流子,主要由杂质原子提供;空穴是少数载流子,由热激发形成
提供自由电子的五价杂质原子因带正电荷而成为正离子,因此五价杂质原子也称为施主杂质
③P型半导体:
因三价杂质原子(如硼)在与硅原子形成共价键时,缺少一个价电子而在共价键中留下一个空穴

在P型半导体中,空穴是多数载流子,主要由掺杂形成;自由电子是少数载流子,由热激发形成
空穴很容易俘获电子,使杂质原子成为负离子,因此三价杂质也称为受主杂质
(3)PN结功率二极管:
①PN结的形成:
[1]载流子的漂移和扩散:
漂移:由于热能的激发,半导体内的载流子将作随机的无定向移动,载流子在任意方向的平均速度为零,若有电场加到晶体上,则内部载流子将受力做定向移动,对于空穴而言,其移动方向与电场方向相同,而电子则是逆着电场的方向移动

扩散:在半导体内,由于制造工艺和运行机制等原因,致使某一特定的区域内,其空穴或电子的浓度高于正常值,基于载流子的浓度差异和随机热运动速度,载流子由高浓度区域向低浓度的区域扩散,从而形成扩散电流;如果没有外来的超量载流子的注入或电场作用,晶体内的载流子浓度趋向于均匀直至扩散电流为零

[2]PN结的形成过程:
在半导体两个不同的区域分别掺入三价和五价杂质元素,便形成P型区和N型区,这样,在它们的交界处就出现了电子和空穴的浓度差异,N型区内电子浓度很高,而P型区内空穴浓度很高
电子和空穴都要从浓度高的区域向浓度低的区域扩散,即有一些电子要从N型区向P型区扩散,也有一些空穴要从P型区向N型区扩散,它们扩散的结果就使P区和N区的交界处原来呈现的电中性被破坏了。
P区一边失去空穴,留下了带负电的杂质离子;N区一边失去电子,留下了带正电的杂质离子
半导体中的离子虽然也带电,但由于物质结构的关系,它们不能任意移动,因此并不参与导电,这些不能移动的带电粒子集中在P区和N区交界面附近,形成了一个很薄的空间电荷区,这就是所谓的PN结
在这个区域内,多数载流子已扩散到对方并复合掉了,或者说消耗尽了,因此空间电荷区有时又称为耗尽区(或者势垒区),它的电阻率很高(扩散越强,空间电荷区越宽)
在出现了空间电荷区以后,由于正负离子之间的相互作用,在空间电荷区中就形成了一个电场,其方向是从带正电的N区指向带负电的P区
由于这个电场是在 PN结区内部形成的,而不是外加电压形成的,故称为内电场,显然,这个内电场的方向是阻止载流子扩散运动的
另一方面,根据电场的方向和电子、空穴的带电极性还可以看出,这个内电场将使N区的少数载流子空穴向P区漂移,使P区的少数载流子电子向N区漂移,漂移运动的方向正好与扩散运动的方向相反
从N区漂移到P区的空穴补充了原来交界面上P区失去的空穴,而从P区漂移到区的电子补充了原来交界面上N区所失去的电子,这就使空间电荷减少,因此,漂移运动的结果是使空间电荷区变窄,其作用正好与扩散运动相反
由此可见,扩散运动和漂移运动是互相联系又互相对立的,扩散使空间电荷区加宽,电场增强,对多数载流子扩散的阻力增大,但使少数载流子的漂移增强;而漂移使空间电荷区变窄,电场减弱,又使扩散容易进行
当漂移运动和扩散运动相等时,空间电荷区便处于动态平衡状态
②PN结的单向导电性:
[1]当外加电压使PN结中P区的电位高于N区的电位,称为加正向电压,简称正偏;反之称为加反向电压,简称反偏。
[2]PN结加正向电压时:

[3]PN结加反向电压时:

[4]PN结加正向电压时,呈现低电阻,具有较大的正向扩散电流;PN结加反向电压时,呈现高电阻,具有很小的反向漂移电流,由此可以得出结论——PN结具有单向导电性。
[5]PN结伏安特性如下所示,其中为反向饱和电流,
为温度的电压常量。

③PN结的反向击穿:
[1]当PN结的反向电压增加到一定数值时,反向电流突然快速增加,此现象称为PN结的反向击穿。
[2]PN结的反向击穿又分为雪崩击穿、齐纳击穿和热击穿,其中雪崩击穿、齐纳击穿统称为电击穿,是可逆的,而热击穿是不可逆的。

④总结单向导电性和反向击穿的伏安特性,可以得到PN结功率二极管的伏安特性,如下图所示,其中为反向击穿电压,
为正向导通电压。

(4)典型二极管开关波形:
①理想情况下,一般希望二极管导通时能保持恒定的电流,两端的电压为零,而二极管关断时能保持电流为0,两端的电压为一个绝对值小于反向击穿电压的电压
,然而在实际应用中,二极管开关状态的切换过程往往具有损耗。

②实际的PN结功率二极管开关波形如下图所示。
当二极管状态稳定时,电流和电压的表现是趋于理想的,只有导通压降没法消除
当二极管由关断切换为导通时,存在“电导调制效应”,为了使二极管能够承受更大的正向电流,P区的空穴将向N区扩散,这个过程会导致二极管的电压产生尖峰,突出的电压与二极管电路做积分,就是二极管开通时的损耗
当二极管由导通切换为关断时,存在“结电容充电效应”,为了降低二极管的电导率,P区的空穴从N区中注回,多数载流子被拉出而远离PN结,“势垒区”将增宽,这个过程相当于给二极管的结电容充电,充电的能量就是二极管关断时的损耗;“势垒区”的变化意味着区内存储的正、负离子电荷数的增减,类似于平行板电容器两极板上电荷的变化,此时PN结呈现出的电容效应称为势垒电容
二极管的开关损耗主要集中在导通切换为关断的时间段,当开关周期较长时,这个损耗可以忽略不计,但开关周期较短时,关断损耗引起的电流波动和电压缓动耗时较长,这可能会严重影响开关特性

(5)肖基特二极管:
①肖特基二极管是利用金属(如金属铝、金、钼、镍和钛等)与N型半导体接触在交界面形成势垒的二极管,因此肖特基二极管也称为金属-半导体结二极管或表面势垒二极管。
②肖特基二极管的伏安特性和普通PN结非常类似,但与一般二极管相比,肖特基二极管有两个重要差别:
[1]由于制作原理不同,肖特基二极管是一种多数载流子导电器件,不存在少数载流子在PN结附近积累和消散的过程,所以电容效应非常小,工作速度非常快,特别适合于高频或开关状态应用。
[2]由于肖特基二极管的耗尽区只存在于N型半导体一侧(金属是良好导体,势垒区全部落在半导体一侧),相对较薄,故其正向导通门坎电压和正向压降都比PN结二极管低(约低0.2 V)。

③肖基特二极管与PN结功率二极管的的伏安特性对比如下图所示,很显然,肖基特二极管更倾向于使用在低电压场景。

(6)二极管的损耗建模分析:





2、MOSFET(金属–氧化物–半导体晶体管)
(1)常见的MOSFET管封装:

(2)功率MOSFET管的结构如下图所示,N沟道和P沟道的结构不同但类似,下图所示的是N沟道的MOSFET管,其中Source为源极,Drain为漏极,Gate为门极(栅极)。

(3)功率MOSFET管的关断与导通(以N沟道管为例):
①关断状态:
在漏极电压高于源极时,电流无法通过MOSFET管的PN结(如下图所示的等效二极管),电压将加注在耗尽层(层)中,耗尽层的厚度越大,MOSFET管承受反向偏压的能力越强

②导通状态:
在门极施加正向电压,由于门极与P区之间间隔一个绝缘层,则在P区将产生电子导电沟道(原本P区中空穴居多),耗尽层中的电子将通过沟道流向N区再流向源极,从而实现电流从源极流向漏极,当然,这里没有强调源极和漏极的电压方向,也就是说电子的流向其实是双向的,电流也能从漏极流向源极
导通电阻等于N区等效电阻、导电通道等效电阻、源极和漏极接触点等效电阻及其它非理想环节等效电阻之和

(4)功率MOSFET管的体二极管(以N沟道管为例):
在N沟道管的结构中,P区和层之间构成一个PN结,也就是存在一个等效的体二极管,这个二极管与电子导电沟道是并联的,当源极被施加负向电压(或者说源极的电势低于漏极)时,如果门极未及时施加正向电压,电流也能从体二极管中流过

(5)功率MOSFET管的伏安特性(以N沟道管为例)如下图所示,当MOSFET管工作在贴合电流轴的阴影区中时状态为导通,当MOSFET管工作在贴合电压轴的阴影区中时状态为关断。

(6)功率MOSFET管的损耗建模分析(以N沟道管为例):
①实际功率MOSFET管的等效电路如下图所示,其中


②损耗计算(以功率表征):

(7)功率MOSFET管的门极驱动举例:
下图所示的是一个很常见的半桥电路,上下两个MOSFET管的开通和关断是交叉互补且不重叠的,也即始终一个管开通、一个管关断,以使电路产生一个脉冲信号


3、BJT(三极管)
(1)常见的BJT封装:

(2)BJT的结构简介:
①半导体三极管(Bipolar Junction Transistor: BJT)是指通过一定的工艺,将两个PN结结合在一起的器件。
②两种类型BJT的结构示意图如下所示。BJT结构上的特点是基区很薄、掺杂浓度很低,发射区比集电区的掺杂浓度高,集电区的面积比发射区大。

③更多关于BJT的介绍,可以在《模拟电路》课程中获取,此处不再过多赘述,但需要说明的是,《模拟电路》课程更倾向于介绍BJT的放大功能。
(3)BJT的开关时间改善:
①BJT由两个PN结构成,其开关状态的切换时间非常不理想,究其原因,它涉及载流子的抽离和注入,需要对此进行改进。

②为了改善开关时间,可以在希望开通时注入较大的基极正向电流,以使BJT快速开通,稳定后基极电流保证能够控制BJT开通即可,接着在希望关断时注入较大的基极反向电流,以使BJT快速关断,稳定后基极电流置零即可,不过这也仅仅是理想方案,在实际中若要产生这种电流波形,控制电路会相当复杂。

(4)BJT的伏安特性(以NPN型为例)如下图所示,当BJT工作在饱和区(贴合电流轴部分)中时状态为导通,当BJT工作在截止区(贴合电压轴部分)中时状态为关断。

(5)达林顿管:
①达林顿管由两个三极管和一个二极管构成。
②Q2管的基极电流大小决定了Q2管具有的电流通断能力,当Q2管需要负担大电流时,Q2管的基极电流,对此可以在Q2管前增加Q1管,Q1管负责对控制信号进行一次放大。
③有了Q1管放大控制信号,Q2管的开通会变得顺利,然而,Q2管关断时,Q2管的存储电荷需要抽离,若只有Q1管负担这个抽离过程,那么关断时间会很长(因为Q1的发射极也是一个PN结,显然正向导通能力强的同时,反向的导通能力就会非常弱),对此再引入了二极管D1,在Q2关断时,抽离所产生的电流可通过D1回流,从而加速Q2的关断。

4、IGBT(绝缘栅双极性晶体管)
(1)IGBT的结构如下图所示,N沟道和P沟道的结构不同但类似,下图所示的是N沟道的IGBT。
①IGBT是一个四层器件,其结构与MOSFET管类似,不同的是MOSFET管的源极对应IGBT的发射极,MOSFET管的漏极对应IGBT的集电极,而IGBT的特性又与BJT类似,BJT的基极对应IGBT的门极。
②导通状态下,IGBT的少数载流子被注入到N区,引发电导调制效应,以增强导电性。

(2)IGBT与MOSFET相比,其开关时间更慢,导通电阻更低,在高电压的情景下有很高的应用价值。
(3)IGBT的等效电路(以N沟道管为例):
①IGBT由门极电压驱动,门极注入正向电压时会产生电子沟道,这一点和N沟道MOSFET管类似,所以可将其等效为N沟道MOSFET管。
②P区和区三层紧邻,相当于PNP结构,因此可将其等效为PNP型的BJT,或者说,可以将其等效为受MOSFET管控制的BJT,这样,在控制BJT时,原本只能用电流信号直接控制其关断,现在可以用电压信号通过控制MOSFET管间接控制BJT的关断。

(4)IGBT的电流拖尾效应:
当通过MOSFET控制BJT关断时,BJT存储的电荷需要被快速地抽离,然而BJT的电流不是直接被控的,没办法使其马上关断,电荷抽离只能依靠自然流失,因此会存在一个电流拖尾效应,而这也是IGBT开关损耗的主要来源

5、晶闸管(Thyristor)
(1)晶闸管的开关特性:
①晶闸管同样具有门极,当门极电压为负时,晶闸管不导通,如果超过一定阈值还会造成永久性损坏,当门极电压
为正并高于一个阈值时,晶闸管才会导通,并且导通电阻极低,导通以后正向压降会很快下降。
②当晶闸管导通时,如果门极电压置零,晶闸管依旧是导通的,也就是说,它是一个无法主动关断的器件,只有待晶闸管两端电压呈反偏时,晶闸管才能够关断。

(2)晶闸管的结构图:

(3)晶闸管的等效电路:

