当前位置: 首页 > news >正文

ZYNQ裸机开发指南笔记

PL只是PS的一个外设,PL可以认为是FPGA。


GPIO连接一些通用的设备:按键,蜂鸣器,LED灯等 

GPIO是一个外设,用来对器件引脚作观测(INPUT)和控制(OUTPUT),中断功能

MIO:多路复用,引脚不够用可以先连接MIO(UART,SPI等)。将来自PS外设和静态存储器接口的访问多路复用到PS的引脚上

EMIO:是拓展MI,连接到PL的(连接PL的模块或者使用PL的引脚)

软件通过这一组存储映射的寄存器来控制GPIO(

        

需要注意:MIO也有两个BANK;


LED实验


EMIO设计(用到了PL端口)


GPIO中断


AXI GPIO

是一个软核,而GPIO是确实存在的硬核

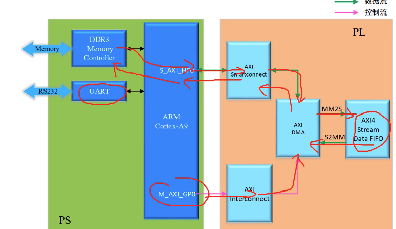
AXI 是连接PS和PL之间的桥梁

自定义IP核

ZYNQ程序固化

JTAG 一旦断电就丢失数据;

SD/QSPI 这种非易失性存储器就派上用场。(包含FSBL头用于引导配置)

硬复位在复位之后会读取引脚的状态;而软复位并不会(可能还会有些保留模式);

固化关键就是要准备好3个文件:FSBL,比特流,裸机应用程序。

利用UART可以打印出:“hello_world!”

 

SD卡


eMMC 

双核通信

基于BRAM的PL和PS数据交互

7010的BRAM资源是2.1MB; 7020的BRAM则是4.9MB;

ECC:纠错功能按钮

AXI 接口

其中,AXI4_Stream不属于寄存器映射,只是数据流通信


AXI DMA

 

 

HP接口可用于传输大量数据;GP接口用于传输少量数据;

smartconnect接口比interconnect接口更高效;


IP核封装和接口定义

包含IP核封装   和   自定义接口用于封装

关键在于:查看文档与开发手册一步步编写,不难的!!!!!!

注:学习自正点原子逻辑开发

http://www.dtcms.com/a/483400.html

相关文章:

  • Starlake:一款免费开源的ETL数据管道工具
  • 线性代数 | 要义 / 本质 (上篇)
  • 求网站建设和网页设计的电子书自己怎么给网站做优化
  • DM常用命令
  • 有趣的网站代码短视频运营公司网站建设
  • 网站模板二次开发网站怎么投放广告
  • Symmetric functions and hall polynomials 1.1 总结
  • 学好网页设计与网站建设的意义北京的软件公司
  • TCP三次握手与四次挥手详解
  • C++智能指针解析
  • Java 大视界 -- Java 大数据中的时间序列预测算法在金融市场波动预测中的应用与优化
  • 如何看网站关键词用discuz做的手机网站
  • 使用spring-ai时遇到的一些问题
  • 基于 recorder-core 的实时音频流与声纹识别技术实践
  • 成都没有做网站的公司详谈电商网站建设四大流程
  • 找平面设计师网站网页传奇游戏下载
  • C语言--复杂数据类型
  • 如何用“内容+AI”组合拳赋能导购,实现品牌高效增长?
  • 扁平化网站设计趋势wordpress可视化编辑器 windows
  • 网站数据维护滨州网站建设公司报价
  • C++ 之 串口通讯封装类
  • WHAT - 前端性能指标(网络相关指标)
  • 阿里云服务器怎么建网站常德市网络科技有限公司
  • 工程记录:使用tello edu无人机进行计算机视觉工作(手势识别,yolo3搭载)
  • 河北seo网站设计网站视频放优酷里面怎么做
  • 频偏估计方法--快速傅里叶变换(FFT)估计法
  • Flutter---Container
  • 揭阳专业做网站公司深圳做网站价格
  • 整站优化 快速排名学做网站要学什么
  • 在 MSYS2(MINGW64)中安装 Python 和 pip 完全指南