当前位置: 首页 > news >正文

Serdes专题(3)Lattice Serdes架构

在这里插入图片描述

文章目录

  • 1. serdes架构概述
  • 2.详解PCS内部结构
  • 3.与xilinx的不同
  • 4.传送门

1. serdes架构概述

如图是LatticeECP3-150的框图,图中显示bank、PLL、CONFIG、JTAG等必要部件,它有四个SerdesQuad。LatticeECP3-17只有一个SerdesQuad。每个quad是serdes最小独立单元,需要自己的参考时钟,可通过封装引脚连接到外部时钟源或连接到FPGA内部逻辑的时钟源。器件上的每个quad支持多达4个全双工数据通道,quad 包含 4 个通道,每个通道都有 RX 和 TX 电路,以及一个包含 TX PLL 的辅助通道。根据不同应用,可以使用一个quad内的一至四个PCS通道,例如可以在同一个quad中使用 PCI Express x1@2.5Gbps和千兆以太网通道,也可以在第三个通道上自定义操作字对齐等,lattice保存了这样的灵活性,并且PCS IP核会根据不同的用户设置给出符合标准的接口信号。正是基于此LatticeECP3成为桥接不同标准的理想器件。150 Mbps至 3.2 Gbps用于通用8b10b,10位SERDES和8位SERDES模式。
在这里插入图片描述

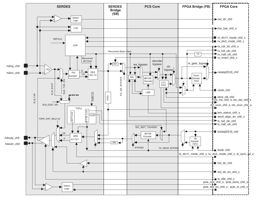
2.详解PCS内部结构

如图是LatticeECP3 Serdes的内部结构,它被分成了四个部分分别是Serdes、Serdes Bridge、PCS Core、Fpga Bridge。每个部分包含不同的部件。这里按照数据流方向做说明。首先,hdin信号输入之后可以直接输出差分转单端之后的信号到FPGA内部模块,同时输入信号一路进入到信号丢失检测器上,信号丢失阈值由可编程电流源的值决定,电流源值使用rlos_lset[2:0] 控制位来选择,而阈值检测的结果通过rx_los_low状态信号标示给 FPGA。数据流经过EQ进入PD,然后DES,经过WA(位对齐)、LSM对齐状态机、8b/10b编码器,最后经下采样fifo到达用户逻辑。 其中,EQ 就是“Equalizer”(均衡器),主要用来补偿信道传输造成的高频衰减和码间串扰(ISI),由于传输过程中存在PCB、线缆等对信号有频率相关的损耗,在接收端使用均衡技术提升信号高频分量、压低低频分量,使信号恢复原始形状。PD是Phase Detector,通过比较数据的过渡沿 和采样时钟的相位,判断时钟太早还是太晚,供CDR调整时钟。CDR即Clock and Data Recovery(时钟与数据恢复),是上述数据流过程中的时钟来源,用于从数据中恢复时钟,是serdes技术的核心,CDR需要一个参考时钟,后面会讲到。DES则是将输入的串行数据转换成并行数据。WA即word align,执行comma这一字符检测和对齐操作。接收逻辑使用逗号comma字符来对传入数据流进行10位字符的字对齐。字对齐控制由嵌入式链路状态机(LSM)或FPGA控制实现。LSM即Link State Machine,内部有这个模块,也可以自己在FPGA逻辑中写,大体就是每次挪一位直到对齐为止。8b/10b解码器根据规范实现10位到8位的代码转换,并且同时遵守所规定的运行差异规则。当检测到代码违例时,会有信号提示。CTC Fifo使用来进行时钟容限补偿即Clock Tolerance Compensation的模块,执行恢复的接收时钟和锁定的参考时钟之间的时钟速率调整以免fifo的空读和溢出,这种空读或溢出是由于两个不同时钟域的时钟读写造成的,除了此机制没有其他机制避免,但使用CTC意味着链路上会多出延迟。后面这个down fifo主要就是用于不同时钟域之间的读写操作。
关注另一条反向链路,除了均衡器换成预加重之外没有其他什么了,预加重即Pre-emphasis在发送端提前加强信号的高频分量,也会为了让信道的信号质量更好。

在这里插入图片描述

3.与xilinx的不同

Serdes的基本原理是一致的通用的,由于各厂商自身生态、战略、芯片工艺有区别,对于工程师来说使用不同的厂家的serdes会有一些不同,这种不同更多是硬件能力决定的。Xilinx不同系列的FPGA集成的serdes能力也有区别,分别是GTH、GTX、GTY等,他们的速度不尽相同,给用户提供了更多的方案,最大速度的支持均比ECP3的3.125G要高。此外,xilinx还支持不同的编码方式,除了8b/10b还有64/66b,128b/130b,提高了传输效率,xilinx还推出了链路层协议aurora与serdes配合使用,用户开发上手更为方便。而从开发角度,xilinx在vivado中集成了眼图测试工具,方便测量信道质量,由于硬件集成了PRBS生成器,所以用于通信链路的性能测试与校验。Xilinx还有更丰富灵活的回环调试设计。相比之下,lattice则更注重能低成本低功率的快速通信,主打性价比依然可以在各行各业中得到大量应用。并且有些serdes手册提供中文版本,对国内开发者更为友好。

4.传送门

  • 我的主页
  • Lattice进阶之路汇总导航
  • 上一篇:Serdes与光介质
END

📡文章原创,首发于CSDN论坛。
📡欢迎点赞♥♥收藏⭐⭐打赏💵💵!
📡欢迎评论区或私信指出错误💉,提出宝贵意见或疑问😱。

http://www.dtcms.com/a/473538.html

相关文章:

  • 人形机器人项目中使用Ubuntu-Server安装桌面系统进行远程xrdp远程连接操作
  • 京东开源了一款大模型安全框架:JoySafety,说是京东内部已应用,实现95%+攻击拦截率
  • 【传奇开心果系列】基于Flet框架实现的关于页面创建和提供文件下载集成了网络请求、文件下载、剪贴板操作功能自定义模板特色和实现原理深度解析
  • ​为什么我们需要将Flow转换为StateFlow?​​
  • vscode远程连接云服务器的初次尝试
  • 甘肃网站开发公司用手机怎么做免费网站
  • 网站是由多个网页组成的吗济南网约车平台
  • Linux系统下的终端,会话,shell,bash,进程组这几个概念的关系。
  • 微信小程序入门学习教程,从入门到精通,自定义组件与第三方 UI 组件库(以 Vant Weapp 为例) (16)
  • 银河麒麟V10高级服务器版Bash快捷键经常失效
  • 建设网站平台需要什么硬件配置电脑上买wordpress
  • Jessibuca 播放器
  • minio之docker的单机版安装
  • 主流 AI IDE 之一的 Qoder 和 Lingma IDE 介绍
  • 搜索不到网站的关键词国家企业信用公示系统官网查询
  • PostgreSQL在Linux中的部署和安装教程
  • AI大事记12:Transformer 架构——重塑 NLP 的革命性技术(上)
  • PostgreSQL JDBC 连接参数大全
  • 【SpringBoot从初学者到专家的成长11】Spring Boot中的application.properties与application.yml详解
  • 简述你对于网站建设的认识h5微网站开发
  • OpenHarmony IMF输入法框架全解析:从原理到自定义输入法开发实战指南
  • LabVIEW的PID控制器带报警仿真系统
  • WordPress--代码块添加折叠和展开功能
  • 爱站网能不能挖掘关键词做网站Linux
  • 在单台电脑上管理多个 GitHub 账户并解决推送问题
  • 计算机毕设选题推荐:基于Hadoop和Python的游戏销售大数据可视化分析系统
  • kanass入门到实战(17) - 如何进行工时管理,有效度量项目资源
  • 汽车角雷达波形设计与速度模糊解决方法研究——论文阅读
  • Node.js+Prisma性能优化:分页查询与事务处理实战
  • 网站建站授权模板下载wordpress爬虫ca