当前位置: 首页 > news >正文

STM32CubeMX + HAL 库:定时器输入捕获的应用,PWM波的占空比(频率/周期)测量

1. 概述

        本实验旨在通过 STM32CubeMX 配置定时器输入捕获功能,并结合 HAL 库编程接口,实现对外部输入 PWM 信号的频率(或周期)和占空比 的精准测量。实验重点在于理解 STM32 定时器的输入捕获机制,以及掌握如何利用硬件定时器对脉冲信号的时间特性进行量化分析,从而实现信号周期与占空比的计算。

        在实验过程中,使用 STM32 定时器的输入捕获通道 来检测 PWM 信号的上升沿与下降沿,通过捕获比较寄存器(CCR)的数值差计算高电平持续时间与整个周期时间。结合 HAL 库的中断回调机制,可实现实时数据采集与占空比计算。

        本实验具有重要的工程应用意义。通过掌握定时器输入捕获测量 PWM 占空比与周期的技术,不仅能够实现对周期性信号的精确分析,还为多种嵌入式系统信号测量与控制任务提供了基础支撑。输入捕获机制本质上是一种时间精度极高的信号测量手段,可用于捕获任意脉冲信号的高、低电平持续时间,从而实现更复杂的功能扩展。

在实际工程中,该技术被广泛应用于以下场景:

  • 红外线遥控信号解码:通过捕获脉冲间隔与宽度,识别不同编码格式,实现家电控制与信号识别。

  • 超声波测距模块:利用输入捕获测量回波脉冲宽度,计算超声波传播时间,从而精确获得距离信息。

  • 电容触摸按键:利用输入捕获测量电容触摸按键的充电时间,当手指接近感应电极时,等效电容增大,使得充电时间相应延长。通过对比当前测得的充电时间与基准充电时间,可准确判断按键是否被触摸,从而实现无机械结构的按键检测。

  • 舵机与电机控制反馈:通过测量反馈 PWM 信号的占空比,获取角度或速度信息,实现闭环控制。

  • 测速与计频应用:对转速传感器或方波信号进行捕获,计算转速、流量等物理量。

  • 通信协议时序分析:例如对 One-Wire、DHT11/DHT22 温湿度传感器等脉宽编码信号进行解析。

        通过本实验的学习与实践,学生不仅掌握了 STM32 输入捕获的配置与编程方法,更能体会该技术在信号测量、控制反馈、智能传感与系统通信等多个嵌入式领域中的重要价值。这为后续开展复杂信号处理、自动控制系统设计以及多传感器融合应用奠定了坚实的技术基础。

2. 测量原理

2.1 输入捕获的作用

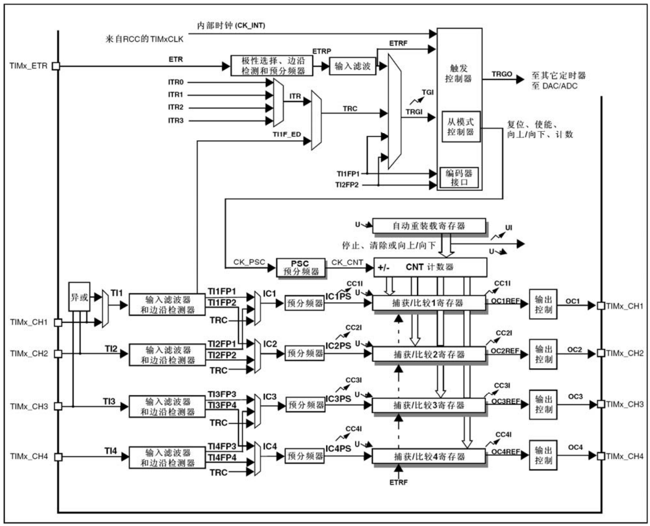
        输入捕获(Input Capture)是定时器的一项关键功能,用于精确测量输入信号的时间特征
它可以在检测到输入通道上信号的上升沿或下降沿时,将当时定时器计数器(CNT)的数值“锁存”到捕获寄存器(CCR)中,从而记录事件发生的精确时间点。通过对两次捕获结果求差,即可得到脉冲信号的周期、频率或高电平持续时间。

2.2 周期与频率测量原理

        当测量 PWM 信号的周期或频率时,只需捕获**连续的两个相同边沿(上升沿或下降沿)**的时间间隔。
该时间差反映了信号的一个完整周期,从而可计算出:

f = \frac{1}{T}

其中,T 为两次捕获间的时间差。

2.3 占空比测量原理

        占空比定义为信号在一个周期内高电平持续时间与周期时间之比,只要测量出连续的一个上升沿和一个下降沿的时间间隔,然后除以周期即可。

        当使用 定时器输入捕获(Input Capture) 测量占空比时,常用方法是捕获一个上升沿和随后的下降沿得到高电平时间 T1​,并结合连续两个相同边沿(通常为连续两个上升沿)得到周期 T。

PWM Duty-Cycle = \frac{T_{1}}{T}

2.4 输入捕获内部过程

        整个输入捕获过程可以分为以下几个阶段:

2.4.1 输入通道

        外部信号首先通过定时器输入引脚(如 TIMx_CH1)进入定时器模块,对应逻辑通道信号标记为 TI1。该信号是输入捕获的起点,决定了捕获信号的源头与物理通道。

2.4.2 滤波与边沿检测

        TI1 信号首先经过数字滤波器(Input Filter),用于滤除短暂的毛刺或干扰脉冲,从而保证输入信号的稳定性和捕获结果的可靠性。
随后,信号进入边沿检测器(Edge Detector),根据配置可选择检测上升沿、下降沿或双边沿,用于产生标准化的捕获触发信号。
经边沿检测后,信号输出为 TI1FP1(即 Filtered Polarity 1 信号),作为后续模块的触发输入。

        在多通道捕获应用中,可以通过内部信号选择器(Input Channel MUX),将同一外部输入信号(如 TI1)分别映射到不同的捕获通道(如 IC1 和 IC2)。这样,定时器的不同通道可分别配置为检测上升沿或下降沿,从而实现对同一输入信号的不同边沿事件进行独立捕获(例如测量 PWM 的高电平时间与周期)。

2.4.3 信号选择器(多路选择)

        TI1FP1 信号经过**信号选择器(Multiplexer)**选择后,输出为 IC1(Input Capture 1)。
多路选择的目的,是在定时器的多个输入源之间选择捕获信号(例如可选择 TI1、TI2 或内部触发信号),从而提高通道复用灵活性。

2.4.4 预分频器(Prescaler)

        捕获信号 IC1 进入输入捕获预分频器(ICPSC),可对输入事件进行分频处理。
若输入信号频率较高,可以设置每捕获 N 次有效边沿才触发一次捕获事件(N 可为 2、4、8),从而避免过多中断,提高系统性能。

2.4.5 捕获与寄存

分频后的信号(IC1PS)在检测到有效边沿后,会产生一次捕获事件(Capture Event)
此时:

  • 当前计数器值(CNT)会立即被“锁存”到对应的捕获寄存器(CCR1)中;

  • 若启用了捕获中断,系统会同时触发 捕获中断(Capture Interrupt),用户可在中断回调函数中读取 CCR 值并计算信号特性。

在下一次捕获事件发生前,捕获寄存器的值保持不变,确保测量数据的稳定性。

2.5 测量方法

2.5.1 从模式测量(推荐)

        从模式(Slave Mode) 本质上是让一个定时器的计数器 CNT 的行为受外部或内部事件控制,而不是自由运行。在自由模式下,定时器从 0 开始计数,到达 ARR 自动重载,完全由内部时钟驱动。在从模式下,计数器的启动、停止、清零或计数脉冲可以由外部输入信号或其他定时器的触发信号(Trigger Event)来控制。   

SMS(二进制)十进制模式名称(英文/中文)说明 / 典型用途
0000Disabled(关闭)从模式关闭,定时器自由运行
0011Encoder Mode 1(编码器模式1)编码器接口(计数A/B)
0102Encoder Mode 2(编码器模式2)编码器接口
0113Encoder Mode 3(编码器模式3)编码器接口(双向)
1004Reset Mode(复位模式)触发时复位 CNT;用于 PWM 周期对齐/占空比测量(推荐)
1015Gated Mode(门控模式)仅在触发有效时计数;用于脉冲宽度测量
1106Trigger Mode(触发模式)触发事件用于启动/重启计数器;用于多定时器同步启动
1117External Clock / ExtClock Mode(外部时钟/扩展)触发作为计数时钟(External Clock Mode 1 等)

本文采用 从模式(Reset Mode),利用 PWM 信号的上升沿作为触发源,使定时器每个周期自动清零计数器(CNT)。同时,两个捕获比较寄存器(CCR)分别锁存上升沿和下降沿到来的 CNT 值,从而实现对 PWM 信号的 周期/频率测量占空比计算。其测量步骤如下所示:

  • 配置复位触发源
    将定时器从模式(Slave Mode)设置为 复位模式(Reset Mode),并选择 TI1FP1(PWM 信号上升沿)作为触发源。每当 PWM 上升沿到来时,定时器的计数器(CNT)自动清零,为新的周期计数做好准备。

  • 启动计数与通道配置
    CNT 计数器从零开始计数。定时器配置两个输入捕获通道:

    • 通道1(CH1):捕获上升沿,用于记录周期起点;

    • 通道2(CH2):捕获下降沿,用于记录高电平结束时的计数值。

  • 下降沿捕获
    当 PWM 信号下降沿到来时,CH2 捕获事件触发,当前 CNT 值被锁存到 CCR2,该值即对应 PWM 的高电平持续时间 T1。

  • 上升沿捕获与计数器复位
    当下一次上升沿到来时,CH1 捕获事件触发,当前 CNT 值被锁存到 CCR1,该值对应完整周期时间 T;同时复位触发生效,CNT 自动清零,为下一个周期计数做好准备。

  • 占空比计算
    通过读取 CCR1 和 CCR2,按公式计算占空比

2.5.2 非从模式双通道测量

  • 计数器自由运行
    定时器计数器(CNT)保持自由计数状态,不使用从模式。PWM 信号通过输入捕获通道进入定时器。

  • 通道配置
    配置两个输入捕获通道:

    • 通道1(CH1):捕获上升沿,用于记录周期计数值;

    • 通道2(CH2):捕获下降沿,用于记录高电平结束时的计数值。

  • 下降沿捕获
    当 PWM 信号下降沿到来时,CH2 捕获事件触发,中断服务函数执行:

    • 读取当前 CNT 值,锁存到 CCR2,对应高电平时间 T1;

    • 此时不手动清零CNT,保持连续计数,便于周期计算。

  • 上升沿捕获与 CNT 清零
    当下一次上升沿到来时,CH1 捕获事件触发,中断服务函数执行:

    • 读取当前 CNT 值,锁存到 CCR1,对应完整周期时间 T;

    • 手动清零 CNT,为下一个周期计数做好准备。

  • 占空比计算
    通过读取 CCR1 和 CCR2,按公式计算占空比

2.5.3 非从模式单通道测量

  • 计数器自由运行
    定时器计数器(CNT)保持自由计数状态,不使用从模式。PWM 信号通过 CH1 输入捕获通道进入定时器。

  • 通道配置
    配置 CH1 为输入捕获:

    • 初始捕获边沿为 上升沿,用于周期测量;

    • 使能捕获比较中断(CC1IE = 1)。

  • 上升沿捕获与计数器清零
    当 PWM 信号上升沿到来时,中断服务函数执行:

    • 读取 CNT 值并保存为周期时间 T

    • 手动清零 CNT,保证从上升沿开始计数;

    • 将捕获极性切换为 下降沿,等待高电平结束。

  • 下降沿捕获
    当 PWM 信号下降沿到来时,中断服务函数执行:

    • 读取 CNT 值并保存为高电平时间 T1,因为 CNT 从上升沿清零开始计数,高电平时间直接等于当前 CNT 值;

    • 将捕获极性切换回 上升沿,准备下一周期测量。

  • 周期测量与占空比计算

    • 通过高电平时间和周期时间,按公式计算占空比

2.5.4 三种方法对比

对比项从模式测量(主从通道)双通道测量(同时捕获)单通道非从模式测量
测量原理使用一个定时器的两个通道(如 CH1 主、CH2 从),通过从模式复位机制,在上升沿复位 CNT,硬件自动计算周期和占空比使用两个输入通道(如 CH1 捕获上升沿、CH2 捕获下降沿),通过比较两次捕获值获得高电平时间和周期使用一个通道(如 CH1)交替捕获上升沿和下降沿,在中断中切换极性并手动清零 CNT
CNT 计数控制上升沿触发自动清零(硬件复位),周期计数由硬件完成每次捕获后在中断中手动清零 CNT每次捕获后在中断中手动清零 CNT
触发与极性硬件自动区分上升沿与下降沿通道间独立配置极性(CH1 上升沿、CH2 下降沿)每次捕获中断后手动反转捕获极性
中断逻辑简单,仅需读取 CCR1、CCR2 即可计算中断中读取两个通道的捕获值,进行差值计算逻辑较复杂,中断中既要清 CNT 又要切换极性
测量精度★★★★★(硬件同步、自动清零、无中断延迟)★★★★☆(独立捕获,精度高但略受通道同步影响)★★★☆☆(中断延迟和清零时间造成误差)
软件复杂度★★☆☆☆(配置完成后硬件自动测量)★★★☆☆(需在代码中处理两通道同步)★★★★☆(中断逻辑繁琐,需切换极性和清零)
CPU 占用率
资源占用2 个通道(如 CH1 主、CH2 从)2 个通道(CH1、CH2)1 个通道
适用场景高精度频率与占空比测量、实际工程中推荐方案测量两个信号的相位差或延迟时间单通道资源受限的低速 PWM 测量或教学对比实验
优点精度高、全硬件自动完成、抗干扰能力强精度高,可测量多个信号关系通道占用少、结构简单
缺点需配置主从关系、理解门槛较高占用两个输入通道、同步性略低精度受限、中断频繁、受 CPU 响应影响

3. STM32CubeMX 配置

利用通用定时器配置一个频率1KHz 占空比40%的PWM方波

注:硬件方面,一定要用杜邦线将PWM输出IO口和输入捕获输入IO口连接在一起。本文是PA1和PA6.

3.1 从模式测量配置

由于定时器的复位触发信号选择为 TI1FP1,该信号对应的输入通道为 CH1(TI1)
因此,计数器的复位触发极性由通道 CH1 的输入捕获极性决定。在本实验中,CH1 通常配置为上升沿捕获,因此计数器为 上升沿复位

3.2 非从模式双通道测量配置

与从模式不同,需配置中断,并在中断回调函数中清空计数器CNT

3.3 非从模式单通道测量配置

与从模式不同,需配置中断,并在中断回调函数中清空计数器CNT、反转捕获极性、记录中断高低电平CNT值

4. VSCode代码

4.1 从模式测量代码

        由于计数器的复位(清零)、高电平和低电平时间的捕获,都是硬件在配置后自动完成的,因此配置中也无需进行中断开启,无需编写任何软件中断回调函数
只需在主函数中初始化并启动两个输入捕获通道,然后直接读取这两个通道的 CCR寄存器值,即可计算信号的周期、频率和占空比。

uint32_t period, high; // pwm周期 pwm高电平
float duty, freq; // pwm占空比 pwm频率HAL_TIM_PWM_Start(&htim2, TIM_CHANNEL_1); // 启动PWM计数
HAL_TIM_IC_Start(&htim3, TIM_CHANNEL_1); // 启动上升沿捕获
HAL_TIM_IC_Start(&htim3, TIM_CHANNEL_2); // 启动下降沿捕获while(1){period = HAL_TIM_ReadCapturedValue(&htim3, TIM_CHANNEL_1);  // 周期high   = HAL_TIM_ReadCapturedValue(&htim3, TIM_CHANNEL_2);  // 高电平宽�?if (period != 0){duty = (float)high / period * 100.0f;freq = 1000000.0f / period; // 计数频率=1MHzprintf("PWM: Period=%lu us, High=%lu us, Duty=%.2f %%, Freq=%.2f Hz\r\n",period, high, duty, freq);}HAL_Delay(2000);  // 2秒延迟
}

4.2 非从模式双通道测量代码    

与从模式相比,自由计数模式的主要区别在于:

  • 需要分别开启 上升沿捕获中断下降沿捕获中断

  • 上升沿捕获中断 中手动清零计数器(CNT),为下一个周期计数做好准备;

  • 其他配置不变,仍然通过读取 CCR1CCR2 分别获得周期时间和高电平时间,然后计算占空比和信号频率。

    void HAL_TIM_IC_CaptureCallback(TIM_HandleTypeDef *htim)
    {if(htim->Instance == TIM3){if(htim->Channel == HAL_TIM_ACTIVE_CHANNEL_1) //  上升沿{__HAL_TIM_SET_COUNTER(htim, 0); // 手动清零CNT}}
    }
    uint32_t period, high; // pwm周期 pwm高电平
    float duty, freq; // pwm占空比 pwm频率HAL_TIM_PWM_Start(&htim2, TIM_CHANNEL_1); // 启动tim2计数器
    // 启动输入捕获中断
    HAL_TIM_IC_Start_IT(&htim3, TIM_CHANNEL_1);
    HAL_TIM_IC_Start_IT(&htim3, TIM_CHANNEL_2);while(1){period = HAL_TIM_ReadCapturedValue(&htim3, TIM_CHANNEL_1);  // 周期high   = HAL_TIM_ReadCapturedValue(&htim3, TIM_CHANNEL_2);  // 高电平宽�?if (period != 0){duty = (float)high / period * 100.0f;freq = 1000000.0f / period; // 计数频率=1MHzprintf("PWM: Period=%lu us, High=%lu us, Duty=%.2f %%, Freq=%.2f Hz\r\n",period, high, duty, freq);}HAL_Delay(2000);  // 2秒延迟
    }

4.3 非从模式单通道测量代码

与双通道捕获法相比,单通道方法同样依赖中断回调函数。不同之处在于:

  • 需要在 上升沿捕获中断中清零计数器(CNT),为下一周期计数做好准备;

  • 还需 动态切换捕获极性,在上升沿和下降沿之间交替捕获;

  • 通过记录 上升沿到下降沿的高电平时间两次相邻上升沿之间的周期时间,再进行计算得到占空比和频率。

extern uint32_t period,high;
extern float duty, freq ;
extern uint8_t capture_flag;void HAL_TIM_IC_CaptureCallback(TIM_HandleTypeDef *htim)
{static uint8_t edge = 0; // 0:上升沿, 1:下降沿uint32_t cnt;if(htim->Instance == TIM3 && htim->Channel == HAL_TIM_ACTIVE_CHANNEL_1){cnt = HAL_TIM_ReadCapturedValue(htim, TIM_CHANNEL_1);if(edge == 0) // 上升沿:测周期{period = cnt;__HAL_TIM_SET_COUNTER(htim, 0); // 清零CNT// 切换为下降沿捕获__HAL_TIM_SET_CAPTUREPOLARITY(htim, TIM_CHANNEL_1, TIM_INPUTCHANNELPOLARITY_FALLING);edge = 1;}else // 下降沿:测高电平{high = cnt; // CNT从上升沿清零开始计数,高电平时间直接等于CNT值// 切换回上升沿捕获__HAL_TIM_SET_CAPTUREPOLARITY(htim, TIM_CHANNEL_1, TIM_INPUTCHANNELPOLARITY_RISING);edge = 0;// 计算占空比和频率if(period != 0){duty = (float)high / period * 100.0f;freq = 1000000.0f / period; // 假设计数频率为1MHz}capture_flag = 1;}}
}
uint32_t period = 0, high = 0;  // pwm周期, pwm高电平
float duty = 0, freq = 0; // pwm占空比 pwm频率
uint8_t capture_flag = 0; // 捕获标志位HAL_TIM_PWM_Start(&htim2, TIM_CHANNEL_1); // 启动tim2计数器
// 单通道
HAL_TIM_IC_Start_IT(&htim3, TIM_CHANNEL_1);// 启动输入捕获中断while(1){if(capture_flag){capture_flag = 0;printf("PWM: Period=%lu us, High=%lu us, Duty=%.2f %%, Freq=%.2f Hz\r\n",period, high, duty, freq);}HAL_Delay(2000);  // 2秒延迟
}

5 结论

TIM2输出 PWM: Period=10000us, High=4000us, Duty=40 %, Freq=100 Hz

通过三种方法对其进行测量,最后得到的结果如图所示:

1. 从模式 PWM: Period=9999 us, High=3999 us, Duty=39.99 %, Freq=100.01 Hz

2. 双通道 PWM: Period=9998 us, High=3998 us, Duty=39.99 %, Freq=100.02 Hz

3. 单通道 PWM: Period=9997 us, High=3997 us, Duty=39.98 %, Freq=100.03 Hz

实验同时演示了 从模式、双通道单通道 三种方法测量 PWM 的周期、频率和占空比,并对比了它们在测量精度和实时性方面的差异。实验结果显示:

  1. 从模式(Reset Mode):通过硬件自动清零计数器 CNT,测量精度最高;

  2. 双通道方法:通过中断清零 CNT ,精度次之;

  3. 单通道方法:通过中断清零 CNT 、动态切换捕获极性并分别记录上升沿和下降沿CNT,精度最低。

原因在于:中断占用 CPU 处理时间,中断回调函数执行的指令越多,占用 CPU 越久,从而导致测量精度下降。

http://www.dtcms.com/a/471157.html

相关文章:

  • 【解决】OSError: We couldn‘t connect to ‘https://huggingface.co‘ to load this file
  • 湖北营销网站建设联系方式装修估价网
  • 数据库系列之:SQL Server 事务日志
  • UE5 在运行状态下,可以显示出移动,旋转,缩放轴的功能基础上,新增框选,以及打组解组和从组中单独移除某一个actor的功能
  • 凡科网做网站教程家居装修设计平台
  • 网站后台页面进不去做外贸的有些什么网站
  • 学校网站功能python购物网站开发流程
  • 大数据成矿预测系列(四) | 成矿预测的“主力军”:随机森林与支持向量机深度解析
  • 企业网站优化费用iis 网站后台
  • 工业可视化监控平台GENESIS64核心能力与架构解析
  • 网站建设公司位置广东做网站的公司有哪些
  • 石家庄科技网站建设ppt制作平台
  • 如何自建网站做淘客常州网站专业制作
  • 纯分享!2026届计算机毕业设计选题全攻略(选题+技术栈+创新点+避坑),这80个题目覆盖所有方向,计算机毕设选题大全收藏
  • 网安面试题收集(2)
  • 西宁建设网站运维兼职平台
  • Java--网络编程(一)
  • 购物网站建设教程中国十大网站建设公司排名
  • web后端开发——原理
  • 如何把网站放在根目录300m空间够用吗 wordpress
  • 上海高端网站公司哪家好网站意识形态建设
  • 软件设计师-计算机网络-IP地址
  • 5000人网站开发交通建设集团网站
  • 谁分享一个免费网站2021discuz论坛门户网站模板
  • 从入门到精通【Redis】初识Redis集群(Cluster)
  • IDF 定时器
  • 怎么做网站引流做网站服务器需要自己提供吗
  • 烟台市牟平区建设局网站石家庄今天最新新闻头条
  • 天津市做网站的公司有哪些ppt模板免费下载完整版免费网站
  • “数据化学习者”的存在论阐释:量化自我对学习主体性的形塑与异化