当前位置: 首页 > news >正文

Vivado进阶-Fpga中的mem的综合和应用

        mem在设计中一般都会用到,最终在fpga中会被综合成3种RAM,第一种是寄存器搭建成RAM,第二种是DRAM,第三种就是BRAM。这三种你是可以指定的,具体怎么指定或者什么时候生成什么ram比较好在我之前的文章Synaplify综合的常用命令(1)https://blog.csdn.net/weixin_39896700/article/details/129280066中有详细的介绍。今天要说的是一个很细节的东西,也是生成的最多的BRAM,并不是你指定了就一定会成功的。

        指定格式顺带一下,指定的格式是在申明mem的前面用括号去注释(*ram_style=”block”)reg [DW-1:0] mem[AW-1:0];

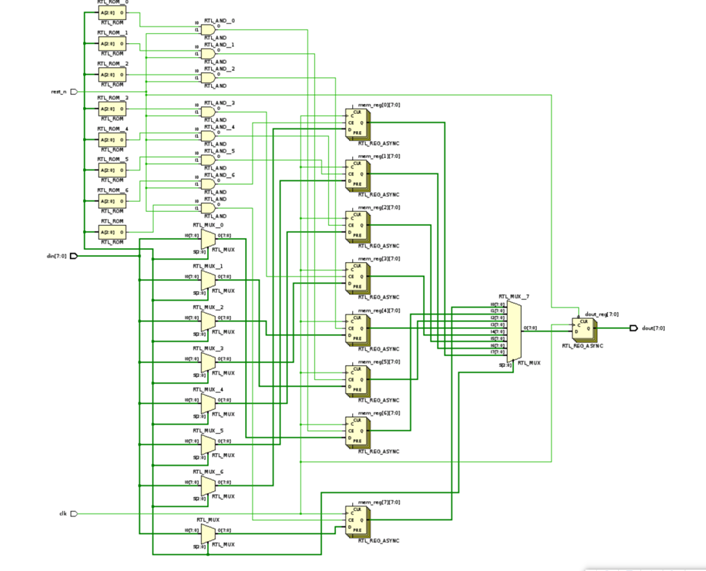
        但是要注意一点,就是要想综合成BRAM必须是同步复位,因为BRAM不支持异步复位,所以如果你用了异步复位是综合不成BRAM的。如下图我的代码是异步复位,而且我也指定了综合成BRAM:

        综合完成之后,打开电路图,可以看到,全是寄存器搭建的,没有综合成BRAM。

        从资源当中也可以看到:

         换一个同步复位的写法:

        打开电路图:

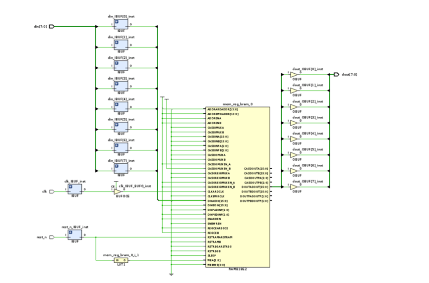
        可以清楚的看到这是一个BRAM,好看多了,这是FPGA的专用资源器件,也不会占用lut。打开资源报告查看:

        可以很清楚的看到综合成了BRAM。所以并不是你指定了就一定能成功的。要了解器件的底层逻辑要求。不然你就会很迷茫的找不到答案。

http://www.dtcms.com/a/469590.html

相关文章:

  • Jmeter设置负载阶梯式压测场景(详解教程)
  • 网站运营专员做六休一wordpress托管网站
  • WPF用户控件和依赖属性
  • 位运算 和 逻辑运算 以及 位运算指令
  • 工地招聘网站广告设计与制作视频
  • C++右值语义解析
  • java-高级技术(单元测试、反射)
  • 厦门做网站公司有哪些邯郸
  • Spring Boot 项目集成 Gradle:构建、测试、打包全流程教程
  • 电商主要是做什么工作东莞seo收费
  • SAP MM 通用物料移动过账冲销接口分享
  • 设计logo免费网站电商网站对比表格
  • SAP Vendor Invoice Management by OpenText (VIM)
  • 用 PyQt5 + PyPDF2 做一个“智能分页”的大 PDF 拆分器(含 GUI 与命令行双版本,附完整源码)
  • 芯片结构简介-arm/x86
  • Agentic AI 教程与 AI 编程入门:从基础到实战(含代码、流程图与 Prompt)
  • 做一个公司网站一般多少钱自己做的网站怎么放视频
  • 开源软件License科普:GPL/LGPL/Apache/木兰等license解析
  • React闭包陷阱(stale closure)介绍(React状态更新引用旧值)解决方法:使用函数式更新写法
  • 【Java数据结构】Map 与 Set 接口全解析
  • 海洋做网站大连网上办事大厅
  • 创新平台网站建设方案wordpress 恶意代码
  • Jupyter Notebook/Lab的高级技巧与快捷键
  • Request 和 Response 都使用了 Fetch API 的 Body 混入
  • 大数据毕业设计选题推荐-基于大数据的人体体能活动能量消耗数据分析与可视化系统-大数据-Spark-Hadoop-Bigdata
  • 电子电气架构 --- 操作系统的发展趋势
  • R语言绘图神器| ggplot2与其基本用法介绍
  • 自动负氧离子监测站:科技赋能,精准守护清新空气
  • 商务卫士包括网站建设seo优化谷歌
  • java-代码随想录第66天|Floyd 算法、A * 算法精讲 (A star算法)