当前位置: 首页 > news >正文

Java-138 深入浅出 MySQL Spring Boot 事务传播机制全解析:从 REQUIRED 到 NESTED 的实战详解 传播机制原理

点一下关注吧!!!非常感谢!!持续更新!!!

🚀 AI篇持续更新中!(长期更新)

AI炼丹日志-31- 千呼万唤始出来 GPT-5 发布!“快的模型 + 深度思考模型 + 实时路由”,持续打造实用AI工具指南!📐🤖

💻 Java篇正式开启!(300篇)

目前2025年09月29日更新到:
Java-136 深入浅出 MySQL Spring Boot @Transactional 使用指南:事务传播、隔离级别与异常回滚策略
MyBatis 已完结,Spring 已完结,Nginx已完结,Tomcat已完结,分布式服务正在更新!深入浅出助你打牢基础!

📊 大数据板块已完成多项干货更新(300篇):

包括 Hadoop、Hive、Kafka、Flink、ClickHouse、Elasticsearch 等二十余项核心组件,覆盖离线+实时数仓全栈!
大数据-278 Spark MLib - 基础介绍 机器学习算法 梯度提升树 GBDT案例 详解

请添加图片描述

事务传播

参考来源

  • https://juejin.cn/post/7106158883055353870

简单介绍

(对应注解的:propagation)事务的传播行为,是指程序在调用的过程中,如果调用方已经创建了事务,那么被调用的服务将如何处理事务的一种特征,如下图所示:

在这里插入图片描述

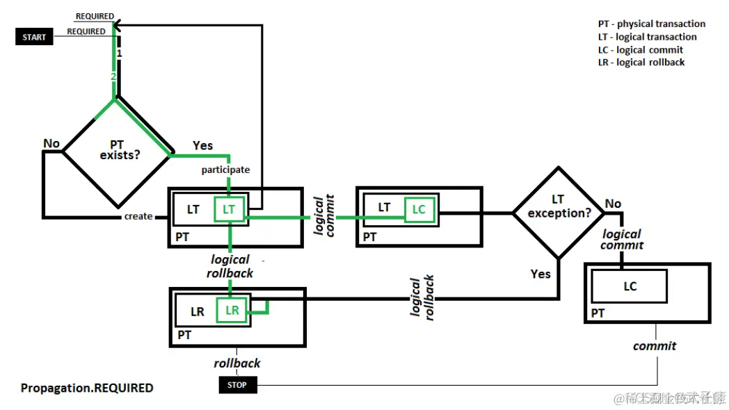
PROPAGATION_REQUIRED

这是注解默认的值,它具有以下的特点:
● 如果当前没有物理事务,那么 Spring 会创建一个事务出来
● 如果已经有了一个物理事务,那么就加入这个事务
● 每一个 PROGAGATION_REQUIRED 都对应一个逻辑事务,这些逻辑事务都会加入到同一个物理事务
● 每个逻辑事务都有自己的作用范围,但是在这种传播机制下,所有这些范围都会被映射到同一个物理事务中

正是因为所有的逻辑事务都在同一个物理事务上,当物理事务上任何一个逻辑进行回滚,那么这个物理事务就会回滚。
在这里插入图片描述

PROPAGATION_REQUIRES_NEW

PROPAGATION_REQUIRES_NEW 是 Spring 事务传播行为中的一种重要级别,它表示无论当前是否存在事务,Spring 总会创建一个新的独立的物理事务。在这种传播级别下,内部事务与外部事务完全隔离,具有以下关键特性:

  1. 独立事务特性

    • 内部事务会启动一个全新的数据库连接
    • 拥有独立的事务ID
    • 使用独立的事务隔离级别
    • 维护自身的事务状态
  2. 与外部事务的关系

    • 如果外部事务存在,会先将其挂起
    • 内部事务完成后才会恢复外部事务
    • 内部事务的提交或回滚不会影响外部事务
  3. 典型应用场景

   @Transactional(propagation = Propagation.REQUIRED)public void outerMethod() {// 外部事务操作...innerMethod();  // 调用内嵌方法// 更多外部事务操作...}@Transactional(propagation = Propagation.REQUIRES_NEW)public void innerMethod() {// 这些操作会在独立的事务中执行}
  1. 注意事项

    • 每个 REQUIRES_NEW 事务都会占用新的数据库连接
    • 可能导致连接池资源紧张
    • 适合用于需要独立提交的日志记录、审计等非核心业务
  2. 与其他传播行为的区别

    • 不同于 PROPAGATION_REQUIRED(加入当前事务)
    • 不同于 PROPAGATION_NESTED(嵌套事务)
    • 不同于 PROPAGATION_NOT_SUPPORTED(非事务执行)

这种传播级别特别适合那些需要确保执行成功,且执行结果不应影响主业务流程的操作场景。

在这里插入图片描述
这种情况下,每个物理事务都有自己的数据库连接,也就是说,当创建内部物理事务的时候,会同步为这个事务绑定一个新的数据库连接,当内部的物理事务运行的时候,外部的物理事务就会暂停执行(保持连接),当内部的物理事务提交之后,外部的事务进行回复,继续执行或者回滚。
(这种情况下,即使内部的物理事务回滚了,外部的事务也可以顺利提交执行;如果外部事务回滚了,也不会影响内部的事务提交执行。)

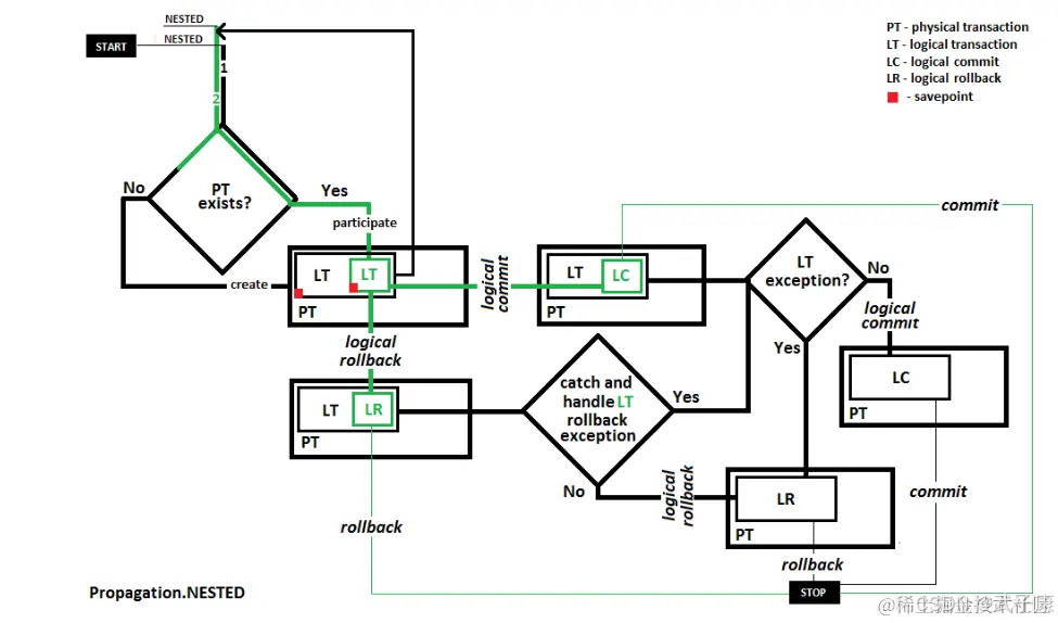
PROPAGATION_NESTED

PROPAGATION_NESTED 是 Spring 事务传播机制中的一种特殊传播行为,它与 PROPAGATION_REQUIRED 类似,但具有更精细的回滚控制能力。

主要特点:

  1. 如果当前存在事务,则创建一个嵌套事务(内部事务),该嵌套事务会设置一个 SAVEPOINT(保存点)
  2. 嵌套事务的回滚不会影响外部事务,只会回滚到保存点位置
  3. 外部事务的回滚会导致嵌套事务也回滚
  4. 如果当前没有事务,则与 PROPAGATION_REQUIRED 行为相同

典型应用场景:

  • 需要记录操作日志的场景(日志记录失败不应影响主业务)
  • 批量处理中的单条记录处理(某条记录处理失败不应中断整个批次)
  • 需要部分回滚的复杂业务逻辑

示例:

@Transactional(propagation = Propagation.REQUIRED)
public void batchProcess() {// 主业务逻辑for (Item item : items) {try {processItem(item); // 嵌套事务处理单条记录} catch (Exception e) {// 单条记录失败不影响其他记录log.error("Process item failed", e);}}
}@Transactional(propagation = Propagation.NESTED)
public void processItem(Item item) {// 处理单条记录的业务逻辑
}

注意事项:

  1. 嵌套事务与 JDBC 3.0 的保存点机制实现相关
  2. 不是所有数据库都支持保存点机制
  3. JTA 事务管理器不支持此传播行为

在这里插入图片描述

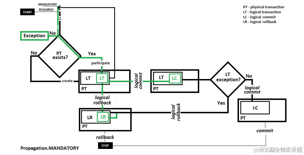
PROPAGATION_MANDATORY

PROPAGATION_MANDATORY 是 Spring 事务传播行为中的一种,表示当前方法必须在一个已存在的物理事务中运行。如果当前没有活动的事务,将会抛出 IllegalTransactionStateException 异常。

主要特点

  1. 事务依赖性:该方法不能独立运行,必须依赖于调用方提供的事务上下文
  2. 异常机制:如果没有活动事务,会立即抛出异常而不是创建一个新事务
  3. 事务继承:会沿用调用方的事务属性(如隔离级别、超时设置等)

典型应用场景

  • 核心业务方法:如资金转账操作必须在一个事务中执行
  • 数据一致性要求高的操作:如订单系统中的库存扣减
  • 作为更大事务的一部分:如电子商务中的支付流程

代码示例

@Service
public class PaymentService {@Transactional(propagation = Propagation.MANDATORY)public void processPayment(Order order) {// 支付处理逻辑// 如果这个方法被没有事务的代码调用,会抛出异常}
}

与其他传播行为的区别

  • 与 REQUIRED 不同:REQUIRED 在没有事务时会新建一个,而 MANDATORY 会抛出异常
  • 与 SUPPORTS 不同:SUPPORTS 可以在没有事务时运行,而 MANDATORY 必须有事务
  • 与 NEVER 相反:NEVER 要求不能有事务,MANDATORY 要求必须有事务

注意事项

  1. 适用于需要强制事务保障的重要业务方法
  2. 调用方必须确保已经开启了事务
  3. 可以配合其他事务属性(如隔离级别、只读标记)一起使用

在这里插入图片描述

PROPAGATION_NEVER

定义与作用

PROPAGATION_NEVER 是 Spring 事务传播行为中的一种策略,表示方法必须在非事务环境下执行。如果当前已经存在事务上下文,Spring 将直接抛出 IllegalTransactionStateException 异常,强制中止操作。

典型特征

  1. 严格非事务要求:被标记的方法必须确保在没有任何事务(包括物理事务和嵌套事务)的环境中运行
  2. 显式异常提示:与 PROPAGATION_NOT_SUPPORTED 不同,它不会挂起已有事务,而是直接拒绝执行
  3. 事务边界检查:在方法执行前会进行严格的事务存在性检查

使用场景

  • 执行不需要事务的读取操作(如缓存加载)
  • 运行明确不能有事务影响的特殊方法(如某些审计日志记录)
  • 在事务边界外执行统计计算等操作
  • 作为事务与非事务代码之间的显式隔离标记

代码示例

@Transactional(propagation = Propagation.NEVER)
public void loadReferenceData() {// 此方法必须确保在无事务环境下执行cacheManager.reloadAll();
}

注意事项

  1. 调用链上必须确保没有 @Transactional 注解的传播
  2. 需要与事务模板(TransactionTemplate)等显式事务操作隔离使用
  3. 在测试环境中需要特别注意模拟非事务环境
  4. REQUIRES_NEW 等事务传播行为组合使用时会产生冲突

异常处理

当检测到现有事务时,Spring 会抛出:

org.springframework.transaction.IllegalTransactionStateException: 
Existing transaction found for transaction marked with propagation 'never'

建议在调用方做好异常捕获和处理逻辑,或者通过前置条件检查确保执行环境符合要求。

在这里插入图片描述

PROPAGATION_SUPPORTS

PROPAGATION_SUPPORTS 是 Spring 事务传播机制中的一种传播行为,它定义了方法在事务上下文中的执行方式。具体行为规则如下:

  1. 存在物理事务时

    • 如果当前已经存在一个事务上下文(即调用方法处于一个事务范围内),则该方法会加入这个现有的事务
    • 此时方法的所有操作都将成为现有事务的一部分,遵循现有事务的隔离级别和超时设置
    • 如果外层事务回滚,该方法所做的所有修改也会被回滚
  2. 不存在物理事务时

    • 如果当前没有事务上下文,则该方法会以非事务的方式执行
    • 每个数据库操作都会自动提交,不会参与任何事务管理
    • 此时方法执行的SQL语句将具有自动提交的特性

典型应用场景

  • 适用于那些既可以在事务中运行,也可以不在事务中运行的非核心业务方法
  • 常用于查询操作,因为查询通常不需要事务支持
  • 适合作为服务层方法的默认传播行为,特别是那些不涉及数据修改的操作

示例代码

@Service
public class UserService {@Transactional(propagation = Propagation.SUPPORTS)public User getUserById(Long id) {// 该方法可以在事务中执行,也可以不在事务中执行return userRepository.findById(id);}
}

注意事项

  • 当方法中存在多个数据库操作时,使用PROPAGATION_SUPPORTS可能导致数据不一致的风险
  • 不适合用于必须保证原子性的关键业务操作
  • PROPAGATION_REQUIRED不同,它不会主动创建新的事务

与其他传播行为的比较

  • PROPAGATION_REQUIRED更灵活,不会强制要求事务
  • PROPAGATION_NOT_SUPPORTED更温和,允许在存在事务时参与其中
  • PROPAGATION_MANDATORY相反,后者要求必须存在事务

在这里插入图片描述

PROPAGATION_NOT_SUPPORTED

PROPAGATION_NOT_SUPPORTED 是 Spring 事务传播行为中的一种特殊模式,它表示当前方法不应在事务上下文中运行。当使用此传播行为时:

  1. 事务挂起机制

    • 如果调用此方法时已经存在一个活动事务(物理事务),Spring 会将该事务挂起(suspend)
    • 事务管理器会将该事务的相关资源(如数据库连接)与当前线程解绑
    • 事务状态信息会被保存在内存中,以便后续恢复
  2. 非事务执行

    • 方法会在没有事务的上下文中执行
    • 所有数据库操作将以自动提交模式(auto-commit)运行
    • 每个SQL语句都将被立即提交,不会参与任何事务
  3. 事务恢复

    • 方法执行完毕后,Spring会检查是否有被挂起的事务
    • 如果有,会将之前挂起的事务恢复(resume)
    • 事务资源会重新绑定到当前线程
    • 后续操作将继续在原有事务上下文中执行

典型应用场景

  • 日志记录操作:当需要记录日志到数据库,但不希望日志记录操作影响主业务事务时
  • 非关键性操作:如发送通知消息等非核心业务操作
  • 性能优化:某些不需要事务保证的只读操作,可以避免事务开销

示例代码

@Transactional(propagation = Propagation.NOT_SUPPORTED)
public void logOperation(String message) {// 此方法会在非事务上下文中执行logRepository.save(new LogEntry(message));
}

注意事项

  • 使用此传播行为时,方法中的数据库操作将不具备原子性
  • 要谨慎使用,确保业务确实不需要事务保证
  • 在分布式事务环境中行为可能更加复杂

在这里插入图片描述

http://www.dtcms.com/a/427471.html

相关文章:

  • Hadoop实战:从海量数据到AI决策的落地方法论
  • springboot+vue个人财务小程序(源码+文档+调试+基础修改+答疑)
  • 季休节能型遥测终端机RTU-为农业灌溉场景量身定制!
  • 【轨物方案】变频器物联网软硬件一站式解决方案
  • 如何选择合适的EDI软件?
  • 解决【npm : 无法加载文件 C:\Program Files\nodejs\npm.ps1,因为在此系统上禁止运行脚本。】问题
  • VSCode加载图片出错
  • 网站投稿系统怎么做企业展示网站开发
  • 如何让大模型理解用户意图,并且调用工具?
  • 畜牧设备采集物联网平台:开启智慧养殖“一眼到底”新模式
  • 建设银行个人网银网站阜南做网站
  • 房地产楼盘微信网站建设营销方案招聘类网站怎么做
  • 互联网视频云平台EasyDSS无人机技术在烟火巡检场景中的的应用
  • PhysicalAgent:基于基础世界模型的通用认知机器人
  • MySQL 8.0物理备份(XtraBackup)加速-全方位解析
  • BrowserUse自动化测试效率优化:Cookie复用实现登录状态持久化
  • 【硬科普】什么是双频干涉
  • 5.0 JKI state machine介绍1 - 安装.
  • 点卡平台网站开发wordpress网站布置
  • React单位转换系统:设计灵活的单位系统与单位系统转换方案
  • React 18 前端最佳实践技术栈清单(2025版)
  • jsp网站开发 开题依据设计一个企业网站大概多少钱
  • 计算机网络---应用层
  • 营销网站的例子公司软件定制开发
  • SpringBoot3+WebSocket+Vue3+TypeScript实现简易在线聊天室(附完整源码参考)
  • 农作物空间分布数据集整理
  • C# UDP 服务端与客户端2.0
  • Gartner发布威胁情报的演变趋势:成为统一的网络风险情报,更加主动、协作和以行动为中心,以应对不断演变的全球网络威胁
  • 建站快车打电话安装wordpress的目录改变了
  • Spring Boot 2.5集成Elasticsearch(亲测)