LABVIEW 通过节点属性动态改变数值显示控件的方法
在 LabVIEW 里,能够借助属性节点来改变数值输入控件的禁用状态。下面为你介绍具体的操作步骤:
1. 创建或开启前面板
要先创建一个数值输入控件,操作方法是:点击 "控件" 选板,接着选择 "新式→数值→数值输入控件",随后把它放置在前面板上。

2. 右键单击在弹出的对话框中选择创建-属性节点-禁用

2. 打开程序框图
可以通过点击前面板上方的 "程序框图" 按钮来打开。

3. 在程序框添加属性节点
在程序框图里添加属性节点的步骤如下:
- 右键点击空白区域,选择 "编程→结构→属性节点"。
- 把属性节点的图标连接到数值输入控件的接线端。
- 右键点击属性节点,在弹出的菜单中选择 "禁用"。

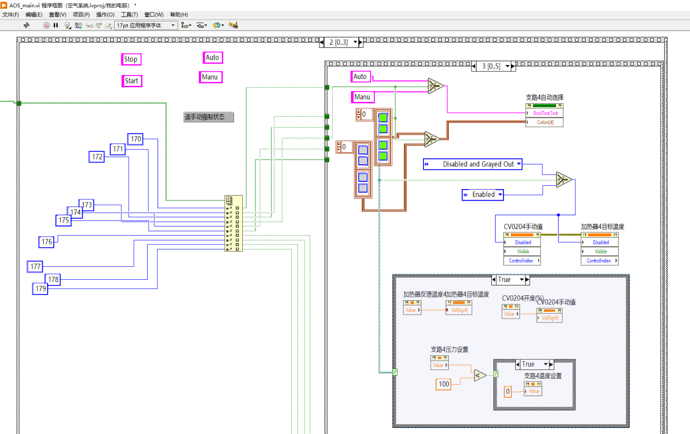
以上框图的描述:
1. 核心元素
- 属性节点:对
CV0204手动值和加热器4目标温度控件的Disabled(禁用)、Visible(可见)、ControlIndex(控件索引)属性进行操作。 - 选择函数(Mux):根据输入条件(如模式切换信号),选择输出
Disabled and Grayed Out(禁用并灰显)或Enabled(启用),控制属性节点的Disabled状态。
2. 逻辑流程
- 输入控制:
- 上方的字符串常量(
Disabled and Grayed Out/Enabled)通过选择函数,决定控件是否禁用。 - 实际应用中,这些字符串通常对应布尔值(
True禁用,False启用),此处为简化表示(LabVIEW 属性节点的Disabled本质是布尔属性)。
- 上方的字符串常量(
-
属性节点作用:
Disabled:直接控制控件的交互状态(禁用时用户无法编辑,启用时可操作)。Visible:控制控件是否在前面板显示(图中未连接输入,默认可见)。ControlIndex:用于多控件批量操作(如数组内的控件,此处未使用)。
4. 运行程序
点击 "运行" 按钮,然后操作布尔控件,就可以观察到数值输入控件的状态变化。
