DRV8323芯片电机驱动芯片常见硬件连接线路的简介
前言:电机控制领域的朋友对于DRV8323芯片应该不陌生,这个是德州仪器的一种控制驱动芯片,最近接触并使用了一下,由于参考资料是全英文的手册,所以看的时候费了很大的功夫,有些甚至有歧义的地方查了半天才看懂。这里就以这款芯片常见的系统连接原理图作为举例来看一下它的使用方法与相关联功能。
目录
1,DRV8323芯片简介
1.1 芯片主要的参数
1.2 芯片常见的应用
1.3 芯片系统连接原理图
2,芯片连接原理图的简介
2.1 DVDD/AGND/DGND/PGND/BGND
2.2 ENABLE / CAL
2.3 GAIN / MODE
2.4 VDS / IDRIVE
2.5 nFAULT
2.6 VREF
2.7 SOA~SOC
2.8 GHA~GHC SHA~SHC GLA~GLC SPA~SPC
2.9 SNA~SNC
2.9 FB / CPL / CPH / VCP / VM / VDRAIN
1. FB (Feedback) 引脚
2. CPL (Current Limit) 引脚
3. CPH (High-Side Gate Drive) 引脚
4. VCP (Bootstrap Capacitor) 引脚
5. VM (Motor Supply Voltage) 引脚
6. VDRAIN (Drain of Power MOSFET) 引脚
2.10 nSHDN / VIN / NC / SW / CB
1. nSHDN (Shutdown) 引脚
2. VIN 引脚
3. NC 引脚
4. SW 引脚
5. CB 引脚 (Bootstrap Capacitor)
1,DRV8323芯片简介
DRV8323是德州仪器(TI)推出的一款三相无刷直流电机(BLDC)驱动器,适用于高效电机控制应用。该芯片集成了栅极驱动、保护功能,支持外部 MOSFET 控制,适用于 12V~60V 的电机系统。
1.1 芯片主要的参数
(1)三个半桥栅极驱动器
- 可驱动 3 个高侧和 3 个低侧N沟道 MOSFEI(NMOS)
(2)智能栅极驱动架构
- 可调转换率控制
- 10mA 至 1A 峰值拉电流
- 20mA 至 2A 峰偵电流
(3)集成栅极驱动器电源
- - 支持 100% PVM 占空比
- - 高侧电荷泵
- - 低侧线性稳压器
(4)6V 至 60V 工作电压范围
(5)可选集成式降压稳压器
- - LMR 16006X SIMPLE SVVITCHER
- - 4V 至 60V 工作电乐范围
- - 0.8V 至 60V、600mA 输出能力
(7)三个可选集成式电流检测放大器(CSA)
- - 可调增益(5、10、20、40 V/V)
- - 双向或单向支持
(8)提供有 SPI 和硬件接口
(9)6x、3x、1x 和独立的 PWM 模式
(10)支持 1.8V、3.3V 和 5V 逮辑输入
(11)低功耗睡眠模式(12μA)
(12)3.3V、30mA 线性稳压器
(13)紧凑型 OFN 封装和尺寸
(14)采用电源块的高效系统设计集成式保护 特性
- - VM 欠压闭锁(UVLO)
- - 电荷泵欠压(CPUV)
- - MOSFET 过流保护(OCP)
- - 栅极驱动器故障(GDF)
- - 热警告和热关断(OTVVOTSD)
- - 故障状态指示器(nFAULT)
1.2 芯片常见的应用
- 无刷直流(BLDC)电机模块
- PMSM风扇、泵和伺服驱动器
- 电动自行车、电动踏板车
- 电动汽车无线园艺工具和电动工具、割草机
- 无线真空吸尘器
- 无人机、机器人遥控玩具工业和物流机器人
1.3 芯片系统连接原理图
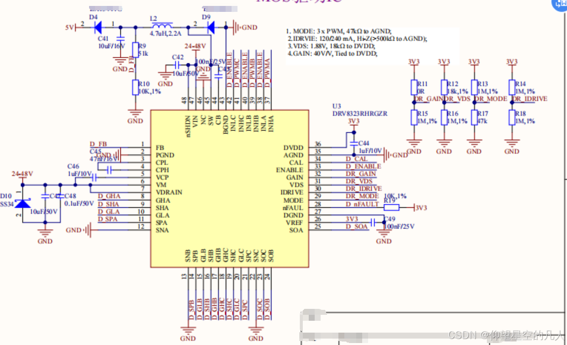
参考手册中给出的与原理参考图
实际应用案例的硬件连接参考图,当然下面就以这个改demo为参考介绍一下这款芯片的使用方法与参考手册的参看方法,型号是下面的DRV8323RH

2,芯片连接原理图的简介
2.1 DVDD/AGND/DGND/PGND/BGND
DVDD就是所谓的数字输入电源引脚,通常是接入3.3V的,后面两个一个是模拟接地引脚,一个是数字接地引脚,至于两者的区别可以直接看下面:
AGND(模拟地)
主要用于模拟电路(如 ADC、DAC、运放等),这些电路对噪声非常敏感。
其电位参考通常与低噪声、高精度信号相关,要求地电平稳定,避免高频开关噪声的影响。
DGND(数字地)
主要用于数字电路(如 MCU、DSP、FPGA、数字接口等)。
由于数字电路的高频开关特性(如 PWM、SPI、UART 等),地线上会存在较大的瞬态电流和噪声。
PGND 是高功率部分的地,主要用于连接大电流回路,例如:
低端 MOSFET(LS MOSFET)源极(Source)。
电流检测分流电阻(Shunt Resistor)。
电机驱动电流回路的地。
BGND 是内部逻辑电路的地,用于:
低压控制逻辑(如 VREF、VREG、3.3V/5V 电源)。
Bootstrap 电路(用于驱动高端 MOSFET)。
低功率信号部分(如 VDS 监测、过流保护 OCP)。
2.2 ENABLE / CAL
门驱动器使能:当此引脚为逻辑低时,设备进入低功耗睡眠模式。可以使用8到40皮秒的低脉冲来重置故障条件。简单来讲就是整个电源芯片的开关,只有接上使能状态的的时候才可以工作使用,当拉低引脚的时候会导致设备进入到低功耗模式。
CAL(Calibration) 引脚的作用是用于进行 内部校准(Calibration) 过程,通常与电流检测和增益调整相关。
2.3 GAIN / MODE
放大器增益设置:主要用于 放大电流采样信号,即 放大 SHUNT 电阻(Rsense)的采样电压,方便 MCU 读取更精准的电流信号。该引脚是一个4级输入引脚,由外部电阻器设置。这个属于一个增益开关,由图一可以知道,上面的这个图片设置的就是40V/V的增益大小
PWM输入模式设置:此引脚决定了这个系统采用什么样的输入模式,有1路、3路、6路PWM输入模式、独立模式。此引脚是由外部电阻器设置的4级输入引脚。
由于RH系列型号的这款驱动芯片并没有SPI进行控制,所以在设置有些参数的时候往往需要通过外接电阻器,找参考手册的时候着实是费了好长时间才将这个设置的方法搞清楚。值得注意的是这个增益的数据在后面计算电流放大传感器的时候需要用到
官方的手册已经给出了一个比较明显的参考,就是这个引脚的模拟连接有四种选择:直接接上DVDD、接上一个大于500KΩ的电阻最后在接到地上面、接上一个47KΩ的电阻最后再接到地上面、直接接地。分别对应的设置的模式就是上面箭头的对应部分
2.4 VDS / IDRIVE
VDS监视器行程点设置:主要作用是检测外部 MOSFET 的 漏-源电压(V_DS),从而判断 MOSFET 是否处于异常状态(如短路、过流或开路)。此引脚是一个由外部电阻器设置的7级输入。
IDRIVE 驱动器输出电流设置:主要用于控制 外部 MOSFET 的栅极驱动电流,从而影响 MOSFET 的开关速度(即导通和关断的快慢),在 BLDC 电机驱动系统中,MOSFET 作为开关器件,其开关速度不仅影响功率损耗,还影响 EMI(电磁干扰)和系统的可靠性。此引脚是个由外部电阻器设置的7级输入引脚
同样的设置不同模式的外接方法如下所示:直接接上DVDD、接上18KΩ的电阻最后再接上一个DVDD的电源、接上75KΩ的电阻最后再接上一个DVDD的电源、接上大于500KΩ的电阻最后再接上GND、接上75KΩ的电阻最后再接上GND、接上18KΩ的电阻最后再接上地、直接接上地。
2.5 nFAULT
故障指示器输出:此项在正常的时候要被拉高,主控检测的时候注意不要搞反了。此引脚在故障条件下被拉低逻辑电平,需要外部上拉电阻。
2.6 VREF
电流检测放大器提供输入和基准。必须连接到地在VR EF和A GND引脚之间连接一个Ф5R或Ф7R、0.1μF、6.3 V的陶瓷电容
2.7 SOA~SOC
SOA, SOB, SOC 是 DRV8323RH 芯片的 电流检测放大器输出引脚,用于提供电流采样信号给 MCU 进行电流控制(如 FOC 或电流保护)。这些引脚与 CSA(电流检测放大器) 相关,负责放大来自 SHUNT 电阻(Rsense)的电流信号。
连接主控ADC进行检测的时候通常需要串联一个小阻值的电阻进行分压处理,当然依据下面的这个检测电流的计算公式,需要根据电机的输入电流的范围合理选择不同的增益值。
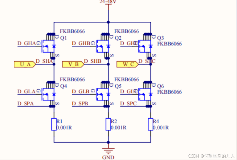
2.8 GHA~GHC SHA~SHC GLA~GLC SPA~SPC
上面这几个都是连接外接逆变器的MOSFET管的不同的位置,以达到控制不同其进行开关的动作的作用。
具体的每一个引脚的介绍就直接贴上图进行展示吧
2.9 SNA~SNC
SNA、SNB、SNC 是 低端 MOSFET 源极(Source)连接点,主要用于 低端电流采样。这些引脚直接连接到低端 MOSFET(LS MOSFET)的 Source 端,并用于 分流电阻(Shunt Resistor) 采样电流信号,提供给 CSA(电流检测放大器) 进行电流测量。
2.9 FB / CPL / CPH / VCP / VM / VDRAIN
上面的这些引脚一般就是对于不同的系统其接法都是大同小异的,所以就直接放在一起进行介绍了
1. FB (Feedback) 引脚
-
作用:用于 反馈控制,通常与 电流环 和 电压环 控制相关。
-
功能:FB 引脚通常连接到反馈电路,如 电流感应分流电阻(Shunt Resistor),或者与其他控制系统相关。FB 引脚的反馈信号会帮助芯片 调整输出电压或电流,确保电机驱动器在期望的参数下运行。
-
用途:通常用于确保系统在动态负载变化时的稳定性,并帮助实现更精准的电流或电压控制。
2. CPL (Current Limit) 引脚
-
作用:电流限制,用于配置芯片的过流保护功能。
-
功能:CPL 引脚允许外部电路设置一个电流限制阈值。如果电流超过设定的阈值,芯片会 自动限制输出电流 或 切断驱动器,以保护电机和驱动器。
-
用途:通常与外部电流限制电路一起使用,或者直接由 MCU 控制 来防止电流过大导致的系统损坏。
3. CPH (High-Side Gate Drive) 引脚
-
作用:用于驱动 高端 MOSFET(High-Side MOSFET)。
-
功能:CPH 引脚是 高端 MOSFET 驱动电路 的控制输入,通过 开关管控制信号 来驱动 MOSFET 的栅极(Gate),使 MOSFET 在需要时打开或关闭,从而实现电流的调节和电机的驱动。
-
用途:该引脚直接影响高端开关的开关操作,确保高端 MOSFET 被正确驱动,支持更高效的电机控制。
4. VCP (Bootstrap Capacitor) 引脚
-
作用:连接到 bootstrap 电容器,用于 高端 MOSFET 的栅极驱动电源。
-
功能:VCP 引脚为 高端 MOSFET 的驱动电路提供电压,并储存充电电能。Bootstrap 电容器将为高端 MOSFET 提供足够的栅极驱动电压,以确保 MOSFET 在需要时能够完全打开。
-
用途:在 高端驱动器(High-Side Driver) 工作时,VCP 电压为其栅极提供所需的电压,通常需要一个外部电容器连接到该引脚。
5. VM (Motor Supply Voltage) 引脚
-
作用:用于连接 电机驱动电压(通常为电机供电电池或电源)。
-
功能:VM 引脚用于连接电机驱动电压源,通常为 直流电源 或电池。该电压为 功率部分的电路(如 MOSFET) 提供所需的工作电压。
-
用途:此引脚为驱动芯片的 功率电路 提供电源,使得芯片能够驱动电机并控制电机的转速和转矩。
6. VDRAIN (Drain of Power MOSFET) 引脚
-
作用:用于连接 功率 MOSFET 的漏极(Drain)。
-
功能:VDRAIN 引脚是芯片中功率 MOSFET 的一个重要反馈引脚,它连接到 MOSFET 的漏极,通常用于监测电机的功率输出或电流。
-
用途:该引脚主要用于 功率监测,例如 电压监控、短路保护、过流保护 等。它也有助于实现 功率MOSFET的工作状态监控。
2.10 nSHDN / VIN / NC / SW / CB
1. nSHDN (Shutdown) 引脚
-
作用:用于 关闭芯片 或 使芯片进入休眠模式。
-
功能:nSHDN 引脚是一个 低电平触发输入,当该引脚被拉低时,芯片会 进入关闭状态,停止输出信号,减少功耗。该引脚可用于系统断电或需要停止驱动时。
-
用途:可通过微控制器或外部电路控制,使系统在不需要驱动电机时进入低功耗模式,节省能源。
2. VIN 引脚
-
作用:为芯片提供 输入电压。
-
功能:VIN 引脚用于连接芯片所需的 输入电源电压。通常该电源电压用于 控制电路部分,而不用于直接驱动电机。它为芯片的 逻辑电路 提供所需的电压(如 5V 或 3.3V)。
-
用途:这个引脚的电压通常会比 VM 引脚 低,提供给芯片的数字和模拟电路部分,以保持芯片正常工作。
3. NC 引脚
-
作用:代表 未连接(Not Connected) 引脚。
-
功能:NC 引脚 不与任何电路连接,通常是芯片的 预留引脚,设计时没有任何特定的功能或用途。
-
用途:该引脚可以在 PCB 布线时 忽略连接,不影响芯片的功能。
4. SW 引脚
-
作用:用于连接 电源开关或驱动电流回路。
-
功能:SW 引脚通常与芯片的 功率 MOSFET 开关 相关,用于传输功率电流的开关信号。它连接到电源的 开关节点,通常作为电流回路的输入或输出。
-
用途:SW 引脚用于连接电机驱动部分,与 VM 引脚 和 VDRAIN 引脚 等共同协作,控制电流和电压的分配,进而驱动电机。
5. CB 引脚 (Bootstrap Capacitor)
-
作用:用于连接 bootstrap 电容器,为 高端 MOSFET 的栅极提供电压。
-
功能:CB 引脚连接到 bootstrap 电容器,该电容器用于储存能量并为 高端 MOSFET 栅极 提供所需的电压。通过这种方式,CB 引脚为芯片提供 高端驱动电源,确保 MOSFET 在驱动电机时能够开关自如。
-
用途:确保高端 MOSFET 有足够的栅极电压,以确保驱动电流流动并提高效率。
这款芯片的引脚的作用就简单介绍了一下,如果有错误的地方欢迎大家进行指正。。。