当前位置: 首页 > news >正文

【小白调试电路板】

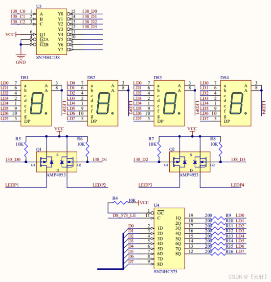
故障点:中间两个数码管不亮,第一个数码管显示不对,应是F(从现场观察,三个数码管显示的东西都在第一个上面显示了)
在这里插入图片描述

根据原理图,可知
在这里插入图片描述

U4(段码)没问题,
分析:
1.Q1,Q2可能有问题
2.数码管可能有问题
3.其他问题
根据datasheet用万用表检查各个引脚输出是否正常
在这里插入图片描述
在这里插入图片描述
在这里插入图片描述

从数据可得,
①可能是程序问题
自己写个测试程序,直接让中间的管子亮,
P20=1;
P21=0;
P22=0;
P54=0;
P1=0XC0;
P54=1;
可是中间管子没亮
②检查38译码器
输入是P20=0;
P21=0;
P22=0;
所以38译码器无问题
③检查51单片机
在这里插入图片描述

与38译码器相连正确
在这里插入图片描述

可是当程序是P20=1;
P21=0;
P22=0;
输出是P20=0;
P21=0;
P22=0;
可是当程序是P20=0;
P21=1;
P22=0;
输出是P20=0;
P21=0;
P22=0;
最终,单片机芯片还是换了,可是问题还是没解决
④可能是板面不整洁
清理后,还是不行
⑤用示波器观察38译码器输入
只有第一个数码管第二个数码管亮的条件
问题小总结:
51芯片在输入000,100,010时,输出都是000
110输出110
当输入001,101,011时,输出都是001
111输出111
其他正常
发现问题
P20和P21相与
所以P20应该和p21相连
实际
在这里插入图片描述

确实相连
最终,问题解决

在这里插入图片描述

问题总结:
1.不到万不得已,芯片不能拆
2.还是要静下心来

http://www.dtcms.com/a/75927.html

相关文章:

  • 剑指 Offer II 109. 开密码锁
  • SpringBoot-MVC配置类与 Controller 的扫描
  • keepalived应用
  • Day19:把数字翻译成字符串
  • 蓝桥杯每日五题第一日
  • 计算机网络的框架结构
  • 每日一题--计算机网络
  • Maven常见问题汇总
  • 【C++内存管理】
  • 教材与课程的协同-以计算机网络专业为例
  • CopyOnWriteArrayList 和 CopyOnWriteArraySet对比
  • rclone工具迁移minio数据
  • 【JAVA】】深入浅出了解cookie、session、jwt
  • Lora微LLAMA模型实战
  • 相机光学(四十七)——相纸材质
  • 博客迁移----宝塔面板一键迁移遇到问题
  • CSV加密代码分析
  • 函数凹凸性
  • matlab 正态分布
  • MySQL二进制日志格式有哪几种
  • HTML5 Canvas 的俄罗斯方块游戏开发实践
  • 【NTP系列】ntp同步原理
  • 下面从源码的角度看Spring Boot设计模式
  • python-leetcode 56.电话号码的字母组合
  • 在Electron中实现实时下载进度显示的完整指南
  • 深入解析 SQL 事务:确保数据一致性的关键
  • 程序化广告行业(27/89):供应商筛选、比稿流程与广告透明化要点
  • android开发:组件事件汇总
  • 停车场停车位数据集,标注停车位上是否有车,平均正确识别率99.5%,支持yolov5-11, coco json,darknet,xml格式标注
  • Centos7更换仓库源为阿里云镜像