【秣厉科技】LabVIEW工具包——HIKRobot(海康机器人系列)
文章目录
- 前言
- 安装
- 函数选板
- 范例与帮助
- 范例1:单相机连续采样
- 范例2:单相机触发模式
- 范例3:多相机并行采样
- 对接 OpenCV 与 NI Vision
- 帮助文档
- 总结
前言
HIKRobot 工具包,将计划在 LabVIEW 环境下实现多种 “海康机器人” 公司的设备接口。
目前已实现:
MV_Camera,即工业相机(型号以 “MV-C” 开头)的接口,可用于工业相机的图像采集与参数配置,并兼容 GigE 、USB3.0 等多种协议。采集图像支持多种格式,包括 Mat 类型,可与 OpenCV 工具包对接,进行后续图像处理。
更多设备接口将会陆续推出,敬请期待!
安装
此工具包免费,但其中包含的几个非必须VI,需要依赖我们的 OpenCV 工具包 或 NI Vision Development 模块。
首先获取安装包,可以下载本文绑定的 CSDN 资源,也可以从我的官网下载。
官网地址:https://www.molitecservice.com
系统要求:Windows 64位,LabVIEW>=2018,兼容 32位 与 64位。
下载后,直接双击 .vip 文件,将在VIPM环境下进行安装。

安装过程中,软件会通过检查系统环境,决定您是否需要安装工业相机驱动(MVS_SDK)。如果需要,将会自动进入安装向导,请按照向导提示进行安装。安装结束后,需要重启LabVIEW!
(驱动安装包位于 <LabVIEW 安装路径>/vi.lib/Molitec/HIKRobot/_libs 文件夹中。如果将 VI 导出成 exe,那么运行 exe 的电脑也需要安装这个驱动。可以将安装包拷贝到目标电脑,手动安装。)

函数选板
安装完成后,工具包位于:函数选板>>Addons>>Molitec>>HIKRobot
目前只有一个工业相机类:MV_Camera。

范例与帮助
在LabVIEW下,点击菜单栏:帮助(Help)>>查找范例(Find Examples)
在窗口左侧点击目录结构(Directory Structure),右侧找到并展开Molitec目录。
HIKRobot 工具包的范例位于 HIKRobot 子目录下:

范例1:单相机连续采样
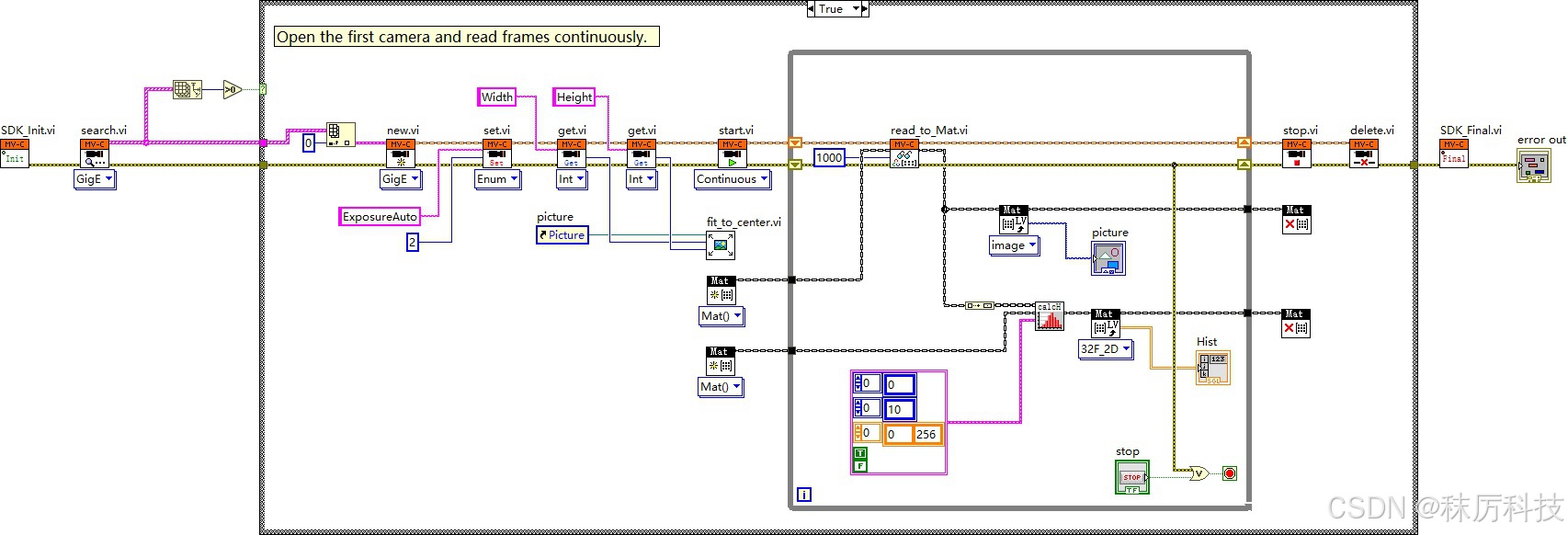
一次完整的相机采样过程,需依次调用的API:
| SDK_Init | search | new | set or get | start | read | stop | delete | SDK_Final |
|---|---|---|---|---|---|---|---|---|
| SDK初始化 | 搜索相机 | 创建相机 | 参数读写 | 开始采样 | 读取图像 | 停止采样 | 注销相机 | SDK反初始化 |
对于单相机连续采样,范例程序框图如下:


提示:
1、运行范例或使用工具包函数前,请先关闭其他可能占用相机的客户端软件,以免造成冲突;
2、如果使用 GigE 相机,推荐您在网络适配器设置中,开启 “巨型帧” 并设为 9KB MTU,以便达到最佳性能;
3、使用 fit_to_center.vi 可以让 picture 控件自动将图像缩放并居中;
4、LabVIEW 的图形渲染效率不高,在超高分辨率下,picture 画面可能会一闪一闪的。如果出现此现象,可以对 picture 控件点右键,然后取消勾选 “Erase First” 选项。或者也可以将 LabVIEW 切换至高性能显卡运行;
5、工业相机一般都是小光圈、低曝光的特性。为了避免图像漆黑一片,本范例通过 set 函数设置了自动曝光参数 ExposureAuto,并且在拍摄环境中适当补充了额外光源。(更多可配参数,可在VI帮助文档中查看)

范例2:单相机触发模式
所谓触发模式,就是以软件或硬件传递的触发信号作为 “快门”,每次触发时采集一帧画面。
以下范例将 start 函数切换至 Trigger 模式,并设置触发源为 Software。然后通过点击面板的 Trigger 按钮,手动发送触发信号。read 函数只会在收到触发信号时返回一帧画面,否则抛出超时错误。


范例3:多相机并行采样
如下图,多个相机可以并行采样,分别独占一个线程。其中 SDK 初始化 与 反初始化,分别只须进行一次。

对接 OpenCV 与 NI Vision
将范例1中的 read.vi 替换成选板中的 read_to_Mat.vi,就可以将采集的工业相机画面输出为 Mat 格式,然后再使用 OpenCV 的相关API进行图像处理。如下图,采集画面后计算直方图。

类似的,替换成 read_to_IMAQ.vi 后,可以读取为 IMAQ 格式,然后使用 NI Vision 进行直方图计算。

用户可以根据自己的使用习惯,选择对接哪种图像处理工具。
帮助文档
函数配有详细帮助文档,对函数点右键>>Help,打开对应的帮助文档。

总结
本系列博文,将为大家带来多种基于LabVIEW的工具包,均为【秣厉科技】原创,欢迎大家下载体验!
各位看官有什么想法、建议、吐槽、批评,或新奇的需求,也欢迎留言讨论。更多内容将持续奉上。
