电力电子技术 第十二章——方波逆变器
参考教程:https://www.bilibili.com/video/BV1pS4y1g7D9?spm_id_from=333.788.videopod.episodes&vd_source=8f8a7bd7765d52551c498d7eaed8acd5
一、逆变器的引入
1、逆变器与整流器的区别
整流器的作用是将交流电转换为直流电输出,逆变器与之相反,它的作用是将直流电转换为交流电输出
2、开关式DC-AC逆变器举例
下图所示的是使用了开关式DC-AC逆变器的电路示意图
左图中,左侧输入的交流电经过二极管整流器整流后转换为直流电,然后再经过开关式DC-AC逆变器即可转换为交流电用于驱动电机,功率流向是单向的
右图中,将二极管整流器替换为开关式转换器,则可以实现功率的双向流动

3、逆变器的工作象限
在规定了电流和电压的参考方向后,以同参考方向为例,如果电流和电压的实际方向相同,则转换器工作在逆变态,此时功率的流向为输入流向输出(功率输出),否则转换器工作在整流态,此时功率的流向为输出流向输入(功率回收)


二、初入电压源型逆变器
1、单相全桥电压型逆变器
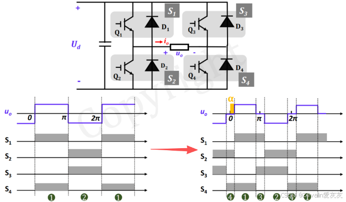
(1)下图所示的是单相全桥电压型逆变器的原理图,直流输入侧为恒定电压,交流输出侧为方波或准方波电压,电流由负载决定,IGBT在功率正向流动(功率输出)时导通,IGBT反向并联的二极管在功率反向流动(功率回收)时导通。

(2)分析单相全桥电压型逆变器时,可将并联的IGBT与二极管视为一个整体的开关,它们按照对角线分为两组,交流输出为方波电压时,两组开关在一个开关周期内交替导通。

当开关S1和S4导通时,上左图中的粉色回路导通,不难求出输出电压,在此状态下又细分为两个状态:
①当时间位于上右图浅粉色区域中时,电流与电压反向,IGBT和二极管不导通反向电流,因此Q1和Q4截止、D1和D4导通,逆变器工作在整流态
②当时间位于上右图深粉色区域中时,电流与电压同向,IGBT和二极管导通正向电流,因此Q1和Q4导通、D1和D4截止,逆变器工作在逆变态
当开关S2和S3导通时,上左图中的绿色回路导通,不难求出输出电压,在此状态下又细分为两个状态:
①当时间位于上右图浅绿色区域中时,电流与电压反向,IGBT和二极管不导通反向电流,因此Q2和Q3截止、D2和D3导通,逆变器工作在整流态
②当时间位于上右图深绿色区域中时,电流与电压同向,IGBT和二极管导通正向电流,因此Q2和Q3导通、D2和D3截止,逆变器工作在逆变态
2、单相半桥电压型逆变器
(1)下图所示的是单相半桥电压型逆变器的原理图,直流输入侧为恒定电压,均分在两个串联的电容上,交流输出侧为方波或准方波电压,电流由负载决定,IGBT在功率正向流动(功率输出)时导通,IGBT反向并联的二极管在功率反向流动(功率回收)时导通。

(2)分析单相半桥电压型逆变器时,可将并联的IGBT与二极管视为一个整体的开关,交流输出为方波电压时,它们在一个开关周期内交替导通。

当开关S1导通时,上左图中的粉色回路导通,不难求出输出电压,在此状态下又细分为两个状态:
①当时间位于上右图浅粉色区域中时,电流与电压反向,IGBT和二极管不导通反向电流,因此Q1截止、D1导通,逆变器工作在整流态
②当时间位于上右图深粉色区域中时,电流与电压同向,IGBT和二极管导通正向电流,因此Q1导通、D1截止,逆变器工作在逆变态
当开关S2导通时,上左图中的绿色回路导通,不难求出输出电压,在此状态下又细分为两个状态:
①当时间位于上右图浅绿色区域中时,电流与电压反向,IGBT和二极管不导通反向电流,因此Q2截止、D2导通,逆变器工作在整流态
②当时间位于上右图深绿色区域中时,电流与电压同向,IGBT和二极管导通正向电流,因此Q2导通、D2截止,逆变器工作在逆变态
3、推挽电压型逆变器
下图所示的是推挽电压型逆变器的原理图,它相当于单相全桥电压型逆变器的变式,使用变压器替代了两对开关组件,其中输入侧变压器的抽头处于中间位置,输入输出匝数比为2:1,在对其做分析时,同样可以把并联的IGBT与二极管视为一个整体的开关,交流输出为方波电压时,它们在一个开关周期内交替导通

当开关S1导通时,左侧回路导通,不难求出输出电压
当开关S2导通时,右侧回路导通,不难求出输出电压
4、谐波分析

三、深入电压源型逆变器
1、准方波电压的输出
(1)前面介绍单相全桥电压型逆变器的时候,两对开关是交替导通的,此条件下输出侧将产生方波电压,如果对控制方法进行改善,让两对开关管不是严格地交替导通,如下图所示,只要保证S1、S2不同时导通,S3、S4不同时导通,那么输出侧将产生准方波电压,不难发现,其形状会更像正弦波。

(2)用表征两对开关管的轮换导通相位差,不难得出基波的幅值可通过控制
调节,要想消除某些谐波成分,也可通过控制
实现,但需要注意的是,这二者不能单独控制,因为只有一个
参数,如果控制
消除谐波,那么可以在前面增加一级DC-DC变换器用于调节基波的幅值;另外需注意不能用半桥逆变器实现准方波电压的输出。


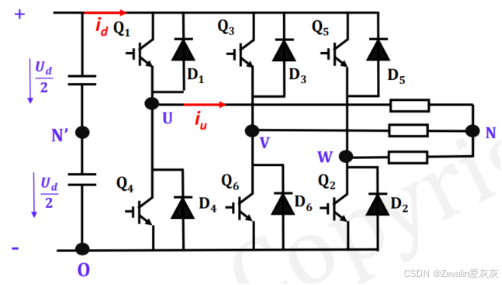
2、三相电压型逆变器
(1)下图所示的是三相电压型逆变器。

(2)N点电压分析:



四、电流源型逆变器
1、单相全桥电流型逆变器
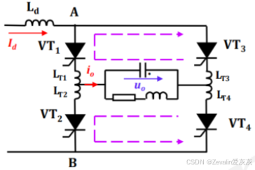
(1)下图所示的是单相全桥电流型逆变器的原理图,直流输入侧串联一个高阻抗的电感,可认为输入电流为恒定电流,交流输出侧电流为准方波电流。由于恒定电流不能断路,因此必须保证任何时候上下都有晶闸管导通,这里与电压型逆变器不同的是,电压型逆变器要求“换管”时同一垂线上的IGBT不能同时导通,而电流型逆变器要求“换管”时同一垂线上的晶闸管需要同时导通,以实现电流换向。

(2)体现输出侧的漏感,如下图所示,晶闸管的开关频率略高于谐振频率。

在状态1下,晶闸管VT1和VT4导通,不难得出、
,输入电流对负载的电容充电

在状态2下,给予晶闸管VT2和VT3门极高电平信号,打开晶闸管VT2和VT3,此时电流回路由VT1和VT4逐渐切换至VT2和VT3,也就是电流换向,通过分析VT1的电压可知,当4个晶闸管同时导通时,如果没有漏感的存在,根据基尔霍夫电压定律可知,VT1将承受(电容提供的)反向偏压,因此它最后一定是会关断的,只是漏感让它“苟活”了一小段时间,VT4亦是同理

状态3和状态4与前两个状态具有高度对称性,这里不再过多赘述
2、三相全桥电流型逆变器
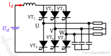
(1)下图所示的是晶闸管实现的三相全桥电流型逆变器原理图,其分析方法与单相全桥电流型逆变器类似,此处不再过多赘述。

需要注意的是,当线电流突变时,根据电容的伏安特性表达式,不难理解线电压出现毛刺的原因

(2)下图所示的是二极管和晶闸管实现的三相全桥电流型逆变器原理图,其输入输出波形与晶闸管实现的三相全桥电流型逆变器基本一样。

二极管和晶闸管实现的三相全桥电流型逆变器是通过电容实现强制换向的,以U、V换向为例,换向前后一共经历4种子状态,如下图所示,其中C13为C3与C5串联后再与C1并联的等效结果
状态1下,VT1导通、VT3关断,受电容C13的影响,VT3正在承受正向偏压,此时电流从U相流向W相
状态2下,门极信号驱动VT3导通,受电容C13的影响,VT1会因承受反向偏压而被动关断,此时电流从U相流向W相,电容持续放电,直至电压降为0
状态3下,电容开始充电,此时正式进入U、V的电流换向
状态4下,电容完成充电,标志着U、V的电流换向完成,此时电流从V相流向W相


五、多逆变器电路及多电平逆变器
1、多逆变器电路举例
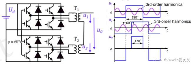
(1)下图所示的是两个单相全桥电压型逆变器通过变压器在输入侧并联、在输出侧串联,其中第二个单相全桥电压型逆变器的波形相比第一个滞后60°,将它们的输出电压相加,可以消除它们的三次谐波,这可通过傅里叶级数展开进行验证。

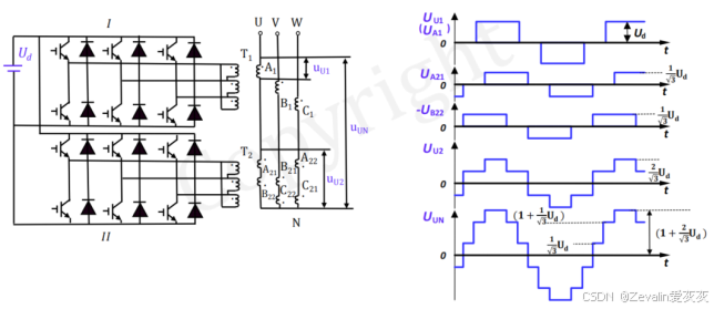
(2)下图所示的是两个三相全桥电压型逆变器串联相接,根据先前的分析经验,不难得出下图所示的结果,可以发现输出电压的波形离正弦波更近一步了。

2、多电平逆变电路举例
(1)通过对若干开关管的联合控制,可以使输出电压呈现不同的电平,以此控制输出电压逼近正弦波,只要电平划分越细,那么就越接近正弦波,但相应地,电路成本及控制难度也会高很多。

(2)下图所示的是H桥级联多电平逆变器原理图,通过将输出不同方波(周期相同)的H桥级联,把它们的输出方波全部相加,也可达到逼近正弦波的目的,且H桥级联结构清晰,各H桥之间不会相互影响,因此实现起来也是比开关管简单的。

