FP8013降压恒流单芯片切五路调光调色方案
FP8013单芯片切五路工作原理:
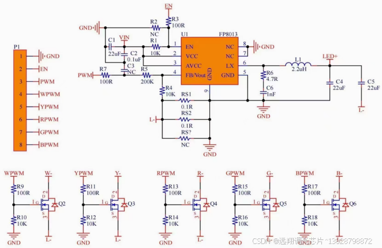
优势:芯片体积小、静态功耗低、高效率。输入单节锂电3.7V或5V电压,通过降压恒流芯片FP8013降压到3V/3A,最后通过五路MOS切换调色输出应用。
FP8013工作电压2.5V~5.5V,适用于单节锂电池和USB口5V输入,内置MOS最大可支持3A恒流输出。

五路调光电路原理图
内置高低侧切换MOS,同步整流工作模式,实现高效率与简化周边元件,延长应用电池的寿命。

低压差应用可支持100%占空比,内建软启动、过热保护与过电流保护功能,确保电路在异常情况下能够安全关闭或降低输出。

通过PWM信号或电阻调节FB脚的电压,实现无频闪调光功能。
可以设计单色带档位调光、双色温无极调光或可调电阻无极调光等功能。

FP8013除了应用在摄影灯上以外,其他几大热门市场像大功率手电筒,自行车灯,网络摄像机都有它的身影

