一文了解高压互锁功能
最近工作中接触到高压互锁功能,对于单个控制器,做好这个功能,需要对整车是如何实现高压互锁有所概念,从而才能更清晰单个控制器的所起到的作用,因此本文对此进行介绍,包括高压互锁的概念,组成和工作原理等内容。

source: 什么是 HVIL?
1 什么是高压互锁
高压互锁(High Voltage Inter-lock,简称HVIL)是电动汽车和混合动力汽车中的一种重要的安全设计方法,高压互锁是通过低压信号来检查电动汽车上所有与高压线束相连的各组件,检测各个高压系统回路的电气连接完整性,当高压系统回路断开或者完整性受到破坏时,启动安全措施。比如:
检测高压回路松动:高压互锁可以检测到高压回路的松动,这种松动可能导致高压断电,从而使整车失去动力,影响乘车安全。在高压断电之前,高压互锁会提供报警信息,预留整车系统采取应对措施的时间。
上电前检测:在车辆上电行车之前,高压互锁会检测高压回路的完整性。如果检测到电路不完整,系统将无法上电,从而避免因虚接等问题导致的事故。
防止人为误操作:在高压系统工作过程中,如果没有高压互锁设计,手动断开高压连接点时,会在断开瞬间产生高电压,可能对断点周围的人员和设备造成伤害。高压互锁可以防止这种情况发生。
在 ISO 国际标准“ISO 6469-3:2001,电动道路车辆 - 安全规范 - 第 3 部分:保护人员免受电气危险”中,规定电动汽车上的高压组件应具有高压互锁装置。
高压互锁包括电池组、线束、连接器、DC-DC、电机控制器、配电箱和保护罩等的电气安全,如何来实现,可以从机械层面和控制器层面来了解。
在机械层面,所有高压连接器应具备机械互锁装置,HVIL 引脚设计为在连接过程中仅在 HV 引脚连接后连接,在断开过程中先断开。这确保了只要 HVIL 引脚已连接,HV 引脚就会保持连接状态,从而保持安全。具体如下示意:


source: HVIL 解释:电动汽车 HVIL 综合指南 - 电动汽车充电解释
在控制器层面,高压互锁使用低压信号来监测高压回路的完整性,低压监测回路通常比高压回路先接通,后断开,中间保持必要的提前量,提前时间长短可以根据项目具体情形确定,但必须确保在高压回路断开之前,系统已经采取了相应的安全措施。

source: HVIL 解释:电动汽车 HVIL 综合指南 - 电动汽车充电解释
比如高压互锁监控回路将预定义的电流(通常为几毫安)施加到高压互锁回路并测量返回的电流。如果测得的电流与预定义的电流相匹配,则表明 HV 系统中的所有连接器都已牢固连接,并且可以安全地激活 HV。相反,如果连接器断开连接或连接松动,导致测量电流减少(或 0A),则表明 HV 连接器状态有问题。检测到问题后,HVIL 监控单元将此信息传送给电子控制单元 (ECU),电子控制单元 (ECU) 控制 HV 继电器(例如,上图中的电池管理系统)以停用 HV。
对于单个控制需要具有测量 HVIL 参数(电流和电压)的能力。例如,在上图中,电池管理系统和车载充电器可以测量 HVIL 参数,而电机驱动逆变器则缺乏此功能。

如果组件配备了测量 HVIL 参数的设备,它们可以按如下方式传达状态,这对于精确定位连接器问题的位置非常有用:
如果 HVIL 电流与预定义值匹配,则 HVIL 系统运行正常。
如果 HVIL 电流与预定义值不匹配,并且“HVIL In”和“HVIL Out”电压均为 0V,则表示“HVIL In”侧的组件出现故障。
如果 HVIL 电流与预定义值不匹配,并且“HVIL In”和“HVIL Out”电压均高于 0V,则表示“HVIL Out”侧的组件出现故障。
如果 HVIL 电流不是预定义的,“HVIL In”电压> 0V,“HVIL Out”电压为 0V,则表明同一组件内部存在故障。
2 高压互锁实现
下面来列举一种高压互锁实现的架构,如下图所示:
一路是电池包自身高压互锁回路;
一路是VCU、电机系统、PTC,压缩机及充电机组成的高压互锁回路。

source: 什么是 HVIL |HVIL 含义,电动汽车中的 HVIL 电路
BMS检测电池高压互锁回路并发送给VCU高压互锁状态;VCU供电12V给另一路高压互锁回路并检测回路高压互锁状态,VCU检测高压互锁状态并收到BMS高压互锁检测状态后对整车高压互锁状态进行判断。
1)具体的高压互锁策略是:
VCU高压互锁输出管脚输出12V高电平,高压互锁输入管脚采集到超过8V高电平,认为动力系统高压互锁正常,否则认为动力系统高压互锁故障;
VCU通过CAN报文收到BMS高压互锁状态为正常,认为电池系统高压互锁正常,否则认为电池系统高压互锁故障;
VCU根据动力总成高压互锁状态及接收BMS发送的电池系统高压互锁状态,(第1点和第2点关系为逻辑关系“与”),判断整车高压互锁状态是否正常并实时发送CAN报文(高压互锁判断时间为150ms)。
这样就可以得出高压互锁判断的逻辑,如下表所示:
VCU检测高压互锁状态 | 电池系统高压互锁状态 | 整车高压互锁状态 |
0 | 0 | 0 |
0 | 1 | 1 |
1 | 0 | 1 |
1 | 1 | 1 |
注:0:高压互锁正常;1:高压互锁故障状态。
针对来自于不同的高压互锁故障,设计相应的故障处理策略,比如:
序号 | 故障名称 | 故障处理方式 | 备注 |
1 | BMS高压互锁故障 | 禁止上高压、整车高压下电 | |
2 | VCU高压互锁故障 | 禁止上高压、整车高压下电 |
除此之外,高压互锁回路应具备可以直接断开高压回路,以及车辆必须报警指示,比如通过仪表指示灯或声音等形式提醒驾驶员等后处理措施,尽可能保证高压安全。
3 高压互锁检测电路方案
高压互锁检测电路方案主要有两种:直流源方案和脉宽调制(PWM)方案。
直流源方案:外部施加一个直流源在整个HVIL环路上面,通过检测V1\V2处的电压,来诊断高压连接器状态;当高压连接器插合时,HVIL端子短路,电压检测点的电压保持稳定;当高压连接器断开时,HVIL端子开路,电压检测点的电压发生变化。
PWM方案:通过一个可控的开关(如MOSFET)和定时器生成88Hz的PWM信号,同样还是检测V1\V2处的电压,来诊断高压连接器状态;当高压连接器插合时,HVIL端子短路,PWM信号正常传输;当高压连接器断开时,HVIL端子开路,PWM信号中断。

source: 浅析BMS里面的高压互锁(HVIL)电路
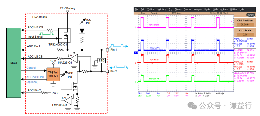
若对高压互锁电路设计有兴趣可以参考TI的文档,链接路径如下:
Automotive High-Voltage Interlock Loop (HVIL) Reference Design
Automotive High-Voltage Interlock Monitoring Reference Design (Rev. A)

source: Automotive High-Voltage Interlock Loop (HVIL) Reference Design
