当前位置: 首页 > news >正文

STM32H743-ARM例程26-TCP_CLIENT

目录

  • 实验平台
  • 互联网模型
    • TCP/IP五层模型
  • 以太网
    • PHY层
    • MAC子层
  • TCP/IP协议栈
  • ETH
  • PHY:LAN8720A
  • 原理图
  • STM32CubeMX生成工程
  • 实验程序
  • 实验现象

实验平台

硬件:银杏科技GT7000双核心开发板-ARM-STM32H743XIH6,银杏科技iToolXE仿真器
软件:最新版本STM32CubeH7固件库,STM32CubeMX v6.10.0,开发板环境MDK v5.35,TCP&UDP测试工具

互联网模型

  在介绍本章实验前,我们先来了解下互联网相关知识,这样阅读起来遇到专有名词更好理解。
  通信协议是指双方实体完成通信或服务所必须遵循的规则和约定。以太网通信比较复杂,国际标准组织将整个以太网通信结构制定了OSI模型, 总共分层七个层,分别为应用层、表示层、会话层、传输层、网络层、数据链路层以及物理层,每一层都负责不同的功能,从物理连接到应用程序的处理。这种模型有助于不同的系统之间进行通信时,更好地理解和管理网络通信的过程。
在这里插入图片描述
应用层:为应用程序或用户请求提供各种请求服务。OSI参考模型最高层,也是最靠近用户的一层,为计算机用户、各种应用程序以及网络提供接口,也为用户直接提供各种网络服务。

表示层:数据编码、格式转换、数据加密。提供各种用于应用层数据的编码和转换功能,确保一个系统的应用层发送的数据能被另一个系统的应用层识别。如果必要,该层可提供一种标准表示形式,用于将计算机内部的多种数据格式转换成通信中采用的标准表示形式。数据压缩和加密也是表示层可提供的转换功能之一。

会话层:创建、管理和维护会话。接收来自传输层的数据,负责建立、管理和终止表示层实体之间的通信会话,支持它们之间的数据交换。该层的通信由不同设备中的应用程序之间的服务请求和响应组成。

传输层:数据通信。建立主机端到端的链接,为会话层和网络层提供端到端可靠的和透明的数据传输服务,确保数据能完整的传输到网络层。

网络层:IP选址及路由选择。通过路由选择算法,为报文或通信子网选择最适当的路径。控制数据链路层与传输层之间的信息转发,建立、维持和终止网络的连接。数据链路层的数据在这一层被转换为数据包,然后通过路径选择、分段组合、顺序、进/出路由等控制,将信息从一个网络设备传送到另一个网络设备。

数据链路层:提供介质访问和链路管理。接收来自物理层的位流形式的数据,封装成帧,传送到网络层;将网络层的数据帧,拆装为位流形式的数据转发到物理层;负责建立和管理节点间的链路,通过各种控制协议,将有差错的物理信道变为无差错的、能可靠传输数据帧的数据链路。

物理层:管理通信设备和网络媒体之间的互联互通。传输介质为数据链路层提供物理连接,实现比特流的透明传输。实现相邻计算机节点之间比特流的透明传送,屏蔽具体传输介质和物理设备的差异。

TCP/IP五层模型

  TCP/IP是一组协议的代名词,它包括许多协议,组成了TCP/IP协议簇。它是把OSI七层模型简化成了五层模型。每一层都呼叫它的下一层所提供的网络来完成自己的需求.
  开放式系统互联模型(OSI)是一个参考标准,解释协议相互之间应该如何相互作用。TCP/IP协议是美国国防部发明的,是让互联网成为了目前这个样子的标准之一,是互联网通信使用的网络协议,由网络层的IP协议和传输层的TCP协议组成。
在这里插入图片描述
  在TCP/IP模型中,数据链路层又被分为LLC层(逻辑链路层)和MAC层(媒体介质访问层)。目前,对于普通的接入网络终端的设备, LLC层和MAC层是软、硬件的分界线。如PC的网卡主要负责实现参考模型中的MAC子层和物理层,在PC的软件系统中则有一套庞大程序实现了LLC层及以上的所有网络层次的协议。
  由硬件实现的物理层和MAC子层在不同的网络形式有很大的区别,如以太网和Wi-Fi,这是由物理传输方式决定的。 但由软件实现的其它网络层次通常不会有太大区别,在PC上也许能实现完整的功能,一般支持所有协议,而在嵌入式领域则按需要进行裁剪。

以太网

  以太网(Ethernet)是一种基于IEEE 802.3标准的局域网(LAN)技术,用于设备间通过有线或光纤介质进行数据通信。由于它是在组网技术中占的比例最高,很多人直接把以太网理解为互联网。
  以太网基于的IEEE 802.3标准主要是位于参考模型的物理层(PHY)和数据链路层中的介质访问控制子层(MAC)。
  IEEE还有其它局域网标准, 如IEEE 802.11是无线局域网,俗称Wi-Fi。IEEE802.15是个人域网,即蓝牙技术,其中的802.15.4标准则是ZigBee技术。

PHY层

  从硬件的角度看,以太网接口电路主要由MAC(Media Access Control)控制器和物理层接口PHY(Physical Layer,PHY)两大部分构成。如下图所示:
在这里插入图片描述  DMA控制器通常属于CPU的一部分,用虚线放在这里是为了表示DMA控制器可能会参与到网口数据传输中。
  但是,在实际的设计中,以上三部分并不一定独立分开的。由于,PHY整合了大量模拟硬件,而MAC是典型的全数字器件。考虑到芯片面积及模拟/数字混合架构的原因,通常,将MAC集成进微控制器而将PHY留在片外。更灵活、密度更高的芯片技术已经可以实现MAC和PHY的单芯片整合。
  PHY(Physical Layer,物理层)是以太网协议栈中的最底层(OSI模型第1层),负责在物理介质(如电缆、光纤)上传输和接收原始比特流。它是连接数字信号(MAC层)与模拟信号(物理介质)的桥梁,确保数据在硬件层面的可靠传输。
PHY的核心功能

  • 信号调制与编码:
    • 将MAC层发送的数字信号转换为适合物理介质传输的模拟信号(如差分电压、光脉冲)。
  • 常用编码方式:
    • 曼彻斯特编码(10BASE-T)
    • 4D-PAM5(100BASE-TX)
    • PAM4(25G/100G以太网)
  • 时钟恢复与同步:
    • 从接收信号中提取时钟信息,确保发送端与接收端时序一致。
  • 链路检测与自协商:
    • 通过**链路脉冲(Link Pulse)**检测物理连接状态。
    • 支持Auto-Negotiation(自动协商),自动选择最佳速率(10/100/1000Mbps)和双工模式。
  • 错误检测与校正:
    • 使用前向纠错(FEC)技术(如RS-FEC),减少高速传输中的误码率。

MAC子层

  链路层,又称 MAC 层。MAC 的全称为(Medium Access Control),即媒体访问控制,主要负责控制与连接物理层的物理介质。在发送数据的时候,MAC 协议可以事先判断是否可以发送数据,如果可以发送将给数据加上一些控制信息,最终将数据以及控制信息以规定的格式发送到物理层;在接收数据的时候,MAC 协议首先判断输入的信息是否发生传输错误,如果没有错误,则去掉控制信息发送至 LLC 层。
  有关MC数据包本章节不再详解,有兴趣的读者可以参考MAC数据包格式链接。

TCP/IP协议栈

  TCP/IP协议栈是计算机网络通信中的核心概念,它定义了不同计算机之间如何进行数据交换和通信的规则。通俗讲就是符合以太网通信要求的代码集合, 一般要求它可以实现图 TCP_IP参考模型中每个层对应的协议,比如应用层的HTTP、FTP、DNS、SMTP协议, 传输层的TCP、UDP协议、网络层的IP、ICMP协议等等。
  Windows操作系统、UNIX类操作系统都有自己的一套方法来实现TCP/IP通信协议,它们都提供非常完整的TCP/IP协议。对于一般的嵌入式设备, 受制于硬件条件没办法支持使用在Window或UNIX类操作系统的运行的TCP/IP协议栈,一般只能使用简化版本的TCP/IP协议栈, 目前开源的适合嵌入式的有uIP、TinyTCP、uC/TCP-IP、LwIP等等。其中LwIP是目前在嵌入式网络领域被讨论和使用广泛的协议栈。
  LwIP是Light Weight (轻型)IP协议,有无操作系统的支持都可以运行。LwIP实现的重点是在保持TCP协议主要功能的基础上减少对RAM 的占用,它只需十几KB的RAM和40K左右的ROM就可以运行,这使LwIP协议栈适合在低端的嵌入式系统中使用。
  LwIP协议栈主要关注的是怎么样减少内存的使用和代码的大小,这样就可以让LwIP适用于资源有限的小型平台例如嵌入式系统。为了简化处理过程和内存要求,LwIP对API进行了裁减,可以不需要复制一些数据。
其主要特性如下:
(1) 支持多网络接口下的IP转发;
(2) 支持ICMP协议;
(3) 包括实验性扩展的UDP(用户数据报协议);
(4) 包括阻塞控制、RTT 估算、快速恢复和快速转发的TCP(传输控制协议);
(5) 提供专门的内部回调接口(Raw API),用于提高应用程序性能;
(6) 可选择的Berkeley接口API (在多线程情况下使用) ;
(7) 在最新的版本中支持ppp;
(8) 新版本中增加了的IP fragment的支持;
(9) 支持DHCP协议,动态分配ip地址。

ETH

  STM32H743系列控制器内部集成了一个以太网外设,它实际是一个通过DMA控制器进行介质访问控制(MAC),它的功能就是实现MAC层的任务。 借助以太网外设,STM32H743控制器可以通过ETH外设按照IEEE 802.3-2002标准发送和接收MAC数据包。ETH内部自带专用的DMA控制器用于MAC, ETH支持两个工业标准接口介质独立接口(MII)和简化介质独立接口(RMII)用于与外部PHY芯片连接。MII和RMII接口用于MAC数据包传输, ETH还集成了站管理接口(SMI)接口专门用于与外部PHY通信,用于访问PHY芯片寄存器。
  STM32H743自带以太网模块特点包括:

  • 实现10M/100Mbit/s的数据传输速率;
  • 专用DMA控制器允许专用SRAM之间高速传输;
  • 标明MAC支持(VLAN支持);
  • 通过符合IEEE802.3的MII/RMII接口与外部以太网PHY进行通信;
  • 支持全双工和半双工操作;
  • MAC控制子层(控制帧)支持;
  • 32位CRC生成和删除;
  • 支持多种灵活的地址过滤模式;
  • 每次发送或接收32位状态码;
  • 提供接收和发送两组FIFO;
  • 通过SMI(MDIO)接口配置和管理PHY设备;
  • 支持以太网时间戳(参见IEEE1588-2008),时间戳比较器连接到TIM2输入;
  • 当系统时间大于目标时间时触发中断。
  • 支持DMA。

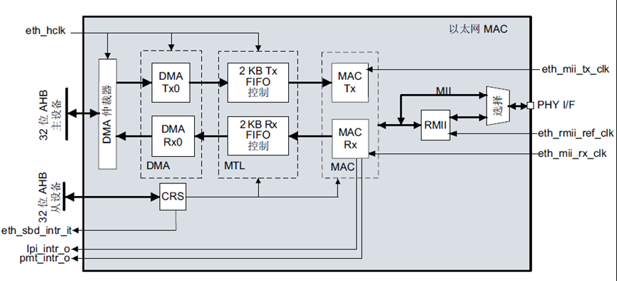
STM32H743以太网功能框图,如图所示:
在这里插入图片描述

PHY:LAN8720A

  LAN8720A是低功耗的10/100M以太网PHY层芯片,I/O引脚电压符合IEEE802.3-2005标准,支持通过RMII接口与以太网MAC层通信,内置10-BASE-T/100BASE-TX全双工传输模块,支持10Mbps和100Mbps。由它组成的网络结构如下图所示:
在这里插入图片描述
LAN8720A功能框图如图所示:
在这里插入图片描述
  LAN8720A可以通过自协商的方式与目的主机最佳的连接方式(速度和双工模式),支持HPAuto-MDIX自动翻转功能,无需更换网线即可将连接更改为直连或交叉连接。LAN8720A的主要特点如下:

  • 高性能的10/100M以太网传输模块;
  • 支持RMII接口以减少引脚数;
  • 支持全双工和半双工模式;
  • 两个状态LED输出;
  • 可以使用25M晶振以降低成本;
  • 支持自协商模式;
  • 支持HPAuto-MDIX自动翻转功能;
  • 支持SMI串行管理接口;
  • 支持MAC接口。

原理图

  GT7000带有LAN8720A嵌入式以太网控制器,本实验实现TCP客户端功能。以PC作为服务器,GT7000作为客户端,PC的IP地址192.168.0.1,端口号为60001,GT7000的IP地址为192.168.0.10,端口随机。当客户端连接到服务器,TCP建立成功即可进行数据信息传输。实验原理图如下
在这里插入图片描述

STM32CubeMX生成工程

我们参考前面章节STM32H743-结合CubeMX新建HAL库MDK工程,打开CubeMX软件,重复步骤不再展示。我们来看配置MPU配置、以太网部分和Lwip部分配置如下图所示:
配置以太网。选用RMII(精简的独立于介质接口)模式
在这里插入图片描述
在这里插入图片描述
在这里插入图片描述
在这里插入图片描述
MPU配置
在这里插入图片描述
LWIP配置
在这里插入图片描述
选择PHY芯片型号。LAN8742向下兼容LAN8720
在这里插入图片描述
这里需要是能IPV6
在这里插入图片描述
这里需要使能IPV6
在这里插入图片描述
注意:在CubeMX配置TCP过程中踩过的坑,给读者提供参考

  1. 在CubeMX配置工程文件中MDK版本号我们要选择v5.27如下图所示,5.32版本可能遇到LWIP初始化卡死问题。
    在这里插入图片描述
  2. 生成工程文件后我们还需要修改Keilv5的编译环境如下图所示:
    在这里插入图片描述
    在这里插入图片描述

实验程序

1. 主函数

int main(void)
{MPU_Config();SCB_EnableICache();SCB_EnableDCache();HAL_Init();SystemClock_Config();MX_GPIO_Init();MX_USART6_UART_Init();MX_LWIP_Init();uart6.initialize(115200);uart6.printf("\x0c");uart6.printf("GT7000 OK!\r\n");HAL_GPIO_WritePin(PHYAD0_GPIO_Port,PHYAD0_Pin,GPIO_PIN_RESET);//PHY复位eth_tcpc.initialize();//初始化TCPwhile (1){MX_LWIP_Process();//连接服务器if(_200ms_flag == 1){//每200ms连接次服务器_200ms_flag = 0;if(!eth_tcpc.connect_flag){eth_tcpc.connection_close(eth_tcpc.tcpc_pcb,0);eth_tcpc.initialize();}}if(eth_tcpc.receive_ok_flag == 1){//如果接收到TCP发来的数据返回该数据内容eth_tcpc.receive_ok_flag = 0;eth_tcpc.send_data(eth_tcpc.tcpc_pcb);  }}
}

2. LwIP初始化

void MX_LWIP_Init(void)
{//设置本机IP,和IP网关IP_ADDRESS[0] = 192;IP_ADDRESS[1] = 168;IP_ADDRESS[2] = 0;IP_ADDRESS[3] = 11;NETMASK_ADDRESS[0] = 255;NETMASK_ADDRESS[1] = 255;NETMASK_ADDRESS[2] = 255;NETMASK_ADDRESS[3] = 0;GATEWAY_ADDRESS[0] = 192;GATEWAY_ADDRESS[1] = 168;GATEWAY_ADDRESS[2] = 0;GATEWAY_ADDRESS[3] = 100;lwip_init();/* IP addresses initialization without DHCP (IPv4) */IP4_ADDR(&ipaddr, IP_ADDRESS[0], IP_ADDRESS[1], IP_ADDRESS[2], IP_ADDRESS[3]);IP4_ADDR(&netmask, NETMASK_ADDRESS[0], NETMASK_ADDRESS[1] , NETMASK_ADDRESS[2], NETMASK_ADDRESS[3]);IP4_ADDR(&gw, GATEWAY_ADDRESS[0], GATEWAY_ADDRESS[1], GATEWAY_ADDRESS[2], GATEWAY_ADDRESS[3]);/* add the network interface (IPv4/IPv6) without RTOS */netif_add(&gnetif, &ipaddr, &netmask, &gw, NULL, &ethernetif_init, &ethernet_input);/* Create IPv6 local address */netif_create_ip6_linklocal_address(&gnetif, 0);netif_ip6_addr_set_state(&gnetif, 0, IP6_ADDR_VALID);gnetif.ip6_autoconfig_enabled = 1;/* Registers the default network interface */netif_set_default(&gnetif);/* We must always bring the network interface up connection or not... */netif_set_up(&gnetif);/* Set the link callback function, this function is called on change of link status*/netif_set_link_callback(&gnetif, ethernet_link_status_updated);/* Create the Ethernet link handler thread */}

3. eth_tcpc初始化

uint8_t PCIP_ADDRESS[4] = {192, 168, 0, 10};
void initialize(void)
{eth_tcpc.tcpc_pcb = tcp_new();IP4_ADDR(&eth_tcpc.rmtipaddr.u_addr.ip4, \PCIP_ADDRESS[0], PCIP_ADDRESS[1], \PCIP_ADDRESS[2], PCIP_ADDRESS[3]);  
tcp_connect(eth_tcpc.tcpc_pcb,&eth_tcpc.rmtipaddr,PC_PORT,connected);
} 

实验现象

1、打开控制面板–>网络和Internet–>网络和共享中心–>更改适配器设置–>以太网属性
在这里插入图片描述
2、Internet协议版本4,选择使用下面的IP地址,然后更改IP地址,IP地址与代码中的设置的一致。
在这里插入图片描述
3、打开测试工具,点击创建服务器,弹出设置端口的窗口,设置为60001
在这里插入图片描述
服务器已经创建完成(如下图),点击启动服务器
在这里插入图片描述
4、在发送区编辑完要发送的数据信息后,点击发送即可收到发送的数据包。如图所示:
在这里插入图片描述

http://www.dtcms.com/a/516235.html

相关文章:

  • 上海先进网站建设公司凡科网站教程
  • 【ffmpeg】win11 python 使用ffmpeg 切割音频
  • macOS环境安装jupyter notebook(极简版)
  • 04_线性回归
  • 自然语言处理实战——基于策略迭代算法的餐厅预订对话系统
  • PHP双轨直销企业会员管理系统/购物直推系统/支持人脉网络分销系统源码
  • 拼接“音频片段”生成完整文件
  • 电影视频网站建设费用wordpress搜索增强
  • 营销型网站建设ppt模板wordpress碎语插件
  • 灵活用工平台如何助力中小企业降本增效:案例分析
  • 【题解】P2216 [HAOI2007] 理想的正方形 [单调队列]
  • UE基础操作2
  • Java IDEA学习之路:第五、六周课程笔记归纳
  • 亚马逊云代理商:怎么使用AWS WAF?
  • 茂名建设企业网站建网站为什么要租空间
  • SOAP 实例详解
  • 【C++】多态深度解析:虚函数表与动态绑定的奥秘
  • 腾讯云网站建设教程企业名录app
  • 重庆做网站有哪些医疗网站建设
  • 语音识别技术之科大讯飞在线API
  • 从案例到实践:仓颉编程语言入门核心知识点全解析
  • VR环境中的概念
  • 闽侯县住房和城乡建设局官方网站猪八戒官网做网站专业吗
  • 十个app制作网站wordpress目录插件
  • PHP全电发票OFD生成实战
  • 利用DuckDB SQL求解集合数学题
  • 做新闻h5网站专业网站建设费用报价
  • 个人网站开发的环境海南省建设网站的公司电话号码
  • C++学习:C++11关于类型的处理
  • LayoutManager