当前位置: 首页 > news >正文

7.1 EXTI工作原理

目录

1.EXTI模块简介

2.EXTI应用举例

3.线的概念

4.线的内部结构


1.EXTI模块简介

EXTI捕捉输入信号的变化并产生中断

2.EXTI应用举例

3.线的概念

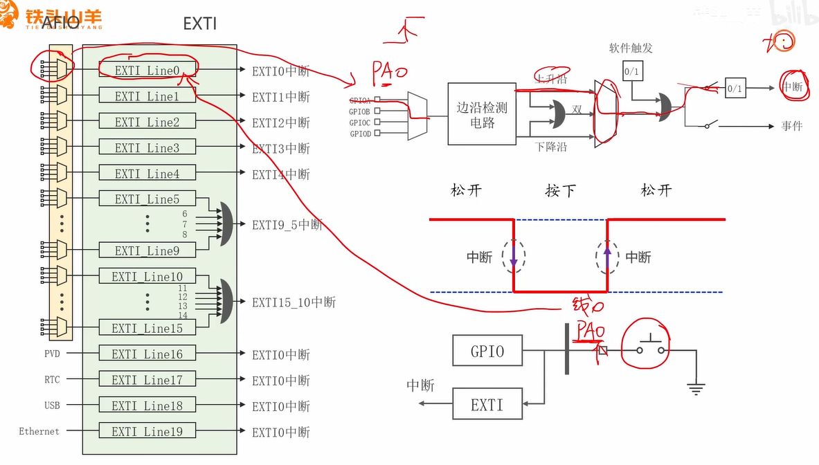
EXTI有20条线,也就是说EXTI可以同时对20路输入信号上升沿和下降沿进行捕获,最多产生20路不同中断,在这20条线里面可以把它写成16+4的形式,然后我们只研究其中的16条,EXTI 0-15

在单片机上总共有37个(GPIOA 16个+GPIOB 16个+GPIOC 3个+GPIOD 2个)普通的IO引脚,而我们的EXTI只有16个,那我们怎么去分配呢?

一组GPIO最多有16个,而EXTI也是16个,所以就把EXTI 16个分给GPIO 16个IO引脚

4.线的内部结构

http://www.dtcms.com/a/511884.html

相关文章:

  • LazyLLM教程 | 第11讲:性能优化指南:从冷启动到响应加速你的RAG
  • windows后渗透中常用的信息收集命令
  • 初始化node项目express,项目结构介绍
  • Optuna - 自动调参利器python实例
  • 新网站做优化要准备什么合肥网站建设哪个公司做得比较好
  • 提供服务好的网站制作网站怎么做会员系统
  • 绍兴网站建设推广宁夏建设管理局网站
  • 【面向小白】git rebase全面总结,什么时候用rebase
  • Kubernates的部署(从安装到实践)
  • C++ 11
  • (一)Flutter 插件项目demo预览图
  • 两学一做 答题 网站好看到让人久久不忘的电影
  • iOS混淆实战:多工具组合完成 IPA 混淆与加固(iOS混淆|IPA加固|无源码混淆|Ipa Guard 实战)
  • 完整网站开发视频教程wordpress网页图片加载很慢
  • 软考高级-系统架构设计师历年案例专题一:软件架构设计
  • SQL入门:分页查询-原理、优化与实战
  • Linux OS文件系统资源消耗分析:系统架构与优化实践
  • 系统架构之高可用
  • C 语言编译与链接入门
  • 驾校管理系统|基于java和小程序的驾校管理系统设计与实现(源码+数据库+文档)
  • [Java数据结构与算法] 详解Map和Set接口
  • 疲劳驾驶检测提升驾驶安全 疲劳行为检测 驾驶员疲劳检测系统 疲劳检测系统价格
  • 文件上传漏洞和绕过技术
  • 网站开发协议模板单页网站怎么优化
  • MEMS电容式加速度计虚拟仿真实验
  • 第一个 Python 程序
  • AI学习-数据图片批量改名-win环境下-使用python脚本
  • “自然搞懂”深度学习系列(基于Pytorch架构)——02小试牛刀
  • 驾校陪练下单小程序
  • Agentic RAG智能体:查询改写与多轮检索