当前位置: 首页 > news >正文

ads基本量的含义和计算方程(1.直流扫描)

注意:本人知识浅薄,大部分内容为ai生成后本人稍加修改,若有错误,在下肯请各位指正。

给大家介绍一个csdn博主,这位博主的ads理解非常透彻,而且他的专栏都是免费的,对于初学者非常友好。

一.s11、s21、s12、s22

S11:输入反射系数,表示端口2匹配时,端口1的反射波与入射波之比。S11越小,说明输入端口匹配越好,反射越小

S22:输出反射系数,表示端口1匹配时,端口2的反射波与入射波之比。S22越小,说明输出端口匹配越好

S21:正向传输系数,表示端口2匹配时,从端口1到端口2的信号传输效率,即增益或插入损耗。S21越大,说明信号传输能力越强

S12:反向传输系数,表示端口1匹配时,从端口2到端口1的反向传输能力,常用于评估电路的隔离性能。理想情况下S12越小越好

S11、S12、S21、S22是射频二端口网络中最常用的S参数,它们分别与以下损耗或网络特性等价

  • S11:端口1的反射系数,等价于端口1的“输入回波损耗”(Input Return Loss),描述有多少能量被从端口1反射回去。S11越小(越负,单位dB),说明端口1匹配越好,反射越小123456789。
  • S12:反向传输系数,等价于“隔离度”(Isolation),描述从端口2到端口1的反向传输损耗。即信号从输出端口2传回输入端口1的损耗,一般用于衡量器件的隔离性能,理想情况下越大越好12367910。
  • S21:正向传输系数,等价于“
    入损耗”(Insertion Loss)或增益(Gain),描述信号从端口1到端口2的正向传输效率。S21越大(越接近0dB,单位dB),说明插入损耗越小,传输效率越高123467910。
  • S22:端口2的反射系数,等价于端口2的“输出回波损耗”(Output Return Loss),描述有多少能量被从端口2反射回去。S22越小(越负,单位dB),说明端口2匹配越好

二.war控件

在ADS(Advanced Design System)软件中,VAR控件主要用于定义和管理电路设计中的变量,这些变量可用于参数扫描、优化设计、统计分析等多种仿真场景。以下是VAR控件的主要用法和相关设置:

1. 添加变量

  • 在ADS原理图中,点击工具栏上的VAR图标,将变量控件放置在原理图上。
  • 双击VAR图标,弹出变量设置窗口,可以添加变量(如W、L、S等),并设置变量的初始值123。

2. 设置变量属性

  • 在变量设置窗口中,可以设置变量的名称、初始值,并通过“Optimization/Statistics Setup…”按钮设置变量的取值范围。
  • 可以将变量设置为“Enabled”(可优化)或“Disabled”(不可优化)14。

3. 用于参数扫描

  • 在参数扫描中,VAR控件常与PARAMSWEEP控件配合使用,对指定变量进行步进扫描,观察不同参数下的电路性能56。

4. 用于优化设计

  • 在优化设计中,通过将变量设置为可优化,ADS可以根据设定的优化目标(如S参数、增益等)自动调整变量值,实现电路性能最优化47。

5. 用于统计分析

  • VAR控件可以设置变量的分布类型和误差范围,进行容差分析和良率分析,评估电路性能的稳定性和可靠性7。

6. 变量的调谐

  • 在设计过程中,可以使用VAR控件设置变量的调谐范围和步长,通过调整器(Tuning)实时观察电路响应,辅助参数优化8。

7. 变量的保存与更新

  • 优化完成后,需保存变量的当前值,以便后续仿真和分析。在VAR控件上可以看到变量的最新数值3。

通过上述功能,VAR控件在ADS中实现了电路设计的自动化和智能化,提高了设计效率和性能评估的准确性12348。

三.Parameter Sweep(参数扫描)

在ADS(Advanced Design System)中,Parameter Sweep(参数扫描)功能主要用于对电路中的关键参数进行批量、自动化的仿真测试,以分析参数变化对电路性能的影响。以下是其主要用法和操作流程:


1. 添加参数扫描控件

  • 在原理图设计界面,从元器件面板中找到 Controller-SWEEP 下的 ParamSweep 控件,并将其添加到原理图中12345。

2. 设置扫描参数

  • 选择变量:在 ParamSweep 控件设置窗口中,选择需要扫描的参数(如电感值、电容值、线宽、长度等)。
  • 设置范围:设定参数的起始值(Start)、终止值(Stop)和步长(Step),或指定采样点数12345。

3. 关联仿真控制器

  • 参数扫描控件会自动关联相应的仿真控制器(如S参数仿真、谐波平衡仿真等),用户需在仿真设置中指定待扫描的参数和变量12345。

4. 执行仿真

  • 运行仿真后,ADS会自动按照设定的参数范围和步长,依次进行多次仿真,并收集每组参数下的仿真结果12345。

5. 结果分析

  • 仿真完成后,可在数据显示窗口查看多组参数下的性能曲线,分析参数变化对电路指标(如S参数、增益、输出电压等)的影响,找到最优设计点或临界值12345。

应用场景举例

  • 优化PCB间隙对射频性能的影响:扫描间隙参数,观察S参数或电场强度变化。
  • LC滤波器设计:扫描电感、电容值,获取最佳滤波性能。
  • 放大器压缩增益测试:扫描输入功率,绘制增益压缩曲线,并找出1dB压缩点12345。

多维参数扫描

  • 可同时设置多个参数扫描,分析多参数组合对电路性能的影响,如嵌套循环扫描2。

总结
Parameter Sweep在ADS中的用法,是通过设置扫描变量和范围,自动化执行多参数仿真测试,从而系统性分析和优化电路性能。12345

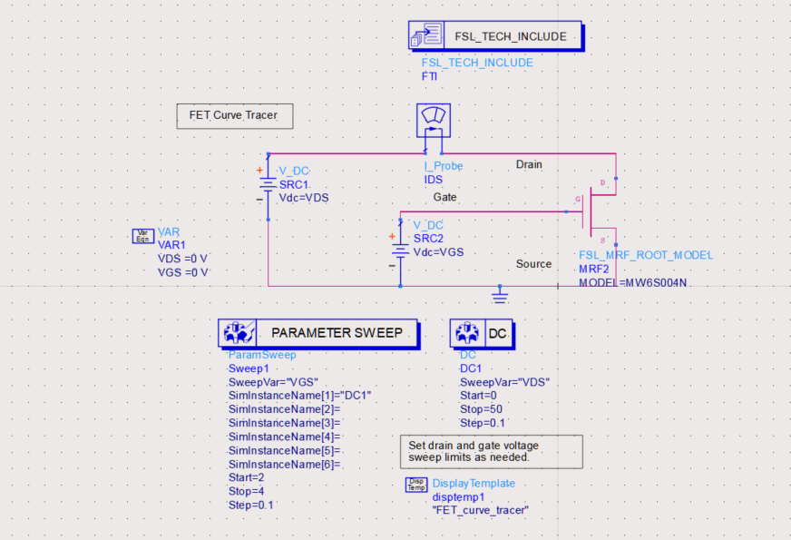
四.直流扫描(DC Sweep)

在ADS(Advanced Design System)中,DC仿真控制器主要用于分析电路的直流工作点、扫描直流参数以及进行直流扫描(DC Sweep),是电路设计与优化的基础手段。以下是DC控制器的主要用法和操作流程:


1. 添加DC仿真控制器

  • 在原理图界面,通过元器件面板(通常在Simulation-DC分类下)添加DC仿真控制器到设计中1234。

2. 设置DC扫描参数

  • 扫描类型:可选择线性扫描、对数扫描或单点扫描等。
  • 参数设置:设置扫描变量(如电压、电流、电阻等)、扫描范围(起始值、终止值)、步长及扫描点数。
  • 多变量扫描:支持同时扫描多个参数,通过ParamSweep控件实现多维参数分析1234。

3. 搭配Probe和模型

  • 在需要监测的节点添加DC Probe(如电流、电压探针),以便在仿真结果中显示相关数据345。
  • 设置有源器件(如MOS管、BJT等)模型及其参数,DC仿真会依据模型参数进行求解34。

4. 运行DC仿真

  • 完成设置后,运行仿真,ADS将计算在设定扫描参数下的直流工作点或扫描路径,获得电路的直流特性数据1234。

5. 结果查看与分析

  • 通过数据显示窗口,查看直流工作点参数、IV特性曲线、静态工作点等性能指标。
  • 可以添加负载线、分析直流偏置、观察器件工作状态3456。

6. 应用场景

  • 器件直流特性分析:如MOS管、BJT的输入输出特性曲线。
  • 放大器静态工作点设置:确定偏置电路参数。
  • 电源电路、各类偏置网络的直流性能优化23456。

总结:DC仿真控制器在ADS中是进行直流工作点分析和参数扫描的重要工具,通过设置扫描变量和范围,可以自动化批量仿真,系统性分析与优化电路的直流性能        

http://www.dtcms.com/a/477741.html

相关文章:

  • ORACLE 高危漏洞(9.8分)
  • 【检索:LSM】7、LSM树深度解析:为什么日志系统首选LSM树而非B+树?从原理到实践
  • 网站推广句子快照关键词优化
  • (解决)重装系统电脑账户进不去被停用,PIN无法验证,提示0xc0000234
  • 属于门户网站的有个人网站制作多少钱
  • wpf 命令理解
  • [好用工具] 一款mac/windows电脑历史剪切板工具,类似著名的Paste
  • 【Qt开发】输入类控件(七)-> QSlider
  • Oracle Exadata一体机简介 1千多个W
  • Caffeinated for Mac 防止屏幕睡眠工具
  • Trae官网炫酷特效与vue-bits的使用
  • 网站内页修改关键字抖音广告投放平台官网
  • Artstudio Pro for Mac 绘图与图片编辑软件
  • 上班没事做看什么网站wordpress主题官方
  • .NET Framework 4.0和Visual Studio 2010的串口通信类
  • 20自由度全驱动:赋能Tesollo五指灵巧手精细柔性作业新可能
  • 基于FastAPI与LangChain的Excel智能数据分析API开发实践
  • 【四级】全国大学英语四级历年真题及答案解析PDF电子版(2015-2025年6月)
  • 专业制造双轴倾角传感器与水平监测传感器的优质厂家分析
  • QtitanNavigation赋能工业制造:提升生产效率的界面导航利器
  • 网站不备案做优化网站建设 中软
  • 成都市建设厅网站查询建设部举报网站
  • 优秘智能深度学习应用场景实战提升效率指南
  • 【01】首页建立-vue+vite开发实战-做一个非常漂亮的APP下载落地页-支持PC和H5自适应提供安卓苹果鸿蒙下载和网页端访问-优雅草卓伊凡
  • 做网站建议农业网站建设模板下载
  • xdma IP使用教程1-xdma ip核配置
  • Pytest参数化实战:高效测试API接口
  • 关于力扣第167场双周赛的第一二题赛后反思
  • Post-training of LLMs
  • 【学习总结】AI接口测试-零基础从接口概念到客达天下系统Apifox+DeepSeek接口测试实战全流程