电机控制-PMSM无感FOC控制(五)相电流检测及重构 — 单电阻采样
文章目录
- 0. 前言
- 1. 单电阻采样原理图
- 1.1 单电阻采样的原理
- 2. 观测区与非观测区
- 2.1 非观测区的构成
- 2.2 非观测区电流重构技术
- 3. 电流采样最小脉宽时间Tmin
- 4. 采样点触发点的设置
- 5. 总结
0. 前言
相电流采样再FOC控制中是一个关键的环节,鉴于成本和易用性,目前应用较多的相电流采样方式是分流电阻采样,包括单电阻、双电阻以及三电阻采样法。
本章节先讲解单电阻采样相电流的检测及重构技术,在下一章讲解双电阻和三电阻。
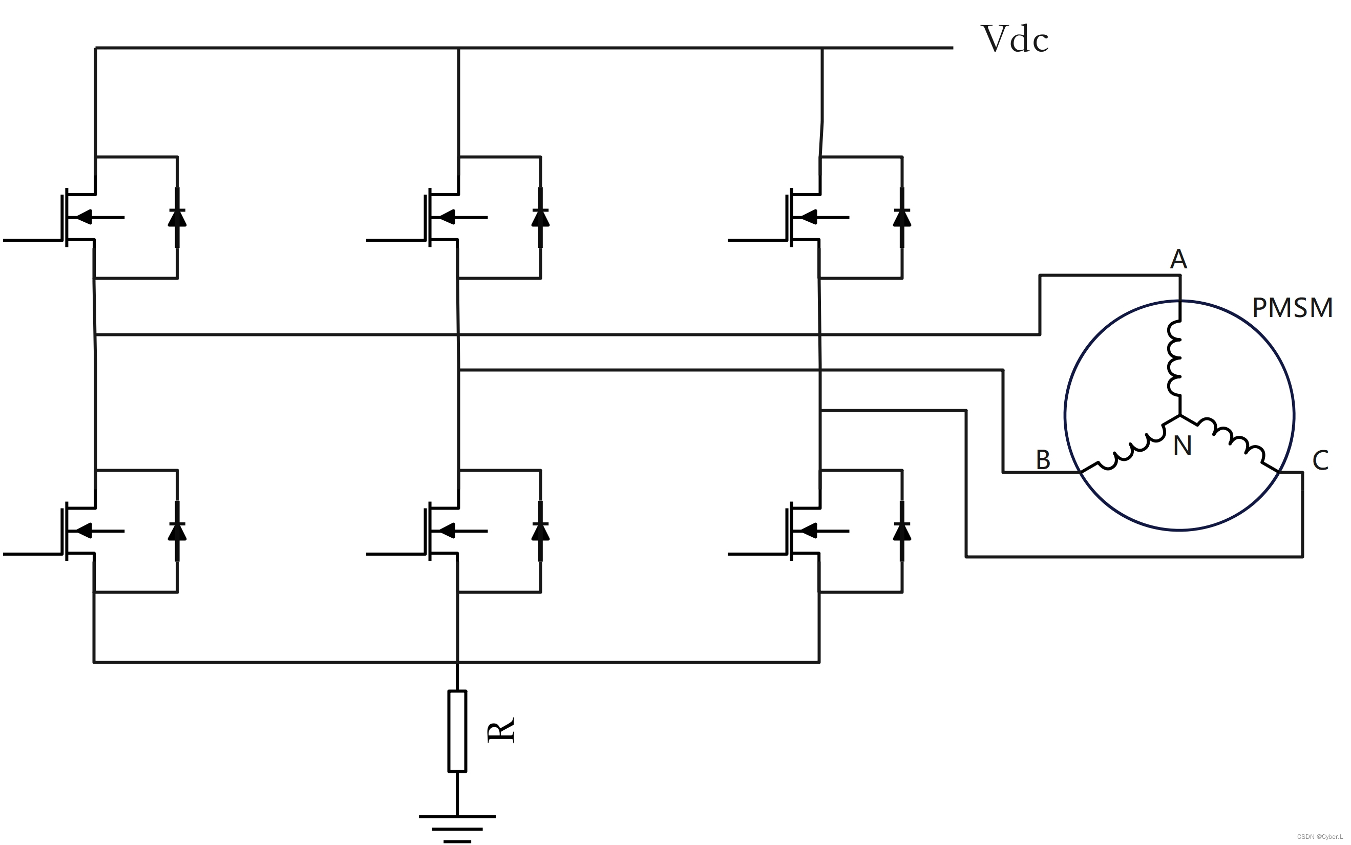
1. 单电阻采样原理图
单电阻采样原理图如图1-1所示:
单电阻采样的原理就是根据功率桥不同的开关状态,通过测量直流母线的瞬时电流来重构电机的相电流。其中R为串联在母线中的采样电阻,经过后续的调理电路和AD采样即可完成三相电流重构。
那具体是怎么重构的呢?
既然要重构三相电流,根据基尔霍夫定律可以得出:
Ia+Ib+Ic=0I_a + I_b + I_c = 0 Ia+Ib+Ic=0
因此我们需要知道同一时刻的其中两相电流才能重构出三相电流。但这一个采样电阻可以在同一时刻采集到两个相电流值吗?
我们先看看不同的开关状态下母线采样电阻,采的是什么电流,再给出这两个问题的答案
1.1 单电阻采样的原理
回顾第三章我们讲的功率桥电路中,有六个开关元件,通过SVPWM调制方法,这六个开关 元件有8种开关状态的组合。定义上桥臂的开关管导通时为“1”,关断时为“0”, 所以根据桥臂开关管的导通状态(Sa、Sb、Sc),我们可以得出六组基本非零矢量V001、V010、V011、V100、V101、V110和两组零矢量V000、V111。
不同开关状态下对应的母线电流测量值是不同的,因此必须分析不同的开关组合下,测得的母线电流值与相电流的关系。
分析基本非零矢量下的母线电流测量情况,以扇区1的V110和V100为例,规定从电机绕组电流流入的方向为正,从绕组电流流出的方向为负。
当在矢量V110作用下时,A相、B相的上管导通,C相的下管导通,电流的流向如图1-2所示,电流从A相和B相流入,从C相流出,此时母线电流的测量值I = -Ic;
当在矢量V100作用下时,A相的上管导通,B相、C相的下管导通,电流的流向如图1-3所示,电流从A相流入,从B相和C相流出,此时母线电流的测量值I = Ia;
通过上面的分析可以知道,如图1-4所示,在浅蓝色区域可以采集到C相电流,在浅橙色区域可以采集到A相的电流,在载波周期足够短时,我们可以近似认为这是同一时刻分别流过电机C相和A相的电流,从而重构出B相的电流。
同理,其他非零矢量的电流流向的分析与此类似,这里不再赘述。
在零矢量的作用下,母线上的采样电阻无电流流过,母线电流I = 0。
根据第三章SVPWM的内容我们可以知道,六个非零电压矢量将平面划分成了六个扇区如图1-5所示;
对于每一个扇区,两个不同的基本非零的矢量合成了目标矢量。所以针对这 6个扇区按照如上方法进行分析,得出了采集的母线电流与基本的非零矢量之间的对照关系,具体如下表1.1所示。

由此可以看出母线电压的采样电阻在一种非零矢量的开关状态下只能检测出某一相的电流,那么回到之前提出的问题:
单电阻采样是怎么重构出三相的电流的呢?
这一个采样电阻可以在同一时刻采集到两个相电流值吗?
我们知道电感有续流的特性,流过它的电流不能突变,那么当我们的电感值足够大,载波周期足够小时,我们就可以把这一个载波周期内,两次不同开关状态下检测到的两相的电流,近似看成同一时刻这两相的电流值。从而根据基尔霍夫定律重构出这一时刻的三相电流
2. 观测区与非观测区
通过图2-1可以知道扇区1相电流的采样区间是在C相和B相的下降沿处开始的,采样过程需要一定的时间来完成,假设完成采集至少需要的时间为Tmin,矢量V110作用的时间为T1,矢量V100作用的时间为T2。
我们知道对于平面内的任意矢量都是由两个不同的基本非零的矢量合成的,根据基本矢量的作用时间我们可以对矢量平面进行划分,分为两个区域:观测区、非观测区。
观测区:Tmin<T12T_{min} < \frac{T_1}{2}Tmin<2T1 且 Tmin<T22T_{min} < \frac{T_2}{2}Tmin<2T2
非观测区:Tmin≥T12T_{min} \geq \frac{T_1}{2}Tmin≥2T1 或 Tmin≥T22T_{min} \geq \frac{T_2}{2}Tmin≥2T2
如图2-2所示如果某一个矢量的T1的作用时间极短,使得Tmin≥T12T_{min} \geq \frac{T_1}{2}Tmin≥2T1,这就导致留给ADC测量相电流的时间过短,ADC无法准确采集到电流,因此我们无法采集到准确的相电流进行相电流重构,那这个矢量所在的区域就是非观测区。
可能看到这大家对非观测区的概念还不是很理解,看完下一节就明白了。
2.1 非观测区的构成
非观测区由扇区过渡区和低压调制区两种类型的区域构成。
扇区过渡区空间矢量图如图2-3(a)所示,其中阴影部分为扇区过渡区,其第1扇区红色箭头所指的扇区过渡区内的空间矢量对应的PWM波形图如图2-3(b)所示。
根据图2-3(a),当目标电压矢量Uref位于扇区边界的时候,会使得Uref的值处于一个基本矢量作用时间较长而另一个基本矢量作用时间会很短的状态,使得Tmin≥T12T_{min} \geq \frac{T_1}{2}Tmin≥2T1或者Tmin≥T22T_{min} \geq \frac{T_2}{2}Tmin≥2T2,这种情况只能准确采集一个母线电流值,从而无法实现电流重构。
以第1扇区为例,根据图2-3(b),基本电压矢量V110的作用时间太短,导致无法测量矢量V110作用下的母线电流。
低压调制区空间矢量图如图2-4(a)所示,其中阴影部分为低压调制区,同样取其第1扇区红色箭头所指的低压调制区内的空间矢量对应的PWM波形图如图2-4(b)所示。
根据图2-4(a),此时的目标电压矢量Uref处于低调制区,Uref幅值很小,即构成它的两个基本电压矢量的作用时间T都会很短,使得Tmin≥T12T_{min} \geq \frac{T_1}{2}Tmin≥2T1且Tmin≥T22T_{min} \geq \frac{T_2}{2}Tmin≥2T2,这种情况下两个母线电流都无法测量,从而不能完成电流重构。
以第1扇区为例,根据图2-4(b),基本电压矢量V110和V100的作用时间都很短,所以采样时间T1/2和T2/2都偏小,无法实现对母线电流的采样。
2.2 非观测区电流重构技术
我个人所接触到的解决非观测区电流重构问题的方法有两种,一种是ST在2009年申请的一个专利(专利号:US20090284194;感兴趣的可以去博客顶部下载),另一种方案就是本文要讲的移相法。
移相法解决问题的方法就是拓展非零电压矢量作用的时间窗口,保证它们不小于最小采样时间Tmin。在非观测区时移相法会修改SVPWM 的调制模式,采用非对称的PWM输出模式,确保PWM波形在后半周期有足够的采样时间。
简单点来描述的话就是:根据实际情况,将PWM1、PWM2、PWM3中占空比最小的,沿着中心向左平移,将PWM1、PWM2、PWM3中占空比最大的,沿着中心向右平移。
举两个例子说明一下:
例一:如图2-5所示,过渡区的矢量的PWM波形移相前后对比:
如图2-5(a)所示第1扇区过渡区内的矢量合成时,矢量V110的作用时间T1太短,T1/2 < Tmin,因此需要进行移相,如图2-5(b)所示,将占空比最小的PWM3H向左平移了Δt,从而拓宽了PWM后半段的V110作用时间,留出足够的时间给ADC进行采样。
例二:如图2-6所示,低压调制区的矢量的PWM波形移相前后对比:
如图2-6(a)所示第1扇区低压调制区内的矢量合成时,矢量V110和V100的作用时间T1、T2太短,Tmin≥T12T_{min} \geq \frac{T_1}{2}Tmin≥2T1,Tmin≥T22T_{min} \geq \frac{T_2}{2}Tmin≥2T2,需要进行移相;如图2-6(b)所示,将占空比最小的PWM3H向左平移了Δt1,将占空比最大的PWM1H向右平移了Δt2,从而拓宽了PWM后半段的V110和V100作用时间,留出足够的时间给ADC进行采样。
3. 电流采样最小脉宽时间Tmin
之前讲了完成采样至少需要Tmin的时间,那这个Tmin的时间怎么确认下来呢?
拿第一扇区举例,在PWM后半段开关管状态为110(A、B相上管导通,下管关闭;C相下管导通,上管关闭)和100(A相上管导通下管关闭,B、C相下管导通,上管关闭)时才能够采集到正确的电流,但是我们知道开关管开通和关断都需要时间,并且上下管不能同时导通,所以控制A相的两个互补的PWM是插入死区了的,死区时间记作TdeadT_{dead}Tdead,开关管导通时间记作TonT_{on}Ton,死区时间和开关管导通时间都是影响Tmin的因素。
又因为功率管进行开关切换时,由于电路中的电感、电容的存在,电流和电压并不会立即稳定,而是会经过一段时间的振荡才能达到稳定状态这,从开关动作到电流稳定的时间就是振铃时间,记作TringT_{ring}Tring,振铃时间也是影响Tmin的因素之一。
还有一些因素会影响到Tmin,就是ADC的转换时间记作TADC_convertT_{ADC\_ convert}TADC_convert;
我们可以根据这些时间得出一个Tmin 的公式如下:
Tmin=Tdead+Ton+Tring+TADC_convertT_{min}=T_{dead}+T_{on}+T_{ring}+T_{ADC\_ convert} Tmin=Tdead+Ton+Tring+TADC_convert
电流采样最小脉宽时间 = 死区时间 + 开关管导通时间 + 振铃时间 + ADC转换时间;
4. 采样点触发点的设置
通过图4-1 (a)可以知道,想要采集到C相电流的话必须在C相的上管关闭、下管导通时才行,由于插入了死区,实际留给我们采样的区间并不是4-1(a)所示,而是如图4-1(b)的红框所示,红框框起来的地方才是我们能采集到电流的区间。
但是死区结束后的时间我们如果立刻采样的话并不一定能准确采集到相电流。
因为开关管导通需要时间以及导通时会有振铃现象,所以C相电流采集的触发点需要后移(A相电流的采样触发点同理),如图4-2所示:
5. 总结
单电阻采样其实就是采集不同开关状态时的相电流,在载波周期足够小、电感值足够大时可以将一个载波周期内两次不同时刻采集的相电流视为同一时刻的相电流,再根据基尔霍夫电压电流定律进行电流重构。
对于非观测区电流重构需要对PWM波形进行移相,从而预留出足够宽的采样窗口用于采集相电流,移相的规律可以概括为大占空比右移,小占空比左移。