永磁同步电机控制算法--变结构PI调节器
一、基本原理
在永磁同步电机调速系统中,传统PI控制的阶跃响应存在超调的问题。采用IP控制虽可消除超调,但会使系统响应变慢,对时变输入的跟踪性能变差。为此,采用一种变结构PI(Variable Structure PI,VSPI)控制器,在传统PI控制器的基础上引入输入微分前馈,并将误差比例环节与误差积分环节并联的结构改为误差的比例微分环节与积分环节串联的结构。结合遇限停止积分的抗积分饱和环节,VSPI控制在时变输入时等效于PI控制,在阶跃给定时等效于 IP控制,因此,VSPI控制在解决阶跃响应的超调问题的同时提高对时变输入的跟踪精度。
二、仿真验证
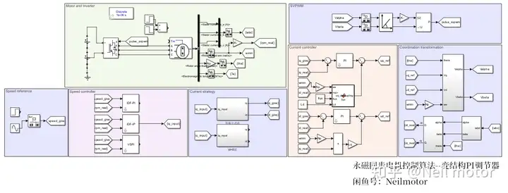
在MATLAB/simulink里面验证所提算法,采用和实验中一致的控制周期1e-4,电机部分计算周期为1e-6。仿真模型如下所示:

仿真工况:初始给定转速为1000rpm,0.5s施加阶跃额定负载,1s撤去负载。
2.1IP调节器转速

2.2PI调节器转速

由于本次仿真的PI调节器引入了抗饱和积分环节,所以在加速到额定转速后的超调比较小
2.3变结构IP调节器转速

仿真工况:给定转速为幅值为400、频率为5Hz的正弦波。
2.4IP调节器转速

2.5PI调节器转速

2.6变结构IP调节器转速

综上,可以看出变结构PI在保持传递函数基本不变的基础上,综合了PI和IP的优点,实现较好的阶跃响应和时变信号跟踪性能。
